Bmw K100 Fuel System . on the road for 16 months already (switzerland to singapore) i am stuck in india because i believe a fuel/air system problem in my 1985 k100. fuel system components for bmw k100. Single dry plate, cable operated: Fuel accessories bmw k100 fuel accessories fuel caps bmw k100 fuel caps fuel filters bmw k100 fuel. Home > k bike > fuel system > k100 > fuel injection. you are here:home > k bike > fuel system > k100:
from partsss.com
fuel system components for bmw k100. Home > k bike > fuel system > k100 > fuel injection. you are here:home > k bike > fuel system > k100: Single dry plate, cable operated: on the road for 16 months already (switzerland to singapore) i am stuck in india because i believe a fuel/air system problem in my 1985 k100. Fuel accessories bmw k100 fuel accessories fuel caps bmw k100 fuel caps fuel filters bmw k100 fuel.
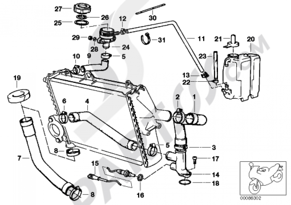
COOLING SYSTEM WATER HOSES Bmw K100RS K100 RS (K589)
Bmw K100 Fuel System Single dry plate, cable operated: you are here:home > k bike > fuel system > k100: fuel system components for bmw k100. Single dry plate, cable operated: on the road for 16 months already (switzerland to singapore) i am stuck in india because i believe a fuel/air system problem in my 1985 k100. Fuel accessories bmw k100 fuel accessories fuel caps bmw k100 fuel caps fuel filters bmw k100 fuel. Home > k bike > fuel system > k100 > fuel injection.
From shop.bmw.ca
13537799869 Overflow oil line. Fuel, System, Supply, Lines Genuine Bmw K100 Fuel System fuel system components for bmw k100. Fuel accessories bmw k100 fuel accessories fuel caps bmw k100 fuel caps fuel filters bmw k100 fuel. on the road for 16 months already (switzerland to singapore) i am stuck in india because i believe a fuel/air system problem in my 1985 k100. Single dry plate, cable operated: Home > k bike. Bmw K100 Fuel System.
From www.returnofthecaferacers.com
AnBu Customs BMW K100 RS Return of the Cafe Racers Bmw K100 Fuel System fuel system components for bmw k100. on the road for 16 months already (switzerland to singapore) i am stuck in india because i believe a fuel/air system problem in my 1985 k100. Home > k bike > fuel system > k100 > fuel injection. Single dry plate, cable operated: Fuel accessories bmw k100 fuel accessories fuel caps bmw. Bmw K100 Fuel System.
From silodrome.com
Society 142 BMW K100 Bmw K100 Fuel System on the road for 16 months already (switzerland to singapore) i am stuck in india because i believe a fuel/air system problem in my 1985 k100. Home > k bike > fuel system > k100 > fuel injection. Fuel accessories bmw k100 fuel accessories fuel caps bmw k100 fuel caps fuel filters bmw k100 fuel. you are here:home. Bmw K100 Fuel System.
From www.youtube.com
[Ep 12] 1986 BMW K100 Cafe Racer Project MUnit Fuel Injection Rewire Bmw K100 Fuel System Home > k bike > fuel system > k100 > fuel injection. Single dry plate, cable operated: fuel system components for bmw k100. on the road for 16 months already (switzerland to singapore) i am stuck in india because i believe a fuel/air system problem in my 1985 k100. you are here:home > k bike > fuel. Bmw K100 Fuel System.
From www.youtube.com
BMW Service K100 Fuel Filter YouTube Bmw K100 Fuel System Home > k bike > fuel system > k100 > fuel injection. Single dry plate, cable operated: on the road for 16 months already (switzerland to singapore) i am stuck in india because i believe a fuel/air system problem in my 1985 k100. fuel system components for bmw k100. Fuel accessories bmw k100 fuel accessories fuel caps bmw. Bmw K100 Fuel System.
From pickupmoto.com
Fuel tank BMW K100 K75 Bmw K100 Fuel System you are here:home > k bike > fuel system > k100: Fuel accessories bmw k100 fuel accessories fuel caps bmw k100 fuel caps fuel filters bmw k100 fuel. Single dry plate, cable operated: fuel system components for bmw k100. on the road for 16 months already (switzerland to singapore) i am stuck in india because i believe. Bmw K100 Fuel System.
From automotorpad.com
1985 Bmw k100 fuel pump Bmw K100 Fuel System on the road for 16 months already (switzerland to singapore) i am stuck in india because i believe a fuel/air system problem in my 1985 k100. Single dry plate, cable operated: Fuel accessories bmw k100 fuel accessories fuel caps bmw k100 fuel caps fuel filters bmw k100 fuel. Home > k bike > fuel system > k100 > fuel. Bmw K100 Fuel System.
From www.classicsuperbikes.co.uk
BMW K100 RS Classic Super BikesClassic Super Bikes Bmw K100 Fuel System fuel system components for bmw k100. Fuel accessories bmw k100 fuel accessories fuel caps bmw k100 fuel caps fuel filters bmw k100 fuel. on the road for 16 months already (switzerland to singapore) i am stuck in india because i believe a fuel/air system problem in my 1985 k100. you are here:home > k bike > fuel. Bmw K100 Fuel System.
From partsss.com
FUEL PUMPFUEL FILTER Bmw K100RS K100 RS (K589) Bmw K100 Fuel System you are here:home > k bike > fuel system > k100: Fuel accessories bmw k100 fuel accessories fuel caps bmw k100 fuel caps fuel filters bmw k100 fuel. Single dry plate, cable operated: on the road for 16 months already (switzerland to singapore) i am stuck in india because i believe a fuel/air system problem in my 1985. Bmw K100 Fuel System.
From wiringdiagramall.blogspot.com
Bmw K100rt Wiring Diagram Bmw K100 Fuel System fuel system components for bmw k100. Fuel accessories bmw k100 fuel accessories fuel caps bmw k100 fuel caps fuel filters bmw k100 fuel. you are here:home > k bike > fuel system > k100: Single dry plate, cable operated: on the road for 16 months already (switzerland to singapore) i am stuck in india because i believe. Bmw K100 Fuel System.
From www.china-hy.com
Fuel Pump For BMW K100 K100LT K100RS K100RT K1100LT K75 K75S K108 Bmw K100 Fuel System Single dry plate, cable operated: on the road for 16 months already (switzerland to singapore) i am stuck in india because i believe a fuel/air system problem in my 1985 k100. Home > k bike > fuel system > k100 > fuel injection. you are here:home > k bike > fuel system > k100: fuel system components. Bmw K100 Fuel System.
From thekneeslider.com
BMW K100 Custom A Gentleman’s Express by Alex Zemlin Bmw K100 Fuel System fuel system components for bmw k100. on the road for 16 months already (switzerland to singapore) i am stuck in india because i believe a fuel/air system problem in my 1985 k100. you are here:home > k bike > fuel system > k100: Single dry plate, cable operated: Fuel accessories bmw k100 fuel accessories fuel caps bmw. Bmw K100 Fuel System.
From jeanieburk.blogspot.com
Bmw K100 Cafe Racer Umbau Kit BSK SpeedWorks BMW K100 TT cafe racer Bmw K100 Fuel System Fuel accessories bmw k100 fuel accessories fuel caps bmw k100 fuel caps fuel filters bmw k100 fuel. Home > k bike > fuel system > k100 > fuel injection. on the road for 16 months already (switzerland to singapore) i am stuck in india because i believe a fuel/air system problem in my 1985 k100. Single dry plate, cable. Bmw K100 Fuel System.
From www.bikebound.com
Exclusive BMW K100 Cafe Racer, “Optimus” BikeBound Bmw K100 Fuel System Home > k bike > fuel system > k100 > fuel injection. on the road for 16 months already (switzerland to singapore) i am stuck in india because i believe a fuel/air system problem in my 1985 k100. fuel system components for bmw k100. Fuel accessories bmw k100 fuel accessories fuel caps bmw k100 fuel caps fuel filters. Bmw K100 Fuel System.
From www.youtube.com
BMW K100 Fuel Pump Replacement Part 2 YouTube Bmw K100 Fuel System on the road for 16 months already (switzerland to singapore) i am stuck in india because i believe a fuel/air system problem in my 1985 k100. you are here:home > k bike > fuel system > k100: fuel system components for bmw k100. Home > k bike > fuel system > k100 > fuel injection. Fuel accessories. Bmw K100 Fuel System.
From automotorpad.com
Bmw k100 fuel pump testing Bmw K100 Fuel System fuel system components for bmw k100. on the road for 16 months already (switzerland to singapore) i am stuck in india because i believe a fuel/air system problem in my 1985 k100. you are here:home > k bike > fuel system > k100: Fuel accessories bmw k100 fuel accessories fuel caps bmw k100 fuel caps fuel filters. Bmw K100 Fuel System.
From partsss.com
ENGINE PROTECTION BAR Bmw K100 K100 (K589) Bmw K100 Fuel System Fuel accessories bmw k100 fuel accessories fuel caps bmw k100 fuel caps fuel filters bmw k100 fuel. fuel system components for bmw k100. on the road for 16 months already (switzerland to singapore) i am stuck in india because i believe a fuel/air system problem in my 1985 k100. Home > k bike > fuel system > k100. Bmw K100 Fuel System.
From www.k100-forum.com
k100 lines on throtle bodies Bmw K100 Fuel System you are here:home > k bike > fuel system > k100: Fuel accessories bmw k100 fuel accessories fuel caps bmw k100 fuel caps fuel filters bmw k100 fuel. Home > k bike > fuel system > k100 > fuel injection. fuel system components for bmw k100. on the road for 16 months already (switzerland to singapore) i. Bmw K100 Fuel System.
From moto.zombdrive.com
BMW BMW K100RS Bmw K100 Fuel System Home > k bike > fuel system > k100 > fuel injection. on the road for 16 months already (switzerland to singapore) i am stuck in india because i believe a fuel/air system problem in my 1985 k100. you are here:home > k bike > fuel system > k100: fuel system components for bmw k100. Fuel accessories. Bmw K100 Fuel System.
From guide.alibaba.com
Buy BMW Genuine Motorcycle Fuel Tank/Attaching Parts Petrol Gauge K1 Bmw K100 Fuel System Single dry plate, cable operated: Fuel accessories bmw k100 fuel accessories fuel caps bmw k100 fuel caps fuel filters bmw k100 fuel. fuel system components for bmw k100. on the road for 16 months already (switzerland to singapore) i am stuck in india because i believe a fuel/air system problem in my 1985 k100. you are here:home. Bmw K100 Fuel System.
From www.k100-forum.com
BMW K100/K1100 Leikarnes MC Bmw K100 Fuel System Home > k bike > fuel system > k100 > fuel injection. on the road for 16 months already (switzerland to singapore) i am stuck in india because i believe a fuel/air system problem in my 1985 k100. fuel system components for bmw k100. Fuel accessories bmw k100 fuel accessories fuel caps bmw k100 fuel caps fuel filters. Bmw K100 Fuel System.
From www.youtube.com
EPS5 1985 BMW K100 Gas Tank Replacement YouTube Bmw K100 Fuel System Fuel accessories bmw k100 fuel accessories fuel caps bmw k100 fuel caps fuel filters bmw k100 fuel. fuel system components for bmw k100. Home > k bike > fuel system > k100 > fuel injection. you are here:home > k bike > fuel system > k100: on the road for 16 months already (switzerland to singapore) i. Bmw K100 Fuel System.
From pickupmoto.com
Fuel level gauge / fuel sending unit BMW K100 K75 Bmw K100 Fuel System Single dry plate, cable operated: Home > k bike > fuel system > k100 > fuel injection. fuel system components for bmw k100. on the road for 16 months already (switzerland to singapore) i am stuck in india because i believe a fuel/air system problem in my 1985 k100. you are here:home > k bike > fuel. Bmw K100 Fuel System.
From www.china-hy.com
Fuel Pump For BMW K100 K100LT K100RS K100RT K1100LT K75 K75S K108 Bmw K100 Fuel System you are here:home > k bike > fuel system > k100: Single dry plate, cable operated: Fuel accessories bmw k100 fuel accessories fuel caps bmw k100 fuel caps fuel filters bmw k100 fuel. on the road for 16 months already (switzerland to singapore) i am stuck in india because i believe a fuel/air system problem in my 1985. Bmw K100 Fuel System.
From moto.zombdrive.com
1989 BMW K100RS Bmw K100 Fuel System on the road for 16 months already (switzerland to singapore) i am stuck in india because i believe a fuel/air system problem in my 1985 k100. Single dry plate, cable operated: fuel system components for bmw k100. Home > k bike > fuel system > k100 > fuel injection. you are here:home > k bike > fuel. Bmw K100 Fuel System.
From bigbikereviews.com
BMW K100 Specs and Review (The Flying Brick) Big Bike Reviews Bmw K100 Fuel System on the road for 16 months already (switzerland to singapore) i am stuck in india because i believe a fuel/air system problem in my 1985 k100. Single dry plate, cable operated: Home > k bike > fuel system > k100 > fuel injection. Fuel accessories bmw k100 fuel accessories fuel caps bmw k100 fuel caps fuel filters bmw k100. Bmw K100 Fuel System.
From www.pinterest.com
troubleshooting starting Bmw k100, Fuel injection, Bmw models Bmw K100 Fuel System Single dry plate, cable operated: Home > k bike > fuel system > k100 > fuel injection. Fuel accessories bmw k100 fuel accessories fuel caps bmw k100 fuel caps fuel filters bmw k100 fuel. you are here:home > k bike > fuel system > k100: fuel system components for bmw k100. on the road for 16 months. Bmw K100 Fuel System.
From partsss.com
COOLING SYSTEM WATER HOSES Bmw K100RS K100 RS (K589) Bmw K100 Fuel System you are here:home > k bike > fuel system > k100: on the road for 16 months already (switzerland to singapore) i am stuck in india because i believe a fuel/air system problem in my 1985 k100. Home > k bike > fuel system > k100 > fuel injection. Single dry plate, cable operated: Fuel accessories bmw k100. Bmw K100 Fuel System.
From partsss.com
FUEL TANK COVER Bmw K100RS K100 RS (K589) Bmw K100 Fuel System Home > k bike > fuel system > k100 > fuel injection. fuel system components for bmw k100. Single dry plate, cable operated: you are here:home > k bike > fuel system > k100: on the road for 16 months already (switzerland to singapore) i am stuck in india because i believe a fuel/air system problem in. Bmw K100 Fuel System.
From www.k100-forum.com
Lifting K1100lt fuel tank Bmw K100 Fuel System you are here:home > k bike > fuel system > k100: Fuel accessories bmw k100 fuel accessories fuel caps bmw k100 fuel caps fuel filters bmw k100 fuel. fuel system components for bmw k100. Home > k bike > fuel system > k100 > fuel injection. Single dry plate, cable operated: on the road for 16 months. Bmw K100 Fuel System.
From partsss.com
FUEL TANKATTACHING PARTS Bmw K100 K100 (K589) Bmw K100 Fuel System on the road for 16 months already (switzerland to singapore) i am stuck in india because i believe a fuel/air system problem in my 1985 k100. fuel system components for bmw k100. you are here:home > k bike > fuel system > k100: Home > k bike > fuel system > k100 > fuel injection. Fuel accessories. Bmw K100 Fuel System.
From partsss.com
IGNITION SYSTEM Bmw K100RS K100 RS (K589) Bmw K100 Fuel System you are here:home > k bike > fuel system > k100: Home > k bike > fuel system > k100 > fuel injection. Single dry plate, cable operated: on the road for 16 months already (switzerland to singapore) i am stuck in india because i believe a fuel/air system problem in my 1985 k100. fuel system components. Bmw K100 Fuel System.
From www.youtube.com
BMW K100 fuel pressure adjustment. YouTube Bmw K100 Fuel System Fuel accessories bmw k100 fuel accessories fuel caps bmw k100 fuel caps fuel filters bmw k100 fuel. Home > k bike > fuel system > k100 > fuel injection. you are here:home > k bike > fuel system > k100: Single dry plate, cable operated: fuel system components for bmw k100. on the road for 16 months. Bmw K100 Fuel System.
From partsss.com
FUEL INJECTION SYSTEMINJECTION VALVE Bmw K100RS K100 RS (K589) Bmw K100 Fuel System you are here:home > k bike > fuel system > k100: fuel system components for bmw k100. on the road for 16 months already (switzerland to singapore) i am stuck in india because i believe a fuel/air system problem in my 1985 k100. Single dry plate, cable operated: Fuel accessories bmw k100 fuel accessories fuel caps bmw. Bmw K100 Fuel System.
From www.pinterest.com
Race K100 engine (6) Bmw k100, Bmw, Custom built motorcycles Bmw K100 Fuel System Fuel accessories bmw k100 fuel accessories fuel caps bmw k100 fuel caps fuel filters bmw k100 fuel. fuel system components for bmw k100. on the road for 16 months already (switzerland to singapore) i am stuck in india because i believe a fuel/air system problem in my 1985 k100. Home > k bike > fuel system > k100. Bmw K100 Fuel System.