Bevel Gear Load Carrying Capacity . In this chapter, the main factors influencing the load carrying capacity of bevel gears in a broadest meaning, including straight, helical. This document specifies the methods of calculation of the load capacity of bevel gears, the formulae and symbols used for calculation, and the general. The leaves of a leaf spring, then the load carrying capacity of the beam package (same outside dimensions) is only 25% of the original beam. Bevel gears are widely used in various industrial applications, such as automotive, aerospace, and marine industries, due to their.
from ritmindustry.com
Bevel gears are widely used in various industrial applications, such as automotive, aerospace, and marine industries, due to their. The leaves of a leaf spring, then the load carrying capacity of the beam package (same outside dimensions) is only 25% of the original beam. In this chapter, the main factors influencing the load carrying capacity of bevel gears in a broadest meaning, including straight, helical. This document specifies the methods of calculation of the load capacity of bevel gears, the formulae and symbols used for calculation, and the general.
Bevel gear reducer / helical / orthogonal / highloadcapacity RITM
Bevel Gear Load Carrying Capacity The leaves of a leaf spring, then the load carrying capacity of the beam package (same outside dimensions) is only 25% of the original beam. Bevel gears are widely used in various industrial applications, such as automotive, aerospace, and marine industries, due to their. In this chapter, the main factors influencing the load carrying capacity of bevel gears in a broadest meaning, including straight, helical. This document specifies the methods of calculation of the load capacity of bevel gears, the formulae and symbols used for calculation, and the general. The leaves of a leaf spring, then the load carrying capacity of the beam package (same outside dimensions) is only 25% of the original beam.
From www.semanticscholar.org
Figure 1 from Optimization of toothroot profile for maximum load Bevel Gear Load Carrying Capacity In this chapter, the main factors influencing the load carrying capacity of bevel gears in a broadest meaning, including straight, helical. The leaves of a leaf spring, then the load carrying capacity of the beam package (same outside dimensions) is only 25% of the original beam. Bevel gears are widely used in various industrial applications, such as automotive, aerospace, and. Bevel Gear Load Carrying Capacity.
From documents.pub
OPTIMIZATION OF TOOTHROOT PROFILE FOR MAXIMUM LOADCARRYING CAPACITY Bevel Gear Load Carrying Capacity This document specifies the methods of calculation of the load capacity of bevel gears, the formulae and symbols used for calculation, and the general. The leaves of a leaf spring, then the load carrying capacity of the beam package (same outside dimensions) is only 25% of the original beam. Bevel gears are widely used in various industrial applications, such as. Bevel Gear Load Carrying Capacity.
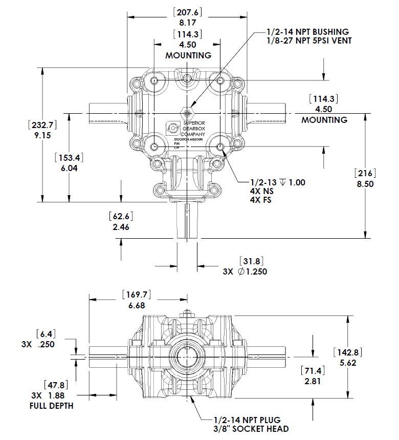
From www.superiorgearbox.com
Right Angle Bevel Gear Drive R400 Series Superior Gearbox Company Bevel Gear Load Carrying Capacity The leaves of a leaf spring, then the load carrying capacity of the beam package (same outside dimensions) is only 25% of the original beam. Bevel gears are widely used in various industrial applications, such as automotive, aerospace, and marine industries, due to their. This document specifies the methods of calculation of the load capacity of bevel gears, the formulae. Bevel Gear Load Carrying Capacity.
From www.youtube.com
How to Design Two Way Bevel Gear Box 343 DesignWithAjay CAD 3D Bevel Gear Load Carrying Capacity Bevel gears are widely used in various industrial applications, such as automotive, aerospace, and marine industries, due to their. In this chapter, the main factors influencing the load carrying capacity of bevel gears in a broadest meaning, including straight, helical. The leaves of a leaf spring, then the load carrying capacity of the beam package (same outside dimensions) is only. Bevel Gear Load Carrying Capacity.
From www.slideserve.com
PPT Design and Analysis of a Spiral Bevel Gear PowerPoint Bevel Gear Load Carrying Capacity This document specifies the methods of calculation of the load capacity of bevel gears, the formulae and symbols used for calculation, and the general. In this chapter, the main factors influencing the load carrying capacity of bevel gears in a broadest meaning, including straight, helical. Bevel gears are widely used in various industrial applications, such as automotive, aerospace, and marine. Bevel Gear Load Carrying Capacity.
From www.slideshare.net
Bevel gears Bevel Gear Load Carrying Capacity The leaves of a leaf spring, then the load carrying capacity of the beam package (same outside dimensions) is only 25% of the original beam. This document specifies the methods of calculation of the load capacity of bevel gears, the formulae and symbols used for calculation, and the general. Bevel gears are widely used in various industrial applications, such as. Bevel Gear Load Carrying Capacity.
From www.gwj.de
GWJ GearEngineer Bevel gear Bevel Gear Load Carrying Capacity The leaves of a leaf spring, then the load carrying capacity of the beam package (same outside dimensions) is only 25% of the original beam. In this chapter, the main factors influencing the load carrying capacity of bevel gears in a broadest meaning, including straight, helical. Bevel gears are widely used in various industrial applications, such as automotive, aerospace, and. Bevel Gear Load Carrying Capacity.
From www.scribd.com
ISO 1030012001 Calculation of Load Capacity of Bevel Gears Part 1 Bevel Gear Load Carrying Capacity In this chapter, the main factors influencing the load carrying capacity of bevel gears in a broadest meaning, including straight, helical. Bevel gears are widely used in various industrial applications, such as automotive, aerospace, and marine industries, due to their. This document specifies the methods of calculation of the load capacity of bevel gears, the formulae and symbols used for. Bevel Gear Load Carrying Capacity.
From www.researchgate.net
Direction of thrust and rotational forces in a spiral bevel gear Bevel Gear Load Carrying Capacity Bevel gears are widely used in various industrial applications, such as automotive, aerospace, and marine industries, due to their. This document specifies the methods of calculation of the load capacity of bevel gears, the formulae and symbols used for calculation, and the general. The leaves of a leaf spring, then the load carrying capacity of the beam package (same outside. Bevel Gear Load Carrying Capacity.
From www.iqsdirectory.com
Bevel Gear What Is It? How Does It Work? Types, Uses Bevel Gear Load Carrying Capacity In this chapter, the main factors influencing the load carrying capacity of bevel gears in a broadest meaning, including straight, helical. The leaves of a leaf spring, then the load carrying capacity of the beam package (same outside dimensions) is only 25% of the original beam. Bevel gears are widely used in various industrial applications, such as automotive, aerospace, and. Bevel Gear Load Carrying Capacity.
From ritmindustry.com
Bevel gear reducer / helical / orthogonal / highloadcapacity RITM Bevel Gear Load Carrying Capacity Bevel gears are widely used in various industrial applications, such as automotive, aerospace, and marine industries, due to their. This document specifies the methods of calculation of the load capacity of bevel gears, the formulae and symbols used for calculation, and the general. The leaves of a leaf spring, then the load carrying capacity of the beam package (same outside. Bevel Gear Load Carrying Capacity.
From www.researchgate.net
(PDF) Consideration of the Influences of the Driving Direction within Bevel Gear Load Carrying Capacity This document specifies the methods of calculation of the load capacity of bevel gears, the formulae and symbols used for calculation, and the general. The leaves of a leaf spring, then the load carrying capacity of the beam package (same outside dimensions) is only 25% of the original beam. In this chapter, the main factors influencing the load carrying capacity. Bevel Gear Load Carrying Capacity.
From www.iqsdirectory.com
Bevel Gear What Are They? How Do They Work? Types and Uses Bevel Gear Load Carrying Capacity The leaves of a leaf spring, then the load carrying capacity of the beam package (same outside dimensions) is only 25% of the original beam. Bevel gears are widely used in various industrial applications, such as automotive, aerospace, and marine industries, due to their. This document specifies the methods of calculation of the load capacity of bevel gears, the formulae. Bevel Gear Load Carrying Capacity.
From www.semanticscholar.org
Figure 3 from Optimization of toothroot profile for maximum load Bevel Gear Load Carrying Capacity This document specifies the methods of calculation of the load capacity of bevel gears, the formulae and symbols used for calculation, and the general. The leaves of a leaf spring, then the load carrying capacity of the beam package (same outside dimensions) is only 25% of the original beam. Bevel gears are widely used in various industrial applications, such as. Bevel Gear Load Carrying Capacity.
From www.iso.org
ISO/DIS 103001(en), Calculation of load capacity of bevel gears ? Part Bevel Gear Load Carrying Capacity Bevel gears are widely used in various industrial applications, such as automotive, aerospace, and marine industries, due to their. This document specifies the methods of calculation of the load capacity of bevel gears, the formulae and symbols used for calculation, and the general. In this chapter, the main factors influencing the load carrying capacity of bevel gears in a broadest. Bevel Gear Load Carrying Capacity.
From www.slideserve.com
PPT Chapter 15 Helical, Bevel, and Worm Gears PowerPoint Bevel Gear Load Carrying Capacity Bevel gears are widely used in various industrial applications, such as automotive, aerospace, and marine industries, due to their. The leaves of a leaf spring, then the load carrying capacity of the beam package (same outside dimensions) is only 25% of the original beam. This document specifies the methods of calculation of the load capacity of bevel gears, the formulae. Bevel Gear Load Carrying Capacity.
From engineeringdiscoveries.com
How To Calculate The Load Carrying Capacity Of A Column Design Of RCC Bevel Gear Load Carrying Capacity This document specifies the methods of calculation of the load capacity of bevel gears, the formulae and symbols used for calculation, and the general. In this chapter, the main factors influencing the load carrying capacity of bevel gears in a broadest meaning, including straight, helical. The leaves of a leaf spring, then the load carrying capacity of the beam package. Bevel Gear Load Carrying Capacity.
From www.semanticscholar.org
Figure 2 from Optimization of toothroot profile for maximum load Bevel Gear Load Carrying Capacity Bevel gears are widely used in various industrial applications, such as automotive, aerospace, and marine industries, due to their. In this chapter, the main factors influencing the load carrying capacity of bevel gears in a broadest meaning, including straight, helical. This document specifies the methods of calculation of the load capacity of bevel gears, the formulae and symbols used for. Bevel Gear Load Carrying Capacity.
From blogs.sw.siemens.com
Simulate Bevel Gears Accurately and Efficiently Simcenter Bevel Gear Load Carrying Capacity This document specifies the methods of calculation of the load capacity of bevel gears, the formulae and symbols used for calculation, and the general. Bevel gears are widely used in various industrial applications, such as automotive, aerospace, and marine industries, due to their. In this chapter, the main factors influencing the load carrying capacity of bevel gears in a broadest. Bevel Gear Load Carrying Capacity.
From www.scribd.com
Bevel Gear Load Capacity PDF Stress (Mechanics) Strength Of Materials Bevel Gear Load Carrying Capacity This document specifies the methods of calculation of the load capacity of bevel gears, the formulae and symbols used for calculation, and the general. Bevel gears are widely used in various industrial applications, such as automotive, aerospace, and marine industries, due to their. In this chapter, the main factors influencing the load carrying capacity of bevel gears in a broadest. Bevel Gear Load Carrying Capacity.
From www.iqsdirectory.com
Bevel Gear What Is It? How Does It Work? Types, Uses Bevel Gear Load Carrying Capacity Bevel gears are widely used in various industrial applications, such as automotive, aerospace, and marine industries, due to their. This document specifies the methods of calculation of the load capacity of bevel gears, the formulae and symbols used for calculation, and the general. The leaves of a leaf spring, then the load carrying capacity of the beam package (same outside. Bevel Gear Load Carrying Capacity.
From www.gears-industrial.com
servo helical bevel gear motor High Load Capacity Gear Transmission Bevel Gear Load Carrying Capacity The leaves of a leaf spring, then the load carrying capacity of the beam package (same outside dimensions) is only 25% of the original beam. Bevel gears are widely used in various industrial applications, such as automotive, aerospace, and marine industries, due to their. In this chapter, the main factors influencing the load carrying capacity of bevel gears in a. Bevel Gear Load Carrying Capacity.
From www.tbksoft.com
TBK Straight and helical bevel gears Bevel Gear Load Carrying Capacity Bevel gears are widely used in various industrial applications, such as automotive, aerospace, and marine industries, due to their. This document specifies the methods of calculation of the load capacity of bevel gears, the formulae and symbols used for calculation, and the general. In this chapter, the main factors influencing the load carrying capacity of bevel gears in a broadest. Bevel Gear Load Carrying Capacity.
From www.iso.org
ISO 1030012014(en), Calculation of load capacity of bevel gears Bevel Gear Load Carrying Capacity Bevel gears are widely used in various industrial applications, such as automotive, aerospace, and marine industries, due to their. In this chapter, the main factors influencing the load carrying capacity of bevel gears in a broadest meaning, including straight, helical. This document specifies the methods of calculation of the load capacity of bevel gears, the formulae and symbols used for. Bevel Gear Load Carrying Capacity.
From www.youtube.com
Design of bevel gear 3 YouTube Bevel Gear Load Carrying Capacity In this chapter, the main factors influencing the load carrying capacity of bevel gears in a broadest meaning, including straight, helical. The leaves of a leaf spring, then the load carrying capacity of the beam package (same outside dimensions) is only 25% of the original beam. Bevel gears are widely used in various industrial applications, such as automotive, aerospace, and. Bevel Gear Load Carrying Capacity.
From www.researchgate.net
Influence factors on micropitting load carrying capacity of gears Bevel Gear Load Carrying Capacity This document specifies the methods of calculation of the load capacity of bevel gears, the formulae and symbols used for calculation, and the general. The leaves of a leaf spring, then the load carrying capacity of the beam package (same outside dimensions) is only 25% of the original beam. Bevel gears are widely used in various industrial applications, such as. Bevel Gear Load Carrying Capacity.
From www.researchgate.net
b). Bevel Gear Terminology Spiral bevel gears exert more thrust load on Bevel Gear Load Carrying Capacity Bevel gears are widely used in various industrial applications, such as automotive, aerospace, and marine industries, due to their. This document specifies the methods of calculation of the load capacity of bevel gears, the formulae and symbols used for calculation, and the general. In this chapter, the main factors influencing the load carrying capacity of bevel gears in a broadest. Bevel Gear Load Carrying Capacity.
From www.hexagon.de
ZAR6 Bevel Gear Calculation Bevel Gear Load Carrying Capacity In this chapter, the main factors influencing the load carrying capacity of bevel gears in a broadest meaning, including straight, helical. This document specifies the methods of calculation of the load capacity of bevel gears, the formulae and symbols used for calculation, and the general. Bevel gears are widely used in various industrial applications, such as automotive, aerospace, and marine. Bevel Gear Load Carrying Capacity.
From www.chegg.com
The bevel gear shown in Figure 2 carries an axial Bevel Gear Load Carrying Capacity Bevel gears are widely used in various industrial applications, such as automotive, aerospace, and marine industries, due to their. In this chapter, the main factors influencing the load carrying capacity of bevel gears in a broadest meaning, including straight, helical. The leaves of a leaf spring, then the load carrying capacity of the beam package (same outside dimensions) is only. Bevel Gear Load Carrying Capacity.
From www.researchgate.net
The dynamic model of a spiral bevel gear system with rotational degrees Bevel Gear Load Carrying Capacity The leaves of a leaf spring, then the load carrying capacity of the beam package (same outside dimensions) is only 25% of the original beam. This document specifies the methods of calculation of the load capacity of bevel gears, the formulae and symbols used for calculation, and the general. Bevel gears are widely used in various industrial applications, such as. Bevel Gear Load Carrying Capacity.
From koyo.jtekt.co.jp
Calculation of loads Basic Bearing Knowledge Koyo Bearings /JTEKT Bevel Gear Load Carrying Capacity This document specifies the methods of calculation of the load capacity of bevel gears, the formulae and symbols used for calculation, and the general. Bevel gears are widely used in various industrial applications, such as automotive, aerospace, and marine industries, due to their. The leaves of a leaf spring, then the load carrying capacity of the beam package (same outside. Bevel Gear Load Carrying Capacity.
From www.semanticscholar.org
Figure 2 from Optimization of toothroot profile for maximum load Bevel Gear Load Carrying Capacity The leaves of a leaf spring, then the load carrying capacity of the beam package (same outside dimensions) is only 25% of the original beam. In this chapter, the main factors influencing the load carrying capacity of bevel gears in a broadest meaning, including straight, helical. Bevel gears are widely used in various industrial applications, such as automotive, aerospace, and. Bevel Gear Load Carrying Capacity.
From www.dsoftcon.be
Bevel Gear Load Capacity Bevel Gear Load Carrying Capacity Bevel gears are widely used in various industrial applications, such as automotive, aerospace, and marine industries, due to their. In this chapter, the main factors influencing the load carrying capacity of bevel gears in a broadest meaning, including straight, helical. This document specifies the methods of calculation of the load capacity of bevel gears, the formulae and symbols used for. Bevel Gear Load Carrying Capacity.
From www.en-standard.eu
PD ISO/TS 10300202021 Calculation of load capacity of bevel gears Bevel Gear Load Carrying Capacity In this chapter, the main factors influencing the load carrying capacity of bevel gears in a broadest meaning, including straight, helical. The leaves of a leaf spring, then the load carrying capacity of the beam package (same outside dimensions) is only 25% of the original beam. This document specifies the methods of calculation of the load capacity of bevel gears,. Bevel Gear Load Carrying Capacity.
From www.semanticscholar.org
Figure 1 from New calculation method for the scuffing loadcarrying Bevel Gear Load Carrying Capacity In this chapter, the main factors influencing the load carrying capacity of bevel gears in a broadest meaning, including straight, helical. Bevel gears are widely used in various industrial applications, such as automotive, aerospace, and marine industries, due to their. The leaves of a leaf spring, then the load carrying capacity of the beam package (same outside dimensions) is only. Bevel Gear Load Carrying Capacity.