Vacuum Tubes Heater Voltage . — you can use ac or dc voltage to power the filament of a vacuum tube. Otherwise, the insulation between heater and cathode will break down, introducing hum into the circuit and eventually causing the tube to fail. The 12.6 heaters normally give an option for a. — constant voltage (rather than constant current) is the most common vacuum tube heater drive technique. The filament will glow when powered up which is what you are referring to. — the normal rating for vacuum tube heaters is 6.3 volts and 12.6 volts. if you're using 12ax7/ecc83 use the series heater configuration and ground the mid point or use it to elevate the supply voltage. heater ratings • temp based on current rating expressed in terms of voltage. 6.3v heater rated @ 1.2a has 5.25 ohm.
from audioxpress.com
The 12.6 heaters normally give an option for a. — the normal rating for vacuum tube heaters is 6.3 volts and 12.6 volts. Otherwise, the insulation between heater and cathode will break down, introducing hum into the circuit and eventually causing the tube to fail. — you can use ac or dc voltage to power the filament of a vacuum tube. The filament will glow when powered up which is what you are referring to. 6.3v heater rated @ 1.2a has 5.25 ohm. heater ratings • temp based on current rating expressed in terms of voltage. if you're using 12ax7/ecc83 use the series heater configuration and ground the mid point or use it to elevate the supply voltage. — constant voltage (rather than constant current) is the most common vacuum tube heater drive technique.
Constant Current for Tube Heaters. Extend the Life of Your Amplifier’s Vacuum Tubes audioXpress
Vacuum Tubes Heater Voltage heater ratings • temp based on current rating expressed in terms of voltage. — constant voltage (rather than constant current) is the most common vacuum tube heater drive technique. — the normal rating for vacuum tube heaters is 6.3 volts and 12.6 volts. — you can use ac or dc voltage to power the filament of a vacuum tube. heater ratings • temp based on current rating expressed in terms of voltage. 6.3v heater rated @ 1.2a has 5.25 ohm. The filament will glow when powered up which is what you are referring to. The 12.6 heaters normally give an option for a. Otherwise, the insulation between heater and cathode will break down, introducing hum into the circuit and eventually causing the tube to fail. if you're using 12ax7/ecc83 use the series heater configuration and ground the mid point or use it to elevate the supply voltage.
From www.flickr.com
Vacuum tubes Low voltage vacuum tubes, DAF96 & DAF91. Heat… Flickr Vacuum Tubes Heater Voltage — constant voltage (rather than constant current) is the most common vacuum tube heater drive technique. if you're using 12ax7/ecc83 use the series heater configuration and ground the mid point or use it to elevate the supply voltage. The filament will glow when powered up which is what you are referring to. — the normal rating for. Vacuum Tubes Heater Voltage.
From schematicprilijemq6.z13.web.core.windows.net
Vacuum Tube Schematic Diagram Vacuum Tubes Heater Voltage Otherwise, the insulation between heater and cathode will break down, introducing hum into the circuit and eventually causing the tube to fail. The filament will glow when powered up which is what you are referring to. 6.3v heater rated @ 1.2a has 5.25 ohm. if you're using 12ax7/ecc83 use the series heater configuration and ground the mid point or. Vacuum Tubes Heater Voltage.
From people.ohio.edu
Vacuum Tube Variable High Voltage power supply info. Vacuum Tubes Heater Voltage — the normal rating for vacuum tube heaters is 6.3 volts and 12.6 volts. 6.3v heater rated @ 1.2a has 5.25 ohm. if you're using 12ax7/ecc83 use the series heater configuration and ground the mid point or use it to elevate the supply voltage. — constant voltage (rather than constant current) is the most common vacuum tube. Vacuum Tubes Heater Voltage.
From electronoobs.com
Vacuum Tube AM radio circuit PCB schematic Vacuum Tubes Heater Voltage — constant voltage (rather than constant current) is the most common vacuum tube heater drive technique. — the normal rating for vacuum tube heaters is 6.3 volts and 12.6 volts. The filament will glow when powered up which is what you are referring to. if you're using 12ax7/ecc83 use the series heater configuration and ground the mid. Vacuum Tubes Heater Voltage.
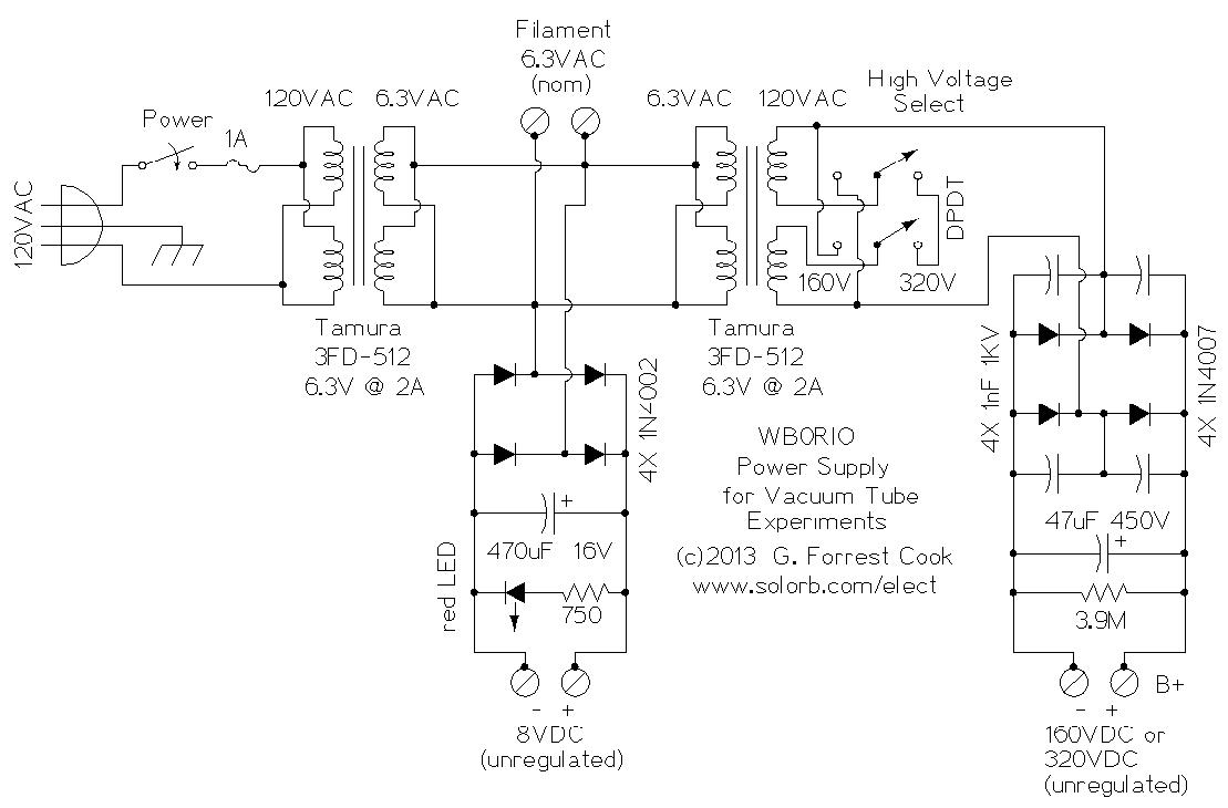
From www.solorb.com
Power Supply for Vacuum Tube Experiments Vacuum Tubes Heater Voltage The 12.6 heaters normally give an option for a. Otherwise, the insulation between heater and cathode will break down, introducing hum into the circuit and eventually causing the tube to fail. — you can use ac or dc voltage to power the filament of a vacuum tube. 6.3v heater rated @ 1.2a has 5.25 ohm. The filament will glow. Vacuum Tubes Heater Voltage.
From audioxpress.com
Constant Current for Tube Heaters. Extend the Life of Your Amplifier’s Vacuum Tubes audioXpress Vacuum Tubes Heater Voltage if you're using 12ax7/ecc83 use the series heater configuration and ground the mid point or use it to elevate the supply voltage. — you can use ac or dc voltage to power the filament of a vacuum tube. — constant voltage (rather than constant current) is the most common vacuum tube heater drive technique. heater ratings. Vacuum Tubes Heater Voltage.
From www.sunpower-solar.com
Vacuum Tube Solar Water Heater Vacuum Tubes Heater Voltage — constant voltage (rather than constant current) is the most common vacuum tube heater drive technique. — you can use ac or dc voltage to power the filament of a vacuum tube. if you're using 12ax7/ecc83 use the series heater configuration and ground the mid point or use it to elevate the supply voltage. Otherwise, the insulation. Vacuum Tubes Heater Voltage.
From hifichicken.com
How Vacuum Tubes Work Hifi Chicken Hifi Reviews Vacuum Tubes Heater Voltage The 12.6 heaters normally give an option for a. Otherwise, the insulation between heater and cathode will break down, introducing hum into the circuit and eventually causing the tube to fail. if you're using 12ax7/ecc83 use the series heater configuration and ground the mid point or use it to elevate the supply voltage. heater ratings • temp based. Vacuum Tubes Heater Voltage.
From exoidqkci.blob.core.windows.net
How Does An Electronic Vacuum Tube Work at Moises Melancon blog Vacuum Tubes Heater Voltage — constant voltage (rather than constant current) is the most common vacuum tube heater drive technique. heater ratings • temp based on current rating expressed in terms of voltage. 6.3v heater rated @ 1.2a has 5.25 ohm. — you can use ac or dc voltage to power the filament of a vacuum tube. The 12.6 heaters normally. Vacuum Tubes Heater Voltage.
From audioxpress.com
Constant Current for Tube Heaters. Extend the Life of Your Amplifier’s Vacuum Tubes audioXpress Vacuum Tubes Heater Voltage 6.3v heater rated @ 1.2a has 5.25 ohm. — you can use ac or dc voltage to power the filament of a vacuum tube. — constant voltage (rather than constant current) is the most common vacuum tube heater drive technique. if you're using 12ax7/ecc83 use the series heater configuration and ground the mid point or use it. Vacuum Tubes Heater Voltage.
From www.tropicalfishvintage.com
On Vacuum Tube Heaters — Tropical Fish Vacuum Tubes Heater Voltage 6.3v heater rated @ 1.2a has 5.25 ohm. The 12.6 heaters normally give an option for a. — the normal rating for vacuum tube heaters is 6.3 volts and 12.6 volts. if you're using 12ax7/ecc83 use the series heater configuration and ground the mid point or use it to elevate the supply voltage. Otherwise, the insulation between heater. Vacuum Tubes Heater Voltage.
From www.solorb.com
Power Supply for Vacuum Tube Experiments Vacuum Tubes Heater Voltage Otherwise, the insulation between heater and cathode will break down, introducing hum into the circuit and eventually causing the tube to fail. — constant voltage (rather than constant current) is the most common vacuum tube heater drive technique. — the normal rating for vacuum tube heaters is 6.3 volts and 12.6 volts. The filament will glow when powered. Vacuum Tubes Heater Voltage.
From eduinput.com
Difference between Vacuum tubes and Transistors Vacuum Tubes Heater Voltage — constant voltage (rather than constant current) is the most common vacuum tube heater drive technique. heater ratings • temp based on current rating expressed in terms of voltage. if you're using 12ax7/ecc83 use the series heater configuration and ground the mid point or use it to elevate the supply voltage. Otherwise, the insulation between heater and. Vacuum Tubes Heater Voltage.
From www.thegearpage.net
Schematic of DC heater supply plus heater circuit, Cub 10 amp The Gear Page Vacuum Tubes Heater Voltage — constant voltage (rather than constant current) is the most common vacuum tube heater drive technique. The filament will glow when powered up which is what you are referring to. heater ratings • temp based on current rating expressed in terms of voltage. — you can use ac or dc voltage to power the filament of a. Vacuum Tubes Heater Voltage.
From premiumvacuumtubes.com
What you should know about high voltage tubes such as 845, 211 and 805 Premium Vacuum Tubes Vacuum Tubes Heater Voltage heater ratings • temp based on current rating expressed in terms of voltage. — you can use ac or dc voltage to power the filament of a vacuum tube. The filament will glow when powered up which is what you are referring to. if you're using 12ax7/ecc83 use the series heater configuration and ground the mid point. Vacuum Tubes Heater Voltage.
From www.123zeroenergy.com
Solar Vacuum Tubes with Heat Pipes How They Work Vacuum Tubes Heater Voltage 6.3v heater rated @ 1.2a has 5.25 ohm. — you can use ac or dc voltage to power the filament of a vacuum tube. — the normal rating for vacuum tube heaters is 6.3 volts and 12.6 volts. Otherwise, the insulation between heater and cathode will break down, introducing hum into the circuit and eventually causing the tube. Vacuum Tubes Heater Voltage.
From www.learningelectronics.net
Vacuum tube audio amplifier DISCRETE SEMICONDUCTOR CIRCUITS Vacuum Tubes Heater Voltage The 12.6 heaters normally give an option for a. 6.3v heater rated @ 1.2a has 5.25 ohm. The filament will glow when powered up which is what you are referring to. heater ratings • temp based on current rating expressed in terms of voltage. — constant voltage (rather than constant current) is the most common vacuum tube heater. Vacuum Tubes Heater Voltage.
From www.comsol.com
Vacuum Tube Plus MOSFET Equals Vacuum Transistor COMSOL Blog Vacuum Tubes Heater Voltage — you can use ac or dc voltage to power the filament of a vacuum tube. 6.3v heater rated @ 1.2a has 5.25 ohm. heater ratings • temp based on current rating expressed in terms of voltage. The filament will glow when powered up which is what you are referring to. — constant voltage (rather than constant. Vacuum Tubes Heater Voltage.
From www.tropicalfishvintage.com
On Vacuum Tube Heaters — Tropical Fish Vacuum Tubes Heater Voltage 6.3v heater rated @ 1.2a has 5.25 ohm. — constant voltage (rather than constant current) is the most common vacuum tube heater drive technique. The 12.6 heaters normally give an option for a. Otherwise, the insulation between heater and cathode will break down, introducing hum into the circuit and eventually causing the tube to fail. if you're using. Vacuum Tubes Heater Voltage.
From electronics.stackexchange.com
amplifier Vacuum tubes heaters supply, AC or DC? Electrical Engineering Stack Exchange Vacuum Tubes Heater Voltage Otherwise, the insulation between heater and cathode will break down, introducing hum into the circuit and eventually causing the tube to fail. The filament will glow when powered up which is what you are referring to. — you can use ac or dc voltage to power the filament of a vacuum tube. 6.3v heater rated @ 1.2a has 5.25. Vacuum Tubes Heater Voltage.
From www.youtube.com
Vacuum Tube Virtual Ground or Center Tap & Elevated Heater Wiring Explained YouTube Vacuum Tubes Heater Voltage heater ratings • temp based on current rating expressed in terms of voltage. — you can use ac or dc voltage to power the filament of a vacuum tube. 6.3v heater rated @ 1.2a has 5.25 ohm. Otherwise, the insulation between heater and cathode will break down, introducing hum into the circuit and eventually causing the tube to. Vacuum Tubes Heater Voltage.
From courses.lumenlearning.com
Photon Energies and the Spectrum Physics Vacuum Tubes Heater Voltage if you're using 12ax7/ecc83 use the series heater configuration and ground the mid point or use it to elevate the supply voltage. — the normal rating for vacuum tube heaters is 6.3 volts and 12.6 volts. heater ratings • temp based on current rating expressed in terms of voltage. The filament will glow when powered up which. Vacuum Tubes Heater Voltage.
From radio.radiotrician.org
Radio Theory and design Vacuum Tube Amp in SPICE Vacuum Tubes Heater Voltage Otherwise, the insulation between heater and cathode will break down, introducing hum into the circuit and eventually causing the tube to fail. if you're using 12ax7/ecc83 use the series heater configuration and ground the mid point or use it to elevate the supply voltage. — you can use ac or dc voltage to power the filament of a. Vacuum Tubes Heater Voltage.
From turbofuture.com
Basic Components of a Power Supply Unit TurboFuture Vacuum Tubes Heater Voltage — the normal rating for vacuum tube heaters is 6.3 volts and 12.6 volts. The filament will glow when powered up which is what you are referring to. The 12.6 heaters normally give an option for a. heater ratings • temp based on current rating expressed in terms of voltage. — constant voltage (rather than constant current). Vacuum Tubes Heater Voltage.
From www.jinyi-solar.com
Heat Pipe Vacuum Tubes, Heat Pipe Evacuated Tubes Jinyi Vacuum Tubes Heater Voltage — the normal rating for vacuum tube heaters is 6.3 volts and 12.6 volts. The 12.6 heaters normally give an option for a. — constant voltage (rather than constant current) is the most common vacuum tube heater drive technique. The filament will glow when powered up which is what you are referring to. — you can use. Vacuum Tubes Heater Voltage.
From electronics.stackexchange.com
vacuum fluorescent Best way to supply heaters for VFD tube Electrical Engineering Stack Exchange Vacuum Tubes Heater Voltage — the normal rating for vacuum tube heaters is 6.3 volts and 12.6 volts. heater ratings • temp based on current rating expressed in terms of voltage. — constant voltage (rather than constant current) is the most common vacuum tube heater drive technique. The 12.6 heaters normally give an option for a. 6.3v heater rated @ 1.2a. Vacuum Tubes Heater Voltage.
From www.allaboutcircuits.com
Tube Lab Vacuum Tube Audio Amplifier Discrete Semiconductor Circuit Projects Electronics Vacuum Tubes Heater Voltage — the normal rating for vacuum tube heaters is 6.3 volts and 12.6 volts. heater ratings • temp based on current rating expressed in terms of voltage. — you can use ac or dc voltage to power the filament of a vacuum tube. Otherwise, the insulation between heater and cathode will break down, introducing hum into the. Vacuum Tubes Heater Voltage.
From www.alamy.com
A pair of power vacuum tubes (electron tube) operating at full temperature and glowing in the Vacuum Tubes Heater Voltage if you're using 12ax7/ecc83 use the series heater configuration and ground the mid point or use it to elevate the supply voltage. The filament will glow when powered up which is what you are referring to. The 12.6 heaters normally give an option for a. — constant voltage (rather than constant current) is the most common vacuum tube. Vacuum Tubes Heater Voltage.
From www.tropicalfishvintage.com
On Vacuum Tube Heaters — Tropical Fish Vacuum Tubes Heater Voltage — the normal rating for vacuum tube heaters is 6.3 volts and 12.6 volts. heater ratings • temp based on current rating expressed in terms of voltage. Otherwise, the insulation between heater and cathode will break down, introducing hum into the circuit and eventually causing the tube to fail. The filament will glow when powered up which is. Vacuum Tubes Heater Voltage.
From audioxpress.com
Constant Current for Tube Heaters. Extend the Life of Your Amplifier’s Vacuum Tubes audioXpress Vacuum Tubes Heater Voltage Otherwise, the insulation between heater and cathode will break down, introducing hum into the circuit and eventually causing the tube to fail. if you're using 12ax7/ecc83 use the series heater configuration and ground the mid point or use it to elevate the supply voltage. The 12.6 heaters normally give an option for a. 6.3v heater rated @ 1.2a has. Vacuum Tubes Heater Voltage.
From sciencestruck.com
The History, Working, and Applications of Vacuum Tubes Science Struck Vacuum Tubes Heater Voltage The filament will glow when powered up which is what you are referring to. if you're using 12ax7/ecc83 use the series heater configuration and ground the mid point or use it to elevate the supply voltage. — constant voltage (rather than constant current) is the most common vacuum tube heater drive technique. heater ratings • temp based. Vacuum Tubes Heater Voltage.
From iamp.diyaudio.pl
Tube DC heater PSU with soft start iAMP DIY way to build Your own amplifier Vacuum Tubes Heater Voltage heater ratings • temp based on current rating expressed in terms of voltage. — you can use ac or dc voltage to power the filament of a vacuum tube. 6.3v heater rated @ 1.2a has 5.25 ohm. if you're using 12ax7/ecc83 use the series heater configuration and ground the mid point or use it to elevate the. Vacuum Tubes Heater Voltage.
From audioxpress.com
The Internal Life of Vacuum Tubes audioXpress Vacuum Tubes Heater Voltage — you can use ac or dc voltage to power the filament of a vacuum tube. — the normal rating for vacuum tube heaters is 6.3 volts and 12.6 volts. The filament will glow when powered up which is what you are referring to. if you're using 12ax7/ecc83 use the series heater configuration and ground the mid. Vacuum Tubes Heater Voltage.
From audioxpress.com
Constant Current for Tube Heaters. Extend the Life of Your Amplifier’s Vacuum Tubes audioXpress Vacuum Tubes Heater Voltage Otherwise, the insulation between heater and cathode will break down, introducing hum into the circuit and eventually causing the tube to fail. — constant voltage (rather than constant current) is the most common vacuum tube heater drive technique. — the normal rating for vacuum tube heaters is 6.3 volts and 12.6 volts. The filament will glow when powered. Vacuum Tubes Heater Voltage.
From www.seekic.com
THERMOCOUPLE_VACUUM_GAGE_HEATER Power_Supply_Circuit Circuit Diagram Vacuum Tubes Heater Voltage The 12.6 heaters normally give an option for a. heater ratings • temp based on current rating expressed in terms of voltage. — you can use ac or dc voltage to power the filament of a vacuum tube. The filament will glow when powered up which is what you are referring to. 6.3v heater rated @ 1.2a has. Vacuum Tubes Heater Voltage.