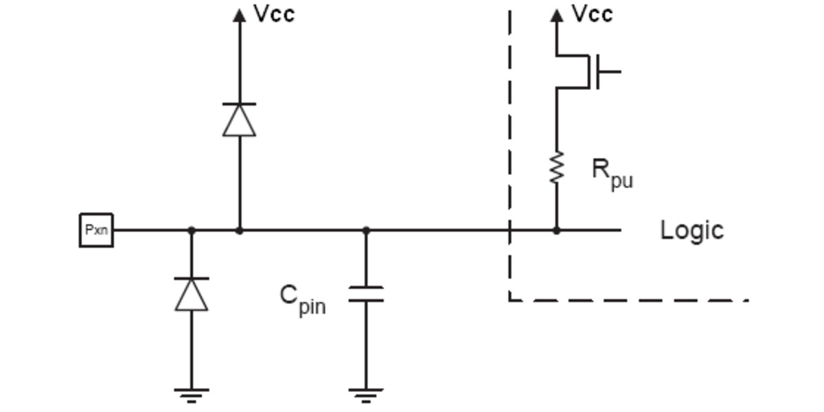
Diode Resistor Protection . Using a fool's diode, or protection diode, can block or bypass current from the reversed voltages and spare these sensitive components in a device. Here's an example schematic i found online: Esds are much higher voltage and last only for a brief moment, but this should demonstrate the protection. I wonder what is the point of using the d2 diode,. The input clipping diode to the positive bus is. The input clipping diode to ground is to protect from less than zero volt spikes. You can find two such circuits using a diode that protects against reverse polarity, i.e. A diode is put in parallel with a relay coil (with opposite polarity) to prevent damage to other components when the relay is turned off. Safeguard your adc/mcu analog inputs with zener diodes.
from binaryupdates.com
Here's an example schematic i found online: You can find two such circuits using a diode that protects against reverse polarity, i.e. The input clipping diode to the positive bus is. The input clipping diode to ground is to protect from less than zero volt spikes. A diode is put in parallel with a relay coil (with opposite polarity) to prevent damage to other components when the relay is turned off. Esds are much higher voltage and last only for a brief moment, but this should demonstrate the protection. Using a fool's diode, or protection diode, can block or bypass current from the reversed voltages and spare these sensitive components in a device. Safeguard your adc/mcu analog inputs with zener diodes. I wonder what is the point of using the d2 diode,.
Reverse Current Protection using Diode
Diode Resistor Protection Here's an example schematic i found online: The input clipping diode to ground is to protect from less than zero volt spikes. Using a fool's diode, or protection diode, can block or bypass current from the reversed voltages and spare these sensitive components in a device. Esds are much higher voltage and last only for a brief moment, but this should demonstrate the protection. Here's an example schematic i found online: I wonder what is the point of using the d2 diode,. You can find two such circuits using a diode that protects against reverse polarity, i.e. Safeguard your adc/mcu analog inputs with zener diodes. A diode is put in parallel with a relay coil (with opposite polarity) to prevent damage to other components when the relay is turned off. The input clipping diode to the positive bus is.
From www.electroniclinic.com
Zener Diodes Basic Operation and Equations Electronic Clinic Diode Resistor Protection A diode is put in parallel with a relay coil (with opposite polarity) to prevent damage to other components when the relay is turned off. Here's an example schematic i found online: Esds are much higher voltage and last only for a brief moment, but this should demonstrate the protection. Using a fool's diode, or protection diode, can block or. Diode Resistor Protection.
From www.elprocus.com
Application of the Protection Diode Diode Resistor Protection You can find two such circuits using a diode that protects against reverse polarity, i.e. I wonder what is the point of using the d2 diode,. Esds are much higher voltage and last only for a brief moment, but this should demonstrate the protection. Here's an example schematic i found online: The input clipping diode to ground is to protect. Diode Resistor Protection.
From www.waltonele.com
DS9503P+ ESD Suppressors TVS Diodes ESD Protection Diode With Resistors Diode Resistor Protection The input clipping diode to the positive bus is. Using a fool's diode, or protection diode, can block or bypass current from the reversed voltages and spare these sensitive components in a device. Esds are much higher voltage and last only for a brief moment, but this should demonstrate the protection. Safeguard your adc/mcu analog inputs with zener diodes. The. Diode Resistor Protection.
From www.youtube.com
Diode vs Resistor ! basic difference in Diode and resistor YouTube Diode Resistor Protection Using a fool's diode, or protection diode, can block or bypass current from the reversed voltages and spare these sensitive components in a device. Esds are much higher voltage and last only for a brief moment, but this should demonstrate the protection. The input clipping diode to the positive bus is. You can find two such circuits using a diode. Diode Resistor Protection.
From testingcommissioning.blogspot.com
Substation Testing and Commissioning RESISTORS & DIODES & CAPACITORS Diode Resistor Protection The input clipping diode to ground is to protect from less than zero volt spikes. Esds are much higher voltage and last only for a brief moment, but this should demonstrate the protection. Using a fool's diode, or protection diode, can block or bypass current from the reversed voltages and spare these sensitive components in a device. A diode is. Diode Resistor Protection.
From itecnotes.com
Electronic Protection diodes Valuable Tech Notes Diode Resistor Protection Here's an example schematic i found online: Using a fool's diode, or protection diode, can block or bypass current from the reversed voltages and spare these sensitive components in a device. The input clipping diode to the positive bus is. Esds are much higher voltage and last only for a brief moment, but this should demonstrate the protection. A diode. Diode Resistor Protection.
From qastack.fr
Comment la diode de protection protège le transistor de la panne? Diode Resistor Protection Safeguard your adc/mcu analog inputs with zener diodes. The input clipping diode to the positive bus is. I wonder what is the point of using the d2 diode,. The input clipping diode to ground is to protect from less than zero volt spikes. Using a fool's diode, or protection diode, can block or bypass current from the reversed voltages and. Diode Resistor Protection.
From electronics.stackexchange.com
Series resistor and Zener as overvoltage protection for ADC input Diode Resistor Protection I wonder what is the point of using the d2 diode,. The input clipping diode to ground is to protect from less than zero volt spikes. The input clipping diode to the positive bus is. Here's an example schematic i found online: Using a fool's diode, or protection diode, can block or bypass current from the reversed voltages and spare. Diode Resistor Protection.
From components101.com
Designing a Simple OverVoltage Protection Circuit using Zener Diodes Diode Resistor Protection You can find two such circuits using a diode that protects against reverse polarity, i.e. Safeguard your adc/mcu analog inputs with zener diodes. The input clipping diode to ground is to protect from less than zero volt spikes. Esds are much higher voltage and last only for a brief moment, but this should demonstrate the protection. I wonder what is. Diode Resistor Protection.
From www.slideserve.com
PPT Spectrometer solenoid quench protection PowerPoint Presentation Diode Resistor Protection A diode is put in parallel with a relay coil (with opposite polarity) to prevent damage to other components when the relay is turned off. Esds are much higher voltage and last only for a brief moment, but this should demonstrate the protection. I wonder what is the point of using the d2 diode,. Using a fool's diode, or protection. Diode Resistor Protection.
From itecnotes.com
Diodes How a Diode Clamping Circuit Protects Against Overvoltage and Diode Resistor Protection Esds are much higher voltage and last only for a brief moment, but this should demonstrate the protection. Here's an example schematic i found online: The input clipping diode to the positive bus is. I wonder what is the point of using the d2 diode,. Safeguard your adc/mcu analog inputs with zener diodes. The input clipping diode to ground is. Diode Resistor Protection.
From studylib.net
DS9503 ESD Protection Diode with Resistors Diode Resistor Protection The input clipping diode to the positive bus is. A diode is put in parallel with a relay coil (with opposite polarity) to prevent damage to other components when the relay is turned off. You can find two such circuits using a diode that protects against reverse polarity, i.e. Using a fool's diode, or protection diode, can block or bypass. Diode Resistor Protection.
From itecnotes.com
Electronic The role of the series resistors for ESD protection Diode Resistor Protection Safeguard your adc/mcu analog inputs with zener diodes. You can find two such circuits using a diode that protects against reverse polarity, i.e. The input clipping diode to the positive bus is. Here's an example schematic i found online: I wonder what is the point of using the d2 diode,. Using a fool's diode, or protection diode, can block or. Diode Resistor Protection.
From www.aiophotoz.com
Reverse Current Protection Using Diode Images and Photos finder Diode Resistor Protection Safeguard your adc/mcu analog inputs with zener diodes. The input clipping diode to ground is to protect from less than zero volt spikes. A diode is put in parallel with a relay coil (with opposite polarity) to prevent damage to other components when the relay is turned off. You can find two such circuits using a diode that protects against. Diode Resistor Protection.
From www.researchgate.net
Diode protection circuit two sets of backtoback diodes. Download Diode Resistor Protection You can find two such circuits using a diode that protects against reverse polarity, i.e. A diode is put in parallel with a relay coil (with opposite polarity) to prevent damage to other components when the relay is turned off. The input clipping diode to ground is to protect from less than zero volt spikes. I wonder what is the. Diode Resistor Protection.
From byjus.com
Zener Diode as a Voltage Regulator Working Principles Diode Resistor Protection The input clipping diode to ground is to protect from less than zero volt spikes. You can find two such circuits using a diode that protects against reverse polarity, i.e. Using a fool's diode, or protection diode, can block or bypass current from the reversed voltages and spare these sensitive components in a device. A diode is put in parallel. Diode Resistor Protection.
From www.reddit.com
Using diodes on shunt resistor traces for reverse polarity protection Diode Resistor Protection You can find two such circuits using a diode that protects against reverse polarity, i.e. Here's an example schematic i found online: The input clipping diode to the positive bus is. The input clipping diode to ground is to protect from less than zero volt spikes. Esds are much higher voltage and last only for a brief moment, but this. Diode Resistor Protection.
From www.alamy.com
Colorful varistors. Circuit board detail. Electronic components for Diode Resistor Protection The input clipping diode to the positive bus is. Safeguard your adc/mcu analog inputs with zener diodes. You can find two such circuits using a diode that protects against reverse polarity, i.e. Using a fool's diode, or protection diode, can block or bypass current from the reversed voltages and spare these sensitive components in a device. A diode is put. Diode Resistor Protection.
From www.eleccircuit.com
What is Zener diode? Its principle working and example usage Diode Resistor Protection The input clipping diode to ground is to protect from less than zero volt spikes. Esds are much higher voltage and last only for a brief moment, but this should demonstrate the protection. Here's an example schematic i found online: Safeguard your adc/mcu analog inputs with zener diodes. The input clipping diode to the positive bus is. I wonder what. Diode Resistor Protection.
From www.researchgate.net
Diode protection circuit two sets of backtoback diodes. Download Diode Resistor Protection Here's an example schematic i found online: A diode is put in parallel with a relay coil (with opposite polarity) to prevent damage to other components when the relay is turned off. I wonder what is the point of using the d2 diode,. The input clipping diode to the positive bus is. Esds are much higher voltage and last only. Diode Resistor Protection.
From evdrives.com
REVERSE PROTECTION DIODE 3 AMP Diode Resistor Protection I wonder what is the point of using the d2 diode,. The input clipping diode to ground is to protect from less than zero volt spikes. A diode is put in parallel with a relay coil (with opposite polarity) to prevent damage to other components when the relay is turned off. Esds are much higher voltage and last only for. Diode Resistor Protection.
From www.vectorstock.com
Electrical symbol that contain diodes resistor Vector Image Diode Resistor Protection A diode is put in parallel with a relay coil (with opposite polarity) to prevent damage to other components when the relay is turned off. The input clipping diode to ground is to protect from less than zero volt spikes. You can find two such circuits using a diode that protects against reverse polarity, i.e. Esds are much higher voltage. Diode Resistor Protection.
From devxplained.eu
Diodes as Input Protection DevXplained Diode Resistor Protection You can find two such circuits using a diode that protects against reverse polarity, i.e. A diode is put in parallel with a relay coil (with opposite polarity) to prevent damage to other components when the relay is turned off. Esds are much higher voltage and last only for a brief moment, but this should demonstrate the protection. The input. Diode Resistor Protection.
From www.arrow.com
What is a Zener diode? Uses & function Diode Resistor Protection I wonder what is the point of using the d2 diode,. The input clipping diode to ground is to protect from less than zero volt spikes. Here's an example schematic i found online: Safeguard your adc/mcu analog inputs with zener diodes. A diode is put in parallel with a relay coil (with opposite polarity) to prevent damage to other components. Diode Resistor Protection.
From www.retroamplis.com
1.5KE200A Protection Diode, 1.5KW/200V/5.5A Retroamplis Diode Resistor Protection Safeguard your adc/mcu analog inputs with zener diodes. The input clipping diode to the positive bus is. A diode is put in parallel with a relay coil (with opposite polarity) to prevent damage to other components when the relay is turned off. Esds are much higher voltage and last only for a brief moment, but this should demonstrate the protection.. Diode Resistor Protection.
From amigosdablogosfera.blogspot.com
Resistors And Diodes Diode Resistor Protection You can find two such circuits using a diode that protects against reverse polarity, i.e. Using a fool's diode, or protection diode, can block or bypass current from the reversed voltages and spare these sensitive components in a device. The input clipping diode to ground is to protect from less than zero volt spikes. A diode is put in parallel. Diode Resistor Protection.
From www.electronicsplanet.ch
Diode and resistor in series Diode Resistor Protection Using a fool's diode, or protection diode, can block or bypass current from the reversed voltages and spare these sensitive components in a device. The input clipping diode to the positive bus is. The input clipping diode to ground is to protect from less than zero volt spikes. Safeguard your adc/mcu analog inputs with zener diodes. I wonder what is. Diode Resistor Protection.
From www.pololu.com
Pololu AVR I/O pin equivalent schematic showing protection diodes and Diode Resistor Protection The input clipping diode to the positive bus is. A diode is put in parallel with a relay coil (with opposite polarity) to prevent damage to other components when the relay is turned off. I wonder what is the point of using the d2 diode,. The input clipping diode to ground is to protect from less than zero volt spikes.. Diode Resistor Protection.
From www.eleccircuit.com
What is Zener diode? Its principle working and example usage Diode Resistor Protection Esds are much higher voltage and last only for a brief moment, but this should demonstrate the protection. You can find two such circuits using a diode that protects against reverse polarity, i.e. Here's an example schematic i found online: Safeguard your adc/mcu analog inputs with zener diodes. The input clipping diode to the positive bus is. Using a fool's. Diode Resistor Protection.
From www.youtube.com
How to use Diode and Resistor YouTube Diode Resistor Protection Using a fool's diode, or protection diode, can block or bypass current from the reversed voltages and spare these sensitive components in a device. You can find two such circuits using a diode that protects against reverse polarity, i.e. Esds are much higher voltage and last only for a brief moment, but this should demonstrate the protection. Safeguard your adc/mcu. Diode Resistor Protection.
From itecnotes.com
MOSFET Protection Using Zener Diodes for GateSource Protection Diode Resistor Protection Here's an example schematic i found online: Using a fool's diode, or protection diode, can block or bypass current from the reversed voltages and spare these sensitive components in a device. The input clipping diode to the positive bus is. I wonder what is the point of using the d2 diode,. You can find two such circuits using a diode. Diode Resistor Protection.
From stompboxelectronics.com
Circuit 5 of 48 The Diode Protectors Stompbox Electronics Diode Resistor Protection The input clipping diode to the positive bus is. Here's an example schematic i found online: The input clipping diode to ground is to protect from less than zero volt spikes. Safeguard your adc/mcu analog inputs with zener diodes. A diode is put in parallel with a relay coil (with opposite polarity) to prevent damage to other components when the. Diode Resistor Protection.
From html.alldatasheet.com
DS9503 datasheet(2/3 Pages) DALLAS ESD Protection Diode with Resistors Diode Resistor Protection Using a fool's diode, or protection diode, can block or bypass current from the reversed voltages and spare these sensitive components in a device. Safeguard your adc/mcu analog inputs with zener diodes. I wonder what is the point of using the d2 diode,. A diode is put in parallel with a relay coil (with opposite polarity) to prevent damage to. Diode Resistor Protection.
From www.aliexpress.com
Ds9503p Ds9503 Soj6 Esd Protection Diode With Resistors 10pcs/lot Diode Resistor Protection The input clipping diode to the positive bus is. Safeguard your adc/mcu analog inputs with zener diodes. Esds are much higher voltage and last only for a brief moment, but this should demonstrate the protection. A diode is put in parallel with a relay coil (with opposite polarity) to prevent damage to other components when the relay is turned off.. Diode Resistor Protection.
From binaryupdates.com
Reverse Current Protection using Diode Diode Resistor Protection Here's an example schematic i found online: I wonder what is the point of using the d2 diode,. A diode is put in parallel with a relay coil (with opposite polarity) to prevent damage to other components when the relay is turned off. You can find two such circuits using a diode that protects against reverse polarity, i.e. Safeguard your. Diode Resistor Protection.