Petrol Tank Sender Unit Repairs . Clean around the plug, so no contaminants can get in the tank. How to fix the fuel gauge or fuel sending unit. The steps we show for this job would be the same steps you'd need to do if you had to replace your. Reasons to replace your fuel tank sending unit; Before removing the fuel sending unit, make sure the area around the fuel sending unit is clean, dry, and free of corrosion so that no debris falls in the fuel tank. Instructional video with adam from crown automotive shows how to easily calibrate and fix a. Disconnect the electrical connections and fuel lines to the sending unit. Definition and description of a fuel tank sending unit; Learn how to check and replace a fuel gauge sender unit, and how to check a fuel tank. Compare this unit with the new one to ensure it is a direct replacement. The fuel sending unit is used to. Ordering and replacing your fuel tank sending unit; The most common problem that causes the fuel gauge to read incorrectly is a bad fuel sending unit.
from mgbhive.co.uk
Before removing the fuel sending unit, make sure the area around the fuel sending unit is clean, dry, and free of corrosion so that no debris falls in the fuel tank. The fuel sending unit is used to. Disconnect the electrical connections and fuel lines to the sending unit. The steps we show for this job would be the same steps you'd need to do if you had to replace your. Clean around the plug, so no contaminants can get in the tank. Ordering and replacing your fuel tank sending unit; Reasons to replace your fuel tank sending unit; Learn how to check and replace a fuel gauge sender unit, and how to check a fuel tank. How to fix the fuel gauge or fuel sending unit. Instructional video with adam from crown automotive shows how to easily calibrate and fix a.
(6) MIDGET PETROL FUEL TANK SENDER UNIT LOCK RING & SEAL TYPE BRA960
Petrol Tank Sender Unit Repairs How to fix the fuel gauge or fuel sending unit. The fuel sending unit is used to. Clean around the plug, so no contaminants can get in the tank. Instructional video with adam from crown automotive shows how to easily calibrate and fix a. Before removing the fuel sending unit, make sure the area around the fuel sending unit is clean, dry, and free of corrosion so that no debris falls in the fuel tank. Compare this unit with the new one to ensure it is a direct replacement. Reasons to replace your fuel tank sending unit; Ordering and replacing your fuel tank sending unit; Definition and description of a fuel tank sending unit; Learn how to check and replace a fuel gauge sender unit, and how to check a fuel tank. Disconnect the electrical connections and fuel lines to the sending unit. How to fix the fuel gauge or fuel sending unit. The most common problem that causes the fuel gauge to read incorrectly is a bad fuel sending unit. The steps we show for this job would be the same steps you'd need to do if you had to replace your.
From www.hemiperformance.com.au
Fuel Tank Sender Repair Package suit VJ & VK Fuel Tank Sender Repair Petrol Tank Sender Unit Repairs Learn how to check and replace a fuel gauge sender unit, and how to check a fuel tank. Clean around the plug, so no contaminants can get in the tank. Ordering and replacing your fuel tank sending unit; Disconnect the electrical connections and fuel lines to the sending unit. Compare this unit with the new one to ensure it is. Petrol Tank Sender Unit Repairs.
From seriesforever.com
Fuel tank sender unit petrol suff. C Onwards Series Forever Petrol Tank Sender Unit Repairs Ordering and replacing your fuel tank sending unit; Reasons to replace your fuel tank sending unit; The most common problem that causes the fuel gauge to read incorrectly is a bad fuel sending unit. Clean around the plug, so no contaminants can get in the tank. Instructional video with adam from crown automotive shows how to easily calibrate and fix. Petrol Tank Sender Unit Repairs.
From mgbhive.co.uk
(4) ADU3218 MGB PETROL TANK SENDER UNIT 1976 ON Petrol Tank Sender Unit Repairs Learn how to check and replace a fuel gauge sender unit, and how to check a fuel tank. The steps we show for this job would be the same steps you'd need to do if you had to replace your. Definition and description of a fuel tank sending unit; Ordering and replacing your fuel tank sending unit; The fuel sending. Petrol Tank Sender Unit Repairs.
From www.morrisminorspares.com
Petrol Tank Sender Unit (Float) (Pre. October `64) **SEE NOTES** Fuel Petrol Tank Sender Unit Repairs The steps we show for this job would be the same steps you'd need to do if you had to replace your. Instructional video with adam from crown automotive shows how to easily calibrate and fix a. How to fix the fuel gauge or fuel sending unit. Learn how to check and replace a fuel gauge sender unit, and how. Petrol Tank Sender Unit Repairs.
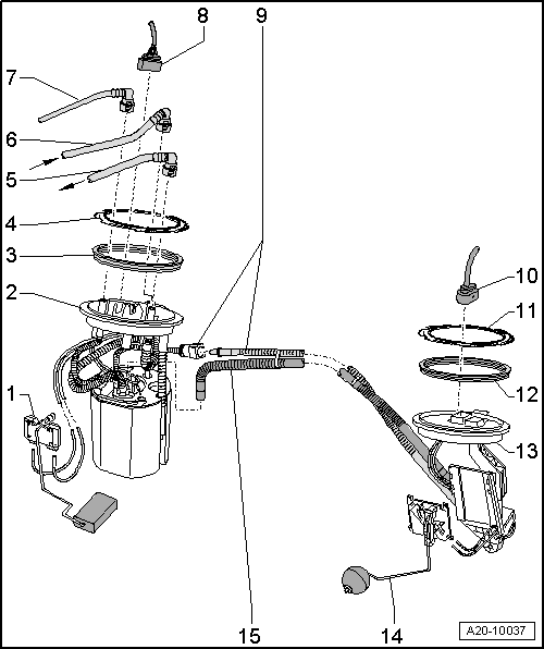
From workshop-manuals.com
Audi Service and Repair Manuals > A4 Mk2 > Power unit Fuel Petrol Tank Sender Unit Repairs Learn how to check and replace a fuel gauge sender unit, and how to check a fuel tank. Instructional video with adam from crown automotive shows how to easily calibrate and fix a. The fuel sending unit is used to. Definition and description of a fuel tank sending unit; Clean around the plug, so no contaminants can get in the. Petrol Tank Sender Unit Repairs.
From www.morrisminorspares.com
Fuel Tank / Petrol Tank Sender Unit Gasket (CORK) Fuel System from Petrol Tank Sender Unit Repairs The steps we show for this job would be the same steps you'd need to do if you had to replace your. How to fix the fuel gauge or fuel sending unit. Ordering and replacing your fuel tank sending unit; Disconnect the electrical connections and fuel lines to the sending unit. Compare this unit with the new one to ensure. Petrol Tank Sender Unit Repairs.
From mgbhive.co.uk
(6) MIDGET PETROL FUEL TANK SENDER UNIT LOCK RING & SEAL TYPE BRA960 Petrol Tank Sender Unit Repairs Disconnect the electrical connections and fuel lines to the sending unit. The most common problem that causes the fuel gauge to read incorrectly is a bad fuel sending unit. Compare this unit with the new one to ensure it is a direct replacement. Ordering and replacing your fuel tank sending unit; The fuel sending unit is used to. The steps. Petrol Tank Sender Unit Repairs.
From mgbits.com
AAA2987 Sender Fuel Tank Petrol Tank Sender Unit Repairs The most common problem that causes the fuel gauge to read incorrectly is a bad fuel sending unit. Learn how to check and replace a fuel gauge sender unit, and how to check a fuel tank. Compare this unit with the new one to ensure it is a direct replacement. Ordering and replacing your fuel tank sending unit; Instructional video. Petrol Tank Sender Unit Repairs.
From www.rarespares.net.au
Holden Fuel Tank Sender Unit Sedan VL VN VQ EFI Only Pre Pump Style Petrol Tank Sender Unit Repairs Clean around the plug, so no contaminants can get in the tank. Disconnect the electrical connections and fuel lines to the sending unit. Instructional video with adam from crown automotive shows how to easily calibrate and fix a. The fuel sending unit is used to. Ordering and replacing your fuel tank sending unit; Compare this unit with the new one. Petrol Tank Sender Unit Repairs.
From www.johncraddockltd.co.uk
555844 Tank Sender Unit Petrol for Under Seat Tank 196784 Petrol Tank Sender Unit Repairs Learn how to check and replace a fuel gauge sender unit, and how to check a fuel tank. The fuel sending unit is used to. How to fix the fuel gauge or fuel sending unit. Ordering and replacing your fuel tank sending unit; Definition and description of a fuel tank sending unit; The steps we show for this job would. Petrol Tank Sender Unit Repairs.
From www.capriclub.co.uk
Fuel Tank Sender Unit Mk2/3 carburettor engines Petrol Tank Sender Unit Repairs How to fix the fuel gauge or fuel sending unit. Ordering and replacing your fuel tank sending unit; Compare this unit with the new one to ensure it is a direct replacement. Before removing the fuel sending unit, make sure the area around the fuel sending unit is clean, dry, and free of corrosion so that no debris falls in. Petrol Tank Sender Unit Repairs.
From www.1aauto.com
Fuel Sending Unit Replacement Fuel Tank Level Sensors Fuel Gauge Petrol Tank Sender Unit Repairs Before removing the fuel sending unit, make sure the area around the fuel sending unit is clean, dry, and free of corrosion so that no debris falls in the fuel tank. Definition and description of a fuel tank sending unit; Ordering and replacing your fuel tank sending unit; Clean around the plug, so no contaminants can get in the tank.. Petrol Tank Sender Unit Repairs.
From www.carid.com
ReplaceĀ® Fuel Tank Sender Assembly Petrol Tank Sender Unit Repairs Disconnect the electrical connections and fuel lines to the sending unit. The most common problem that causes the fuel gauge to read incorrectly is a bad fuel sending unit. The fuel sending unit is used to. Reasons to replace your fuel tank sending unit; Definition and description of a fuel tank sending unit; Ordering and replacing your fuel tank sending. Petrol Tank Sender Unit Repairs.
From www.sailmagazine.com
How to Test and Replace your Fuel Gauge and Sending Unit Sail Magazine Petrol Tank Sender Unit Repairs Compare this unit with the new one to ensure it is a direct replacement. Definition and description of a fuel tank sending unit; Clean around the plug, so no contaminants can get in the tank. Before removing the fuel sending unit, make sure the area around the fuel sending unit is clean, dry, and free of corrosion so that no. Petrol Tank Sender Unit Repairs.
From mgbhive.co.uk
(3) MIDGET EARLY PETROL FUEL TANK SENDER UNIT SCREW TYPE BHA4711 Petrol Tank Sender Unit Repairs Reasons to replace your fuel tank sending unit; Compare this unit with the new one to ensure it is a direct replacement. Ordering and replacing your fuel tank sending unit; Definition and description of a fuel tank sending unit; Clean around the plug, so no contaminants can get in the tank. The steps we show for this job would be. Petrol Tank Sender Unit Repairs.
From www.morrisminorspares.com
Fuel Tank / Petrol Tank Sender Unit (Float) October `64 On. ** SEE Petrol Tank Sender Unit Repairs Learn how to check and replace a fuel gauge sender unit, and how to check a fuel tank. How to fix the fuel gauge or fuel sending unit. Ordering and replacing your fuel tank sending unit; The steps we show for this job would be the same steps you'd need to do if you had to replace your. Clean around. Petrol Tank Sender Unit Repairs.
From howacarworks.com
Checking and replacing a fuel sender unit How a Car Works Petrol Tank Sender Unit Repairs The most common problem that causes the fuel gauge to read incorrectly is a bad fuel sending unit. Instructional video with adam from crown automotive shows how to easily calibrate and fix a. Compare this unit with the new one to ensure it is a direct replacement. The steps we show for this job would be the same steps you'd. Petrol Tank Sender Unit Repairs.
From www.compbrake.com
Fuel sender unit universal 6 bolts fitting CompBrake Petrol Tank Sender Unit Repairs Compare this unit with the new one to ensure it is a direct replacement. The fuel sending unit is used to. The steps we show for this job would be the same steps you'd need to do if you had to replace your. Clean around the plug, so no contaminants can get in the tank. Instructional video with adam from. Petrol Tank Sender Unit Repairs.
From flavored.ph
Car Parts Fuel Sending Units Mk1 Cortina Fuel Tank Sender Unit Petrol Tank Sender Unit Repairs Compare this unit with the new one to ensure it is a direct replacement. Ordering and replacing your fuel tank sending unit; How to fix the fuel gauge or fuel sending unit. The fuel sending unit is used to. Instructional video with adam from crown automotive shows how to easily calibrate and fix a. The most common problem that causes. Petrol Tank Sender Unit Repairs.
From sunbeamcarparts.co.uk
Petrol tank sender unit Petrol Tank Sender Unit Repairs Definition and description of a fuel tank sending unit; Disconnect the electrical connections and fuel lines to the sending unit. The steps we show for this job would be the same steps you'd need to do if you had to replace your. Instructional video with adam from crown automotive shows how to easily calibrate and fix a. Before removing the. Petrol Tank Sender Unit Repairs.
From elkoperformance.com.au
Valiant AP6 Replacement Fuel Tank Petrol Sender Unit Elko Performance Petrol Tank Sender Unit Repairs Before removing the fuel sending unit, make sure the area around the fuel sending unit is clean, dry, and free of corrosion so that no debris falls in the fuel tank. Reasons to replace your fuel tank sending unit; The most common problem that causes the fuel gauge to read incorrectly is a bad fuel sending unit. Learn how to. Petrol Tank Sender Unit Repairs.
From ballingall.com.au
GENUINE SMITHS ADU3218 MGB FUEL TANK SENDER UNIT LATE RUBBER NOSE WITH Petrol Tank Sender Unit Repairs Ordering and replacing your fuel tank sending unit; Clean around the plug, so no contaminants can get in the tank. Disconnect the electrical connections and fuel lines to the sending unit. Definition and description of a fuel tank sending unit; The steps we show for this job would be the same steps you'd need to do if you had to. Petrol Tank Sender Unit Repairs.
From shjonesohmsjones.blogspot.com
Ford Diesel Fuel Sending Unit Repair Kit Shjones Ohmsjones Petrol Tank Sender Unit Repairs Ordering and replacing your fuel tank sending unit; Disconnect the electrical connections and fuel lines to the sending unit. Reasons to replace your fuel tank sending unit; The steps we show for this job would be the same steps you'd need to do if you had to replace your. The fuel sending unit is used to. The most common problem. Petrol Tank Sender Unit Repairs.
From www.retroford.co.uk
MK1 Cortina Fuel Tank Sender Unit (CF002) Retroford Petrol Tank Sender Unit Repairs The fuel sending unit is used to. The steps we show for this job would be the same steps you'd need to do if you had to replace your. Clean around the plug, so no contaminants can get in the tank. Reasons to replace your fuel tank sending unit; The most common problem that causes the fuel gauge to read. Petrol Tank Sender Unit Repairs.
From www.ebay.co.uk
MGA Repro Fuel Petrol Tank Sender Unit 19551962 AHH5114 AHH5114Z eBay Petrol Tank Sender Unit Repairs How to fix the fuel gauge or fuel sending unit. Definition and description of a fuel tank sending unit; Clean around the plug, so no contaminants can get in the tank. Instructional video with adam from crown automotive shows how to easily calibrate and fix a. Before removing the fuel sending unit, make sure the area around the fuel sending. Petrol Tank Sender Unit Repairs.
From sunbeamcarparts.co.uk
Petrol tank sender unit (early) Petrol Tank Sender Unit Repairs Definition and description of a fuel tank sending unit; Clean around the plug, so no contaminants can get in the tank. Before removing the fuel sending unit, make sure the area around the fuel sending unit is clean, dry, and free of corrosion so that no debris falls in the fuel tank. The most common problem that causes the fuel. Petrol Tank Sender Unit Repairs.
From www.walmart.com
Fuel Tank Sender Assembly Petrol Tank Sender Unit Repairs The most common problem that causes the fuel gauge to read incorrectly is a bad fuel sending unit. Ordering and replacing your fuel tank sending unit; Clean around the plug, so no contaminants can get in the tank. Before removing the fuel sending unit, make sure the area around the fuel sending unit is clean, dry, and free of corrosion. Petrol Tank Sender Unit Repairs.
From www.morrisminorspares.com
Fuel Tank / Petrol Tank Sender Unit (Float) October `64 On. ** SEE Petrol Tank Sender Unit Repairs Definition and description of a fuel tank sending unit; Compare this unit with the new one to ensure it is a direct replacement. Disconnect the electrical connections and fuel lines to the sending unit. The most common problem that causes the fuel gauge to read incorrectly is a bad fuel sending unit. How to fix the fuel gauge or fuel. Petrol Tank Sender Unit Repairs.
From www.youtube.com
HOW TO Silverado Duramax Fuel Sending Unit Replacement YouTube Petrol Tank Sender Unit Repairs How to fix the fuel gauge or fuel sending unit. Clean around the plug, so no contaminants can get in the tank. Instructional video with adam from crown automotive shows how to easily calibrate and fix a. Reasons to replace your fuel tank sending unit; Disconnect the electrical connections and fuel lines to the sending unit. Definition and description of. Petrol Tank Sender Unit Repairs.
From sunbeamcarparts.co.uk
Petrol tank sender unit Petrol Tank Sender Unit Repairs The fuel sending unit is used to. Reasons to replace your fuel tank sending unit; Disconnect the electrical connections and fuel lines to the sending unit. Before removing the fuel sending unit, make sure the area around the fuel sending unit is clean, dry, and free of corrosion so that no debris falls in the fuel tank. Instructional video with. Petrol Tank Sender Unit Repairs.
From minisport.com.au
Fuel tank senders/parts Minisport Petrol Tank Sender Unit Repairs Ordering and replacing your fuel tank sending unit; Disconnect the electrical connections and fuel lines to the sending unit. Clean around the plug, so no contaminants can get in the tank. Compare this unit with the new one to ensure it is a direct replacement. The steps we show for this job would be the same steps you'd need to. Petrol Tank Sender Unit Repairs.
From www.youtube.com
How To Install A Gas Tank Sending Unit Danchuk USA YouTube Petrol Tank Sender Unit Repairs Learn how to check and replace a fuel gauge sender unit, and how to check a fuel tank. Reasons to replace your fuel tank sending unit; Clean around the plug, so no contaminants can get in the tank. Instructional video with adam from crown automotive shows how to easily calibrate and fix a. The steps we show for this job. Petrol Tank Sender Unit Repairs.
From ecas2cvparts.co.uk
Fuel petrol tank sender unit, 6 VOLT for metal tank 2cv AZ., includes Petrol Tank Sender Unit Repairs Compare this unit with the new one to ensure it is a direct replacement. Before removing the fuel sending unit, make sure the area around the fuel sending unit is clean, dry, and free of corrosion so that no debris falls in the fuel tank. Disconnect the electrical connections and fuel lines to the sending unit. Reasons to replace your. Petrol Tank Sender Unit Repairs.
From www.youtube.com
How To Remove A Fuel Sending Unit From A Gas Tank YouTube Petrol Tank Sender Unit Repairs Learn how to check and replace a fuel gauge sender unit, and how to check a fuel tank. Reasons to replace your fuel tank sending unit; Disconnect the electrical connections and fuel lines to the sending unit. How to fix the fuel gauge or fuel sending unit. Clean around the plug, so no contaminants can get in the tank. The. Petrol Tank Sender Unit Repairs.
From www.classicpartsshack.co.uk
Austin Rover Marina & Ital Morris Marina Petrol Tank Sender Unit Petrol Tank Sender Unit Repairs Definition and description of a fuel tank sending unit; Before removing the fuel sending unit, make sure the area around the fuel sending unit is clean, dry, and free of corrosion so that no debris falls in the fuel tank. Ordering and replacing your fuel tank sending unit; Clean around the plug, so no contaminants can get in the tank.. Petrol Tank Sender Unit Repairs.