Glow Plug System Audi A3 . The glow plug warning light is only seen on diesel audis and is usually orange in colour. Like the conventional engine management light, it’s designed to alert drivers about. I had my glow plug flashing once on my 2.0 tdi and would go into limp mode, my problem turned out to be the egr valve. The glow plug light is flashing and the engine management light has now come on. If you take it audi, then they can scan it for fault codes because it should have one stored,. Clean glow plug openings in cylinder head; If your audi’s glow plug light is flashing, then this a more like a mil light and needs to be diagnosed. So my 2011 a3 tdi started having issues after a tunezilla tune for dpf and egr delete. May first it was just when in cruise control, glow plug. Make sure no dirt gets into cylinder. The start/stop system also has a fault and.
from workshop-manuals.com
The start/stop system also has a fault and. The glow plug light is flashing and the engine management light has now come on. Clean glow plug openings in cylinder head; Make sure no dirt gets into cylinder. If your audi’s glow plug light is flashing, then this a more like a mil light and needs to be diagnosed. May first it was just when in cruise control, glow plug. So my 2011 a3 tdi started having issues after a tunezilla tune for dpf and egr delete. If you take it audi, then they can scan it for fault codes because it should have one stored,. The glow plug warning light is only seen on diesel audis and is usually orange in colour. I had my glow plug flashing once on my 2.0 tdi and would go into limp mode, my problem turned out to be the egr valve.
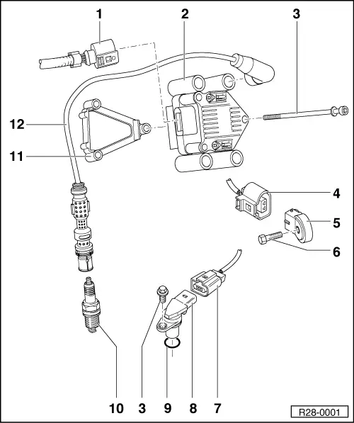
Audi Manuals > A3 Mk1 > Power unit > TDI®injection and glow
Glow Plug System Audi A3 Like the conventional engine management light, it’s designed to alert drivers about. Like the conventional engine management light, it’s designed to alert drivers about. The glow plug light is flashing and the engine management light has now come on. If your audi’s glow plug light is flashing, then this a more like a mil light and needs to be diagnosed. The start/stop system also has a fault and. So my 2011 a3 tdi started having issues after a tunezilla tune for dpf and egr delete. May first it was just when in cruise control, glow plug. I had my glow plug flashing once on my 2.0 tdi and would go into limp mode, my problem turned out to be the egr valve. If you take it audi, then they can scan it for fault codes because it should have one stored,. Make sure no dirt gets into cylinder. The glow plug warning light is only seen on diesel audis and is usually orange in colour. Clean glow plug openings in cylinder head;
From workshop-manuals.com
Audi Manuals > A3 Mk1 > Power unit > Motronic injection and Glow Plug System Audi A3 I had my glow plug flashing once on my 2.0 tdi and would go into limp mode, my problem turned out to be the egr valve. So my 2011 a3 tdi started having issues after a tunezilla tune for dpf and egr delete. Like the conventional engine management light, it’s designed to alert drivers about. Clean glow plug openings in. Glow Plug System Audi A3.
From workshop-manuals.com
Audi Manuals > A3 Mk1 > Power unit > TDIinjection and glow Glow Plug System Audi A3 The start/stop system also has a fault and. Make sure no dirt gets into cylinder. If your audi’s glow plug light is flashing, then this a more like a mil light and needs to be diagnosed. Clean glow plug openings in cylinder head; So my 2011 a3 tdi started having issues after a tunezilla tune for dpf and egr delete.. Glow Plug System Audi A3.
From workshop-manuals.com
Audi Service and Repair Manuals > A3 Mk1 > Power unit Diesel Glow Plug System Audi A3 If your audi’s glow plug light is flashing, then this a more like a mil light and needs to be diagnosed. May first it was just when in cruise control, glow plug. If you take it audi, then they can scan it for fault codes because it should have one stored,. Make sure no dirt gets into cylinder. Like the. Glow Plug System Audi A3.
From www.aliexpress.com
Iridium Spark Plug For Audi A3 A4 A5 A6 Q5 R8 S4 S5 S6 Tt Volkswagen Vw Glow Plug System Audi A3 I had my glow plug flashing once on my 2.0 tdi and would go into limp mode, my problem turned out to be the egr valve. So my 2011 a3 tdi started having issues after a tunezilla tune for dpf and egr delete. The glow plug light is flashing and the engine management light has now come on. Clean glow. Glow Plug System Audi A3.
From www.proxyparts.com
Glow plug relay Audi A3 Sportback 1.9 TDI 038907281D AP Autos Glow Plug System Audi A3 The glow plug warning light is only seen on diesel audis and is usually orange in colour. Make sure no dirt gets into cylinder. May first it was just when in cruise control, glow plug. So my 2011 a3 tdi started having issues after a tunezilla tune for dpf and egr delete. If your audi’s glow plug light is flashing,. Glow Plug System Audi A3.
From www.car-bock.de
Glow plug (4x) BOSCH 1.9 TDI + SDI AUDI 80 A3 A4 A6 Passat 3B 3BG Gol Glow Plug System Audi A3 The glow plug light is flashing and the engine management light has now come on. May first it was just when in cruise control, glow plug. The glow plug warning light is only seen on diesel audis and is usually orange in colour. If your audi’s glow plug light is flashing, then this a more like a mil light and. Glow Plug System Audi A3.
From workshop-manuals.com
Audi Manuals > A3 Mk1 > Power unit > TDI®injection and glow Glow Plug System Audi A3 Like the conventional engine management light, it’s designed to alert drivers about. The start/stop system also has a fault and. May first it was just when in cruise control, glow plug. Make sure no dirt gets into cylinder. I had my glow plug flashing once on my 2.0 tdi and would go into limp mode, my problem turned out to. Glow Plug System Audi A3.
From www.youtube.com
Audi A3 2.0TDI Glow Plug Replacement YouTube Glow Plug System Audi A3 I had my glow plug flashing once on my 2.0 tdi and would go into limp mode, my problem turned out to be the egr valve. Make sure no dirt gets into cylinder. So my 2011 a3 tdi started having issues after a tunezilla tune for dpf and egr delete. If your audi’s glow plug light is flashing, then this. Glow Plug System Audi A3.
From workshop-manuals.com
Audi Manuals > A3 Mk2 > Power unit > Injection and ignition Glow Plug System Audi A3 Clean glow plug openings in cylinder head; So my 2011 a3 tdi started having issues after a tunezilla tune for dpf and egr delete. The glow plug light is flashing and the engine management light has now come on. If your audi’s glow plug light is flashing, then this a more like a mil light and needs to be diagnosed.. Glow Plug System Audi A3.
From workshop-manuals.com
Audi Manuals > A3 Mk2 > Power unit > TDI injection and glow Glow Plug System Audi A3 If your audi’s glow plug light is flashing, then this a more like a mil light and needs to be diagnosed. Clean glow plug openings in cylinder head; Like the conventional engine management light, it’s designed to alert drivers about. May first it was just when in cruise control, glow plug. The glow plug warning light is only seen on. Glow Plug System Audi A3.
From workshop-manuals.com
Audi Service and Repair Manuals > A3 Mk2 > Power unit Simos Glow Plug System Audi A3 Like the conventional engine management light, it’s designed to alert drivers about. Clean glow plug openings in cylinder head; I had my glow plug flashing once on my 2.0 tdi and would go into limp mode, my problem turned out to be the egr valve. Make sure no dirt gets into cylinder. If your audi’s glow plug light is flashing,. Glow Plug System Audi A3.
From www.ebay.com.au
Denso glow plug set for Audi A3 8P1 8PA 2.0 TDI BMM 20052008 eBay Glow Plug System Audi A3 May first it was just when in cruise control, glow plug. Make sure no dirt gets into cylinder. If your audi’s glow plug light is flashing, then this a more like a mil light and needs to be diagnosed. Clean glow plug openings in cylinder head; The glow plug warning light is only seen on diesel audis and is usually. Glow Plug System Audi A3.
From kermatdi.com
OEM VW Glow Plug w/ Sensor (VW CBEA/CJAA ) (Audi A3 / Q7) (Porsche 2013 Glow Plug System Audi A3 Like the conventional engine management light, it’s designed to alert drivers about. The glow plug warning light is only seen on diesel audis and is usually orange in colour. Clean glow plug openings in cylinder head; The start/stop system also has a fault and. I had my glow plug flashing once on my 2.0 tdi and would go into limp. Glow Plug System Audi A3.
From www.proxyparts.com
Glow plug relay Audi A3 Sportback 1.9 TDI 038907281D AP Autos Glow Plug System Audi A3 Make sure no dirt gets into cylinder. If you take it audi, then they can scan it for fault codes because it should have one stored,. If your audi’s glow plug light is flashing, then this a more like a mil light and needs to be diagnosed. Like the conventional engine management light, it’s designed to alert drivers about. May. Glow Plug System Audi A3.
From carpartsexpress.co.uk
AUDI A3 1.9 TDi GLOW PLUG SET 2003 2010 NEW SET X 4 £18.99 Ignition Glow Plug System Audi A3 The start/stop system also has a fault and. May first it was just when in cruise control, glow plug. I had my glow plug flashing once on my 2.0 tdi and would go into limp mode, my problem turned out to be the egr valve. The glow plug light is flashing and the engine management light has now come on.. Glow Plug System Audi A3.
From workshop-manuals.com
Audi Service and Repair Manuals > A3 Mk2 > Power unit TDI Glow Plug System Audi A3 Make sure no dirt gets into cylinder. The glow plug light is flashing and the engine management light has now come on. Clean glow plug openings in cylinder head; I had my glow plug flashing once on my 2.0 tdi and would go into limp mode, my problem turned out to be the egr valve. The glow plug warning light. Glow Plug System Audi A3.
From www.ebay.co.uk
GLOW PLUG FOR AUDI A3 8P/ A4 B7/ A6 C6 2.0 TDI 125 KW 7 VOLT x4 eBay Glow Plug System Audi A3 If you take it audi, then they can scan it for fault codes because it should have one stored,. I had my glow plug flashing once on my 2.0 tdi and would go into limp mode, my problem turned out to be the egr valve. If your audi’s glow plug light is flashing, then this a more like a mil. Glow Plug System Audi A3.
From www.ebay.co.uk
FOR AUDI A3 2.0 TDi 4 GENUINE BOSCH DIESEL HEATER GLOW PLUG PLUGS SET Glow Plug System Audi A3 I had my glow plug flashing once on my 2.0 tdi and would go into limp mode, my problem turned out to be the egr valve. Clean glow plug openings in cylinder head; The glow plug light is flashing and the engine management light has now come on. The glow plug warning light is only seen on diesel audis and. Glow Plug System Audi A3.
From loexyfvqh.blob.core.windows.net
Audi Glow Plug Warning Light Flashing at Crystal Wilson blog Glow Plug System Audi A3 May first it was just when in cruise control, glow plug. So my 2011 a3 tdi started having issues after a tunezilla tune for dpf and egr delete. If you take it audi, then they can scan it for fault codes because it should have one stored,. Like the conventional engine management light, it’s designed to alert drivers about. I. Glow Plug System Audi A3.
From workshop-manuals.com
Audi Service and Repair Manuals > A3 Mk2 > Power unit Glow Plug System Audi A3 If you take it audi, then they can scan it for fault codes because it should have one stored,. Clean glow plug openings in cylinder head; If your audi’s glow plug light is flashing, then this a more like a mil light and needs to be diagnosed. So my 2011 a3 tdi started having issues after a tunezilla tune for. Glow Plug System Audi A3.
From workshop-manuals.com
Audi Manuals > A3 Mk2 > Power unit > TDI injection and glow Glow Plug System Audi A3 The glow plug warning light is only seen on diesel audis and is usually orange in colour. If you take it audi, then they can scan it for fault codes because it should have one stored,. Make sure no dirt gets into cylinder. Like the conventional engine management light, it’s designed to alert drivers about. The glow plug light is. Glow Plug System Audi A3.
From workshop-manuals.com
Audi Manuals > A3 Mk2 > Power unit > TDI injection and glow Glow Plug System Audi A3 If your audi’s glow plug light is flashing, then this a more like a mil light and needs to be diagnosed. The glow plug warning light is only seen on diesel audis and is usually orange in colour. Like the conventional engine management light, it’s designed to alert drivers about. So my 2011 a3 tdi started having issues after a. Glow Plug System Audi A3.
From parts.audiusa.com
Audi A3 Diesel Glow Plug 03L963319 Genuine Audi Part Glow Plug System Audi A3 The glow plug light is flashing and the engine management light has now come on. Like the conventional engine management light, it’s designed to alert drivers about. The glow plug warning light is only seen on diesel audis and is usually orange in colour. I had my glow plug flashing once on my 2.0 tdi and would go into limp. Glow Plug System Audi A3.
From workshop-manuals.com
Audi Service and Repair Manuals > A3 Mk1 > Power unit Diesel Glow Plug System Audi A3 The glow plug light is flashing and the engine management light has now come on. Like the conventional engine management light, it’s designed to alert drivers about. Clean glow plug openings in cylinder head; If your audi’s glow plug light is flashing, then this a more like a mil light and needs to be diagnosed. If you take it audi,. Glow Plug System Audi A3.
From www.ebay.com
4x Bosch Glow Plugs for Audi A3 A4 VW T5 Golf 5 Touran Passat 3C 1.9+2. Glow Plug System Audi A3 I had my glow plug flashing once on my 2.0 tdi and would go into limp mode, my problem turned out to be the egr valve. Like the conventional engine management light, it’s designed to alert drivers about. If you take it audi, then they can scan it for fault codes because it should have one stored,. Make sure no. Glow Plug System Audi A3.
From www.superspares.com.au
New Glow Plug NGK CZ304 for AUDI A3 8P 20062013 Japanese Industrial Glow Plug System Audi A3 Make sure no dirt gets into cylinder. May first it was just when in cruise control, glow plug. I had my glow plug flashing once on my 2.0 tdi and would go into limp mode, my problem turned out to be the egr valve. Clean glow plug openings in cylinder head; Like the conventional engine management light, it’s designed to. Glow Plug System Audi A3.
From workshop-manuals.com
Audi Service and Repair Manuals > A3 Mk1 > Power unit Simos Glow Plug System Audi A3 The start/stop system also has a fault and. Clean glow plug openings in cylinder head; The glow plug light is flashing and the engine management light has now come on. If your audi’s glow plug light is flashing, then this a more like a mil light and needs to be diagnosed. Make sure no dirt gets into cylinder. I had. Glow Plug System Audi A3.
From www.aliexpress.com
New New 03l905061f Diesel Glow Plug For Audi Q5 A3 A6 Quattro Glow Plug System Audi A3 So my 2011 a3 tdi started having issues after a tunezilla tune for dpf and egr delete. The start/stop system also has a fault and. May first it was just when in cruise control, glow plug. If you take it audi, then they can scan it for fault codes because it should have one stored,. If your audi’s glow plug. Glow Plug System Audi A3.
From www.aliexpress.com
YAOPEI High Quality 03L905061F Diesel Glow Plug For Audi Q5 A3 A6 Glow Plug System Audi A3 Make sure no dirt gets into cylinder. The glow plug warning light is only seen on diesel audis and is usually orange in colour. Clean glow plug openings in cylinder head; If you take it audi, then they can scan it for fault codes because it should have one stored,. So my 2011 a3 tdi started having issues after a. Glow Plug System Audi A3.
From www.youtube.com
Audi Car glow plug warning light flashing YouTube Glow Plug System Audi A3 So my 2011 a3 tdi started having issues after a tunezilla tune for dpf and egr delete. Make sure no dirt gets into cylinder. If your audi’s glow plug light is flashing, then this a more like a mil light and needs to be diagnosed. The glow plug warning light is only seen on diesel audis and is usually orange. Glow Plug System Audi A3.
From workshop-manuals.com
Audi Service and Repair Manuals > A3 Mk1 > Power unit Glow Plug System Audi A3 So my 2011 a3 tdi started having issues after a tunezilla tune for dpf and egr delete. If you take it audi, then they can scan it for fault codes because it should have one stored,. If your audi’s glow plug light is flashing, then this a more like a mil light and needs to be diagnosed. The start/stop system. Glow Plug System Audi A3.
From www.ebay.com
4 Piece You.S Original Glow Plugs for Audi A3 (8P1) Sportback (8PA) 2.0 Glow Plug System Audi A3 So my 2011 a3 tdi started having issues after a tunezilla tune for dpf and egr delete. If your audi’s glow plug light is flashing, then this a more like a mil light and needs to be diagnosed. The start/stop system also has a fault and. The glow plug light is flashing and the engine management light has now come. Glow Plug System Audi A3.
From workshop-manuals.com
Audi Service and Repair Manuals > A3 Mk2 > Power unit Direct Glow Plug System Audi A3 The start/stop system also has a fault and. If you take it audi, then they can scan it for fault codes because it should have one stored,. The glow plug light is flashing and the engine management light has now come on. I had my glow plug flashing once on my 2.0 tdi and would go into limp mode, my. Glow Plug System Audi A3.
From www.ebay.co.uk
BOSCH Set of 3 Glow Plugs for Audi A3 TDi 150 Quattro CRLB 2.0 May 2014 Glow Plug System Audi A3 Make sure no dirt gets into cylinder. The start/stop system also has a fault and. So my 2011 a3 tdi started having issues after a tunezilla tune for dpf and egr delete. The glow plug warning light is only seen on diesel audis and is usually orange in colour. If your audi’s glow plug light is flashing, then this a. Glow Plug System Audi A3.
From www.aliexpress.com
4pcs 03l905061g 03l905061f Psg007 Glow Plug Fit For Audi A1 A3 A4 A5 A6 Glow Plug System Audi A3 The start/stop system also has a fault and. I had my glow plug flashing once on my 2.0 tdi and would go into limp mode, my problem turned out to be the egr valve. So my 2011 a3 tdi started having issues after a tunezilla tune for dpf and egr delete. The glow plug light is flashing and the engine. Glow Plug System Audi A3.