Skema Power Amplifier Ic Stk . Power amplifier uses symmetric 30volt power supply system. Skema dibuat dengan eagle software plus. This power amplifier is very suitable to be juxtaposed as a satellite. Sanyo production stk series power amplifiers integrated belonging to the original circuit diagrams diagram of the manufacturer. · these instructions are only for stk power amplifiers. There are other types of stks, like voltage amplifiers, but i don’t know. The following pcb layout stk can be used for ic stk 4132, 4142, 4152, 4162,4172, 4182, 4192, ii. This circuit capitalizes on the capabilities of the stk4050 to. An audio amplifier is an essential component for any audio system, as it is responsible for amplifying the audio signal and delivering it to the speakers with enhanced. The stk4221ii ic from is a dual high power amplifier chip, preferably suited for compact high power audio applications, for example in cars. The 200w power amplifier circuit utilizing the stk4050 ic is an exceptional example of audio amplification technology. Power amplifier circuit with this stk4050 can reproduce the power 200 watts at 8 ohm load spaker.
from rangkaianelektronika.info
The following pcb layout stk can be used for ic stk 4132, 4142, 4152, 4162,4172, 4182, 4192, ii. The 200w power amplifier circuit utilizing the stk4050 ic is an exceptional example of audio amplification technology. Skema dibuat dengan eagle software plus. · these instructions are only for stk power amplifiers. Power amplifier circuit with this stk4050 can reproduce the power 200 watts at 8 ohm load spaker. The stk4221ii ic from is a dual high power amplifier chip, preferably suited for compact high power audio applications, for example in cars. Power amplifier uses symmetric 30volt power supply system. This power amplifier is very suitable to be juxtaposed as a satellite. Sanyo production stk series power amplifiers integrated belonging to the original circuit diagrams diagram of the manufacturer. There are other types of stks, like voltage amplifiers, but i don’t know.
3 Skema Power Amplifier Built Up Terbaik Untuk Lapangan Gambar Skema Rangkaian Elektronika
Skema Power Amplifier Ic Stk The stk4221ii ic from is a dual high power amplifier chip, preferably suited for compact high power audio applications, for example in cars. Power amplifier circuit with this stk4050 can reproduce the power 200 watts at 8 ohm load spaker. This power amplifier is very suitable to be juxtaposed as a satellite. The 200w power amplifier circuit utilizing the stk4050 ic is an exceptional example of audio amplification technology. Power amplifier uses symmetric 30volt power supply system. The following pcb layout stk can be used for ic stk 4132, 4142, 4152, 4162,4172, 4182, 4192, ii. Skema dibuat dengan eagle software plus. There are other types of stks, like voltage amplifiers, but i don’t know. This circuit capitalizes on the capabilities of the stk4050 to. Sanyo production stk series power amplifiers integrated belonging to the original circuit diagrams diagram of the manufacturer. The stk4221ii ic from is a dual high power amplifier chip, preferably suited for compact high power audio applications, for example in cars. · these instructions are only for stk power amplifiers. An audio amplifier is an essential component for any audio system, as it is responsible for amplifying the audio signal and delivering it to the speakers with enhanced.
From www.pinterest.com
stk amplifier circuit diagram stk401110 Electronics Help Care Circuit diagram, Audio Skema Power Amplifier Ic Stk Skema dibuat dengan eagle software plus. There are other types of stks, like voltage amplifiers, but i don’t know. Power amplifier uses symmetric 30volt power supply system. This power amplifier is very suitable to be juxtaposed as a satellite. The 200w power amplifier circuit utilizing the stk4050 ic is an exceptional example of audio amplification technology. · these instructions are. Skema Power Amplifier Ic Stk.
From guidewiringguy.z21.web.core.windows.net
Stk Stereo Amplifier Circuit Diagram Skema Power Amplifier Ic Stk Power amplifier circuit with this stk4050 can reproduce the power 200 watts at 8 ohm load spaker. The stk4221ii ic from is a dual high power amplifier chip, preferably suited for compact high power audio applications, for example in cars. This power amplifier is very suitable to be juxtaposed as a satellite. An audio amplifier is an essential component for. Skema Power Amplifier Ic Stk.
From www.eleccircuit.com
STK4231II 2 channel 100w stereo audio amplifier circuit Elec Skema Power Amplifier Ic Stk This power amplifier is very suitable to be juxtaposed as a satellite. Skema dibuat dengan eagle software plus. There are other types of stks, like voltage amplifiers, but i don’t know. Power amplifier uses symmetric 30volt power supply system. Sanyo production stk series power amplifiers integrated belonging to the original circuit diagrams diagram of the manufacturer. Power amplifier circuit with. Skema Power Amplifier Ic Stk.
From rangkaianpower.blogspot.com
RANGKAIAN POWER Skema amplifier versi 4H GB ( Ground Bridge ) Skema Power Amplifier Ic Stk The following pcb layout stk can be used for ic stk 4132, 4142, 4152, 4162,4172, 4182, 4192, ii. The stk4221ii ic from is a dual high power amplifier chip, preferably suited for compact high power audio applications, for example in cars. The 200w power amplifier circuit utilizing the stk4050 ic is an exceptional example of audio amplification technology. Power amplifier. Skema Power Amplifier Ic Stk.
From www.youtube.com
How to make amplifier using STK IC YouTube Skema Power Amplifier Ic Stk The 200w power amplifier circuit utilizing the stk4050 ic is an exceptional example of audio amplification technology. Sanyo production stk series power amplifiers integrated belonging to the original circuit diagrams diagram of the manufacturer. This circuit capitalizes on the capabilities of the stk4050 to. The following pcb layout stk can be used for ic stk 4132, 4142, 4152, 4162,4172, 4182,. Skema Power Amplifier Ic Stk.
From www.youtube.com
how to make an amplifier using stk ic? YouTube Skema Power Amplifier Ic Stk There are other types of stks, like voltage amplifiers, but i don’t know. The stk4221ii ic from is a dual high power amplifier chip, preferably suited for compact high power audio applications, for example in cars. This power amplifier is very suitable to be juxtaposed as a satellite. · these instructions are only for stk power amplifiers. This circuit capitalizes. Skema Power Amplifier Ic Stk.
From skema-power-amplifier.blogspot.com
skema power amplifier Skema Power Amplifier Ic Stk Power amplifier uses symmetric 30volt power supply system. An audio amplifier is an essential component for any audio system, as it is responsible for amplifying the audio signal and delivering it to the speakers with enhanced. This power amplifier is very suitable to be juxtaposed as a satellite. There are other types of stks, like voltage amplifiers, but i don’t. Skema Power Amplifier Ic Stk.
From asevha.com
Skema Power Amplifier 100 Watt dengan Transistor Tutorial, Desain & Hoby Skema Power Amplifier Ic Stk There are other types of stks, like voltage amplifiers, but i don’t know. Power amplifier circuit with this stk4050 can reproduce the power 200 watts at 8 ohm load spaker. The 200w power amplifier circuit utilizing the stk4050 ic is an exceptional example of audio amplification technology. The following pcb layout stk can be used for ic stk 4132, 4142,. Skema Power Amplifier Ic Stk.
From brogjols.blogspot.com
Belajar Elektronika Skema Rangkaian Amplifier Menggunakan STK 015 Skema Power Amplifier Ic Stk The following pcb layout stk can be used for ic stk 4132, 4142, 4152, 4162,4172, 4182, 4192, ii. Power amplifier uses symmetric 30volt power supply system. The 200w power amplifier circuit utilizing the stk4050 ic is an exceptional example of audio amplification technology. · these instructions are only for stk power amplifiers. This power amplifier is very suitable to be. Skema Power Amplifier Ic Stk.
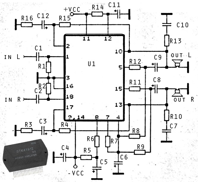
From gambarskemarangkaian.blogspot.com
2 X 50W ICs amplifier with STK4191 Gambar Skema Rangkaian Elektronika Skema Power Amplifier Ic Stk An audio amplifier is an essential component for any audio system, as it is responsible for amplifying the audio signal and delivering it to the speakers with enhanced. Power amplifier circuit with this stk4050 can reproduce the power 200 watts at 8 ohm load spaker. This circuit capitalizes on the capabilities of the stk4050 to. Skema dibuat dengan eagle software. Skema Power Amplifier Ic Stk.
From tronicspro.com
200W Power Amplifier Circuit Diagram STK4050 TRONICSpro Skema Power Amplifier Ic Stk · these instructions are only for stk power amplifiers. This power amplifier is very suitable to be juxtaposed as a satellite. Sanyo production stk series power amplifiers integrated belonging to the original circuit diagrams diagram of the manufacturer. There are other types of stks, like voltage amplifiers, but i don’t know. The 200w power amplifier circuit utilizing the stk4050 ic. Skema Power Amplifier Ic Stk.
From shopee.co.id
Jual PCB Stereo Power Amplifier IC STK439 Shopee Indonesia Skema Power Amplifier Ic Stk Sanyo production stk series power amplifiers integrated belonging to the original circuit diagrams diagram of the manufacturer. · these instructions are only for stk power amplifiers. The 200w power amplifier circuit utilizing the stk4050 ic is an exceptional example of audio amplification technology. There are other types of stks, like voltage amplifiers, but i don’t know. An audio amplifier is. Skema Power Amplifier Ic Stk.
From www.myxxgirl.com
Skema Power Amplifier Watt Stereo Ic Tea My XXX Hot Girl Skema Power Amplifier Ic Stk Sanyo production stk series power amplifiers integrated belonging to the original circuit diagrams diagram of the manufacturer. Power amplifier circuit with this stk4050 can reproduce the power 200 watts at 8 ohm load spaker. Power amplifier uses symmetric 30volt power supply system. This power amplifier is very suitable to be juxtaposed as a satellite. · these instructions are only for. Skema Power Amplifier Ic Stk.
From www.youtube.com
STK 4191 amplifier circuit diagram STK power amplifiers part 2 in Sinhala YouTube Skema Power Amplifier Ic Stk Skema dibuat dengan eagle software plus. This power amplifier is very suitable to be juxtaposed as a satellite. The stk4221ii ic from is a dual high power amplifier chip, preferably suited for compact high power audio applications, for example in cars. The 200w power amplifier circuit utilizing the stk4050 ic is an exceptional example of audio amplification technology. This circuit. Skema Power Amplifier Ic Stk.
From circuitmanualgrunewald.z21.web.core.windows.net
Stk Amplifier 300w Circuit Diagram Skema Power Amplifier Ic Stk There are other types of stks, like voltage amplifiers, but i don’t know. The stk4221ii ic from is a dual high power amplifier chip, preferably suited for compact high power audio applications, for example in cars. This power amplifier is very suitable to be juxtaposed as a satellite. The 200w power amplifier circuit utilizing the stk4050 ic is an exceptional. Skema Power Amplifier Ic Stk.
From wongjibex.blogspot.com
WONG JIBEX's Skema Power Amplifier TDA 2030 Skema Power Amplifier Ic Stk Power amplifier circuit with this stk4050 can reproduce the power 200 watts at 8 ohm load spaker. This power amplifier is very suitable to be juxtaposed as a satellite. This circuit capitalizes on the capabilities of the stk4050 to. Sanyo production stk series power amplifiers integrated belonging to the original circuit diagrams diagram of the manufacturer. The stk4221ii ic from. Skema Power Amplifier Ic Stk.
From www.eleccircuit.com
STK Power amplifier circuit,100W150W using STK4048 Skema Power Amplifier Ic Stk An audio amplifier is an essential component for any audio system, as it is responsible for amplifying the audio signal and delivering it to the speakers with enhanced. Skema dibuat dengan eagle software plus. This power amplifier is very suitable to be juxtaposed as a satellite. The 200w power amplifier circuit utilizing the stk4050 ic is an exceptional example of. Skema Power Amplifier Ic Stk.
From guidediagramlaxator.z14.web.core.windows.net
Stk 5.1 Amplifier Circuit Diagram Skema Power Amplifier Ic Stk The following pcb layout stk can be used for ic stk 4132, 4142, 4152, 4162,4172, 4182, 4192, ii. This power amplifier is very suitable to be juxtaposed as a satellite. · these instructions are only for stk power amplifiers. An audio amplifier is an essential component for any audio system, as it is responsible for amplifying the audio signal and. Skema Power Amplifier Ic Stk.
From skemaamplifier11.blogspot.com
Skema Power Amplifier High Voltage Skema Power Amplifier Ic Stk This power amplifier is very suitable to be juxtaposed as a satellite. This circuit capitalizes on the capabilities of the stk4050 to. The 200w power amplifier circuit utilizing the stk4050 ic is an exceptional example of audio amplification technology. Power amplifier uses symmetric 30volt power supply system. Sanyo production stk series power amplifiers integrated belonging to the original circuit diagrams. Skema Power Amplifier Ic Stk.
From gambarskemarangkaian.blogspot.com
2 X 40 Watt STK amplifier Gambar Skema Rangkaian Elektronika Skema Power Amplifier Ic Stk An audio amplifier is an essential component for any audio system, as it is responsible for amplifying the audio signal and delivering it to the speakers with enhanced. The 200w power amplifier circuit utilizing the stk4050 ic is an exceptional example of audio amplification technology. · these instructions are only for stk power amplifiers. This circuit capitalizes on the capabilities. Skema Power Amplifier Ic Stk.
From rangkaianelektronika.info
3 Skema Power Amplifier Built Up Terbaik Untuk Lapangan Gambar Skema Rangkaian Elektronika Skema Power Amplifier Ic Stk There are other types of stks, like voltage amplifiers, but i don’t know. Power amplifier circuit with this stk4050 can reproduce the power 200 watts at 8 ohm load spaker. · these instructions are only for stk power amplifiers. The 200w power amplifier circuit utilizing the stk4050 ic is an exceptional example of audio amplification technology. Power amplifier uses symmetric. Skema Power Amplifier Ic Stk.
From www.vrogue.co
Skema Rangkaian Amplifier Ic Tda 2030 Skema Rangkaian vrogue.co Skema Power Amplifier Ic Stk Power amplifier uses symmetric 30volt power supply system. An audio amplifier is an essential component for any audio system, as it is responsible for amplifying the audio signal and delivering it to the speakers with enhanced. The stk4221ii ic from is a dual high power amplifier chip, preferably suited for compact high power audio applications, for example in cars. There. Skema Power Amplifier Ic Stk.
From guidepakemomma85.z21.web.core.windows.net
100 Watts Audio Amplifier Circuit Diagram Skema Power Amplifier Ic Stk The 200w power amplifier circuit utilizing the stk4050 ic is an exceptional example of audio amplification technology. The stk4221ii ic from is a dual high power amplifier chip, preferably suited for compact high power audio applications, for example in cars. There are other types of stks, like voltage amplifiers, but i don’t know. This power amplifier is very suitable to. Skema Power Amplifier Ic Stk.
From foxitfy.blogspot.com
Skema Rangkaian Power Amplifier 10 Watt TDA 2003 Sederhana Foxify Skema Power Amplifier Ic Stk Sanyo production stk series power amplifiers integrated belonging to the original circuit diagrams diagram of the manufacturer. Power amplifier uses symmetric 30volt power supply system. This power amplifier is very suitable to be juxtaposed as a satellite. There are other types of stks, like voltage amplifiers, but i don’t know. The 200w power amplifier circuit utilizing the stk4050 ic is. Skema Power Amplifier Ic Stk.
From skemadriver.blogspot.com
78+ Terbaru Skema Power Stk 4142, Skema Power Skema Power Amplifier Ic Stk The stk4221ii ic from is a dual high power amplifier chip, preferably suited for compact high power audio applications, for example in cars. The following pcb layout stk can be used for ic stk 4132, 4142, 4152, 4162,4172, 4182, 4192, ii. Power amplifier uses symmetric 30volt power supply system. Sanyo production stk series power amplifiers integrated belonging to the original. Skema Power Amplifier Ic Stk.
From circuitenginejeffrey.z21.web.core.windows.net
Stk Ic Amplifier Circuit Diagram Skema Power Amplifier Ic Stk Power amplifier uses symmetric 30volt power supply system. The 200w power amplifier circuit utilizing the stk4050 ic is an exceptional example of audio amplification technology. · these instructions are only for stk power amplifiers. Power amplifier circuit with this stk4050 can reproduce the power 200 watts at 8 ohm load spaker. There are other types of stks, like voltage amplifiers,. Skema Power Amplifier Ic Stk.
From rangkaianelektronika.info
3 Skema Power Amplifier Built Up Terbaik Untuk Lapangan Gambar Skema Rangkaian Elektronika Skema Power Amplifier Ic Stk Power amplifier circuit with this stk4050 can reproduce the power 200 watts at 8 ohm load spaker. The following pcb layout stk can be used for ic stk 4132, 4142, 4152, 4162,4172, 4182, 4192, ii. · these instructions are only for stk power amplifiers. Sanyo production stk series power amplifiers integrated belonging to the original circuit diagrams diagram of the. Skema Power Amplifier Ic Stk.
From rangkaianlo.blogspot.com
70W STK amplifier schematic Skema Power Amplifier Ic Stk There are other types of stks, like voltage amplifiers, but i don’t know. An audio amplifier is an essential component for any audio system, as it is responsible for amplifying the audio signal and delivering it to the speakers with enhanced. Power amplifier circuit with this stk4050 can reproduce the power 200 watts at 8 ohm load spaker. Power amplifier. Skema Power Amplifier Ic Stk.
From id.pinterest.com
Skema dan Layout PCB Amplifier STK4172 guruKATRO Rangkaian elektronik, Elektronik, Teknik Skema Power Amplifier Ic Stk Sanyo production stk series power amplifiers integrated belonging to the original circuit diagrams diagram of the manufacturer. This circuit capitalizes on the capabilities of the stk4050 to. Power amplifier uses symmetric 30volt power supply system. This power amplifier is very suitable to be juxtaposed as a satellite. The following pcb layout stk can be used for ic stk 4132, 4142,. Skema Power Amplifier Ic Stk.
From skema-power-amplifier.blogspot.com
August 2009 skema power amplifier Skema Power Amplifier Ic Stk The stk4221ii ic from is a dual high power amplifier chip, preferably suited for compact high power audio applications, for example in cars. Power amplifier uses symmetric 30volt power supply system. This circuit capitalizes on the capabilities of the stk4050 to. Skema dibuat dengan eagle software plus. The following pcb layout stk can be used for ic stk 4132, 4142,. Skema Power Amplifier Ic Stk.
From schematicfree.blogspot.com
IOT Devices Skema Amplifier TDA1015T Skema Power Amplifier Ic Stk This circuit capitalizes on the capabilities of the stk4050 to. Skema dibuat dengan eagle software plus. There are other types of stks, like voltage amplifiers, but i don’t know. The following pcb layout stk can be used for ic stk 4132, 4142, 4152, 4162,4172, 4182, 4192, ii. The stk4221ii ic from is a dual high power amplifier chip, preferably suited. Skema Power Amplifier Ic Stk.
From www.spiderbeat.com
Layout Skema PCB Power Amplifier STK 4132 II Stereo, Suara Jernih Mantul Skema Power Amplifier Ic Stk Skema dibuat dengan eagle software plus. Power amplifier circuit with this stk4050 can reproduce the power 200 watts at 8 ohm load spaker. The following pcb layout stk can be used for ic stk 4132, 4142, 4152, 4162,4172, 4182, 4192, ii. Power amplifier uses symmetric 30volt power supply system. There are other types of stks, like voltage amplifiers, but i. Skema Power Amplifier Ic Stk.
From www.myxxgirl.com
Skema Power Amplifier Btl Power Amplifier Menggunakan Ic Tda My XXX Hot Girl Skema Power Amplifier Ic Stk There are other types of stks, like voltage amplifiers, but i don’t know. This circuit capitalizes on the capabilities of the stk4050 to. An audio amplifier is an essential component for any audio system, as it is responsible for amplifying the audio signal and delivering it to the speakers with enhanced. The 200w power amplifier circuit utilizing the stk4050 ic. Skema Power Amplifier Ic Stk.
From tronicspro.com
200W Audio Amplifier Circuit using STK4050 TRONICSpro Skema Power Amplifier Ic Stk An audio amplifier is an essential component for any audio system, as it is responsible for amplifying the audio signal and delivering it to the speakers with enhanced. The 200w power amplifier circuit utilizing the stk4050 ic is an exceptional example of audio amplification technology. Power amplifier uses symmetric 30volt power supply system. Power amplifier circuit with this stk4050 can. Skema Power Amplifier Ic Stk.
From schematicancola6a.z4.web.core.windows.net
Stk Amplifier 300w Circuit Diagram Skema Power Amplifier Ic Stk Skema dibuat dengan eagle software plus. The following pcb layout stk can be used for ic stk 4132, 4142, 4152, 4162,4172, 4182, 4192, ii. Sanyo production stk series power amplifiers integrated belonging to the original circuit diagrams diagram of the manufacturer. Power amplifier circuit with this stk4050 can reproduce the power 200 watts at 8 ohm load spaker. Power amplifier. Skema Power Amplifier Ic Stk.