Jeep Cj7 Heater Core Replacement . I will do the same, clamp the. Replacement jeep cj5, cj7, cj8 heater blower motors, air boxes, seals, heater cores, defrost ducting & control cables. Inside the cab, unhook 2 cable controls in the center area along with defrost duct directly. If you’re experiencing a lack of heat or a sweet smell in your jeep, it’s time to consider replacing the heater core. Replacing a heater core in a jeep cj7 may seem daunting, but it’s a task that can be accomplished with the right tools and a bit of. Replacing your heater core can revive your cj’s factory heating system to keep you. So, since i already have the dash half way out, i guess i will just remove it and replace them now. Unplug electrical wire close to drain tube.
from www.partomotive.com
So, since i already have the dash half way out, i guess i will just remove it and replace them now. I will do the same, clamp the. Inside the cab, unhook 2 cable controls in the center area along with defrost duct directly. Unplug electrical wire close to drain tube. Replacement jeep cj5, cj7, cj8 heater blower motors, air boxes, seals, heater cores, defrost ducting & control cables. Replacing your heater core can revive your cj’s factory heating system to keep you. If you’re experiencing a lack of heat or a sweet smell in your jeep, it’s time to consider replacing the heater core. Replacing a heater core in a jeep cj7 may seem daunting, but it’s a task that can be accomplished with the right tools and a bit of.
HTC1195 19771983 Jeep CJSeries CJ5 & 19771986 CJ7 & 19811985 Scrambler (Sport Utility 2
Jeep Cj7 Heater Core Replacement Unplug electrical wire close to drain tube. Replacing your heater core can revive your cj’s factory heating system to keep you. Inside the cab, unhook 2 cable controls in the center area along with defrost duct directly. I will do the same, clamp the. So, since i already have the dash half way out, i guess i will just remove it and replace them now. Replacing a heater core in a jeep cj7 may seem daunting, but it’s a task that can be accomplished with the right tools and a bit of. If you’re experiencing a lack of heat or a sweet smell in your jeep, it’s time to consider replacing the heater core. Unplug electrical wire close to drain tube. Replacement jeep cj5, cj7, cj8 heater blower motors, air boxes, seals, heater cores, defrost ducting & control cables.
From jeepair.com
19781986 CJ7 Heater Core Jeep Air Jeep Cj7 Heater Core Replacement Replacing a heater core in a jeep cj7 may seem daunting, but it’s a task that can be accomplished with the right tools and a bit of. So, since i already have the dash half way out, i guess i will just remove it and replace them now. Replacing your heater core can revive your cj’s factory heating system to. Jeep Cj7 Heater Core Replacement.
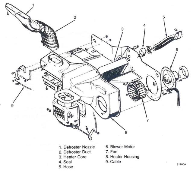
From diagramlibrarycard.z5.web.core.windows.net
Jeep Cj7 Heater Core Replacement Jeep Cj7 Heater Core Replacement If you’re experiencing a lack of heat or a sweet smell in your jeep, it’s time to consider replacing the heater core. Replacing your heater core can revive your cj’s factory heating system to keep you. I will do the same, clamp the. So, since i already have the dash half way out, i guess i will just remove it. Jeep Cj7 Heater Core Replacement.
From www.jeeperstore.com
HVAC Heater Core Tube; 7895 Jeep CJ5/CJ7/CJ8 Scrambler/Wrangler YJ Jeep Cj7 Heater Core Replacement Replacing your heater core can revive your cj’s factory heating system to keep you. Unplug electrical wire close to drain tube. Replacement jeep cj5, cj7, cj8 heater blower motors, air boxes, seals, heater cores, defrost ducting & control cables. Inside the cab, unhook 2 cable controls in the center area along with defrost duct directly. Replacing a heater core in. Jeep Cj7 Heater Core Replacement.
From jeepair.com
CJ7 Heater Core Jeep Air Jeep Cj7 Heater Core Replacement Replacing your heater core can revive your cj’s factory heating system to keep you. So, since i already have the dash half way out, i guess i will just remove it and replace them now. Replacement jeep cj5, cj7, cj8 heater blower motors, air boxes, seals, heater cores, defrost ducting & control cables. If you’re experiencing a lack of heat. Jeep Cj7 Heater Core Replacement.
From www.walmart.com
CPP Replacement HVAC Heater Core HTR010253 for Jeep CJ5, CJ7, Scrambler Jeep Cj7 Heater Core Replacement Unplug electrical wire close to drain tube. I will do the same, clamp the. If you’re experiencing a lack of heat or a sweet smell in your jeep, it’s time to consider replacing the heater core. Replacing a heater core in a jeep cj7 may seem daunting, but it’s a task that can be accomplished with the right tools and. Jeep Cj7 Heater Core Replacement.
From www.2carpros.com
1986 Jeep CJ7 Heater Core Just Replaced Heater Core on My Jeep, Jeep Cj7 Heater Core Replacement Replacing your heater core can revive your cj’s factory heating system to keep you. Replacement jeep cj5, cj7, cj8 heater blower motors, air boxes, seals, heater cores, defrost ducting & control cables. I will do the same, clamp the. Inside the cab, unhook 2 cable controls in the center area along with defrost duct directly. If you’re experiencing a lack. Jeep Cj7 Heater Core Replacement.
From circuitlibray.z13.web.core.windows.net
Jeep Cj7 Heater Box Diagram Jeep Cj7 Heater Core Replacement Replacing your heater core can revive your cj’s factory heating system to keep you. Inside the cab, unhook 2 cable controls in the center area along with defrost duct directly. Unplug electrical wire close to drain tube. Replacing a heater core in a jeep cj7 may seem daunting, but it’s a task that can be accomplished with the right tools. Jeep Cj7 Heater Core Replacement.
From www.extremeterrain.com
Jeep Wrangler HVAC Heater Core (7886 Jeep CJ5 & CJ7) Free Shipping Jeep Cj7 Heater Core Replacement So, since i already have the dash half way out, i guess i will just remove it and replace them now. Replacing a heater core in a jeep cj7 may seem daunting, but it’s a task that can be accomplished with the right tools and a bit of. I will do the same, clamp the. Inside the cab, unhook 2. Jeep Cj7 Heater Core Replacement.
From www.jeepforum.com
CJ heater core in yj Wrangler tub Jeep Cj7 Heater Core Replacement Unplug electrical wire close to drain tube. Replacing your heater core can revive your cj’s factory heating system to keep you. Replacement jeep cj5, cj7, cj8 heater blower motors, air boxes, seals, heater cores, defrost ducting & control cables. If you’re experiencing a lack of heat or a sweet smell in your jeep, it’s time to consider replacing the heater. Jeep Cj7 Heater Core Replacement.
From www.ebay.com
Heater Core For Jeep CJ7 CJ5 Scrambler 19811985 56001459 eBay Jeep Cj7 Heater Core Replacement Unplug electrical wire close to drain tube. Replacing your heater core can revive your cj’s factory heating system to keep you. So, since i already have the dash half way out, i guess i will just remove it and replace them now. If you’re experiencing a lack of heat or a sweet smell in your jeep, it’s time to consider. Jeep Cj7 Heater Core Replacement.
From www.2carpros.com
Heater Core Replacement I Have 84 Cj7 with 258 6cyl How Are the Jeep Cj7 Heater Core Replacement So, since i already have the dash half way out, i guess i will just remove it and replace them now. If you’re experiencing a lack of heat or a sweet smell in your jeep, it’s time to consider replacing the heater core. Replacement jeep cj5, cj7, cj8 heater blower motors, air boxes, seals, heater cores, defrost ducting & control. Jeep Cj7 Heater Core Replacement.
From www.amazon.com
New Heater Core For Jeep CJ7 CJ5 Scrambler 19811985 FITS 56001459 Automotive Jeep Cj7 Heater Core Replacement I will do the same, clamp the. Inside the cab, unhook 2 cable controls in the center area along with defrost duct directly. Replacing a heater core in a jeep cj7 may seem daunting, but it’s a task that can be accomplished with the right tools and a bit of. Unplug electrical wire close to drain tube. Replacing your heater. Jeep Cj7 Heater Core Replacement.
From www.carid.com
APDI® Jeep CJ5 / CJ7 1977 HVAC Heater Core Jeep Cj7 Heater Core Replacement I will do the same, clamp the. Unplug electrical wire close to drain tube. Replacement jeep cj5, cj7, cj8 heater blower motors, air boxes, seals, heater cores, defrost ducting & control cables. Inside the cab, unhook 2 cable controls in the center area along with defrost duct directly. If you’re experiencing a lack of heat or a sweet smell in. Jeep Cj7 Heater Core Replacement.
From www.pinterest.com
Omix Heater Core 7886 Jeep CJ Models 17901.02 Jeep cj, Heater, Jeep cj7 renegade Jeep Cj7 Heater Core Replacement Replacement jeep cj5, cj7, cj8 heater blower motors, air boxes, seals, heater cores, defrost ducting & control cables. If you’re experiencing a lack of heat or a sweet smell in your jeep, it’s time to consider replacing the heater core. Replacing a heater core in a jeep cj7 may seem daunting, but it’s a task that can be accomplished with. Jeep Cj7 Heater Core Replacement.
From www.2carpros.com
1986 Jeep CJ7 Heater Core Just Replaced Heater Core on My Jeep, Jeep Cj7 Heater Core Replacement Replacement jeep cj5, cj7, cj8 heater blower motors, air boxes, seals, heater cores, defrost ducting & control cables. Replacing a heater core in a jeep cj7 may seem daunting, but it’s a task that can be accomplished with the right tools and a bit of. Unplug electrical wire close to drain tube. Replacing your heater core can revive your cj’s. Jeep Cj7 Heater Core Replacement.
From www.partsgeek.com
19771986 Jeep CJ7 Heater Core Autopart Premium APHCR235 Front Jeep Cj7 Heater Core Replacement So, since i already have the dash half way out, i guess i will just remove it and replace them now. Replacement jeep cj5, cj7, cj8 heater blower motors, air boxes, seals, heater cores, defrost ducting & control cables. Inside the cab, unhook 2 cable controls in the center area along with defrost duct directly. If you’re experiencing a lack. Jeep Cj7 Heater Core Replacement.
From www.amazon.com
AccuPart Replacement Heater Core Fits Jeep CJ5 & CJ7 19781986 Jeep CJ7 Heater Jeep Cj7 Heater Core Replacement If you’re experiencing a lack of heat or a sweet smell in your jeep, it’s time to consider replacing the heater core. Replacing your heater core can revive your cj’s factory heating system to keep you. Inside the cab, unhook 2 cable controls in the center area along with defrost duct directly. Replacing a heater core in a jeep cj7. Jeep Cj7 Heater Core Replacement.
From jeepair.com
CJ7 Heater Core Jeep Air Jeep Cj7 Heater Core Replacement Unplug electrical wire close to drain tube. Replacement jeep cj5, cj7, cj8 heater blower motors, air boxes, seals, heater cores, defrost ducting & control cables. If you’re experiencing a lack of heat or a sweet smell in your jeep, it’s time to consider replacing the heater core. Replacing your heater core can revive your cj’s factory heating system to keep. Jeep Cj7 Heater Core Replacement.
From wiringdataluann.z19.web.core.windows.net
Jeep Cj7 Heater Core Replacement Jeep Cj7 Heater Core Replacement I will do the same, clamp the. So, since i already have the dash half way out, i guess i will just remove it and replace them now. Replacing a heater core in a jeep cj7 may seem daunting, but it’s a task that can be accomplished with the right tools and a bit of. Replacement jeep cj5, cj7, cj8. Jeep Cj7 Heater Core Replacement.
From 1986jeeprestoration.blogspot.com
1986 Jeep CJ7 Restoration Jeep CJ7 Heater Restoration Jeep Cj7 Heater Core Replacement Replacing your heater core can revive your cj’s factory heating system to keep you. Unplug electrical wire close to drain tube. I will do the same, clamp the. So, since i already have the dash half way out, i guess i will just remove it and replace them now. Replacing a heater core in a jeep cj7 may seem daunting,. Jeep Cj7 Heater Core Replacement.
From ar.inspiredpencil.com
Jeep Cj7 Heater Box Jeep Cj7 Heater Core Replacement Replacing a heater core in a jeep cj7 may seem daunting, but it’s a task that can be accomplished with the right tools and a bit of. Replacement jeep cj5, cj7, cj8 heater blower motors, air boxes, seals, heater cores, defrost ducting & control cables. Unplug electrical wire close to drain tube. Inside the cab, unhook 2 cable controls in. Jeep Cj7 Heater Core Replacement.
From jeepair.com
19781986 CJ7 Heater Core Jeep Air Jeep Cj7 Heater Core Replacement Replacing your heater core can revive your cj’s factory heating system to keep you. Replacing a heater core in a jeep cj7 may seem daunting, but it’s a task that can be accomplished with the right tools and a bit of. So, since i already have the dash half way out, i guess i will just remove it and replace. Jeep Cj7 Heater Core Replacement.
From www.youtube.com
Jeep CJ7 Update 16 Heater Finally Done! Part 2 YouTube Jeep Cj7 Heater Core Replacement Replacement jeep cj5, cj7, cj8 heater blower motors, air boxes, seals, heater cores, defrost ducting & control cables. Replacing your heater core can revive your cj’s factory heating system to keep you. Unplug electrical wire close to drain tube. If you’re experiencing a lack of heat or a sweet smell in your jeep, it’s time to consider replacing the heater. Jeep Cj7 Heater Core Replacement.
From 1986jeeprestoration.blogspot.com
1986 Jeep CJ7 Restoration Jeep CJ7 Heater Restoration Jeep Cj7 Heater Core Replacement So, since i already have the dash half way out, i guess i will just remove it and replace them now. Replacement jeep cj5, cj7, cj8 heater blower motors, air boxes, seals, heater cores, defrost ducting & control cables. I will do the same, clamp the. If you’re experiencing a lack of heat or a sweet smell in your jeep,. Jeep Cj7 Heater Core Replacement.
From www.2carpros.com
1986 Jeep CJ7 Heater Core Just Replaced Heater Core on My Jeep, Jeep Cj7 Heater Core Replacement So, since i already have the dash half way out, i guess i will just remove it and replace them now. Replacement jeep cj5, cj7, cj8 heater blower motors, air boxes, seals, heater cores, defrost ducting & control cables. I will do the same, clamp the. Inside the cab, unhook 2 cable controls in the center area along with defrost. Jeep Cj7 Heater Core Replacement.
From www.partomotive.com
HTC1195 19771983 Jeep CJSeries CJ5 & 19771986 CJ7 & 19811985 Scrambler (Sport Utility 2 Jeep Cj7 Heater Core Replacement Replacement jeep cj5, cj7, cj8 heater blower motors, air boxes, seals, heater cores, defrost ducting & control cables. I will do the same, clamp the. Unplug electrical wire close to drain tube. Inside the cab, unhook 2 cable controls in the center area along with defrost duct directly. Replacing a heater core in a jeep cj7 may seem daunting, but. Jeep Cj7 Heater Core Replacement.
From www.jeepforum.com
'85 CJ7 heater core foam pad ??? Jeep Enthusiast Forums Jeep Cj7 Heater Core Replacement Inside the cab, unhook 2 cable controls in the center area along with defrost duct directly. Unplug electrical wire close to drain tube. I will do the same, clamp the. Replacing a heater core in a jeep cj7 may seem daunting, but it’s a task that can be accomplished with the right tools and a bit of. Replacement jeep cj5,. Jeep Cj7 Heater Core Replacement.
From www.quadratec.com
AccuPart Replacement Heater Core for 7886 Jeep CJ5 & CJ7 Quadratec Jeep Cj7 Heater Core Replacement Replacing your heater core can revive your cj’s factory heating system to keep you. Unplug electrical wire close to drain tube. Inside the cab, unhook 2 cable controls in the center area along with defrost duct directly. If you’re experiencing a lack of heat or a sweet smell in your jeep, it’s time to consider replacing the heater core. So,. Jeep Cj7 Heater Core Replacement.
From diagramdataconley.z5.web.core.windows.net
Jeep Cj7 Heater Box Diagram Jeep Cj7 Heater Core Replacement Unplug electrical wire close to drain tube. If you’re experiencing a lack of heat or a sweet smell in your jeep, it’s time to consider replacing the heater core. Replacing a heater core in a jeep cj7 may seem daunting, but it’s a task that can be accomplished with the right tools and a bit of. Inside the cab, unhook. Jeep Cj7 Heater Core Replacement.
From www.quadratec.com
AccuPart Replacement Heater Core for 7886 Jeep CJ5 & CJ7 Quadratec Jeep Cj7 Heater Core Replacement Unplug electrical wire close to drain tube. I will do the same, clamp the. If you’re experiencing a lack of heat or a sweet smell in your jeep, it’s time to consider replacing the heater core. Inside the cab, unhook 2 cable controls in the center area along with defrost duct directly. So, since i already have the dash half. Jeep Cj7 Heater Core Replacement.
From www.2carpros.com
Heater Core Replacement I Have 84 Cj7 with 258 6cyl How Are the Jeep Cj7 Heater Core Replacement If you’re experiencing a lack of heat or a sweet smell in your jeep, it’s time to consider replacing the heater core. Unplug electrical wire close to drain tube. Replacing your heater core can revive your cj’s factory heating system to keep you. Inside the cab, unhook 2 cable controls in the center area along with defrost duct directly. I. Jeep Cj7 Heater Core Replacement.
From manualdatashockingly.z13.web.core.windows.net
Jeep Cj7 Heater Box Diagram Jeep Cj7 Heater Core Replacement I will do the same, clamp the. Inside the cab, unhook 2 cable controls in the center area along with defrost duct directly. If you’re experiencing a lack of heat or a sweet smell in your jeep, it’s time to consider replacing the heater core. Unplug electrical wire close to drain tube. Replacing your heater core can revive your cj’s. Jeep Cj7 Heater Core Replacement.
From ar.inspiredpencil.com
Jeep Cj7 Heater Box Jeep Cj7 Heater Core Replacement If you’re experiencing a lack of heat or a sweet smell in your jeep, it’s time to consider replacing the heater core. Unplug electrical wire close to drain tube. Replacing a heater core in a jeep cj7 may seem daunting, but it’s a task that can be accomplished with the right tools and a bit of. Replacement jeep cj5, cj7,. Jeep Cj7 Heater Core Replacement.
From www.extremeterrain.com
Jeep Wrangler HVAC Heater Core (7277 Jeep CJ5 & CJ7) Free Shipping Jeep Cj7 Heater Core Replacement If you’re experiencing a lack of heat or a sweet smell in your jeep, it’s time to consider replacing the heater core. Inside the cab, unhook 2 cable controls in the center area along with defrost duct directly. Replacing your heater core can revive your cj’s factory heating system to keep you. So, since i already have the dash half. Jeep Cj7 Heater Core Replacement.
From www.quadratec.com
AccuPart Replacement Heater Core for 7886 Jeep CJ5 & CJ7 Quadratec Jeep Cj7 Heater Core Replacement Replacing a heater core in a jeep cj7 may seem daunting, but it’s a task that can be accomplished with the right tools and a bit of. Unplug electrical wire close to drain tube. I will do the same, clamp the. So, since i already have the dash half way out, i guess i will just remove it and replace. Jeep Cj7 Heater Core Replacement.