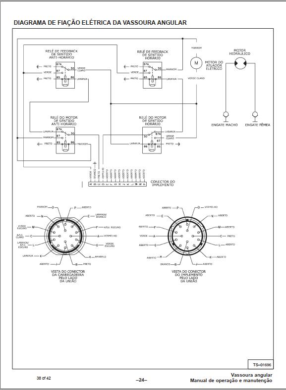
Bobcat Broom Wiring Diagram . — the service manual has a wiring diagram, not sure it it gives much detail on the 7 pin connector or controller. — i have a bobcat service manual with the wiring diagrams so i should be able to select the correct wiring to tee into. British standards institute (bsi) is the certified registrar bobcat. genuine bobcat angle broom operation and maintenance digital manual, 6900597enuspdf provides instructions. efficiently sweep and clean with the hydraulically driven angle broom attachment. order genuine manuals for loaders, excavators, tractors, attachments and other equipment directly from bobcat. make sure the color wires from the female side match up with the color wires from the male side. Connect black and white wires. original factory service repair manual for the bobcat front mount angle broom (fmab54, fmab70). develop, manufacture, distribute, and service bobcat products.
from wiringschema.com
efficiently sweep and clean with the hydraulically driven angle broom attachment. genuine bobcat angle broom operation and maintenance digital manual, 6900597enuspdf provides instructions. make sure the color wires from the female side match up with the color wires from the male side. — i have a bobcat service manual with the wiring diagrams so i should be able to select the correct wiring to tee into. order genuine manuals for loaders, excavators, tractors, attachments and other equipment directly from bobcat. original factory service repair manual for the bobcat front mount angle broom (fmab54, fmab70). — the service manual has a wiring diagram, not sure it it gives much detail on the 7 pin connector or controller. Connect black and white wires. develop, manufacture, distribute, and service bobcat products. British standards institute (bsi) is the certified registrar bobcat.
[DIAGRAM] Wiring Diagram Bobcat Angle Broom
Bobcat Broom Wiring Diagram efficiently sweep and clean with the hydraulically driven angle broom attachment. order genuine manuals for loaders, excavators, tractors, attachments and other equipment directly from bobcat. Connect black and white wires. — the service manual has a wiring diagram, not sure it it gives much detail on the 7 pin connector or controller. British standards institute (bsi) is the certified registrar bobcat. efficiently sweep and clean with the hydraulically driven angle broom attachment. — i have a bobcat service manual with the wiring diagrams so i should be able to select the correct wiring to tee into. genuine bobcat angle broom operation and maintenance digital manual, 6900597enuspdf provides instructions. original factory service repair manual for the bobcat front mount angle broom (fmab54, fmab70). develop, manufacture, distribute, and service bobcat products. make sure the color wires from the female side match up with the color wires from the male side.
From alohagrace.blogspot.com
Superior Broom Wiring Diagram Wiring Diagram Bobcat Broom Wiring Diagram genuine bobcat angle broom operation and maintenance digital manual, 6900597enuspdf provides instructions. Connect black and white wires. make sure the color wires from the female side match up with the color wires from the male side. — i have a bobcat service manual with the wiring diagrams so i should be able to select the correct wiring. Bobcat Broom Wiring Diagram.
From paintive.blogspot.com
Paintive Bobcat Angle Broom Wiring Diagram Bobcat Broom Wiring Diagram genuine bobcat angle broom operation and maintenance digital manual, 6900597enuspdf provides instructions. order genuine manuals for loaders, excavators, tractors, attachments and other equipment directly from bobcat. develop, manufacture, distribute, and service bobcat products. original factory service repair manual for the bobcat front mount angle broom (fmab54, fmab70). make sure the color wires from the female. Bobcat Broom Wiring Diagram.
From repairfixrashaellp.z22.web.core.windows.net
Bobcat Sweeper Parts Diagram Bobcat Broom Wiring Diagram Connect black and white wires. British standards institute (bsi) is the certified registrar bobcat. genuine bobcat angle broom operation and maintenance digital manual, 6900597enuspdf provides instructions. order genuine manuals for loaders, excavators, tractors, attachments and other equipment directly from bobcat. original factory service repair manual for the bobcat front mount angle broom (fmab54, fmab70). make sure. Bobcat Broom Wiring Diagram.
From manualwiringzander.z19.web.core.windows.net
Wiring Diagram Bobcat Angle Broom Bobcat Broom Wiring Diagram — i have a bobcat service manual with the wiring diagrams so i should be able to select the correct wiring to tee into. British standards institute (bsi) is the certified registrar bobcat. order genuine manuals for loaders, excavators, tractors, attachments and other equipment directly from bobcat. make sure the color wires from the female side match. Bobcat Broom Wiring Diagram.
From stewart-switch.com
Bobcat 14 Pin Connector Wiring Diagram Bobcat Broom Wiring Diagram — the service manual has a wiring diagram, not sure it it gives much detail on the 7 pin connector or controller. genuine bobcat angle broom operation and maintenance digital manual, 6900597enuspdf provides instructions. British standards institute (bsi) is the certified registrar bobcat. efficiently sweep and clean with the hydraulically driven angle broom attachment. develop, manufacture,. Bobcat Broom Wiring Diagram.
From wiringdiagram.2bitboer.com
Bobcat Skid Steer Wiring Diagram Wiring Diagram Bobcat Broom Wiring Diagram — i have a bobcat service manual with the wiring diagrams so i should be able to select the correct wiring to tee into. — the service manual has a wiring diagram, not sure it it gives much detail on the 7 pin connector or controller. genuine bobcat angle broom operation and maintenance digital manual, 6900597enuspdf provides. Bobcat Broom Wiring Diagram.
From autoepcservice.com
Bobcat Broom Angular Operation & Maintenance Manual 6724359 PT Bobcat Broom Wiring Diagram — the service manual has a wiring diagram, not sure it it gives much detail on the 7 pin connector or controller. British standards institute (bsi) is the certified registrar bobcat. — i have a bobcat service manual with the wiring diagrams so i should be able to select the correct wiring to tee into. develop, manufacture,. Bobcat Broom Wiring Diagram.
From newskln.blogspot.com
Bobcat Angle Broom Wiring Diagram NEWSKLN Bobcat Broom Wiring Diagram genuine bobcat angle broom operation and maintenance digital manual, 6900597enuspdf provides instructions. original factory service repair manual for the bobcat front mount angle broom (fmab54, fmab70). — the service manual has a wiring diagram, not sure it it gives much detail on the 7 pin connector or controller. British standards institute (bsi) is the certified registrar bobcat.. Bobcat Broom Wiring Diagram.
From printer.buffalomountainkombucha.com
[DIAGRAM] S300 Bobcat Wire Controls Diagram Bobcat Broom Wiring Diagram order genuine manuals for loaders, excavators, tractors, attachments and other equipment directly from bobcat. genuine bobcat angle broom operation and maintenance digital manual, 6900597enuspdf provides instructions. Connect black and white wires. — i have a bobcat service manual with the wiring diagrams so i should be able to select the correct wiring to tee into. efficiently. Bobcat Broom Wiring Diagram.
From paintive.blogspot.com
Paintive Bobcat Angle Broom Wiring Diagram Bobcat Broom Wiring Diagram original factory service repair manual for the bobcat front mount angle broom (fmab54, fmab70). Connect black and white wires. — i have a bobcat service manual with the wiring diagrams so i should be able to select the correct wiring to tee into. develop, manufacture, distribute, and service bobcat products. efficiently sweep and clean with the. Bobcat Broom Wiring Diagram.
From usermanualsinecure.z22.web.core.windows.net
Pinout Bobcat 7 Pin Connector Wiring Diagram Bobcat Broom Wiring Diagram Connect black and white wires. — the service manual has a wiring diagram, not sure it it gives much detail on the 7 pin connector or controller. develop, manufacture, distribute, and service bobcat products. original factory service repair manual for the bobcat front mount angle broom (fmab54, fmab70). order genuine manuals for loaders, excavators, tractors, attachments. Bobcat Broom Wiring Diagram.
From workshopfixcassettavb.z22.web.core.windows.net
Bobcat Sweeper Parts Diagram Bobcat Broom Wiring Diagram Connect black and white wires. develop, manufacture, distribute, and service bobcat products. efficiently sweep and clean with the hydraulically driven angle broom attachment. order genuine manuals for loaders, excavators, tractors, attachments and other equipment directly from bobcat. — i have a bobcat service manual with the wiring diagrams so i should be able to select the. Bobcat Broom Wiring Diagram.
From autoepcservice.com
Bobcat Angle Broom 48 68 84 Service Manual 6900895 01.2020 Bobcat Broom Wiring Diagram — i have a bobcat service manual with the wiring diagrams so i should be able to select the correct wiring to tee into. British standards institute (bsi) is the certified registrar bobcat. efficiently sweep and clean with the hydraulically driven angle broom attachment. — the service manual has a wiring diagram, not sure it it gives. Bobcat Broom Wiring Diagram.
From schematron.org
Bobcat 553 Wiring Diagram Pdf Bobcat Broom Wiring Diagram — i have a bobcat service manual with the wiring diagrams so i should be able to select the correct wiring to tee into. genuine bobcat angle broom operation and maintenance digital manual, 6900597enuspdf provides instructions. order genuine manuals for loaders, excavators, tractors, attachments and other equipment directly from bobcat. British standards institute (bsi) is the certified. Bobcat Broom Wiring Diagram.
From www.vrogue.co
Bobcat 763 Wiring Diagram Collection vrogue.co Bobcat Broom Wiring Diagram — i have a bobcat service manual with the wiring diagrams so i should be able to select the correct wiring to tee into. make sure the color wires from the female side match up with the color wires from the male side. develop, manufacture, distribute, and service bobcat products. genuine bobcat angle broom operation and. Bobcat Broom Wiring Diagram.
From paintive.blogspot.com
Paintive Bobcat Angle Broom Wiring Diagram Bobcat Broom Wiring Diagram efficiently sweep and clean with the hydraulically driven angle broom attachment. — the service manual has a wiring diagram, not sure it it gives much detail on the 7 pin connector or controller. British standards institute (bsi) is the certified registrar bobcat. — i have a bobcat service manual with the wiring diagrams so i should be. Bobcat Broom Wiring Diagram.
From bestlyz.blogspot.com
Bestly Bobcat Angle Broom Wiring Diagram Bobcat Broom Wiring Diagram British standards institute (bsi) is the certified registrar bobcat. — i have a bobcat service manual with the wiring diagrams so i should be able to select the correct wiring to tee into. develop, manufacture, distribute, and service bobcat products. original factory service repair manual for the bobcat front mount angle broom (fmab54, fmab70). order genuine. Bobcat Broom Wiring Diagram.
From electraschematics.com
The Complete Guide to Understanding Bobcat 863 Wiring Schematic Bobcat Broom Wiring Diagram British standards institute (bsi) is the certified registrar bobcat. make sure the color wires from the female side match up with the color wires from the male side. order genuine manuals for loaders, excavators, tractors, attachments and other equipment directly from bobcat. — i have a bobcat service manual with the wiring diagrams so i should be. Bobcat Broom Wiring Diagram.
From schematicerikin01.z4.web.core.windows.net
Wiring Diagram For Bobcat Bobcat Broom Wiring Diagram efficiently sweep and clean with the hydraulically driven angle broom attachment. develop, manufacture, distribute, and service bobcat products. — the service manual has a wiring diagram, not sure it it gives much detail on the 7 pin connector or controller. Connect black and white wires. original factory service repair manual for the bobcat front mount angle. Bobcat Broom Wiring Diagram.
From paintive.blogspot.com
Paintive Bobcat Angle Broom Wiring Diagram Bobcat Broom Wiring Diagram Connect black and white wires. develop, manufacture, distribute, and service bobcat products. original factory service repair manual for the bobcat front mount angle broom (fmab54, fmab70). — i have a bobcat service manual with the wiring diagrams so i should be able to select the correct wiring to tee into. efficiently sweep and clean with the. Bobcat Broom Wiring Diagram.
From paintive.blogspot.com
Paintive Bobcat Angle Broom Wiring Diagram Bobcat Broom Wiring Diagram British standards institute (bsi) is the certified registrar bobcat. genuine bobcat angle broom operation and maintenance digital manual, 6900597enuspdf provides instructions. original factory service repair manual for the bobcat front mount angle broom (fmab54, fmab70). order genuine manuals for loaders, excavators, tractors, attachments and other equipment directly from bobcat. — the service manual has a wiring. Bobcat Broom Wiring Diagram.
From paintive.blogspot.com
Paintive Bobcat Angle Broom Wiring Diagram Bobcat Broom Wiring Diagram make sure the color wires from the female side match up with the color wires from the male side. British standards institute (bsi) is the certified registrar bobcat. genuine bobcat angle broom operation and maintenance digital manual, 6900597enuspdf provides instructions. original factory service repair manual for the bobcat front mount angle broom (fmab54, fmab70). order genuine. Bobcat Broom Wiring Diagram.
From wiringdiagramstark99.z13.web.core.windows.net
643 bobcat wiring diagram Bobcat Broom Wiring Diagram develop, manufacture, distribute, and service bobcat products. Connect black and white wires. — i have a bobcat service manual with the wiring diagrams so i should be able to select the correct wiring to tee into. genuine bobcat angle broom operation and maintenance digital manual, 6900597enuspdf provides instructions. efficiently sweep and clean with the hydraulically driven. Bobcat Broom Wiring Diagram.
From paintive.blogspot.com
Paintive Bobcat Angle Broom Wiring Diagram Bobcat Broom Wiring Diagram order genuine manuals for loaders, excavators, tractors, attachments and other equipment directly from bobcat. make sure the color wires from the female side match up with the color wires from the male side. British standards institute (bsi) is the certified registrar bobcat. — i have a bobcat service manual with the wiring diagrams so i should be. Bobcat Broom Wiring Diagram.
From wiringschema.com
[DIAGRAM] Tick Diagram Broom Bobcat Broom Wiring Diagram British standards institute (bsi) is the certified registrar bobcat. order genuine manuals for loaders, excavators, tractors, attachments and other equipment directly from bobcat. — the service manual has a wiring diagram, not sure it it gives much detail on the 7 pin connector or controller. genuine bobcat angle broom operation and maintenance digital manual, 6900597enuspdf provides instructions.. Bobcat Broom Wiring Diagram.
From wiredataforgivennfreek3.z22.web.core.windows.net
Bobcat Mower Wiring Diagrams Bobcat Broom Wiring Diagram develop, manufacture, distribute, and service bobcat products. — i have a bobcat service manual with the wiring diagrams so i should be able to select the correct wiring to tee into. British standards institute (bsi) is the certified registrar bobcat. genuine bobcat angle broom operation and maintenance digital manual, 6900597enuspdf provides instructions. Connect black and white wires.. Bobcat Broom Wiring Diagram.
From paintive.blogspot.com
Paintive Bobcat Angle Broom Wiring Diagram Bobcat Broom Wiring Diagram efficiently sweep and clean with the hydraulically driven angle broom attachment. make sure the color wires from the female side match up with the color wires from the male side. British standards institute (bsi) is the certified registrar bobcat. develop, manufacture, distribute, and service bobcat products. original factory service repair manual for the bobcat front mount. Bobcat Broom Wiring Diagram.
From paintive.blogspot.com
Paintive Bobcat Angle Broom Wiring Diagram Bobcat Broom Wiring Diagram original factory service repair manual for the bobcat front mount angle broom (fmab54, fmab70). make sure the color wires from the female side match up with the color wires from the male side. Connect black and white wires. — i have a bobcat service manual with the wiring diagrams so i should be able to select the. Bobcat Broom Wiring Diagram.
From paintive.blogspot.com
Paintive Bobcat Angle Broom Wiring Diagram Bobcat Broom Wiring Diagram — the service manual has a wiring diagram, not sure it it gives much detail on the 7 pin connector or controller. develop, manufacture, distribute, and service bobcat products. order genuine manuals for loaders, excavators, tractors, attachments and other equipment directly from bobcat. make sure the color wires from the female side match up with the. Bobcat Broom Wiring Diagram.
From www.autorepairmanuals.ws
Bobcat Angle Broom 48 68 84 Service Manual 6900895 01.2020 Auto Bobcat Broom Wiring Diagram — i have a bobcat service manual with the wiring diagrams so i should be able to select the correct wiring to tee into. order genuine manuals for loaders, excavators, tractors, attachments and other equipment directly from bobcat. efficiently sweep and clean with the hydraulically driven angle broom attachment. Connect black and white wires. make sure. Bobcat Broom Wiring Diagram.
From bestlyz.blogspot.com
Bestly Bobcat Angle Broom Wiring Diagram Bobcat Broom Wiring Diagram British standards institute (bsi) is the certified registrar bobcat. order genuine manuals for loaders, excavators, tractors, attachments and other equipment directly from bobcat. — i have a bobcat service manual with the wiring diagrams so i should be able to select the correct wiring to tee into. make sure the color wires from the female side match. Bobcat Broom Wiring Diagram.
From diagramtabormanages.z21.web.core.windows.net
Bobcat 68 Angle Broom Parts Bobcat Broom Wiring Diagram genuine bobcat angle broom operation and maintenance digital manual, 6900597enuspdf provides instructions. order genuine manuals for loaders, excavators, tractors, attachments and other equipment directly from bobcat. Connect black and white wires. develop, manufacture, distribute, and service bobcat products. British standards institute (bsi) is the certified registrar bobcat. — the service manual has a wiring diagram, not. Bobcat Broom Wiring Diagram.
From newskln.blogspot.com
Bobcat Angle Broom Wiring Diagram NEWSKLN Bobcat Broom Wiring Diagram — the service manual has a wiring diagram, not sure it it gives much detail on the 7 pin connector or controller. Connect black and white wires. genuine bobcat angle broom operation and maintenance digital manual, 6900597enuspdf provides instructions. British standards institute (bsi) is the certified registrar bobcat. make sure the color wires from the female side. Bobcat Broom Wiring Diagram.
From diagramkolouchld.z21.web.core.windows.net
Bobcat 7 Pin Wiring Diagram Bobcat Broom Wiring Diagram original factory service repair manual for the bobcat front mount angle broom (fmab54, fmab70). order genuine manuals for loaders, excavators, tractors, attachments and other equipment directly from bobcat. — the service manual has a wiring diagram, not sure it it gives much detail on the 7 pin connector or controller. — i have a bobcat service. Bobcat Broom Wiring Diagram.
From wiringschema.com
[DIAGRAM] Wiring Diagram Bobcat Angle Broom Bobcat Broom Wiring Diagram — the service manual has a wiring diagram, not sure it it gives much detail on the 7 pin connector or controller. original factory service repair manual for the bobcat front mount angle broom (fmab54, fmab70). make sure the color wires from the female side match up with the color wires from the male side. genuine. Bobcat Broom Wiring Diagram.