Kawasaki H1 Oil Pump Rebuild . First off, i know darth (jim s.) has put up some pics of the h1 oil pump innards in a different thread. I just finished rebuilding the oil pump and oil lines with the new triple darth 4.7 psi check valve springs. On the bench the oil pump went. I have the newer style oil. I've got a oil leaking from the oil pump and despite cleaning the excess off with carb cleaner it very hard to see where it's leaking from. Finishing a rebuild/restore on a 73 kawasaki h1 and ran into oil pump problems. On the h1 and h2, it is usually the right cylinder that is affected. I have started to go through a. Started for first time last night and cannot get my oil.
from h1turbo.blogspot.com
On the bench the oil pump went. On the h1 and h2, it is usually the right cylinder that is affected. I have started to go through a. Finishing a rebuild/restore on a 73 kawasaki h1 and ran into oil pump problems. Started for first time last night and cannot get my oil. I've got a oil leaking from the oil pump and despite cleaning the excess off with carb cleaner it very hard to see where it's leaking from. I just finished rebuilding the oil pump and oil lines with the new triple darth 4.7 psi check valve springs. First off, i know darth (jim s.) has put up some pics of the h1 oil pump innards in a different thread. I have the newer style oil.
Kawasaki H1 Turbo Getting more done...
Kawasaki H1 Oil Pump Rebuild I just finished rebuilding the oil pump and oil lines with the new triple darth 4.7 psi check valve springs. I've got a oil leaking from the oil pump and despite cleaning the excess off with carb cleaner it very hard to see where it's leaking from. Started for first time last night and cannot get my oil. Finishing a rebuild/restore on a 73 kawasaki h1 and ran into oil pump problems. I have the newer style oil. On the bench the oil pump went. I have started to go through a. First off, i know darth (jim s.) has put up some pics of the h1 oil pump innards in a different thread. On the h1 and h2, it is usually the right cylinder that is affected. I just finished rebuilding the oil pump and oil lines with the new triple darth 4.7 psi check valve springs.
From www.cycledrag.com
Looking Inside a Kawasaki H1 500 Triple Engine Drag Bike News Kawasaki H1 Oil Pump Rebuild I've got a oil leaking from the oil pump and despite cleaning the excess off with carb cleaner it very hard to see where it's leaking from. Finishing a rebuild/restore on a 73 kawasaki h1 and ran into oil pump problems. First off, i know darth (jim s.) has put up some pics of the h1 oil pump innards in. Kawasaki H1 Oil Pump Rebuild.
From www.ebay.com
Kawasaki H1 Oil Injection Tank H1 196972 P/N 52001015 Used eBay Kawasaki H1 Oil Pump Rebuild Started for first time last night and cannot get my oil. On the h1 and h2, it is usually the right cylinder that is affected. I have the newer style oil. First off, i know darth (jim s.) has put up some pics of the h1 oil pump innards in a different thread. On the bench the oil pump went.. Kawasaki H1 Oil Pump Rebuild.
From www.ebay.com
KAWASAKI 500 TRIPLE OIL PUMP eBay Kawasaki H1 Oil Pump Rebuild First off, i know darth (jim s.) has put up some pics of the h1 oil pump innards in a different thread. On the h1 and h2, it is usually the right cylinder that is affected. Started for first time last night and cannot get my oil. I have started to go through a. I have the newer style oil.. Kawasaki H1 Oil Pump Rebuild.
From www.bikesrestored.com
Restored Kawasaki H1 500 1974 Photographs at Classic Bikes Restored Kawasaki H1 Oil Pump Rebuild I just finished rebuilding the oil pump and oil lines with the new triple darth 4.7 psi check valve springs. On the h1 and h2, it is usually the right cylinder that is affected. First off, i know darth (jim s.) has put up some pics of the h1 oil pump innards in a different thread. Finishing a rebuild/restore on. Kawasaki H1 Oil Pump Rebuild.
From www.ebay.co.uk
Kawasaki H1 Oil receiver Slinger crankshaft 13045010 (3 pcs) + screws Kawasaki H1 Oil Pump Rebuild I just finished rebuilding the oil pump and oil lines with the new triple darth 4.7 psi check valve springs. I have started to go through a. Started for first time last night and cannot get my oil. I've got a oil leaking from the oil pump and despite cleaning the excess off with carb cleaner it very hard to. Kawasaki H1 Oil Pump Rebuild.
From www.2040-parts.com
Sell KAWASAKI 1971 H1 500 ENGINE OIL INJECTION PUMP MACHIII 1971 in Kawasaki H1 Oil Pump Rebuild I just finished rebuilding the oil pump and oil lines with the new triple darth 4.7 psi check valve springs. I've got a oil leaking from the oil pump and despite cleaning the excess off with carb cleaner it very hard to see where it's leaking from. First off, i know darth (jim s.) has put up some pics of. Kawasaki H1 Oil Pump Rebuild.
From www.ricepaddy.com
KK0021 Kawasaki H1 H1 KH500 Carburetor Rebuild Kit 69 75 Kawasaki H1 Oil Pump Rebuild On the bench the oil pump went. I just finished rebuilding the oil pump and oil lines with the new triple darth 4.7 psi check valve springs. I have the newer style oil. I have started to go through a. Finishing a rebuild/restore on a 73 kawasaki h1 and ran into oil pump problems. On the h1 and h2, it. Kawasaki H1 Oil Pump Rebuild.
From www.ebay.com
Kawasaki H1 Oil Injection Tank H1 196972 P/N 52001015 Used eBay Kawasaki H1 Oil Pump Rebuild On the h1 and h2, it is usually the right cylinder that is affected. On the bench the oil pump went. Finishing a rebuild/restore on a 73 kawasaki h1 and ran into oil pump problems. I have started to go through a. I just finished rebuilding the oil pump and oil lines with the new triple darth 4.7 psi check. Kawasaki H1 Oil Pump Rebuild.
From www.ebay.com
1969 70 71 Kawasaki H1 Oil Pump Parts Lines Gaskets eBay Kawasaki H1 Oil Pump Rebuild I've got a oil leaking from the oil pump and despite cleaning the excess off with carb cleaner it very hard to see where it's leaking from. Finishing a rebuild/restore on a 73 kawasaki h1 and ran into oil pump problems. On the h1 and h2, it is usually the right cylinder that is affected. I have started to go. Kawasaki H1 Oil Pump Rebuild.
From www.ebay.com
KAWASAKI 500 TRIPLE OIL PUMP eBay Kawasaki H1 Oil Pump Rebuild First off, i know darth (jim s.) has put up some pics of the h1 oil pump innards in a different thread. Started for first time last night and cannot get my oil. I've got a oil leaking from the oil pump and despite cleaning the excess off with carb cleaner it very hard to see where it's leaking from.. Kawasaki H1 Oil Pump Rebuild.
From www.partzilla.com
Kawasaki Motorcycle 1994 OEM Parts Diagram for Oil Pump Oil Filter Kawasaki H1 Oil Pump Rebuild I just finished rebuilding the oil pump and oil lines with the new triple darth 4.7 psi check valve springs. Finishing a rebuild/restore on a 73 kawasaki h1 and ran into oil pump problems. First off, i know darth (jim s.) has put up some pics of the h1 oil pump innards in a different thread. Started for first time. Kawasaki H1 Oil Pump Rebuild.
From www.nlamarine.com
Kawasaki 160823723 Oil Pump Assembly 1999 1100 STX Only Jet Ski NLA Kawasaki H1 Oil Pump Rebuild I have started to go through a. I just finished rebuilding the oil pump and oil lines with the new triple darth 4.7 psi check valve springs. First off, i know darth (jim s.) has put up some pics of the h1 oil pump innards in a different thread. Started for first time last night and cannot get my oil.. Kawasaki H1 Oil Pump Rebuild.
From www.ebay.com
1969 70 71 Kawasaki H1 Oil Pump Parts Lines Gaskets eBay Kawasaki H1 Oil Pump Rebuild First off, i know darth (jim s.) has put up some pics of the h1 oil pump innards in a different thread. On the h1 and h2, it is usually the right cylinder that is affected. On the bench the oil pump went. I have started to go through a. Started for first time last night and cannot get my. Kawasaki H1 Oil Pump Rebuild.
From www.cmsnl.com
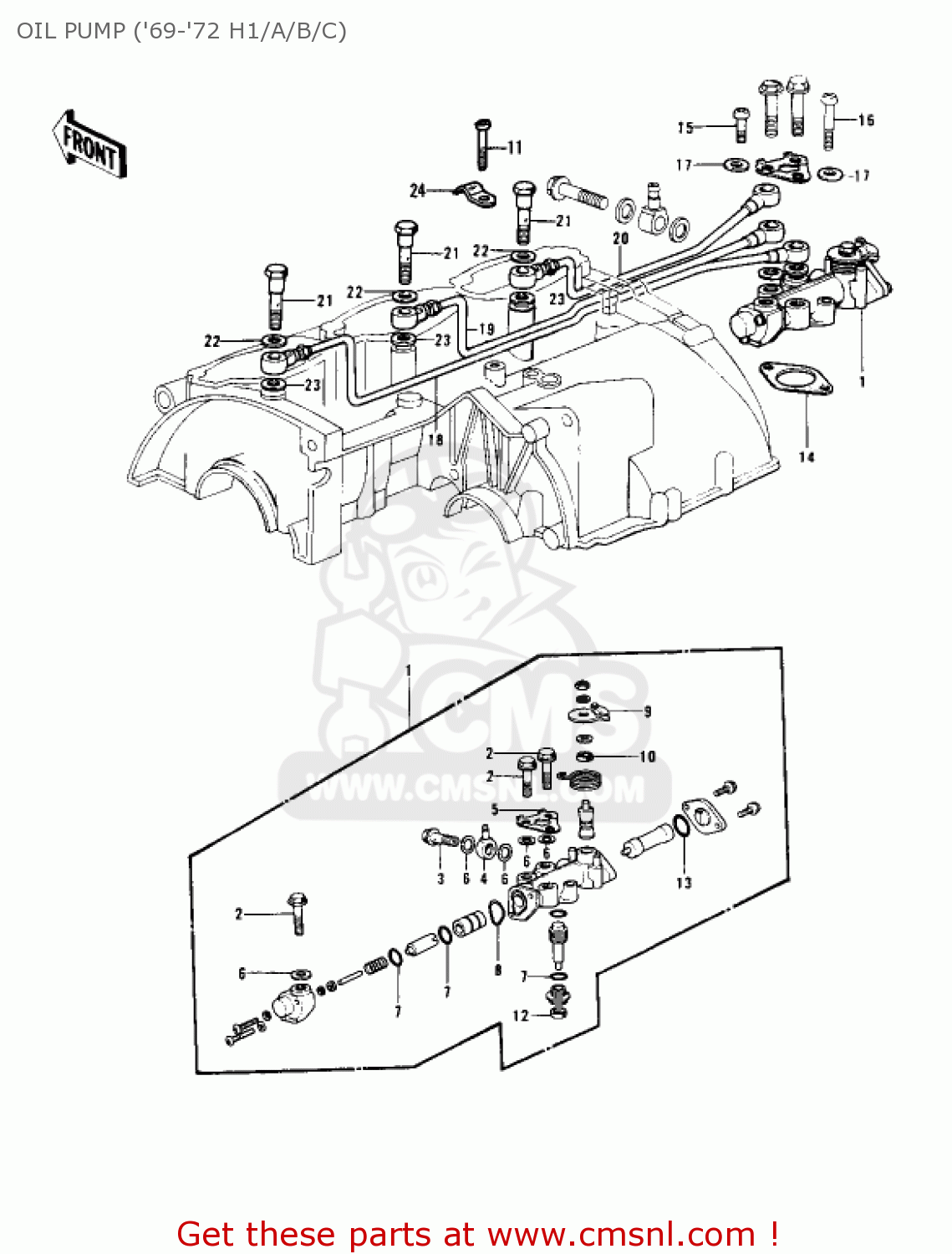
Kawasaki H1 1970 CANADA OIL PUMP ('69'72 H1/A/B/C) buy original OIL Kawasaki H1 Oil Pump Rebuild I've got a oil leaking from the oil pump and despite cleaning the excess off with carb cleaner it very hard to see where it's leaking from. I have started to go through a. Finishing a rebuild/restore on a 73 kawasaki h1 and ran into oil pump problems. First off, i know darth (jim s.) has put up some pics. Kawasaki H1 Oil Pump Rebuild.
From www.youtube.com
kawasaki h1 500 engine rebuild part 12+1 update YouTube Kawasaki H1 Oil Pump Rebuild I've got a oil leaking from the oil pump and despite cleaning the excess off with carb cleaner it very hard to see where it's leaking from. On the h1 and h2, it is usually the right cylinder that is affected. I have the newer style oil. I just finished rebuilding the oil pump and oil lines with the new. Kawasaki H1 Oil Pump Rebuild.
From www.ebay.com.au
Kawasaki H1 500 oil pump, with oil line banjo bolts eBay Kawasaki H1 Oil Pump Rebuild I have the newer style oil. On the h1 and h2, it is usually the right cylinder that is affected. On the bench the oil pump went. First off, i know darth (jim s.) has put up some pics of the h1 oil pump innards in a different thread. Started for first time last night and cannot get my oil.. Kawasaki H1 Oil Pump Rebuild.
From www.ebay.com.au
Kawasaki H1 500 oil pump, with oil line banjo bolts eBay Kawasaki H1 Oil Pump Rebuild I have the newer style oil. Started for first time last night and cannot get my oil. First off, i know darth (jim s.) has put up some pics of the h1 oil pump innards in a different thread. Finishing a rebuild/restore on a 73 kawasaki h1 and ran into oil pump problems. I've got a oil leaking from the. Kawasaki H1 Oil Pump Rebuild.
From www.ebay.com
1969 70 71 Kawasaki H1 Oil Pump Parts Lines Gaskets eBay Kawasaki H1 Oil Pump Rebuild I just finished rebuilding the oil pump and oil lines with the new triple darth 4.7 psi check valve springs. First off, i know darth (jim s.) has put up some pics of the h1 oil pump innards in a different thread. I've got a oil leaking from the oil pump and despite cleaning the excess off with carb cleaner. Kawasaki H1 Oil Pump Rebuild.
From www.2040-parts.com
Purchase 1971 Kawasaki H1 500 Oil Tank in Howell, Michigan, US, for US Kawasaki H1 Oil Pump Rebuild First off, i know darth (jim s.) has put up some pics of the h1 oil pump innards in a different thread. On the h1 and h2, it is usually the right cylinder that is affected. I have the newer style oil. I have started to go through a. Started for first time last night and cannot get my oil.. Kawasaki H1 Oil Pump Rebuild.
From www.ebay.com
1969 70 71 Kawasaki H1 Oil Pump Parts Lines Gaskets eBay Kawasaki H1 Oil Pump Rebuild On the bench the oil pump went. I have the newer style oil. First off, i know darth (jim s.) has put up some pics of the h1 oil pump innards in a different thread. Started for first time last night and cannot get my oil. I've got a oil leaking from the oil pump and despite cleaning the excess. Kawasaki H1 Oil Pump Rebuild.
From www.partzilla.com
Kawasaki Motorcycle 1981 OEM Parts Diagram for OIL PUMP/OIL FILTER ('80 Kawasaki H1 Oil Pump Rebuild I have started to go through a. I have the newer style oil. I've got a oil leaking from the oil pump and despite cleaning the excess off with carb cleaner it very hard to see where it's leaking from. Finishing a rebuild/restore on a 73 kawasaki h1 and ran into oil pump problems. On the bench the oil pump. Kawasaki H1 Oil Pump Rebuild.
From www.ebay.com
OEM Kawasaki H1 oil pump cover 1403003680 H1 500 blems 197275 Mach Kawasaki H1 Oil Pump Rebuild I just finished rebuilding the oil pump and oil lines with the new triple darth 4.7 psi check valve springs. Finishing a rebuild/restore on a 73 kawasaki h1 and ran into oil pump problems. On the h1 and h2, it is usually the right cylinder that is affected. Started for first time last night and cannot get my oil. I. Kawasaki H1 Oil Pump Rebuild.
From www.2040-parts.com
Sell KAWASAKI 1971 H1 500 ENGINE OIL INJECTION PUMP MACHIII 1971 in Kawasaki H1 Oil Pump Rebuild On the bench the oil pump went. First off, i know darth (jim s.) has put up some pics of the h1 oil pump innards in a different thread. I have started to go through a. I have the newer style oil. On the h1 and h2, it is usually the right cylinder that is affected. Finishing a rebuild/restore on. Kawasaki H1 Oil Pump Rebuild.
From www.ajsp.com.au
SBT Kawasaki Oil Pump Rebuild Kit STX 12F /STX 15F / Ultra Australian Kawasaki H1 Oil Pump Rebuild First off, i know darth (jim s.) has put up some pics of the h1 oil pump innards in a different thread. Finishing a rebuild/restore on a 73 kawasaki h1 and ran into oil pump problems. I've got a oil leaking from the oil pump and despite cleaning the excess off with carb cleaner it very hard to see where. Kawasaki H1 Oil Pump Rebuild.
From www.youtube.com
kawasaki h1 500 engine rebuild part 17 YouTube Kawasaki H1 Oil Pump Rebuild I have started to go through a. Started for first time last night and cannot get my oil. I've got a oil leaking from the oil pump and despite cleaning the excess off with carb cleaner it very hard to see where it's leaking from. On the h1 and h2, it is usually the right cylinder that is affected. I. Kawasaki H1 Oil Pump Rebuild.
From www.ebay.com
KAWASAKI 500 TRIPLE OIL PUMP eBay Kawasaki H1 Oil Pump Rebuild I've got a oil leaking from the oil pump and despite cleaning the excess off with carb cleaner it very hard to see where it's leaking from. I have started to go through a. On the h1 and h2, it is usually the right cylinder that is affected. Finishing a rebuild/restore on a 73 kawasaki h1 and ran into oil. Kawasaki H1 Oil Pump Rebuild.
From www.2040-parts.com
Purchase kawasaki h1 engine rightside clutch cover w/ oil pump and tach Kawasaki H1 Oil Pump Rebuild I've got a oil leaking from the oil pump and despite cleaning the excess off with carb cleaner it very hard to see where it's leaking from. Started for first time last night and cannot get my oil. First off, i know darth (jim s.) has put up some pics of the h1 oil pump innards in a different thread.. Kawasaki H1 Oil Pump Rebuild.
From www.cycledrag.com
Looking Inside a Kawasaki H1 500 Triple Engine Drag Bike News Kawasaki H1 Oil Pump Rebuild On the bench the oil pump went. Finishing a rebuild/restore on a 73 kawasaki h1 and ran into oil pump problems. On the h1 and h2, it is usually the right cylinder that is affected. I just finished rebuilding the oil pump and oil lines with the new triple darth 4.7 psi check valve springs. First off, i know darth. Kawasaki H1 Oil Pump Rebuild.
From parceiraoatacadista.com.br
Wholesale Online New Nos Kawasaki oil pump seal SET OF 2 1974 1975 kv75 Kawasaki H1 Oil Pump Rebuild On the h1 and h2, it is usually the right cylinder that is affected. First off, i know darth (jim s.) has put up some pics of the h1 oil pump innards in a different thread. I just finished rebuilding the oil pump and oil lines with the new triple darth 4.7 psi check valve springs. I have the newer. Kawasaki H1 Oil Pump Rebuild.
From www.justpanhead.com
Replica Oil Pump Rebuild Kit Kawasaki H1 Oil Pump Rebuild I just finished rebuilding the oil pump and oil lines with the new triple darth 4.7 psi check valve springs. I have the newer style oil. On the bench the oil pump went. Finishing a rebuild/restore on a 73 kawasaki h1 and ran into oil pump problems. Started for first time last night and cannot get my oil. I have. Kawasaki H1 Oil Pump Rebuild.
From h1turbo.blogspot.com
Kawasaki H1 Turbo Getting more done... Kawasaki H1 Oil Pump Rebuild I have the newer style oil. I have started to go through a. Started for first time last night and cannot get my oil. First off, i know darth (jim s.) has put up some pics of the h1 oil pump innards in a different thread. On the bench the oil pump went. On the h1 and h2, it is. Kawasaki H1 Oil Pump Rebuild.
From www.ebay.com
1969 70 71 Kawasaki H1 Oil Pump Parts Lines Gaskets eBay Kawasaki H1 Oil Pump Rebuild Finishing a rebuild/restore on a 73 kawasaki h1 and ran into oil pump problems. I have the newer style oil. On the bench the oil pump went. First off, i know darth (jim s.) has put up some pics of the h1 oil pump innards in a different thread. I have started to go through a. On the h1 and. Kawasaki H1 Oil Pump Rebuild.
From www.ebay.com
KAWASAKI 500 TRIPLE OIL PUMP eBay Kawasaki H1 Oil Pump Rebuild I just finished rebuilding the oil pump and oil lines with the new triple darth 4.7 psi check valve springs. Finishing a rebuild/restore on a 73 kawasaki h1 and ran into oil pump problems. I have started to go through a. On the bench the oil pump went. I've got a oil leaking from the oil pump and despite cleaning. Kawasaki H1 Oil Pump Rebuild.
From www.sekaimon.com
Kawasaki H1 500 Oil Pump Assembly Oil Line Assemblies Oil Tube Oil Kawasaki H1 Oil Pump Rebuild First off, i know darth (jim s.) has put up some pics of the h1 oil pump innards in a different thread. On the h1 and h2, it is usually the right cylinder that is affected. Started for first time last night and cannot get my oil. I have the newer style oil. I've got a oil leaking from the. Kawasaki H1 Oil Pump Rebuild.
From www.sekaimon.com
kawasaki triple h2 h2a h1 8 new oil pump sealing washers stops bubbles Kawasaki H1 Oil Pump Rebuild Started for first time last night and cannot get my oil. Finishing a rebuild/restore on a 73 kawasaki h1 and ran into oil pump problems. I have the newer style oil. I have started to go through a. I just finished rebuilding the oil pump and oil lines with the new triple darth 4.7 psi check valve springs. On the. Kawasaki H1 Oil Pump Rebuild.