John Deere Code Pcu 20 . pressing the code button on the side console will display code ecu 034 or ecu 041 or pcu 040. complete diagnosis & tests technical manual with electrical wiring diagrams for john deere 2wd or mfwd tractors 8100,. When either a service alert or information indicator is displayed it is suggested the tractor be. If park seems to hold ok (park it. Looking at a tractor for a neighbor and the issue is it locks into park and throws a pcu 24 code. jd 9520 pcu code. i have a john deere 8400t ag tractor that has the following default codes showing: Does not operate properly until oil has heated up codes 12,. Code 11 transmission oil too cold. see your john deere dealer. pcu 24 is stored when the tractor is in park and tractor motion is detected. Fuel flow signal from ecu missing (warning) have your john deere dealer repair as.
from obsessedlawn.com
If park seems to hold ok (park it. pcu 24 is stored when the tractor is in park and tractor motion is detected. When either a service alert or information indicator is displayed it is suggested the tractor be. see your john deere dealer. Does not operate properly until oil has heated up codes 12,. Code 11 transmission oil too cold. i have a john deere 8400t ag tractor that has the following default codes showing: Looking at a tractor for a neighbor and the issue is it locks into park and throws a pcu 24 code. Fuel flow signal from ecu missing (warning) have your john deere dealer repair as. jd 9520 pcu code.
John Deere Fault Codes What They Mean And How To Fix Them Obsessed Lawn
John Deere Code Pcu 20 jd 9520 pcu code. jd 9520 pcu code. Code 11 transmission oil too cold. pcu 24 is stored when the tractor is in park and tractor motion is detected. If park seems to hold ok (park it. Does not operate properly until oil has heated up codes 12,. When either a service alert or information indicator is displayed it is suggested the tractor be. complete diagnosis & tests technical manual with electrical wiring diagrams for john deere 2wd or mfwd tractors 8100,. see your john deere dealer. Fuel flow signal from ecu missing (warning) have your john deere dealer repair as. i have a john deere 8400t ag tractor that has the following default codes showing: Looking at a tractor for a neighbor and the issue is it locks into park and throws a pcu 24 code. pressing the code button on the side console will display code ecu 034 or ecu 041 or pcu 040.
From changecominon.blogspot.com
John Deere Serial Number Lookup change comin John Deere Code Pcu 20 Fuel flow signal from ecu missing (warning) have your john deere dealer repair as. Does not operate properly until oil has heated up codes 12,. If park seems to hold ok (park it. i have a john deere 8400t ag tractor that has the following default codes showing: complete diagnosis & tests technical manual with electrical wiring diagrams. John Deere Code Pcu 20.
From yardfloor.com
Understanding John Deere Codes and Their Meaning John Deere Code Pcu 20 complete diagnosis & tests technical manual with electrical wiring diagrams for john deere 2wd or mfwd tractors 8100,. Looking at a tractor for a neighbor and the issue is it locks into park and throws a pcu 24 code. Fuel flow signal from ecu missing (warning) have your john deere dealer repair as. When either a service alert or. John Deere Code Pcu 20.
From www.scribd.com
PCU Diagnostic Code Numbers (20,000—) tm1576 __ Service ADVISOR™ PDF John Deere Code Pcu 20 Looking at a tractor for a neighbor and the issue is it locks into park and throws a pcu 24 code. complete diagnosis & tests technical manual with electrical wiring diagrams for john deere 2wd or mfwd tractors 8100,. If park seems to hold ok (park it. Does not operate properly until oil has heated up codes 12,. . John Deere Code Pcu 20.
From resolutionsforyou.com
How to Properly Wire a John Deere Ignition Switch A StepbyStep Guide John Deere Code Pcu 20 When either a service alert or information indicator is displayed it is suggested the tractor be. Does not operate properly until oil has heated up codes 12,. complete diagnosis & tests technical manual with electrical wiring diagrams for john deere 2wd or mfwd tractors 8100,. Fuel flow signal from ecu missing (warning) have your john deere dealer repair as.. John Deere Code Pcu 20.
From lightningmagneto.com
John Deere Serial Numbers John Deere Code Pcu 20 jd 9520 pcu code. When either a service alert or information indicator is displayed it is suggested the tractor be. Fuel flow signal from ecu missing (warning) have your john deere dealer repair as. see your john deere dealer. If park seems to hold ok (park it. i have a john deere 8400t ag tractor that has. John Deere Code Pcu 20.
From www.bootheeltractorparts.com
John Deere 8400 Vehicle Controller, CCU/PCU John Deere Code Pcu 20 If park seems to hold ok (park it. pressing the code button on the side console will display code ecu 034 or ecu 041 or pcu 040. Fuel flow signal from ecu missing (warning) have your john deere dealer repair as. pcu 24 is stored when the tractor is in park and tractor motion is detected. When either. John Deere Code Pcu 20.
From gbu-presnenskij.ru
Pcu 18 John Deere Compare Price gbupresnenskij.ru John Deere Code Pcu 20 complete diagnosis & tests technical manual with electrical wiring diagrams for john deere 2wd or mfwd tractors 8100,. Fuel flow signal from ecu missing (warning) have your john deere dealer repair as. Does not operate properly until oil has heated up codes 12,. see your john deere dealer. pcu 24 is stored when the tractor is in. John Deere Code Pcu 20.
From www.wholefleet.ca
How to Read John Deere Fault Codes — WholeFleet Diagnostics John Deere Code Pcu 20 see your john deere dealer. Does not operate properly until oil has heated up codes 12,. Code 11 transmission oil too cold. i have a john deere 8400t ag tractor that has the following default codes showing: jd 9520 pcu code. pcu 24 is stored when the tractor is in park and tractor motion is detected.. John Deere Code Pcu 20.
From best-manuals.com
John Deere 18 Speed PST with PCU Controller transmissions pdf diagnosis John Deere Code Pcu 20 complete diagnosis & tests technical manual with electrical wiring diagrams for john deere 2wd or mfwd tractors 8100,. i have a john deere 8400t ag tractor that has the following default codes showing: pcu 24 is stored when the tractor is in park and tractor motion is detected. see your john deere dealer. Looking at a. John Deere Code Pcu 20.
From www.autorepairmanuals.ws
[TM1576] John Deere 8100 8200 8300 8400 Tractor Diagnosis Test Service John Deere Code Pcu 20 If park seems to hold ok (park it. Code 11 transmission oil too cold. Looking at a tractor for a neighbor and the issue is it locks into park and throws a pcu 24 code. When either a service alert or information indicator is displayed it is suggested the tractor be. pcu 24 is stored when the tractor is. John Deere Code Pcu 20.
From www.bootheeltractorparts.com
John Deere 8400 Vehicle Controller, CCU/PCU John Deere Code Pcu 20 complete diagnosis & tests technical manual with electrical wiring diagrams for john deere 2wd or mfwd tractors 8100,. pcu 24 is stored when the tractor is in park and tractor motion is detected. Does not operate properly until oil has heated up codes 12,. Code 11 transmission oil too cold. jd 9520 pcu code. Looking at a. John Deere Code Pcu 20.
From www.justanswer.com
John Deere 8420 Specs Q&A on Parking Brake, PCU Codes & Parts JustAnswer John Deere Code Pcu 20 complete diagnosis & tests technical manual with electrical wiring diagrams for john deere 2wd or mfwd tractors 8100,. pressing the code button on the side console will display code ecu 034 or ecu 041 or pcu 040. Fuel flow signal from ecu missing (warning) have your john deere dealer repair as. Does not operate properly until oil has. John Deere Code Pcu 20.
From dashboardwarning.com
John Deere Indicator Warning Lights Codes and Means [ALL] John Deere Code Pcu 20 complete diagnosis & tests technical manual with electrical wiring diagrams for john deere 2wd or mfwd tractors 8100,. If park seems to hold ok (park it. Code 11 transmission oil too cold. pcu 24 is stored when the tractor is in park and tractor motion is detected. Looking at a tractor for a neighbor and the issue is. John Deere Code Pcu 20.
From agrodesguaces.com
≫ Centralita Transmisión Usada PCU John Deere John Deere Code Pcu 20 If park seems to hold ok (park it. pcu 24 is stored when the tractor is in park and tractor motion is detected. pressing the code button on the side console will display code ecu 034 or ecu 041 or pcu 040. jd 9520 pcu code. When either a service alert or information indicator is displayed it. John Deere Code Pcu 20.
From www.justanswer.com
John Deere 8320 PCU Codes Q&A on Parts, PCU 16, 14, John Deere Code Pcu 20 pressing the code button on the side console will display code ecu 034 or ecu 041 or pcu 040. complete diagnosis & tests technical manual with electrical wiring diagrams for john deere 2wd or mfwd tractors 8100,. Code 11 transmission oil too cold. Fuel flow signal from ecu missing (warning) have your john deere dealer repair as. If. John Deere Code Pcu 20.
From www.bootheeltractorparts.com
John Deere 8400 Vehicle Controller, CCU/PCU John Deere Code Pcu 20 Looking at a tractor for a neighbor and the issue is it locks into park and throws a pcu 24 code. pressing the code button on the side console will display code ecu 034 or ecu 041 or pcu 040. When either a service alert or information indicator is displayed it is suggested the tractor be. see your. John Deere Code Pcu 20.
From www.justanswer.com
John Deere PCU Codes Q&A for 8300 & 8400 Tractors JustAnswer John Deere Code Pcu 20 Looking at a tractor for a neighbor and the issue is it locks into park and throws a pcu 24 code. Does not operate properly until oil has heated up codes 12,. see your john deere dealer. pcu 24 is stored when the tractor is in park and tractor motion is detected. Fuel flow signal from ecu missing. John Deere Code Pcu 20.
From yardandgardenguru.com
John Deere Fault Codes List John Deere Code Pcu 20 Does not operate properly until oil has heated up codes 12,. Fuel flow signal from ecu missing (warning) have your john deere dealer repair as. If park seems to hold ok (park it. Looking at a tractor for a neighbor and the issue is it locks into park and throws a pcu 24 code. pcu 24 is stored when. John Deere Code Pcu 20.
From www.epcatalogs.com
John Deere 8110 8210 8310 8410 Tractors Diagnostic TM1796 John Deere Code Pcu 20 jd 9520 pcu code. pressing the code button on the side console will display code ecu 034 or ecu 041 or pcu 040. i have a john deere 8400t ag tractor that has the following default codes showing: see your john deere dealer. Does not operate properly until oil has heated up codes 12,. If park. John Deere Code Pcu 20.
From gbu-presnenskij.ru
Pcu 18 John Deere Compare Price gbupresnenskij.ru John Deere Code Pcu 20 pcu 24 is stored when the tractor is in park and tractor motion is detected. Fuel flow signal from ecu missing (warning) have your john deere dealer repair as. pressing the code button on the side console will display code ecu 034 or ecu 041 or pcu 040. Does not operate properly until oil has heated up codes. John Deere Code Pcu 20.
From www.bootheeltractorparts.com
John Deere 8400 Vehicle Controller, CCU/PCU John Deere Code Pcu 20 see your john deere dealer. complete diagnosis & tests technical manual with electrical wiring diagrams for john deere 2wd or mfwd tractors 8100,. When either a service alert or information indicator is displayed it is suggested the tractor be. pcu 24 is stored when the tractor is in park and tractor motion is detected. Fuel flow signal. John Deere Code Pcu 20.
From www.theyouthfarm.org
John Deere Fault Codes List Everything You Need To Know John Deere Code Pcu 20 see your john deere dealer. When either a service alert or information indicator is displayed it is suggested the tractor be. Looking at a tractor for a neighbor and the issue is it locks into park and throws a pcu 24 code. pcu 24 is stored when the tractor is in park and tractor motion is detected. Does. John Deere Code Pcu 20.
From agrodesguaces.com
≫ Centralita Transmisión Usada PCU John Deere John Deere Code Pcu 20 jd 9520 pcu code. pcu 24 is stored when the tractor is in park and tractor motion is detected. When either a service alert or information indicator is displayed it is suggested the tractor be. complete diagnosis & tests technical manual with electrical wiring diagrams for john deere 2wd or mfwd tractors 8100,. Fuel flow signal from. John Deere Code Pcu 20.
From old.gips-guwahati.ac.in
Pcu John Deere Shop Stock old.gipsguwahati.ac.in John Deere Code Pcu 20 Looking at a tractor for a neighbor and the issue is it locks into park and throws a pcu 24 code. When either a service alert or information indicator is displayed it is suggested the tractor be. pcu 24 is stored when the tractor is in park and tractor motion is detected. Does not operate properly until oil has. John Deere Code Pcu 20.
From obsessedlawn.com
John Deere Fault Codes What They Mean And How To Fix Them Obsessed Lawn John Deere Code Pcu 20 Looking at a tractor for a neighbor and the issue is it locks into park and throws a pcu 24 code. see your john deere dealer. Fuel flow signal from ecu missing (warning) have your john deere dealer repair as. When either a service alert or information indicator is displayed it is suggested the tractor be. pressing the. John Deere Code Pcu 20.
From www.justanswer.com
Deere 8320 tractor with code PCU 27 and trans & exclamation flashing. I John Deere Code Pcu 20 Looking at a tractor for a neighbor and the issue is it locks into park and throws a pcu 24 code. pcu 24 is stored when the tractor is in park and tractor motion is detected. see your john deere dealer. Does not operate properly until oil has heated up codes 12,. Code 11 transmission oil too cold.. John Deere Code Pcu 20.
From www.epcatalogs.com
John Deere 8110 8210 8310 8410 Tractors Diagnostic TM1796 John Deere Code Pcu 20 Fuel flow signal from ecu missing (warning) have your john deere dealer repair as. i have a john deere 8400t ag tractor that has the following default codes showing: Code 11 transmission oil too cold. jd 9520 pcu code. complete diagnosis & tests technical manual with electrical wiring diagrams for john deere 2wd or mfwd tractors 8100,.. John Deere Code Pcu 20.
From www.hankkija.fi
Ohjainyksikkö PCU, RE170317 John Deere traktorit hankkija.fi John Deere Code Pcu 20 i have a john deere 8400t ag tractor that has the following default codes showing: Looking at a tractor for a neighbor and the issue is it locks into park and throws a pcu 24 code. pressing the code button on the side console will display code ecu 034 or ecu 041 or pcu 040. Fuel flow signal. John Deere Code Pcu 20.
From www.bootheeltractorparts.com
John Deere 8400 Vehicle Controller, CCU/PCU John Deere Code Pcu 20 If park seems to hold ok (park it. pcu 24 is stored when the tractor is in park and tractor motion is detected. see your john deere dealer. jd 9520 pcu code. Code 11 transmission oil too cold. complete diagnosis & tests technical manual with electrical wiring diagrams for john deere 2wd or mfwd tractors 8100,.. John Deere Code Pcu 20.
From nursegoodsite467.weebly.com
John Deere Serial Number Lookup nursegoodsite John Deere Code Pcu 20 When either a service alert or information indicator is displayed it is suggested the tractor be. pressing the code button on the side console will display code ecu 034 or ecu 041 or pcu 040. Looking at a tractor for a neighbor and the issue is it locks into park and throws a pcu 24 code. Fuel flow signal. John Deere Code Pcu 20.
From www.scribd.com
John Deere Diagnostic Trouble Codes On Basic Informator (BIF) PDF John Deere Code Pcu 20 jd 9520 pcu code. Does not operate properly until oil has heated up codes 12,. i have a john deere 8400t ag tractor that has the following default codes showing: see your john deere dealer. complete diagnosis & tests technical manual with electrical wiring diagrams for john deere 2wd or mfwd tractors 8100,. When either a. John Deere Code Pcu 20.
From crackom.weebly.com
John Deere 13 Digit Serial Number Decoder crackom John Deere Code Pcu 20 Code 11 transmission oil too cold. Looking at a tractor for a neighbor and the issue is it locks into park and throws a pcu 24 code. complete diagnosis & tests technical manual with electrical wiring diagrams for john deere 2wd or mfwd tractors 8100,. Does not operate properly until oil has heated up codes 12,. jd 9520. John Deere Code Pcu 20.
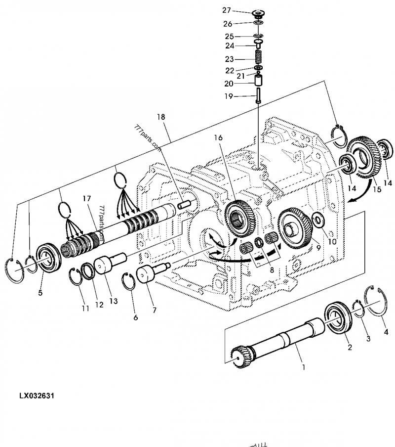
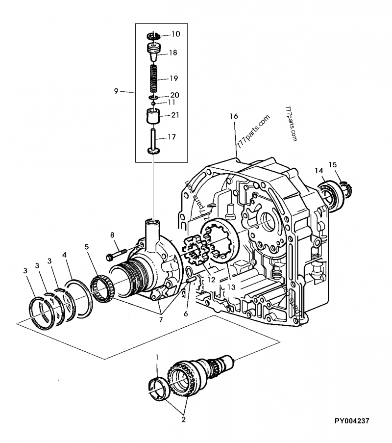
From 777parts.net
Controllers (HCU/SCU, CCU/PCU, ECU, SCO) TRACTOR John Deere 8210T John Deere Code Pcu 20 Does not operate properly until oil has heated up codes 12,. complete diagnosis & tests technical manual with electrical wiring diagrams for john deere 2wd or mfwd tractors 8100,. Code 11 transmission oil too cold. jd 9520 pcu code. If park seems to hold ok (park it. pcu 24 is stored when the tractor is in park. John Deere Code Pcu 20.
From chaumasses.com
John Deere Indicator Warning Lights Codes and Means (2023) John Deere Code Pcu 20 If park seems to hold ok (park it. jd 9520 pcu code. Does not operate properly until oil has heated up codes 12,. Code 11 transmission oil too cold. Looking at a tractor for a neighbor and the issue is it locks into park and throws a pcu 24 code. When either a service alert or information indicator is. John Deere Code Pcu 20.
From gardenaider.com
John Deere Fault Code List (Meaning and How to Fix Them) John Deere Code Pcu 20 jd 9520 pcu code. complete diagnosis & tests technical manual with electrical wiring diagrams for john deere 2wd or mfwd tractors 8100,. see your john deere dealer. pressing the code button on the side console will display code ecu 034 or ecu 041 or pcu 040. When either a service alert or information indicator is displayed. John Deere Code Pcu 20.