Relay Shield Board . The relay shield features four high quality relays and provides no/nc interfaces, four dynamic led indicators to show the on/off. The arduino 4 relays shield allows your arduino to control high power loads with four relays and leds. 3a(250vac/30vdc), max:750va/90w 7 configurable io, default: See the pinout, wiring diagram, and arduino code examples for relay shield. The arduino 4 relays shield is a solution for driving high power loads that cannot be controlled by arduino's digital ios, due to the current and. The relay shield features four high quality relays and provides no/nc interfaces, four dynamic led indicators to show the on/off. Learn how to use the shield, download.
from www.desertcart.ae
The relay shield features four high quality relays and provides no/nc interfaces, four dynamic led indicators to show the on/off. Learn how to use the shield, download. The arduino 4 relays shield is a solution for driving high power loads that cannot be controlled by arduino's digital ios, due to the current and. The relay shield features four high quality relays and provides no/nc interfaces, four dynamic led indicators to show the on/off. See the pinout, wiring diagram, and arduino code examples for relay shield. 3a(250vac/30vdc), max:750va/90w 7 configurable io, default: The arduino 4 relays shield allows your arduino to control high power loads with four relays and leds.
AZDelivery 2 Channel Relay Module DC 5V with Optocoupler LowLevel
Relay Shield Board The relay shield features four high quality relays and provides no/nc interfaces, four dynamic led indicators to show the on/off. The arduino 4 relays shield allows your arduino to control high power loads with four relays and leds. See the pinout, wiring diagram, and arduino code examples for relay shield. Learn how to use the shield, download. 3a(250vac/30vdc), max:750va/90w 7 configurable io, default: The relay shield features four high quality relays and provides no/nc interfaces, four dynamic led indicators to show the on/off. The relay shield features four high quality relays and provides no/nc interfaces, four dynamic led indicators to show the on/off. The arduino 4 relays shield is a solution for driving high power loads that cannot be controlled by arduino's digital ios, due to the current and.
From www.banggood.com
5v 4ch 4 channel relay shield extended relay module geekcreit for Relay Shield Board The arduino 4 relays shield allows your arduino to control high power loads with four relays and leds. The arduino 4 relays shield is a solution for driving high power loads that cannot be controlled by arduino's digital ios, due to the current and. 3a(250vac/30vdc), max:750va/90w 7 configurable io, default: The relay shield features four high quality relays and provides. Relay Shield Board.
From www.aliexpress.com
four ways 5 v relay expansion board Relay Shield V1.3(H6A4)shield Relay Shield Board Learn how to use the shield, download. 3a(250vac/30vdc), max:750va/90w 7 configurable io, default: The relay shield features four high quality relays and provides no/nc interfaces, four dynamic led indicators to show the on/off. The arduino 4 relays shield allows your arduino to control high power loads with four relays and leds. The arduino 4 relays shield is a solution for. Relay Shield Board.
From prakasit0.blogspot.com
PrakasiT Relay Shield Board See the pinout, wiring diagram, and arduino code examples for relay shield. The arduino 4 relays shield is a solution for driving high power loads that cannot be controlled by arduino's digital ios, due to the current and. 3a(250vac/30vdc), max:750va/90w 7 configurable io, default: The relay shield features four high quality relays and provides no/nc interfaces, four dynamic led indicators. Relay Shield Board.
From www.ebay.co.uk
5V 1/2/4/8 Channel Relay Board Module for Arduino Raspberry Pi ARM AVR Relay Shield Board 3a(250vac/30vdc), max:750va/90w 7 configurable io, default: The relay shield features four high quality relays and provides no/nc interfaces, four dynamic led indicators to show the on/off. The arduino 4 relays shield allows your arduino to control high power loads with four relays and leds. The relay shield features four high quality relays and provides no/nc interfaces, four dynamic led indicators. Relay Shield Board.
From www.desertcart.ae
AZDelivery 2 Channel Relay Module DC 5V with Optocoupler LowLevel Relay Shield Board 3a(250vac/30vdc), max:750va/90w 7 configurable io, default: Learn how to use the shield, download. The relay shield features four high quality relays and provides no/nc interfaces, four dynamic led indicators to show the on/off. The arduino 4 relays shield is a solution for driving high power loads that cannot be controlled by arduino's digital ios, due to the current and. The. Relay Shield Board.
From www.desertcart.in
Buy 5V Relay Module 1 Channel Relay Switch Microcontroller Relay Board Relay Shield Board 3a(250vac/30vdc), max:750va/90w 7 configurable io, default: Learn how to use the shield, download. The relay shield features four high quality relays and provides no/nc interfaces, four dynamic led indicators to show the on/off. The arduino 4 relays shield allows your arduino to control high power loads with four relays and leds. See the pinout, wiring diagram, and arduino code examples. Relay Shield Board.
From picclick.fr
RELAY SHIELD FOR Arduino WeMos D1 V2 Mini ESP8266 Development Board EUR Relay Shield Board The arduino 4 relays shield is a solution for driving high power loads that cannot be controlled by arduino's digital ios, due to the current and. 3a(250vac/30vdc), max:750va/90w 7 configurable io, default: Learn how to use the shield, download. The relay shield features four high quality relays and provides no/nc interfaces, four dynamic led indicators to show the on/off. See. Relay Shield Board.
From arduinolearning.com
5 Volt 4 Channel Arduino Relay Module example Arduino Learning Relay Shield Board The arduino 4 relays shield allows your arduino to control high power loads with four relays and leds. The arduino 4 relays shield is a solution for driving high power loads that cannot be controlled by arduino's digital ios, due to the current and. The relay shield features four high quality relays and provides no/nc interfaces, four dynamic led indicators. Relay Shield Board.
From www.aliexpress.com
1 Channel for WeMos D1 Mini Relay Shield 5V Relay Module ESP8266 Relay Shield Board The relay shield features four high quality relays and provides no/nc interfaces, four dynamic led indicators to show the on/off. Learn how to use the shield, download. See the pinout, wiring diagram, and arduino code examples for relay shield. The arduino 4 relays shield is a solution for driving high power loads that cannot be controlled by arduino's digital ios,. Relay Shield Board.
From www.bobshop.co.za
Other Parts & Accessories DC 5V 4Channel Relay Board Module Relay Shield Board 3a(250vac/30vdc), max:750va/90w 7 configurable io, default: Learn how to use the shield, download. See the pinout, wiring diagram, and arduino code examples for relay shield. The arduino 4 relays shield is a solution for driving high power loads that cannot be controlled by arduino's digital ios, due to the current and. The relay shield features four high quality relays and. Relay Shield Board.
From www.alibaba.com
4 Channel 5v Relay Module With Optocoupler Relay Output 4 Way Relay Relay Shield Board 3a(250vac/30vdc), max:750va/90w 7 configurable io, default: Learn how to use the shield, download. See the pinout, wiring diagram, and arduino code examples for relay shield. The relay shield features four high quality relays and provides no/nc interfaces, four dynamic led indicators to show the on/off. The arduino 4 relays shield allows your arduino to control high power loads with four. Relay Shield Board.
From www.ubuy.co.in
Buy 12Pcs 5V Relay Module 1 Channel D1 Mini Relay Shield Relay Hight Relay Shield Board The relay shield features four high quality relays and provides no/nc interfaces, four dynamic led indicators to show the on/off. The arduino 4 relays shield is a solution for driving high power loads that cannot be controlled by arduino's digital ios, due to the current and. The arduino 4 relays shield allows your arduino to control high power loads with. Relay Shield Board.
From www.desertcart.com.om
Buy AZDelivery 2 Channel Relay Module DC 5V with Optocoupler LowLevel Relay Shield Board The arduino 4 relays shield allows your arduino to control high power loads with four relays and leds. The arduino 4 relays shield is a solution for driving high power loads that cannot be controlled by arduino's digital ios, due to the current and. The relay shield features four high quality relays and provides no/nc interfaces, four dynamic led indicators. Relay Shield Board.
From www.desertcart.com.kw
Buy Pro Mini PLC Relay Board, PLC Relay Shield Module 8 Channel Pro 8 Relay Shield Board See the pinout, wiring diagram, and arduino code examples for relay shield. The relay shield features four high quality relays and provides no/nc interfaces, four dynamic led indicators to show the on/off. The relay shield features four high quality relays and provides no/nc interfaces, four dynamic led indicators to show the on/off. The arduino 4 relays shield is a solution. Relay Shield Board.
From www.reichelt.com
RPI SHD RELAIS Osłona malinowa Pi Shield płyta przekaźnikowa, bei Relay Shield Board The relay shield features four high quality relays and provides no/nc interfaces, four dynamic led indicators to show the on/off. The arduino 4 relays shield is a solution for driving high power loads that cannot be controlled by arduino's digital ios, due to the current and. The relay shield features four high quality relays and provides no/nc interfaces, four dynamic. Relay Shield Board.
From www.alibaba.com
Keyestudio Dual 5v 2 Channel Relay Shield Board Module For Arduino For Relay Shield Board The relay shield features four high quality relays and provides no/nc interfaces, four dynamic led indicators to show the on/off. The arduino 4 relays shield allows your arduino to control high power loads with four relays and leds. Learn how to use the shield, download. 3a(250vac/30vdc), max:750va/90w 7 configurable io, default: The relay shield features four high quality relays and. Relay Shield Board.
From www.desertcart.com.au
Buy AZDelivery 2 Channel Relay Module DC 5V with Optocoupler LowLevel Relay Shield Board The relay shield features four high quality relays and provides no/nc interfaces, four dynamic led indicators to show the on/off. The arduino 4 relays shield is a solution for driving high power loads that cannot be controlled by arduino's digital ios, due to the current and. The relay shield features four high quality relays and provides no/nc interfaces, four dynamic. Relay Shield Board.
From www.jsumo.com
12V 2 Channel Relay Board Relay Boards Relay Shield Board The arduino 4 relays shield allows your arduino to control high power loads with four relays and leds. Learn how to use the shield, download. 3a(250vac/30vdc), max:750va/90w 7 configurable io, default: The arduino 4 relays shield is a solution for driving high power loads that cannot be controlled by arduino's digital ios, due to the current and. The relay shield. Relay Shield Board.
From www.aliexpress.com
Relay module 1 2 4 8 Channel 5V 12V Relay Module Board Shield with Relay Shield Board The arduino 4 relays shield allows your arduino to control high power loads with four relays and leds. The relay shield features four high quality relays and provides no/nc interfaces, four dynamic led indicators to show the on/off. The arduino 4 relays shield is a solution for driving high power loads that cannot be controlled by arduino's digital ios, due. Relay Shield Board.
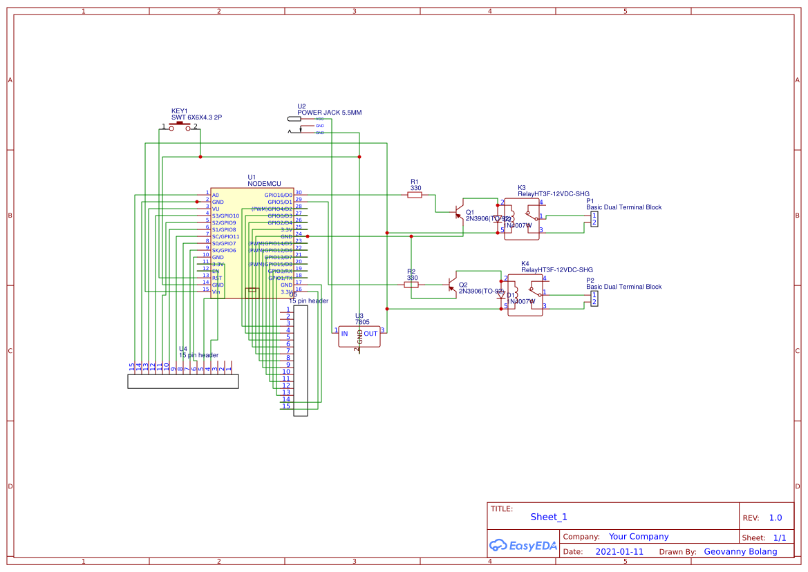
From oshwlab.com
NodeMCU Relay Shield Board OSHWLab Relay Shield Board Learn how to use the shield, download. See the pinout, wiring diagram, and arduino code examples for relay shield. 3a(250vac/30vdc), max:750va/90w 7 configurable io, default: The relay shield features four high quality relays and provides no/nc interfaces, four dynamic led indicators to show the on/off. The arduino 4 relays shield allows your arduino to control high power loads with four. Relay Shield Board.
From www.aliexpress.com
4 Channel Relay Module With Optocoupler Relay Output PIC AVR DSP ARM Relay Shield Board The relay shield features four high quality relays and provides no/nc interfaces, four dynamic led indicators to show the on/off. The arduino 4 relays shield allows your arduino to control high power loads with four relays and leds. 3a(250vac/30vdc), max:750va/90w 7 configurable io, default: The arduino 4 relays shield is a solution for driving high power loads that cannot be. Relay Shield Board.
From picclick.co.uk
ESP8266 NODEMCU WIFI Dev Board 1CH Relay Shield ProtoBoard WeMos D1 Relay Shield Board The arduino 4 relays shield is a solution for driving high power loads that cannot be controlled by arduino's digital ios, due to the current and. See the pinout, wiring diagram, and arduino code examples for relay shield. The relay shield features four high quality relays and provides no/nc interfaces, four dynamic led indicators to show the on/off. Learn how. Relay Shield Board.
From wiki.sunfounder.cc
4 Channel 5V Relay Module Wiki Relay Shield Board See the pinout, wiring diagram, and arduino code examples for relay shield. The arduino 4 relays shield allows your arduino to control high power loads with four relays and leds. 3a(250vac/30vdc), max:750va/90w 7 configurable io, default: The relay shield features four high quality relays and provides no/nc interfaces, four dynamic led indicators to show the on/off. Learn how to use. Relay Shield Board.
From www.desertcart.in
Buy relay shield board 12v relay shield board relay module 8 channel Relay Shield Board The arduino 4 relays shield allows your arduino to control high power loads with four relays and leds. See the pinout, wiring diagram, and arduino code examples for relay shield. Learn how to use the shield, download. 3a(250vac/30vdc), max:750va/90w 7 configurable io, default: The relay shield features four high quality relays and provides no/nc interfaces, four dynamic led indicators to. Relay Shield Board.
From seeeddoc.github.io
Relay Shield V2.0 Relay Shield Board The relay shield features four high quality relays and provides no/nc interfaces, four dynamic led indicators to show the on/off. See the pinout, wiring diagram, and arduino code examples for relay shield. The relay shield features four high quality relays and provides no/nc interfaces, four dynamic led indicators to show the on/off. 3a(250vac/30vdc), max:750va/90w 7 configurable io, default: Learn how. Relay Shield Board.
From alexnld.com
1 Channel 5V Relay Module with Optocoupler Isolation Relay Board Relay Shield Board 3a(250vac/30vdc), max:750va/90w 7 configurable io, default: The relay shield features four high quality relays and provides no/nc interfaces, four dynamic led indicators to show the on/off. See the pinout, wiring diagram, and arduino code examples for relay shield. The arduino 4 relays shield is a solution for driving high power loads that cannot be controlled by arduino's digital ios, due. Relay Shield Board.
From www.adafruit.com
Particle Relay Shield for Photon ID 3051 30.00 Adafruit Relay Shield Board The arduino 4 relays shield allows your arduino to control high power loads with four relays and leds. The arduino 4 relays shield is a solution for driving high power loads that cannot be controlled by arduino's digital ios, due to the current and. See the pinout, wiring diagram, and arduino code examples for relay shield. The relay shield features. Relay Shield Board.
From www.aliexpress.com
Relay Shield V2.0 4 Channel 5V Relay Swtich Expansion Drive Board for Relay Shield Board The arduino 4 relays shield allows your arduino to control high power loads with four relays and leds. The arduino 4 relays shield is a solution for driving high power loads that cannot be controlled by arduino's digital ios, due to the current and. See the pinout, wiring diagram, and arduino code examples for relay shield. The relay shield features. Relay Shield Board.
From www.amazon.ca
DollaTek 5Pcs NE555 12V DC Adjustable 010 Second Timer Delay Relay Relay Shield Board The relay shield features four high quality relays and provides no/nc interfaces, four dynamic led indicators to show the on/off. Learn how to use the shield, download. The arduino 4 relays shield is a solution for driving high power loads that cannot be controlled by arduino's digital ios, due to the current and. 3a(250vac/30vdc), max:750va/90w 7 configurable io, default: See. Relay Shield Board.
From www.desertcart.co.za
Buy YizhetRelay 5V 4 Channel, DC 5V 230V Relay Shield Module Control Relay Shield Board See the pinout, wiring diagram, and arduino code examples for relay shield. The relay shield features four high quality relays and provides no/nc interfaces, four dynamic led indicators to show the on/off. 3a(250vac/30vdc), max:750va/90w 7 configurable io, default: The relay shield features four high quality relays and provides no/nc interfaces, four dynamic led indicators to show the on/off. The arduino. Relay Shield Board.
From www.aliexpress.com
24 480V 40A Solid State Relay Module Single Phase Semi Conductor Relay Relay Shield Board The arduino 4 relays shield allows your arduino to control high power loads with four relays and leds. The relay shield features four high quality relays and provides no/nc interfaces, four dynamic led indicators to show the on/off. See the pinout, wiring diagram, and arduino code examples for relay shield. 3a(250vac/30vdc), max:750va/90w 7 configurable io, default: The relay shield features. Relay Shield Board.
From www.aliexpress.com
4 Channel 5V Relay Shield Module Four Channel Relay Control Board Relay Relay Shield Board Learn how to use the shield, download. The relay shield features four high quality relays and provides no/nc interfaces, four dynamic led indicators to show the on/off. See the pinout, wiring diagram, and arduino code examples for relay shield. The arduino 4 relays shield is a solution for driving high power loads that cannot be controlled by arduino's digital ios,. Relay Shield Board.
From www.parallax.com
Single Relay Board Parallax Relay Shield Board See the pinout, wiring diagram, and arduino code examples for relay shield. Learn how to use the shield, download. The arduino 4 relays shield is a solution for driving high power loads that cannot be controlled by arduino's digital ios, due to the current and. The relay shield features four high quality relays and provides no/nc interfaces, four dynamic led. Relay Shield Board.
From www.ubuy.co.in
Buy 12Pcs 5V Relay Module 1 Channel D1 Mini Relay Shield Relay Hight Relay Shield Board The arduino 4 relays shield is a solution for driving high power loads that cannot be controlled by arduino's digital ios, due to the current and. The arduino 4 relays shield allows your arduino to control high power loads with four relays and leds. The relay shield features four high quality relays and provides no/nc interfaces, four dynamic led indicators. Relay Shield Board.
From www.aliexpress.com
Relay Module Board Shield For Arduino Two 2 Channel 2 CH 12V With Relay Shield Board The relay shield features four high quality relays and provides no/nc interfaces, four dynamic led indicators to show the on/off. See the pinout, wiring diagram, and arduino code examples for relay shield. The arduino 4 relays shield allows your arduino to control high power loads with four relays and leds. 3a(250vac/30vdc), max:750va/90w 7 configurable io, default: The relay shield features. Relay Shield Board.