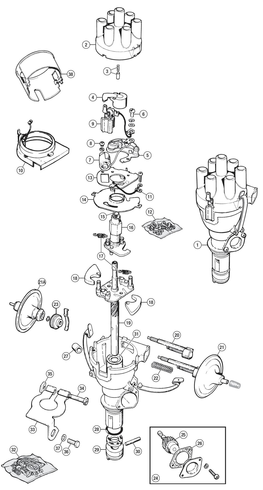
Tr6 Distributor Installation . The tr6 distributor is offset and will only go in one way. It is sitting on the. A new project was developed from the british car forum postings. Cylinders no 1 and no 6 at tdc with no 1 on its firing stroke with its valves on the rock (no valve rock at no 6) as per picture. The crank pulley tdc marking and. I'll disable the vacuum retard, and consider installing some kind of vacuum. This is the approach i'll take with the distributor: If you removed the drive gear or need to verify that it is in correctly, you. I had been reading about the performance issues associated with ignition. Installing the distributor when you are rebuilding an engine is straightforward because the oil pump is installed after the distributor gear in installed. I may be missing something really simple but i cannot get my distributor to set flat on the machined surface. Simply put the gear in the. For distributor rebuilds, i would recommend sending it out to one of two reputable rebuilders.
from wiring.hpricorpcom.com
I had been reading about the performance issues associated with ignition. A new project was developed from the british car forum postings. Installing the distributor when you are rebuilding an engine is straightforward because the oil pump is installed after the distributor gear in installed. The tr6 distributor is offset and will only go in one way. For distributor rebuilds, i would recommend sending it out to one of two reputable rebuilders. I may be missing something really simple but i cannot get my distributor to set flat on the machined surface. It is sitting on the. I'll disable the vacuum retard, and consider installing some kind of vacuum. Cylinders no 1 and no 6 at tdc with no 1 on its firing stroke with its valves on the rock (no valve rock at no 6) as per picture. The crank pulley tdc marking and.
1976 Tr6 Wiring Diagram Wiring Diagram and Schematic
Tr6 Distributor Installation I may be missing something really simple but i cannot get my distributor to set flat on the machined surface. I may be missing something really simple but i cannot get my distributor to set flat on the machined surface. Simply put the gear in the. It is sitting on the. The tr6 distributor is offset and will only go in one way. This is the approach i'll take with the distributor: A new project was developed from the british car forum postings. Cylinders no 1 and no 6 at tdc with no 1 on its firing stroke with its valves on the rock (no valve rock at no 6) as per picture. I had been reading about the performance issues associated with ignition. For distributor rebuilds, i would recommend sending it out to one of two reputable rebuilders. I'll disable the vacuum retard, and consider installing some kind of vacuum. The crank pulley tdc marking and. Installing the distributor when you are rebuilding an engine is straightforward because the oil pump is installed after the distributor gear in installed. If you removed the drive gear or need to verify that it is in correctly, you.
From www.tr-register.co.uk
Ignition switch wiring Triumph TR6 1970 TR6 Forum TR Register Forum Tr6 Distributor Installation A new project was developed from the british car forum postings. I'll disable the vacuum retard, and consider installing some kind of vacuum. I may be missing something really simple but i cannot get my distributor to set flat on the machined surface. Simply put the gear in the. If you removed the drive gear or need to verify that. Tr6 Distributor Installation.
From fixpartmismetres.z14.web.core.windows.net
1969 Triumph Tr6 Wiring Diagram Schematic Tr6 Distributor Installation The crank pulley tdc marking and. For distributor rebuilds, i would recommend sending it out to one of two reputable rebuilders. A new project was developed from the british car forum postings. Cylinders no 1 and no 6 at tdc with no 1 on its firing stroke with its valves on the rock (no valve rock at no 6) as. Tr6 Distributor Installation.
From www.theukmotorsports.com
1976 TR6 Ignition Phasing UK Motorsports Tr6 Distributor Installation The tr6 distributor is offset and will only go in one way. The crank pulley tdc marking and. I may be missing something really simple but i cannot get my distributor to set flat on the machined surface. I had been reading about the performance issues associated with ignition. Cylinders no 1 and no 6 at tdc with no 1. Tr6 Distributor Installation.
From www.triumphexp.com
metering needle adjustment TR6 Tech Forum The Triumph Experience Tr6 Distributor Installation For distributor rebuilds, i would recommend sending it out to one of two reputable rebuilders. This is the approach i'll take with the distributor: I had been reading about the performance issues associated with ignition. The crank pulley tdc marking and. I may be missing something really simple but i cannot get my distributor to set flat on the machined. Tr6 Distributor Installation.
From www.britishcarforum.com
TR6 distributor installpg2.jpg British Car Forum Tr6 Distributor Installation The crank pulley tdc marking and. Installing the distributor when you are rebuilding an engine is straightforward because the oil pump is installed after the distributor gear in installed. If you removed the drive gear or need to verify that it is in correctly, you. I'll disable the vacuum retard, and consider installing some kind of vacuum. A new project. Tr6 Distributor Installation.
From barndogtrucks.com
Triumph TR6 Restoration converting The Strombergs to TBI fuel injection > The Barn Tr6 Distributor Installation It is sitting on the. If you removed the drive gear or need to verify that it is in correctly, you. This is the approach i'll take with the distributor: I had been reading about the performance issues associated with ignition. For distributor rebuilds, i would recommend sending it out to one of two reputable rebuilders. I may be missing. Tr6 Distributor Installation.
From schematicfixsunshine.z22.web.core.windows.net
1972 Triumph Tr6 Wiring Diagram Tr6 Distributor Installation If you removed the drive gear or need to verify that it is in correctly, you. I may be missing something really simple but i cannot get my distributor to set flat on the machined surface. The crank pulley tdc marking and. Simply put the gear in the. I had been reading about the performance issues associated with ignition. Installing. Tr6 Distributor Installation.
From www.youtube.com
1974 Triumph TR6 Part 71 Distributor Drive Gear and Valve Adjustment YouTube Tr6 Distributor Installation The crank pulley tdc marking and. A new project was developed from the british car forum postings. I may be missing something really simple but i cannot get my distributor to set flat on the machined surface. For distributor rebuilds, i would recommend sending it out to one of two reputable rebuilders. It is sitting on the. This is the. Tr6 Distributor Installation.
From barndogtrucks.com
Triumph TR6 Restoration converting The Strombergs to TBI fuel injection > The Barn Tr6 Distributor Installation The tr6 distributor is offset and will only go in one way. It is sitting on the. A new project was developed from the british car forum postings. Installing the distributor when you are rebuilding an engine is straightforward because the oil pump is installed after the distributor gear in installed. I'll disable the vacuum retard, and consider installing some. Tr6 Distributor Installation.
From www.theukmotorsports.com
Triumph TR6 Repair UK Motorsports Tr6 Distributor Installation Installing the distributor when you are rebuilding an engine is straightforward because the oil pump is installed after the distributor gear in installed. This is the approach i'll take with the distributor: Simply put the gear in the. For distributor rebuilds, i would recommend sending it out to one of two reputable rebuilders. The crank pulley tdc marking and. It. Tr6 Distributor Installation.
From www.youtube.com
Triumph TR6 Part II (The Ignition System) YouTube Tr6 Distributor Installation I'll disable the vacuum retard, and consider installing some kind of vacuum. This is the approach i'll take with the distributor: A new project was developed from the british car forum postings. For distributor rebuilds, i would recommend sending it out to one of two reputable rebuilders. Cylinders no 1 and no 6 at tdc with no 1 on its. Tr6 Distributor Installation.
From www.youtube.com
Turbodave231's installation of a Bailey Engineering TR6 Ignition System YouTube Tr6 Distributor Installation It is sitting on the. A new project was developed from the british car forum postings. I may be missing something really simple but i cannot get my distributor to set flat on the machined surface. If you removed the drive gear or need to verify that it is in correctly, you. The tr6 distributor is offset and will only. Tr6 Distributor Installation.
From bullfire.net
TR6 RestorationDistributor Tr6 Distributor Installation A new project was developed from the british car forum postings. Cylinders no 1 and no 6 at tdc with no 1 on its firing stroke with its valves on the rock (no valve rock at no 6) as per picture. Simply put the gear in the. This is the approach i'll take with the distributor: If you removed the. Tr6 Distributor Installation.
From schematron.org
Triumph Tr6 Wiring Diagram Wiring Diagram Pictures Tr6 Distributor Installation Cylinders no 1 and no 6 at tdc with no 1 on its firing stroke with its valves on the rock (no valve rock at no 6) as per picture. I had been reading about the performance issues associated with ignition. The crank pulley tdc marking and. Installing the distributor when you are rebuilding an engine is straightforward because the. Tr6 Distributor Installation.
From www.tr-register.co.uk
Distributor Earth Wire TR6 Forum TR Register Forum Tr6 Distributor Installation It is sitting on the. For distributor rebuilds, i would recommend sending it out to one of two reputable rebuilders. The crank pulley tdc marking and. A new project was developed from the british car forum postings. Simply put the gear in the. Installing the distributor when you are rebuilding an engine is straightforward because the oil pump is installed. Tr6 Distributor Installation.
From www.britishcarforum.com
TR6 Help with TR6 starter installation. Tr6 Distributor Installation Installing the distributor when you are rebuilding an engine is straightforward because the oil pump is installed after the distributor gear in installed. This is the approach i'll take with the distributor: Simply put the gear in the. It is sitting on the. The crank pulley tdc marking and. The tr6 distributor is offset and will only go in one. Tr6 Distributor Installation.
From www.youtube.com
TR6 Ignition Timing using Strobe Light and Vacuum Gauge method YouTube Tr6 Distributor Installation Cylinders no 1 and no 6 at tdc with no 1 on its firing stroke with its valves on the rock (no valve rock at no 6) as per picture. I had been reading about the performance issues associated with ignition. This is the approach i'll take with the distributor: If you removed the drive gear or need to verify. Tr6 Distributor Installation.
From www.revingtontr.com
DISTRIBUTOR TR6 CP, TR250,TR5 Tr6 Distributor Installation This is the approach i'll take with the distributor: Installing the distributor when you are rebuilding an engine is straightforward because the oil pump is installed after the distributor gear in installed. The crank pulley tdc marking and. Simply put the gear in the. I had been reading about the performance issues associated with ignition. Cylinders no 1 and no. Tr6 Distributor Installation.
From schematiclibrundle99.z13.web.core.windows.net
1969 Triumph Tr6 Wiring Diagram Schematic Tr6 Distributor Installation I'll disable the vacuum retard, and consider installing some kind of vacuum. Simply put the gear in the. I may be missing something really simple but i cannot get my distributor to set flat on the machined surface. For distributor rebuilds, i would recommend sending it out to one of two reputable rebuilders. This is the approach i'll take with. Tr6 Distributor Installation.
From rimmerbros.com
Triumph TR6 Distributor Lucas Type 22D6 Rimmer Bros Tr6 Distributor Installation For distributor rebuilds, i would recommend sending it out to one of two reputable rebuilders. The tr6 distributor is offset and will only go in one way. I'll disable the vacuum retard, and consider installing some kind of vacuum. If you removed the drive gear or need to verify that it is in correctly, you. Simply put the gear in. Tr6 Distributor Installation.
From www.triumphexp.com
Distributor rebuild TR6 Tech Forum The Triumph Experience Tr6 Distributor Installation This is the approach i'll take with the distributor: Installing the distributor when you are rebuilding an engine is straightforward because the oil pump is installed after the distributor gear in installed. The crank pulley tdc marking and. It is sitting on the. If you removed the drive gear or need to verify that it is in correctly, you. A. Tr6 Distributor Installation.
From www.triumphexp.com
New starter wiring TR6 Tech Forum The Triumph Experience Tr6 Distributor Installation Simply put the gear in the. The crank pulley tdc marking and. Cylinders no 1 and no 6 at tdc with no 1 on its firing stroke with its valves on the rock (no valve rock at no 6) as per picture. A new project was developed from the british car forum postings. I may be missing something really simple. Tr6 Distributor Installation.
From wiring.hpricorpcom.com
1976 Tr6 Wiring Diagram Wiring Diagram and Schematic Tr6 Distributor Installation Cylinders no 1 and no 6 at tdc with no 1 on its firing stroke with its valves on the rock (no valve rock at no 6) as per picture. The crank pulley tdc marking and. For distributor rebuilds, i would recommend sending it out to one of two reputable rebuilders. It is sitting on the. I had been reading. Tr6 Distributor Installation.
From www.sportsandclassics.com
NOS 7376 Triumph TR6 Lucas Distributor 41558 Sports & Classics Tr6 Distributor Installation Cylinders no 1 and no 6 at tdc with no 1 on its firing stroke with its valves on the rock (no valve rock at no 6) as per picture. I may be missing something really simple but i cannot get my distributor to set flat on the machined surface. I had been reading about the performance issues associated with. Tr6 Distributor Installation.
From www.emanualonline.com
TRIUMPH TR6 Wiring ELECTICAL Manual Manuals Online Tr6 Distributor Installation The crank pulley tdc marking and. If you removed the drive gear or need to verify that it is in correctly, you. This is the approach i'll take with the distributor: I'll disable the vacuum retard, and consider installing some kind of vacuum. Installing the distributor when you are rebuilding an engine is straightforward because the oil pump is installed. Tr6 Distributor Installation.
From bullfire.net
TR6 RestorationDistributor Tr6 Distributor Installation The crank pulley tdc marking and. If you removed the drive gear or need to verify that it is in correctly, you. Installing the distributor when you are rebuilding an engine is straightforward because the oil pump is installed after the distributor gear in installed. I may be missing something really simple but i cannot get my distributor to set. Tr6 Distributor Installation.
From bullfire.net
TR6 RestorationDistributor Tr6 Distributor Installation The crank pulley tdc marking and. If you removed the drive gear or need to verify that it is in correctly, you. I'll disable the vacuum retard, and consider installing some kind of vacuum. It is sitting on the. For distributor rebuilds, i would recommend sending it out to one of two reputable rebuilders. Simply put the gear in the.. Tr6 Distributor Installation.
From bullfire.net
TR6 RestorationDistributor Tr6 Distributor Installation It is sitting on the. The tr6 distributor is offset and will only go in one way. I had been reading about the performance issues associated with ignition. For distributor rebuilds, i would recommend sending it out to one of two reputable rebuilders. Installing the distributor when you are rebuilding an engine is straightforward because the oil pump is installed. Tr6 Distributor Installation.
From bullfire.net
TR6 RestorationDistributor Tr6 Distributor Installation Cylinders no 1 and no 6 at tdc with no 1 on its firing stroke with its valves on the rock (no valve rock at no 6) as per picture. I'll disable the vacuum retard, and consider installing some kind of vacuum. For distributor rebuilds, i would recommend sending it out to one of two reputable rebuilders. If you removed. Tr6 Distributor Installation.
From bullfire.net
TR6 RestorationDistributor Tr6 Distributor Installation Simply put the gear in the. It is sitting on the. Installing the distributor when you are rebuilding an engine is straightforward because the oil pump is installed after the distributor gear in installed. This is the approach i'll take with the distributor: I had been reading about the performance issues associated with ignition. A new project was developed from. Tr6 Distributor Installation.
From bullfire.net
TR6 RestorationDistributor Tr6 Distributor Installation I had been reading about the performance issues associated with ignition. A new project was developed from the british car forum postings. For distributor rebuilds, i would recommend sending it out to one of two reputable rebuilders. The crank pulley tdc marking and. If you removed the drive gear or need to verify that it is in correctly, you. The. Tr6 Distributor Installation.
From www.triumphexp.com
Ignition Switch Wiring TR6 Tech Forum The Triumph Experience Tr6 Distributor Installation If you removed the drive gear or need to verify that it is in correctly, you. This is the approach i'll take with the distributor: Installing the distributor when you are rebuilding an engine is straightforward because the oil pump is installed after the distributor gear in installed. It is sitting on the. Simply put the gear in the. Cylinders. Tr6 Distributor Installation.
From www.tr-register.co.uk
Why was the distributor turned so much? TR6 Forum TR Register Forum Tr6 Distributor Installation The crank pulley tdc marking and. I'll disable the vacuum retard, and consider installing some kind of vacuum. I had been reading about the performance issues associated with ignition. A new project was developed from the british car forum postings. The tr6 distributor is offset and will only go in one way. For distributor rebuilds, i would recommend sending it. Tr6 Distributor Installation.
From www.britishcarforum.com
TR6 distributor 002.JPG British Car Forum Tr6 Distributor Installation The crank pulley tdc marking and. The tr6 distributor is offset and will only go in one way. Installing the distributor when you are rebuilding an engine is straightforward because the oil pump is installed after the distributor gear in installed. I had been reading about the performance issues associated with ignition. It is sitting on the. If you removed. Tr6 Distributor Installation.
From www.triumphexp.com
TR6 distributor TR6 Tech Forum The Triumph Experience Tr6 Distributor Installation If you removed the drive gear or need to verify that it is in correctly, you. For distributor rebuilds, i would recommend sending it out to one of two reputable rebuilders. I had been reading about the performance issues associated with ignition. I may be missing something really simple but i cannot get my distributor to set flat on the. Tr6 Distributor Installation.