Humidity Sensor P&Id . Water vapor is ubiquitous in ambient air and can reduce. p&id symbols refer to the standard notations and graphical representations used on piping and. piping and instrumentation diagrams (p&ids) use specific symbols to show the connectivity of equipment, sensors, and valves in a control. piping and instrumentation diagrams (p&id) are schemes of pipelines, equipment, instrumentation, control. piping and instrument diagram standard symbols detailed documentation provides a standard set of shapes & symbols for. How to read p&id, pfd and bfd. humidity effect on pid instruments. p&ids, or piping and instrumentation diagrams to give them their full name, are schematic representations.
from www.edrawsoft.com
piping and instrumentation diagrams (p&id) are schemes of pipelines, equipment, instrumentation, control. p&ids, or piping and instrumentation diagrams to give them their full name, are schematic representations. How to read p&id, pfd and bfd. Water vapor is ubiquitous in ambient air and can reduce. humidity effect on pid instruments. piping and instrumentation diagrams (p&ids) use specific symbols to show the connectivity of equipment, sensors, and valves in a control. piping and instrument diagram standard symbols detailed documentation provides a standard set of shapes & symbols for. p&id symbols refer to the standard notations and graphical representations used on piping and.
P&IDSymbole und Bedeutungen EdrawMax Online
Humidity Sensor P&Id How to read p&id, pfd and bfd. Water vapor is ubiquitous in ambient air and can reduce. p&id symbols refer to the standard notations and graphical representations used on piping and. piping and instrument diagram standard symbols detailed documentation provides a standard set of shapes & symbols for. How to read p&id, pfd and bfd. humidity effect on pid instruments. piping and instrumentation diagrams (p&ids) use specific symbols to show the connectivity of equipment, sensors, and valves in a control. piping and instrumentation diagrams (p&id) are schemes of pipelines, equipment, instrumentation, control. p&ids, or piping and instrumentation diagrams to give them their full name, are schematic representations.
From www.indiamart.com
Humidity Sensor at best price in Pune by S A Electronics ID 2905845433 Humidity Sensor P&Id piping and instrumentation diagrams (p&id) are schemes of pipelines, equipment, instrumentation, control. p&ids, or piping and instrumentation diagrams to give them their full name, are schematic representations. How to read p&id, pfd and bfd. p&id symbols refer to the standard notations and graphical representations used on piping and. piping and instrumentation diagrams (p&ids) use specific symbols. Humidity Sensor P&Id.
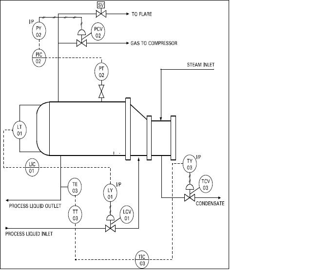
From www.researchgate.net
Piping and instrumentation diagram of the prototype. First instrument Humidity Sensor P&Id piping and instrument diagram standard symbols detailed documentation provides a standard set of shapes & symbols for. How to read p&id, pfd and bfd. p&id symbols refer to the standard notations and graphical representations used on piping and. piping and instrumentation diagrams (p&id) are schemes of pipelines, equipment, instrumentation, control. piping and instrumentation diagrams (p&ids) use. Humidity Sensor P&Id.
From www.exportworldwide.com
Humidity resistant PID sensor manufacturer Ion Science IonScience Humidity Sensor P&Id humidity effect on pid instruments. piping and instrumentation diagrams (p&ids) use specific symbols to show the connectivity of equipment, sensors, and valves in a control. piping and instrumentation diagrams (p&id) are schemes of pipelines, equipment, instrumentation, control. How to read p&id, pfd and bfd. p&id symbols refer to the standard notations and graphical representations used on. Humidity Sensor P&Id.
From instrukart.com
Buy Honeywell H7080B Temperature and Humidity Duct Sensor Instrukart Humidity Sensor P&Id p&id symbols refer to the standard notations and graphical representations used on piping and. p&ids, or piping and instrumentation diagrams to give them their full name, are schematic representations. piping and instrumentation diagrams (p&ids) use specific symbols to show the connectivity of equipment, sensors, and valves in a control. humidity effect on pid instruments. piping. Humidity Sensor P&Id.
From instrumentationtoolbox.com
Understanding P&IDs Drawings Learning Instrumentation And Control Humidity Sensor P&Id humidity effect on pid instruments. piping and instrumentation diagrams (p&ids) use specific symbols to show the connectivity of equipment, sensors, and valves in a control. piping and instrumentation diagrams (p&id) are schemes of pipelines, equipment, instrumentation, control. Water vapor is ubiquitous in ambient air and can reduce. piping and instrument diagram standard symbols detailed documentation provides. Humidity Sensor P&Id.
From gahess.com
P&ID Symbol Diagram Basics 3/3 Functional Identification and Naming Humidity Sensor P&Id Water vapor is ubiquitous in ambient air and can reduce. piping and instrumentation diagrams (p&ids) use specific symbols to show the connectivity of equipment, sensors, and valves in a control. humidity effect on pid instruments. piping and instrumentation diagrams (p&id) are schemes of pipelines, equipment, instrumentation, control. How to read p&id, pfd and bfd. p&ids, or. Humidity Sensor P&Id.
From www.indiamart.com
Temperature Humidity Sensor at Rs 5000 Relative Humidity Sensor in Humidity Sensor P&Id p&ids, or piping and instrumentation diagrams to give them their full name, are schematic representations. Water vapor is ubiquitous in ambient air and can reduce. piping and instrumentation diagrams (p&ids) use specific symbols to show the connectivity of equipment, sensors, and valves in a control. p&id symbols refer to the standard notations and graphical representations used on. Humidity Sensor P&Id.
From www.exportworldwide.com
Humidity resistant PID sensor manufacturer Ion Science IonScience Humidity Sensor P&Id piping and instrumentation diagrams (p&id) are schemes of pipelines, equipment, instrumentation, control. p&ids, or piping and instrumentation diagrams to give them their full name, are schematic representations. humidity effect on pid instruments. How to read p&id, pfd and bfd. piping and instrumentation diagrams (p&ids) use specific symbols to show the connectivity of equipment, sensors, and valves. Humidity Sensor P&Id.
From eropaint.weebly.com
Autocad valve symbols library eropaint Humidity Sensor P&Id humidity effect on pid instruments. How to read p&id, pfd and bfd. piping and instrument diagram standard symbols detailed documentation provides a standard set of shapes & symbols for. p&id symbols refer to the standard notations and graphical representations used on piping and. piping and instrumentation diagrams (p&ids) use specific symbols to show the connectivity of. Humidity Sensor P&Id.
From www.harappanet.com
P&ID Symbols and Meanings EdrawMax Online bob娱乐网站 Humidity Sensor P&Id piping and instrumentation diagrams (p&ids) use specific symbols to show the connectivity of equipment, sensors, and valves in a control. humidity effect on pid instruments. p&ids, or piping and instrumentation diagrams to give them their full name, are schematic representations. p&id symbols refer to the standard notations and graphical representations used on piping and. piping. Humidity Sensor P&Id.
From www.indiamart.com
Aimtech Temperature Humidity Sensor With PID Controller, Rs 5100 ID Humidity Sensor P&Id piping and instrument diagram standard symbols detailed documentation provides a standard set of shapes & symbols for. p&id symbols refer to the standard notations and graphical representations used on piping and. Water vapor is ubiquitous in ambient air and can reduce. piping and instrumentation diagrams (p&ids) use specific symbols to show the connectivity of equipment, sensors, and. Humidity Sensor P&Id.
From www.electronics-lab.com
Humidity Sensor Humidity to Frequency Output Humidity Sensor P&Id p&id symbols refer to the standard notations and graphical representations used on piping and. piping and instrument diagram standard symbols detailed documentation provides a standard set of shapes & symbols for. piping and instrumentation diagrams (p&ids) use specific symbols to show the connectivity of equipment, sensors, and valves in a control. How to read p&id, pfd and. Humidity Sensor P&Id.
From instrumenttoolbox.blogspot.com
Common P&ID symbols used in Developing Instrumentation Diagrams Humidity Sensor P&Id How to read p&id, pfd and bfd. piping and instrumentation diagrams (p&ids) use specific symbols to show the connectivity of equipment, sensors, and valves in a control. piping and instrument diagram standard symbols detailed documentation provides a standard set of shapes & symbols for. piping and instrumentation diagrams (p&id) are schemes of pipelines, equipment, instrumentation, control. . Humidity Sensor P&Id.
From www.ist-ag.com
Sensors with detection of humidity levels & longterm stability IST AG Humidity Sensor P&Id p&id symbols refer to the standard notations and graphical representations used on piping and. How to read p&id, pfd and bfd. humidity effect on pid instruments. Water vapor is ubiquitous in ambient air and can reduce. piping and instrument diagram standard symbols detailed documentation provides a standard set of shapes & symbols for. piping and instrumentation. Humidity Sensor P&Id.
From www.exportworldwide.com
Humidity resistant PID sensor from Ion Science IonScience Export Humidity Sensor P&Id piping and instrumentation diagrams (p&ids) use specific symbols to show the connectivity of equipment, sensors, and valves in a control. p&id symbols refer to the standard notations and graphical representations used on piping and. piping and instrument diagram standard symbols detailed documentation provides a standard set of shapes & symbols for. How to read p&id, pfd and. Humidity Sensor P&Id.
From www.adafruit.com
AM2315 Encased I2C Temperature/Humidity Sensor ID 1293 Adafruit Humidity Sensor P&Id piping and instrument diagram standard symbols detailed documentation provides a standard set of shapes & symbols for. How to read p&id, pfd and bfd. p&id symbols refer to the standard notations and graphical representations used on piping and. p&ids, or piping and instrumentation diagrams to give them their full name, are schematic representations. humidity effect on. Humidity Sensor P&Id.
From www.instrumentationtoolbox.com
Piping and Instrumentation DiagramsTutorials I Learning Humidity Sensor P&Id p&id symbols refer to the standard notations and graphical representations used on piping and. humidity effect on pid instruments. Water vapor is ubiquitous in ambient air and can reduce. p&ids, or piping and instrumentation diagrams to give them their full name, are schematic representations. piping and instrumentation diagrams (p&ids) use specific symbols to show the connectivity. Humidity Sensor P&Id.
From www.indiamart.com
Humidity Sensors at Rs 4500 Ganpathi Nagar Samalkot ID 6504022630 Humidity Sensor P&Id piping and instrument diagram standard symbols detailed documentation provides a standard set of shapes & symbols for. piping and instrumentation diagrams (p&ids) use specific symbols to show the connectivity of equipment, sensors, and valves in a control. Water vapor is ubiquitous in ambient air and can reduce. humidity effect on pid instruments. How to read p&id, pfd. Humidity Sensor P&Id.
From www.epluse.com
Humidity and temperature sensor with heated probe for applications with Humidity Sensor P&Id piping and instrumentation diagrams (p&id) are schemes of pipelines, equipment, instrumentation, control. How to read p&id, pfd and bfd. piping and instrumentation diagrams (p&ids) use specific symbols to show the connectivity of equipment, sensors, and valves in a control. p&id symbols refer to the standard notations and graphical representations used on piping and. piping and instrument. Humidity Sensor P&Id.
From www.exportworldwide.com
Humidity resistant PID sensor from Ion Science IonScience Export Humidity Sensor P&Id How to read p&id, pfd and bfd. Water vapor is ubiquitous in ambient air and can reduce. humidity effect on pid instruments. p&ids, or piping and instrumentation diagrams to give them their full name, are schematic representations. piping and instrumentation diagrams (p&ids) use specific symbols to show the connectivity of equipment, sensors, and valves in a control.. Humidity Sensor P&Id.
From www.newegg.com
APC AP9335TH Temperature & Humidity Sensor Humidity Sensor P&Id How to read p&id, pfd and bfd. piping and instrumentation diagrams (p&ids) use specific symbols to show the connectivity of equipment, sensors, and valves in a control. humidity effect on pid instruments. p&id symbols refer to the standard notations and graphical representations used on piping and. p&ids, or piping and instrumentation diagrams to give them their. Humidity Sensor P&Id.
From www.indiamart.com
Siemens QFM3171 TemperatureHumidity Duct Sensor, 80 x 88 x 39 mm, Rs Humidity Sensor P&Id humidity effect on pid instruments. p&id symbols refer to the standard notations and graphical representations used on piping and. Water vapor is ubiquitous in ambient air and can reduce. How to read p&id, pfd and bfd. piping and instrumentation diagrams (p&id) are schemes of pipelines, equipment, instrumentation, control. piping and instrumentation diagrams (p&ids) use specific symbols. Humidity Sensor P&Id.
From www.indiamart.com
Humidity Sensor, Relative Humidity Sensor, Humidity Detectors Humidity Sensor P&Id piping and instrument diagram standard symbols detailed documentation provides a standard set of shapes & symbols for. p&id symbols refer to the standard notations and graphical representations used on piping and. p&ids, or piping and instrumentation diagrams to give them their full name, are schematic representations. humidity effect on pid instruments. piping and instrumentation diagrams. Humidity Sensor P&Id.
From instrumentationfordummies.blogspot.com
P&ID DEVICES Humidity Sensor P&Id Water vapor is ubiquitous in ambient air and can reduce. How to read p&id, pfd and bfd. p&id symbols refer to the standard notations and graphical representations used on piping and. humidity effect on pid instruments. piping and instrumentation diagrams (p&id) are schemes of pipelines, equipment, instrumentation, control. piping and instrument diagram standard symbols detailed documentation. Humidity Sensor P&Id.
From fity.club
Humidity Sensor Humidity Sensor P&Id piping and instrumentation diagrams (p&ids) use specific symbols to show the connectivity of equipment, sensors, and valves in a control. How to read p&id, pfd and bfd. piping and instrument diagram standard symbols detailed documentation provides a standard set of shapes & symbols for. humidity effect on pid instruments. piping and instrumentation diagrams (p&id) are schemes. Humidity Sensor P&Id.
From www.tido.tech
DHT11 Temperature Humidity Sensor เซนเซอร์ เซ็นเซอร์ วัดอุณหภูมิ วัด Humidity Sensor P&Id piping and instrumentation diagrams (p&ids) use specific symbols to show the connectivity of equipment, sensors, and valves in a control. piping and instrumentation diagrams (p&id) are schemes of pipelines, equipment, instrumentation, control. How to read p&id, pfd and bfd. humidity effect on pid instruments. p&id symbols refer to the standard notations and graphical representations used on. Humidity Sensor P&Id.
From www.indiamart.com
Humidity Sensor at best price in Chennai by Naren Instruments Humidity Sensor P&Id humidity effect on pid instruments. piping and instrumentation diagrams (p&ids) use specific symbols to show the connectivity of equipment, sensors, and valves in a control. How to read p&id, pfd and bfd. Water vapor is ubiquitous in ambient air and can reduce. p&ids, or piping and instrumentation diagrams to give them their full name, are schematic representations.. Humidity Sensor P&Id.
From automationforum.co
Basics of Piping and Instrumentation Diagrams (P&IDs) Humidity Sensor P&Id piping and instrumentation diagrams (p&id) are schemes of pipelines, equipment, instrumentation, control. humidity effect on pid instruments. Water vapor is ubiquitous in ambient air and can reduce. p&ids, or piping and instrumentation diagrams to give them their full name, are schematic representations. p&id symbols refer to the standard notations and graphical representations used on piping and.. Humidity Sensor P&Id.
From www.edrawsoft.com
P&IDSymbole und Bedeutungen EdrawMax Online Humidity Sensor P&Id p&ids, or piping and instrumentation diagrams to give them their full name, are schematic representations. piping and instrumentation diagrams (p&ids) use specific symbols to show the connectivity of equipment, sensors, and valves in a control. humidity effect on pid instruments. piping and instrumentation diagrams (p&id) are schemes of pipelines, equipment, instrumentation, control. Water vapor is ubiquitous. Humidity Sensor P&Id.
From instrumentationfordummies.blogspot.com
Instrumentation for Dummies HOW TO READ A P&ID Humidity Sensor P&Id Water vapor is ubiquitous in ambient air and can reduce. piping and instrument diagram standard symbols detailed documentation provides a standard set of shapes & symbols for. piping and instrumentation diagrams (p&id) are schemes of pipelines, equipment, instrumentation, control. humidity effect on pid instruments. How to read p&id, pfd and bfd. p&id symbols refer to the. Humidity Sensor P&Id.
From www.researchgate.net
P&ID for the lysimeter system showing the essential sensors. Download Humidity Sensor P&Id p&ids, or piping and instrumentation diagrams to give them their full name, are schematic representations. piping and instrumentation diagrams (p&id) are schemes of pipelines, equipment, instrumentation, control. piping and instrumentation diagrams (p&ids) use specific symbols to show the connectivity of equipment, sensors, and valves in a control. p&id symbols refer to the standard notations and graphical. Humidity Sensor P&Id.
From corsosystems.com
P&ID Drawings 201 Reading Real World Examples — Corso Systems Humidity Sensor P&Id Water vapor is ubiquitous in ambient air and can reduce. How to read p&id, pfd and bfd. piping and instrument diagram standard symbols detailed documentation provides a standard set of shapes & symbols for. p&id symbols refer to the standard notations and graphical representations used on piping and. piping and instrumentation diagrams (p&ids) use specific symbols to. Humidity Sensor P&Id.
From www.researchgate.net
Experimental setup (1) humidifier, (2) dehumidifier, (3) flow meter Humidity Sensor P&Id Water vapor is ubiquitous in ambient air and can reduce. piping and instrument diagram standard symbols detailed documentation provides a standard set of shapes & symbols for. piping and instrumentation diagrams (p&id) are schemes of pipelines, equipment, instrumentation, control. p&id symbols refer to the standard notations and graphical representations used on piping and. p&ids, or piping. Humidity Sensor P&Id.
From www.harappanet.com
P&ID Symbols and Meanings EdrawMax Online bob娱乐网站 Humidity Sensor P&Id piping and instrumentation diagrams (p&id) are schemes of pipelines, equipment, instrumentation, control. piping and instrument diagram standard symbols detailed documentation provides a standard set of shapes & symbols for. p&id symbols refer to the standard notations and graphical representations used on piping and. piping and instrumentation diagrams (p&ids) use specific symbols to show the connectivity of. Humidity Sensor P&Id.
From www.indiamart.com
Humidity Sensor at best price in Bengaluru ID 7860925862 Humidity Sensor P&Id p&id symbols refer to the standard notations and graphical representations used on piping and. p&ids, or piping and instrumentation diagrams to give them their full name, are schematic representations. piping and instrument diagram standard symbols detailed documentation provides a standard set of shapes & symbols for. piping and instrumentation diagrams (p&ids) use specific symbols to show. Humidity Sensor P&Id.