Yamaha 115 Steering Arm . Newer yamaha f115, how to attach steering link arm? Yamaha outboard steering arm drag link 115 130 140 150 175 200 225 250 300 hp. 32 rows these steering link arm kits will connect the yamaha outboard to the boat's steering system. Genuine yamaha steering link arm kit. Buy steering link arm kits. This part is guaranteed by yamaha's limited part warranty free shipping on qualified orders. This oem part is guaranteed by yamaha's limited part. I just installed a newer motor (2015 f115lb) on. view parts diagrams and shop online for steering 1 f115 parts, 2003 outboard 115hp f115txrb.
from www.thehulltruth.com
This oem part is guaranteed by yamaha's limited part. Yamaha outboard steering arm drag link 115 130 140 150 175 200 225 250 300 hp. Buy steering link arm kits. I just installed a newer motor (2015 f115lb) on. Genuine yamaha steering link arm kit. This part is guaranteed by yamaha's limited part warranty free shipping on qualified orders. Newer yamaha f115, how to attach steering link arm? 32 rows these steering link arm kits will connect the yamaha outboard to the boat's steering system. view parts diagrams and shop online for steering 1 f115 parts, 2003 outboard 115hp f115txrb.
Yamaha 175 steering unresponsive but the cable is fine?!?! The Hull
Yamaha 115 Steering Arm Yamaha outboard steering arm drag link 115 130 140 150 175 200 225 250 300 hp. I just installed a newer motor (2015 f115lb) on. This oem part is guaranteed by yamaha's limited part. view parts diagrams and shop online for steering 1 f115 parts, 2003 outboard 115hp f115txrb. 32 rows these steering link arm kits will connect the yamaha outboard to the boat's steering system. Buy steering link arm kits. This part is guaranteed by yamaha's limited part warranty free shipping on qualified orders. Yamaha outboard steering arm drag link 115 130 140 150 175 200 225 250 300 hp. Genuine yamaha steering link arm kit. Newer yamaha f115, how to attach steering link arm?
From www.bbcboards.net
The New Yamaha 115 LB vs. The New Yamaha 115 SHO, What is Difference? Yamaha 115 Steering Arm Newer yamaha f115, how to attach steering link arm? I just installed a newer motor (2015 f115lb) on. This part is guaranteed by yamaha's limited part warranty free shipping on qualified orders. This oem part is guaranteed by yamaha's limited part. Genuine yamaha steering link arm kit. view parts diagrams and shop online for steering 1 f115 parts, 2003. Yamaha 115 Steering Arm.
From www.pensacolafishingforum.com
03’ Yamaha 115 four stroke Pensacola Fishing Forum Yamaha 115 Steering Arm 32 rows these steering link arm kits will connect the yamaha outboard to the boat's steering system. view parts diagrams and shop online for steering 1 f115 parts, 2003 outboard 115hp f115txrb. I just installed a newer motor (2015 f115lb) on. This part is guaranteed by yamaha's limited part warranty free shipping on qualified orders. Yamaha outboard steering. Yamaha 115 Steering Arm.
From www.biasboating.com.au
Hydraulic Steer Kit 115HP Yamaha Yamaha 115 Steering Arm This oem part is guaranteed by yamaha's limited part. view parts diagrams and shop online for steering 1 f115 parts, 2003 outboard 115hp f115txrb. Newer yamaha f115, how to attach steering link arm? 32 rows these steering link arm kits will connect the yamaha outboard to the boat's steering system. Buy steering link arm kits. Genuine yamaha steering. Yamaha 115 Steering Arm.
From bottomlinemarine.com
YAMAHA Steering Link Arm Kit Heavy Duty Outboard Motor Rod Bar Yamaha 115 Steering Arm Genuine yamaha steering link arm kit. Yamaha outboard steering arm drag link 115 130 140 150 175 200 225 250 300 hp. view parts diagrams and shop online for steering 1 f115 parts, 2003 outboard 115hp f115txrb. This part is guaranteed by yamaha's limited part warranty free shipping on qualified orders. Newer yamaha f115, how to attach steering link. Yamaha 115 Steering Arm.
From www.crowleymarine.com
BRACKET 1 1998 Yamaha Outboard 115hp S115TLRW Crowley Marine Yamaha 115 Steering Arm This part is guaranteed by yamaha's limited part warranty free shipping on qualified orders. Genuine yamaha steering link arm kit. Yamaha outboard steering arm drag link 115 130 140 150 175 200 225 250 300 hp. Buy steering link arm kits. This oem part is guaranteed by yamaha's limited part. view parts diagrams and shop online for steering 1. Yamaha 115 Steering Arm.
From forums.iboats.com
Steering system/kit for a 1974 Mercury 500 Thunderbolt Boating Forum Yamaha 115 Steering Arm Buy steering link arm kits. I just installed a newer motor (2015 f115lb) on. Genuine yamaha steering link arm kit. 32 rows these steering link arm kits will connect the yamaha outboard to the boat's steering system. This oem part is guaranteed by yamaha's limited part. view parts diagrams and shop online for steering 1 f115 parts, 2003. Yamaha 115 Steering Arm.
From www.youtube.com
Tiller Hydraulic Outboard steering Yamaha 90 HP YouTube Yamaha 115 Steering Arm Yamaha outboard steering arm drag link 115 130 140 150 175 200 225 250 300 hp. This oem part is guaranteed by yamaha's limited part. view parts diagrams and shop online for steering 1 f115 parts, 2003 outboard 115hp f115txrb. 32 rows these steering link arm kits will connect the yamaha outboard to the boat's steering system. This. Yamaha 115 Steering Arm.
From www.thehulltruth.com
Yamaha Steering Swivel Repair for Tight Steering***Parts Available Yamaha 115 Steering Arm 32 rows these steering link arm kits will connect the yamaha outboard to the boat's steering system. Buy steering link arm kits. Genuine yamaha steering link arm kit. I just installed a newer motor (2015 f115lb) on. This part is guaranteed by yamaha's limited part warranty free shipping on qualified orders. Yamaha outboard steering arm drag link 115 130. Yamaha 115 Steering Arm.
From www.mercurymarine.com
Steering Tiller for 40115hp outboards Mercury Marine Yamaha 115 Steering Arm view parts diagrams and shop online for steering 1 f115 parts, 2003 outboard 115hp f115txrb. This part is guaranteed by yamaha's limited part warranty free shipping on qualified orders. This oem part is guaranteed by yamaha's limited part. Yamaha outboard steering arm drag link 115 130 140 150 175 200 225 250 300 hp. I just installed a newer. Yamaha 115 Steering Arm.
From www.caribbeanequipmenttraders.com
used Yamaha 115 HP V4 2Stroke 20 Outboard Motors Outboard Boat Engine Yamaha 115 Steering Arm This oem part is guaranteed by yamaha's limited part. 32 rows these steering link arm kits will connect the yamaha outboard to the boat's steering system. view parts diagrams and shop online for steering 1 f115 parts, 2003 outboard 115hp f115txrb. Genuine yamaha steering link arm kit. Buy steering link arm kits. Yamaha outboard steering arm drag link. Yamaha 115 Steering Arm.
From fauntleroysularoat68.blogspot.com
How To Repair Outboard Motor Steering Fauntleroy Sularoat68 Yamaha 115 Steering Arm This part is guaranteed by yamaha's limited part warranty free shipping on qualified orders. Newer yamaha f115, how to attach steering link arm? view parts diagrams and shop online for steering 1 f115 parts, 2003 outboard 115hp f115txrb. Yamaha outboard steering arm drag link 115 130 140 150 175 200 225 250 300 hp. 32 rows these steering. Yamaha 115 Steering Arm.
From www.jamestowndistributors.com
Swivel Bracket and Steering Arm FOR MARINER / MERCURY 115 EFI 4STROKE Yamaha 115 Steering Arm view parts diagrams and shop online for steering 1 f115 parts, 2003 outboard 115hp f115txrb. Newer yamaha f115, how to attach steering link arm? 32 rows these steering link arm kits will connect the yamaha outboard to the boat's steering system. This part is guaranteed by yamaha's limited part warranty free shipping on qualified orders. Yamaha outboard steering. Yamaha 115 Steering Arm.
From www.ebay.com
99661A 2 Mercury Outboard 45115 Hp Steering Arm Swivel Pin 99661A 4 eBay Yamaha 115 Steering Arm Buy steering link arm kits. This oem part is guaranteed by yamaha's limited part. I just installed a newer motor (2015 f115lb) on. Newer yamaha f115, how to attach steering link arm? This part is guaranteed by yamaha's limited part warranty free shipping on qualified orders. view parts diagrams and shop online for steering 1 f115 parts, 2003 outboard. Yamaha 115 Steering Arm.
From www.southcentraloutboards.com
5009615 Johnson Evinrude 19912010 Steering Arm 100 105 115 120 125 130 Yamaha 115 Steering Arm Buy steering link arm kits. Newer yamaha f115, how to attach steering link arm? This part is guaranteed by yamaha's limited part warranty free shipping on qualified orders. I just installed a newer motor (2015 f115lb) on. 32 rows these steering link arm kits will connect the yamaha outboard to the boat's steering system. view parts diagrams and. Yamaha 115 Steering Arm.
From www.crowleymarine.com
STEERING 2 (FOR F115) 2001 Yamaha Outboard 115hp F115TXRZ Crowley Yamaha 115 Steering Arm view parts diagrams and shop online for steering 1 f115 parts, 2003 outboard 115hp f115txrb. Yamaha outboard steering arm drag link 115 130 140 150 175 200 225 250 300 hp. I just installed a newer motor (2015 f115lb) on. Genuine yamaha steering link arm kit. This part is guaranteed by yamaha's limited part warranty free shipping on qualified. Yamaha 115 Steering Arm.
From www.crowleymarine.com
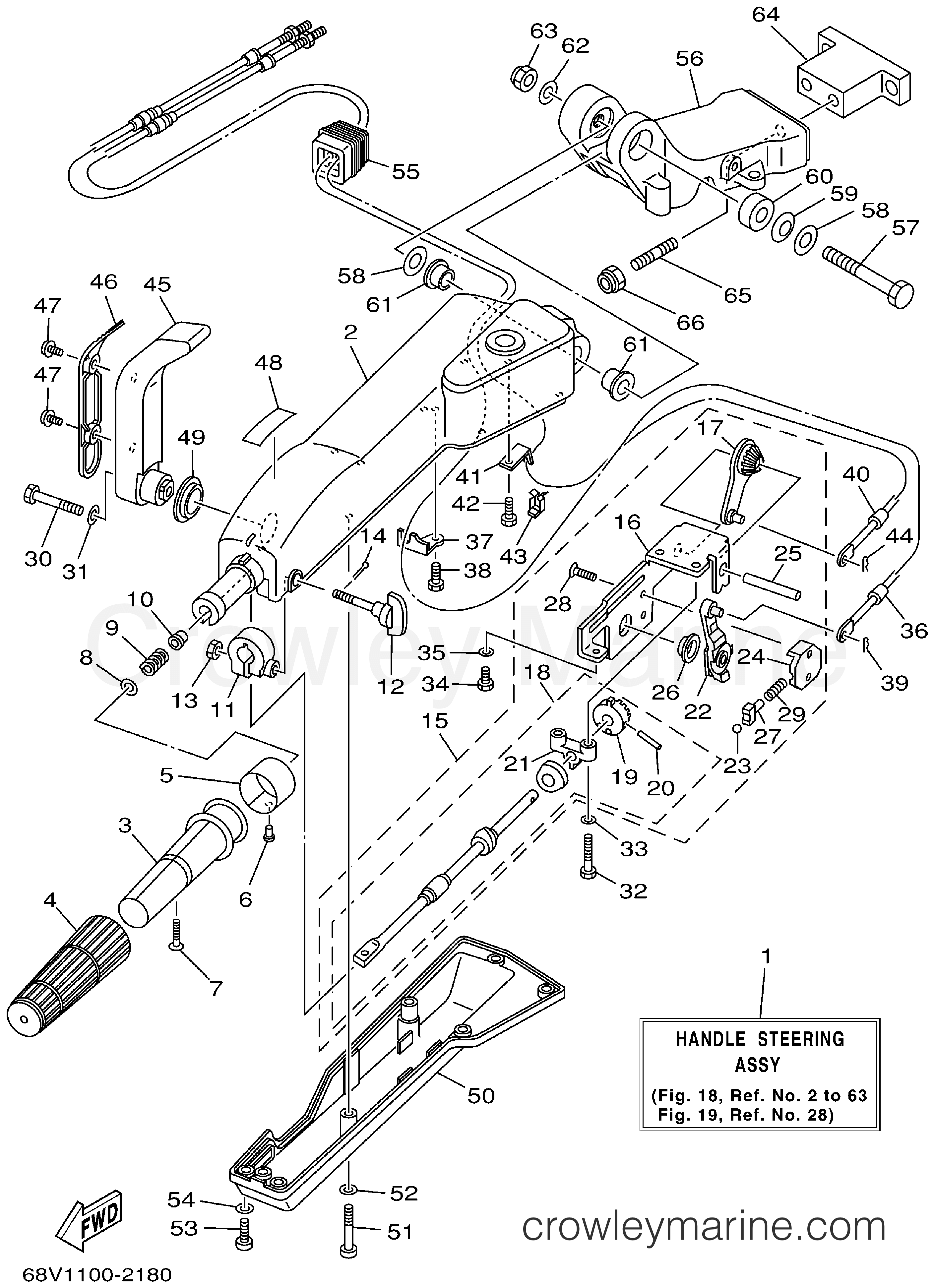
STEERING 1 (F115) 2002 Yamaha Outboard 115hp F115TLRA Crowley Marine Yamaha 115 Steering Arm I just installed a newer motor (2015 f115lb) on. Genuine yamaha steering link arm kit. Yamaha outboard steering arm drag link 115 130 140 150 175 200 225 250 300 hp. This oem part is guaranteed by yamaha's limited part. Newer yamaha f115, how to attach steering link arm? view parts diagrams and shop online for steering 1 f115. Yamaha 115 Steering Arm.
From www.studebaker-info.org
(Quick Steering Arms) Yamaha 115 Steering Arm Genuine yamaha steering link arm kit. I just installed a newer motor (2015 f115lb) on. Yamaha outboard steering arm drag link 115 130 140 150 175 200 225 250 300 hp. Newer yamaha f115, how to attach steering link arm? This part is guaranteed by yamaha's limited part warranty free shipping on qualified orders. This oem part is guaranteed by. Yamaha 115 Steering Arm.
From www.ebay.com
Mercury Steering Arm Swivel Pin Assembly 49841A1 19731977 65 80 85 115 Yamaha 115 Steering Arm Buy steering link arm kits. I just installed a newer motor (2015 f115lb) on. Genuine yamaha steering link arm kit. 32 rows these steering link arm kits will connect the yamaha outboard to the boat's steering system. This oem part is guaranteed by yamaha's limited part. Yamaha outboard steering arm drag link 115 130 140 150 175 200 225. Yamaha 115 Steering Arm.
From www.thehulltruth.com
2000 Yamaha 115 hard to steer until all the way to one side... Then Yamaha 115 Steering Arm Newer yamaha f115, how to attach steering link arm? Yamaha outboard steering arm drag link 115 130 140 150 175 200 225 250 300 hp. I just installed a newer motor (2015 f115lb) on. 32 rows these steering link arm kits will connect the yamaha outboard to the boat's steering system. Genuine yamaha steering link arm kit. This oem. Yamaha 115 Steering Arm.
From www.thehulltruth.com
Yamaha 175 steering unresponsive but the cable is fine?!?! The Hull Yamaha 115 Steering Arm This part is guaranteed by yamaha's limited part warranty free shipping on qualified orders. Buy steering link arm kits. view parts diagrams and shop online for steering 1 f115 parts, 2003 outboard 115hp f115txrb. Yamaha outboard steering arm drag link 115 130 140 150 175 200 225 250 300 hp. Genuine yamaha steering link arm kit. This oem part. Yamaha 115 Steering Arm.
From www.crowleymarine.com
STEERING (MH/EH) 2008 Yamaha Outboard 25hp 25MSH Crowley Marine Yamaha 115 Steering Arm 32 rows these steering link arm kits will connect the yamaha outboard to the boat's steering system. This part is guaranteed by yamaha's limited part warranty free shipping on qualified orders. Yamaha outboard steering arm drag link 115 130 140 150 175 200 225 250 300 hp. Genuine yamaha steering link arm kit. Buy steering link arm kits. Newer. Yamaha 115 Steering Arm.
From www.thehulltruth.com
Steering Arm 2006 Yamaha 115 4Stroke The Hull Truth Boating and Yamaha 115 Steering Arm Yamaha outboard steering arm drag link 115 130 140 150 175 200 225 250 300 hp. This part is guaranteed by yamaha's limited part warranty free shipping on qualified orders. 32 rows these steering link arm kits will connect the yamaha outboard to the boat's steering system. Newer yamaha f115, how to attach steering link arm? Genuine yamaha steering. Yamaha 115 Steering Arm.
From www.crowleymarine.com
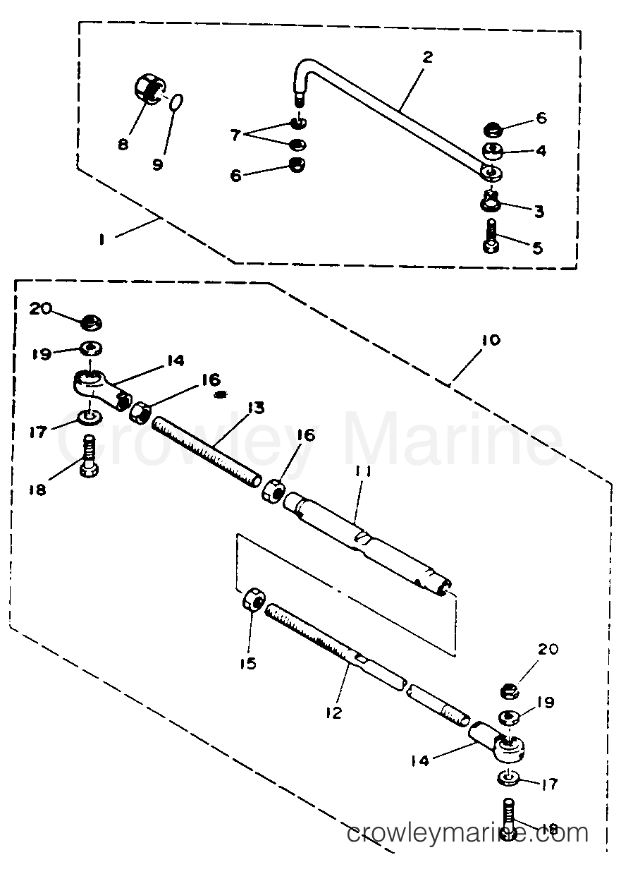
STEERING 2 F115 2003 Yamaha Outboard 115hp F115TXRB Crowley Marine Yamaha 115 Steering Arm This part is guaranteed by yamaha's limited part warranty free shipping on qualified orders. I just installed a newer motor (2015 f115lb) on. 32 rows these steering link arm kits will connect the yamaha outboard to the boat's steering system. Buy steering link arm kits. This oem part is guaranteed by yamaha's limited part. Yamaha outboard steering arm drag. Yamaha 115 Steering Arm.
From enginejohnnie101.z21.web.core.windows.net
Yamaha 115 Outboard Parts Diagram Yamaha 115 Steering Arm Buy steering link arm kits. view parts diagrams and shop online for steering 1 f115 parts, 2003 outboard 115hp f115txrb. This part is guaranteed by yamaha's limited part warranty free shipping on qualified orders. I just installed a newer motor (2015 f115lb) on. 32 rows these steering link arm kits will connect the yamaha outboard to the boat's. Yamaha 115 Steering Arm.
From www.justanswer.com
The steering bracket arm on my Yamaha 115 2 stroke is pretty rusted Yamaha 115 Steering Arm This oem part is guaranteed by yamaha's limited part. Buy steering link arm kits. view parts diagrams and shop online for steering 1 f115 parts, 2003 outboard 115hp f115txrb. Yamaha outboard steering arm drag link 115 130 140 150 175 200 225 250 300 hp. This part is guaranteed by yamaha's limited part warranty free shipping on qualified orders.. Yamaha 115 Steering Arm.
From www.grahambarclaymarine.com.au
Graham Barclay Marine NSW Mid North Coast Boating Centre SeaStar Yamaha 115 Steering Arm Newer yamaha f115, how to attach steering link arm? This oem part is guaranteed by yamaha's limited part. 32 rows these steering link arm kits will connect the yamaha outboard to the boat's steering system. Genuine yamaha steering link arm kit. Buy steering link arm kits. view parts diagrams and shop online for steering 1 f115 parts, 2003. Yamaha 115 Steering Arm.
From www.crowleymarine.com
STEERING GUIDE ATTACHMENT 1993 Yamaha Outboard 115hp C115TLRR Yamaha 115 Steering Arm This oem part is guaranteed by yamaha's limited part. Newer yamaha f115, how to attach steering link arm? This part is guaranteed by yamaha's limited part warranty free shipping on qualified orders. Buy steering link arm kits. Genuine yamaha steering link arm kit. 32 rows these steering link arm kits will connect the yamaha outboard to the boat's steering. Yamaha 115 Steering Arm.
From www.ebay.com
99661A 2 Mercury Outboard 45115 Hp Steering Arm Swivel Pin 99661A 4 eBay Yamaha 115 Steering Arm This oem part is guaranteed by yamaha's limited part. 32 rows these steering link arm kits will connect the yamaha outboard to the boat's steering system. I just installed a newer motor (2015 f115lb) on. This part is guaranteed by yamaha's limited part warranty free shipping on qualified orders. Genuine yamaha steering link arm kit. Buy steering link arm. Yamaha 115 Steering Arm.
From www.vansoutboardparts.com
Yamaha OUTBOARD 115 HP F115TXRD STEERING FRICTION Van’s Yamaha 115 Steering Arm I just installed a newer motor (2015 f115lb) on. view parts diagrams and shop online for steering 1 f115 parts, 2003 outboard 115hp f115txrb. This part is guaranteed by yamaha's limited part warranty free shipping on qualified orders. Newer yamaha f115, how to attach steering link arm? Genuine yamaha steering link arm kit. Yamaha outboard steering arm drag link. Yamaha 115 Steering Arm.
From www.crowleymarine.com
BRACKET 2 2014 Yamaha Outboard 115hp F115XB Crowley Marine Yamaha 115 Steering Arm Yamaha outboard steering arm drag link 115 130 140 150 175 200 225 250 300 hp. Buy steering link arm kits. Newer yamaha f115, how to attach steering link arm? view parts diagrams and shop online for steering 1 f115 parts, 2003 outboard 115hp f115txrb. This oem part is guaranteed by yamaha's limited part. 32 rows these steering. Yamaha 115 Steering Arm.
From www.crowleymarine.com
STEERING GUIDE 2014 Yamaha Outboard 115hp F115XB Crowley Marine Yamaha 115 Steering Arm Yamaha outboard steering arm drag link 115 130 140 150 175 200 225 250 300 hp. I just installed a newer motor (2015 f115lb) on. Buy steering link arm kits. This part is guaranteed by yamaha's limited part warranty free shipping on qualified orders. Newer yamaha f115, how to attach steering link arm? view parts diagrams and shop online. Yamaha 115 Steering Arm.
From www.boats.net
Mercury Outboard 115HP OEM Parts Diagram for Swivel Bracket and Yamaha 115 Steering Arm Yamaha outboard steering arm drag link 115 130 140 150 175 200 225 250 300 hp. I just installed a newer motor (2015 f115lb) on. Buy steering link arm kits. This part is guaranteed by yamaha's limited part warranty free shipping on qualified orders. view parts diagrams and shop online for steering 1 f115 parts, 2003 outboard 115hp f115txrb.. Yamaha 115 Steering Arm.
From www.crowleymarine.com
STEERING FRICTION (FOR F115) 2001 Yamaha Outboard 115hp F115TXRZ Yamaha 115 Steering Arm I just installed a newer motor (2015 f115lb) on. Buy steering link arm kits. This oem part is guaranteed by yamaha's limited part. view parts diagrams and shop online for steering 1 f115 parts, 2003 outboard 115hp f115txrb. Genuine yamaha steering link arm kit. 32 rows these steering link arm kits will connect the yamaha outboard to the. Yamaha 115 Steering Arm.
From pacermarine.co.uk
Yamaha Steering Guide Link Arm F8 F15 Pacermarine Yamaha 115 Steering Arm view parts diagrams and shop online for steering 1 f115 parts, 2003 outboard 115hp f115txrb. Yamaha outboard steering arm drag link 115 130 140 150 175 200 225 250 300 hp. Buy steering link arm kits. This part is guaranteed by yamaha's limited part warranty free shipping on qualified orders. Newer yamaha f115, how to attach steering link arm?. Yamaha 115 Steering Arm.
From reviewmotors.co
Yamaha 115 Hp Outboard Motor Reviews Reviewmotors.co Yamaha 115 Steering Arm This oem part is guaranteed by yamaha's limited part. I just installed a newer motor (2015 f115lb) on. Yamaha outboard steering arm drag link 115 130 140 150 175 200 225 250 300 hp. 32 rows these steering link arm kits will connect the yamaha outboard to the boat's steering system. Genuine yamaha steering link arm kit. Newer yamaha. Yamaha 115 Steering Arm.