Throttle Position Sensor 1 Circuit High . In this guide, we cover the bad throttle position sensor symptoms, so you can watch for signs of failure. — the p0123 code can be caused by a defective throttle position sensor or pedal position sensor, wiring issues, a dirty throttle body, or pcm. — if you’re experiencing an engine light on or service engine soon warning light, along with no throttle pedal response, it could be due to a faulty accelerator pedal position (app) sensor, an open or shorted app sensor harness, a poor electrical connection in the app sensor circuit, or a faulty powertrain control module (pcm). — the p0123 trouble code indicates that the engine control module (ecm) or powertrain control module (pcm) detected high output voltage from the. — how to fix p0123 code: Because this part has such a profound effect on the way your car engine runs, it’s important to know the symptoms of a bad throttle position sensor. — the p0123 diagnostic trouble code (dtc) indicates a throttle/pedal position sensor/switch 'a' circuit high. — the throttle position sensor (tps) monitors the operation of the throttle valve. — if you’re dealing with a p0123 code for throttle pedal position sensor a circuit high, it signifies a potential issue with the throttle position.
from www.carparts.com
— if you’re experiencing an engine light on or service engine soon warning light, along with no throttle pedal response, it could be due to a faulty accelerator pedal position (app) sensor, an open or shorted app sensor harness, a poor electrical connection in the app sensor circuit, or a faulty powertrain control module (pcm). Because this part has such a profound effect on the way your car engine runs, it’s important to know the symptoms of a bad throttle position sensor. — if you’re dealing with a p0123 code for throttle pedal position sensor a circuit high, it signifies a potential issue with the throttle position. — the p0123 code can be caused by a defective throttle position sensor or pedal position sensor, wiring issues, a dirty throttle body, or pcm. — the p0123 trouble code indicates that the engine control module (ecm) or powertrain control module (pcm) detected high output voltage from the. — the p0123 diagnostic trouble code (dtc) indicates a throttle/pedal position sensor/switch 'a' circuit high. In this guide, we cover the bad throttle position sensor symptoms, so you can watch for signs of failure. — how to fix p0123 code: — the throttle position sensor (tps) monitors the operation of the throttle valve.
P0121 Code Throttle/Pedal Position Sensor "A" Circuit Range
Throttle Position Sensor 1 Circuit High — if you’re dealing with a p0123 code for throttle pedal position sensor a circuit high, it signifies a potential issue with the throttle position. Because this part has such a profound effect on the way your car engine runs, it’s important to know the symptoms of a bad throttle position sensor. — the p0123 trouble code indicates that the engine control module (ecm) or powertrain control module (pcm) detected high output voltage from the. — how to fix p0123 code: — if you’re experiencing an engine light on or service engine soon warning light, along with no throttle pedal response, it could be due to a faulty accelerator pedal position (app) sensor, an open or shorted app sensor harness, a poor electrical connection in the app sensor circuit, or a faulty powertrain control module (pcm). In this guide, we cover the bad throttle position sensor symptoms, so you can watch for signs of failure. — the p0123 diagnostic trouble code (dtc) indicates a throttle/pedal position sensor/switch 'a' circuit high. — the throttle position sensor (tps) monitors the operation of the throttle valve. — the p0123 code can be caused by a defective throttle position sensor or pedal position sensor, wiring issues, a dirty throttle body, or pcm. — if you’re dealing with a p0123 code for throttle pedal position sensor a circuit high, it signifies a potential issue with the throttle position.
From www.enginelabs.com
Video EFI U Helps You Understand Your Throttle Position Sensor Throttle Position Sensor 1 Circuit High — the p0123 diagnostic trouble code (dtc) indicates a throttle/pedal position sensor/switch 'a' circuit high. — the throttle position sensor (tps) monitors the operation of the throttle valve. In this guide, we cover the bad throttle position sensor symptoms, so you can watch for signs of failure. — if you’re experiencing an engine light on or service. Throttle Position Sensor 1 Circuit High.
From www.desertcart.in
Buy Throttle Position Sensor, Auto Throttle Position Sensor Simple Throttle Position Sensor 1 Circuit High — the p0123 code can be caused by a defective throttle position sensor or pedal position sensor, wiring issues, a dirty throttle body, or pcm. In this guide, we cover the bad throttle position sensor symptoms, so you can watch for signs of failure. — if you’re dealing with a p0123 code for throttle pedal position sensor a. Throttle Position Sensor 1 Circuit High.
From sbdmotorsport.co.uk
Throttle Position Sensor with AMP Connector Throttle Position Sensor 1 Circuit High — if you’re experiencing an engine light on or service engine soon warning light, along with no throttle pedal response, it could be due to a faulty accelerator pedal position (app) sensor, an open or shorted app sensor harness, a poor electrical connection in the app sensor circuit, or a faulty powertrain control module (pcm). In this guide, we. Throttle Position Sensor 1 Circuit High.
From www.loreada.cn
TPS Throttle Position Sensor Current page 1 Throttle Position Sensor 1 Circuit High — the p0123 trouble code indicates that the engine control module (ecm) or powertrain control module (pcm) detected high output voltage from the. — the throttle position sensor (tps) monitors the operation of the throttle valve. — the p0123 code can be caused by a defective throttle position sensor or pedal position sensor, wiring issues, a dirty. Throttle Position Sensor 1 Circuit High.
From www.carparts.com
P0121 Code Throttle/Pedal Position Sensor "A" Circuit Range Throttle Position Sensor 1 Circuit High — if you’re dealing with a p0123 code for throttle pedal position sensor a circuit high, it signifies a potential issue with the throttle position. — the p0123 code can be caused by a defective throttle position sensor or pedal position sensor, wiring issues, a dirty throttle body, or pcm. Because this part has such a profound effect. Throttle Position Sensor 1 Circuit High.
From www.carid.com
Standard® Ford F150 1993 Throttle Position Sensor Throttle Position Sensor 1 Circuit High — the p0123 diagnostic trouble code (dtc) indicates a throttle/pedal position sensor/switch 'a' circuit high. In this guide, we cover the bad throttle position sensor symptoms, so you can watch for signs of failure. — if you’re dealing with a p0123 code for throttle pedal position sensor a circuit high, it signifies a potential issue with the throttle. Throttle Position Sensor 1 Circuit High.
From www.counterman.com
What Happened to ThrottlePosition Sensors? Throttle Position Sensor 1 Circuit High Because this part has such a profound effect on the way your car engine runs, it’s important to know the symptoms of a bad throttle position sensor. — the p0123 trouble code indicates that the engine control module (ecm) or powertrain control module (pcm) detected high output voltage from the. — how to fix p0123 code: —. Throttle Position Sensor 1 Circuit High.
From www.walmart.com
Throttle Position Sensor, TPS Throttle Sensor 13580 27G21 Engine Throttle Position Sensor 1 Circuit High — if you’re experiencing an engine light on or service engine soon warning light, along with no throttle pedal response, it could be due to a faulty accelerator pedal position (app) sensor, an open or shorted app sensor harness, a poor electrical connection in the app sensor circuit, or a faulty powertrain control module (pcm). — the throttle. Throttle Position Sensor 1 Circuit High.
From www.carparts.com
P2120 Code Throttle Position Sensor/Switch C Circuit Malfunction In Throttle Position Sensor 1 Circuit High — if you’re experiencing an engine light on or service engine soon warning light, along with no throttle pedal response, it could be due to a faulty accelerator pedal position (app) sensor, an open or shorted app sensor harness, a poor electrical connection in the app sensor circuit, or a faulty powertrain control module (pcm). In this guide, we. Throttle Position Sensor 1 Circuit High.
From www.carparts.com
P2121 Code Throttle / Pedal Position Sensor / Switch "D" Circuit Range Throttle Position Sensor 1 Circuit High In this guide, we cover the bad throttle position sensor symptoms, so you can watch for signs of failure. — if you’re experiencing an engine light on or service engine soon warning light, along with no throttle pedal response, it could be due to a faulty accelerator pedal position (app) sensor, an open or shorted app sensor harness, a. Throttle Position Sensor 1 Circuit High.
From ricksfreeautorepairadvice.com
Diagnose and Replace throttle position sensor TPS Ricks Free Auto Throttle Position Sensor 1 Circuit High — if you’re experiencing an engine light on or service engine soon warning light, along with no throttle pedal response, it could be due to a faulty accelerator pedal position (app) sensor, an open or shorted app sensor harness, a poor electrical connection in the app sensor circuit, or a faulty powertrain control module (pcm). — the p0123. Throttle Position Sensor 1 Circuit High.
From www.carparts.com
P2123 Code Throttle/Pedal Position Sensor/Switch “D” Circuit High In Throttle Position Sensor 1 Circuit High — the p0123 trouble code indicates that the engine control module (ecm) or powertrain control module (pcm) detected high output voltage from the. In this guide, we cover the bad throttle position sensor symptoms, so you can watch for signs of failure. — if you’re experiencing an engine light on or service engine soon warning light, along with. Throttle Position Sensor 1 Circuit High.
From www.carparts.com
P2078 Code Intake Manifold Tuning (IMT) Valve Position Sensor/Switch Throttle Position Sensor 1 Circuit High Because this part has such a profound effect on the way your car engine runs, it’s important to know the symptoms of a bad throttle position sensor. In this guide, we cover the bad throttle position sensor symptoms, so you can watch for signs of failure. — the p0123 diagnostic trouble code (dtc) indicates a throttle/pedal position sensor/switch 'a'. Throttle Position Sensor 1 Circuit High.
From www.carid.com
Standard® TH149 Throttle Position Sensor Throttle Position Sensor 1 Circuit High — the p0123 diagnostic trouble code (dtc) indicates a throttle/pedal position sensor/switch 'a' circuit high. — if you’re experiencing an engine light on or service engine soon warning light, along with no throttle pedal response, it could be due to a faulty accelerator pedal position (app) sensor, an open or shorted app sensor harness, a poor electrical connection. Throttle Position Sensor 1 Circuit High.
From www.youtube.com
P0123 Throttle Pedal Position Sensor/Switch (TPS) A Circuit High Input Throttle Position Sensor 1 Circuit High — the p0123 trouble code indicates that the engine control module (ecm) or powertrain control module (pcm) detected high output voltage from the. — if you’re dealing with a p0123 code for throttle pedal position sensor a circuit high, it signifies a potential issue with the throttle position. — the p0123 code can be caused by a. Throttle Position Sensor 1 Circuit High.
From discourse.agopengps.com
Throttle Position Sensor as WAS Autosteer AgOpenGPS Throttle Position Sensor 1 Circuit High — the throttle position sensor (tps) monitors the operation of the throttle valve. Because this part has such a profound effect on the way your car engine runs, it’s important to know the symptoms of a bad throttle position sensor. — the p0123 diagnostic trouble code (dtc) indicates a throttle/pedal position sensor/switch 'a' circuit high. — the. Throttle Position Sensor 1 Circuit High.
From www.youtube.com
How to fix p0122 throttle/pedal position sensor/switch a circuit low Throttle Position Sensor 1 Circuit High — the p0123 diagnostic trouble code (dtc) indicates a throttle/pedal position sensor/switch 'a' circuit high. Because this part has such a profound effect on the way your car engine runs, it’s important to know the symptoms of a bad throttle position sensor. — if you’re dealing with a p0123 code for throttle pedal position sensor a circuit high,. Throttle Position Sensor 1 Circuit High.
From www.youtube.com
Throttle Position Sensor P0122 & P0123 Testing and Replacement YouTube Throttle Position Sensor 1 Circuit High — the p0123 trouble code indicates that the engine control module (ecm) or powertrain control module (pcm) detected high output voltage from the. — the p0123 diagnostic trouble code (dtc) indicates a throttle/pedal position sensor/switch 'a' circuit high. — if you’re experiencing an engine light on or service engine soon warning light, along with no throttle pedal. Throttle Position Sensor 1 Circuit High.
From www.youtube.com
How to fix p0122/ P0121 throttle/pedal position sensor/switch a circuit Throttle Position Sensor 1 Circuit High — how to fix p0123 code: — the p0123 code can be caused by a defective throttle position sensor or pedal position sensor, wiring issues, a dirty throttle body, or pcm. In this guide, we cover the bad throttle position sensor symptoms, so you can watch for signs of failure. — the throttle position sensor (tps) monitors. Throttle Position Sensor 1 Circuit High.
From www.youtube.com
P0121 Throttle Pedal Position Sensor Switch A Circuit Range Performance Throttle Position Sensor 1 Circuit High Because this part has such a profound effect on the way your car engine runs, it’s important to know the symptoms of a bad throttle position sensor. — the p0123 code can be caused by a defective throttle position sensor or pedal position sensor, wiring issues, a dirty throttle body, or pcm. — if you’re experiencing an engine. Throttle Position Sensor 1 Circuit High.
From www.carparts.com
P0406 Code Exhaust Gas Recirculation Sensor A Circuit High In The Throttle Position Sensor 1 Circuit High — the p0123 trouble code indicates that the engine control module (ecm) or powertrain control module (pcm) detected high output voltage from the. — the p0123 code can be caused by a defective throttle position sensor or pedal position sensor, wiring issues, a dirty throttle body, or pcm. — if you’re dealing with a p0123 code for. Throttle Position Sensor 1 Circuit High.
From www.pinterest.com
Throttle Position Sensor Toyota Engine Control Systems in 2020 Throttle Position Sensor 1 Circuit High — the throttle position sensor (tps) monitors the operation of the throttle valve. — the p0123 code can be caused by a defective throttle position sensor or pedal position sensor, wiring issues, a dirty throttle body, or pcm. — the p0123 trouble code indicates that the engine control module (ecm) or powertrain control module (pcm) detected high. Throttle Position Sensor 1 Circuit High.
From www.carparts.com
P0122 Code Throttle Position Sensor/Switch A Circuit Low Input In Throttle Position Sensor 1 Circuit High — the p0123 code can be caused by a defective throttle position sensor or pedal position sensor, wiring issues, a dirty throttle body, or pcm. — the p0123 trouble code indicates that the engine control module (ecm) or powertrain control module (pcm) detected high output voltage from the. — how to fix p0123 code: — the. Throttle Position Sensor 1 Circuit High.
From mitsubishitechinfo.com
13BDTC P0123 Throttle Position Sensor (Main) Circuit High Input Throttle Position Sensor 1 Circuit High — if you’re experiencing an engine light on or service engine soon warning light, along with no throttle pedal response, it could be due to a faulty accelerator pedal position (app) sensor, an open or shorted app sensor harness, a poor electrical connection in the app sensor circuit, or a faulty powertrain control module (pcm). In this guide, we. Throttle Position Sensor 1 Circuit High.
From www.desertcart.in
Buy Throttle Position Sensor, High Stability Quick Response Simple Throttle Position Sensor 1 Circuit High — the p0123 diagnostic trouble code (dtc) indicates a throttle/pedal position sensor/switch 'a' circuit high. — if you’re dealing with a p0123 code for throttle pedal position sensor a circuit high, it signifies a potential issue with the throttle position. — the p0123 trouble code indicates that the engine control module (ecm) or powertrain control module (pcm). Throttle Position Sensor 1 Circuit High.
From www.autozone.com
Duralast Gold Throttle Position Sensor (TPS) TPS228DG Throttle Position Sensor 1 Circuit High — the p0123 trouble code indicates that the engine control module (ecm) or powertrain control module (pcm) detected high output voltage from the. — how to fix p0123 code: — the p0123 diagnostic trouble code (dtc) indicates a throttle/pedal position sensor/switch 'a' circuit high. — the p0123 code can be caused by a defective throttle position. Throttle Position Sensor 1 Circuit High.
From www.scribd.com
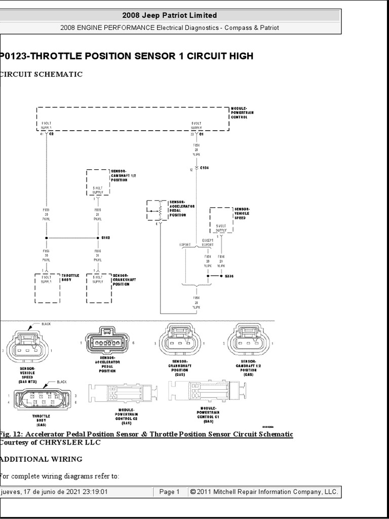
P0123Throttle Position Sensor 1 Circuit High 2008 Jeep Patriot Throttle Position Sensor 1 Circuit High — the p0123 diagnostic trouble code (dtc) indicates a throttle/pedal position sensor/switch 'a' circuit high. — the p0123 trouble code indicates that the engine control module (ecm) or powertrain control module (pcm) detected high output voltage from the. Because this part has such a profound effect on the way your car engine runs, it’s important to know the. Throttle Position Sensor 1 Circuit High.
From gambrick.com
How To Reset Throttle Position Sensor 1.0 Modern Design Throttle Position Sensor 1 Circuit High In this guide, we cover the bad throttle position sensor symptoms, so you can watch for signs of failure. — the p0123 code can be caused by a defective throttle position sensor or pedal position sensor, wiring issues, a dirty throttle body, or pcm. — the p0123 trouble code indicates that the engine control module (ecm) or powertrain. Throttle Position Sensor 1 Circuit High.
From mechanicflutterby157olp.z21.web.core.windows.net
What To Do After Replacing Throttle Position Sensor Throttle Position Sensor 1 Circuit High — the p0123 code can be caused by a defective throttle position sensor or pedal position sensor, wiring issues, a dirty throttle body, or pcm. — the p0123 diagnostic trouble code (dtc) indicates a throttle/pedal position sensor/switch 'a' circuit high. — the p0123 trouble code indicates that the engine control module (ecm) or powertrain control module (pcm). Throttle Position Sensor 1 Circuit High.
From zinref.ru
Jeep Grand Cherokee WK. Manual part 882 Throttle Position Sensor 1 Circuit High In this guide, we cover the bad throttle position sensor symptoms, so you can watch for signs of failure. — the p0123 code can be caused by a defective throttle position sensor or pedal position sensor, wiring issues, a dirty throttle body, or pcm. — the p0123 diagnostic trouble code (dtc) indicates a throttle/pedal position sensor/switch 'a' circuit. Throttle Position Sensor 1 Circuit High.
From www.repairsmith.com
What Is The Throttle Position Sensor? (Plus Symptoms, Replacement Throttle Position Sensor 1 Circuit High Because this part has such a profound effect on the way your car engine runs, it’s important to know the symptoms of a bad throttle position sensor. — the p0123 diagnostic trouble code (dtc) indicates a throttle/pedal position sensor/switch 'a' circuit high. — if you’re dealing with a p0123 code for throttle pedal position sensor a circuit high,. Throttle Position Sensor 1 Circuit High.
From www.carparts.com
P0229 Code Throttle/Pedal Position Sensor Switch “C” Circuit Throttle Position Sensor 1 Circuit High — the p0123 code can be caused by a defective throttle position sensor or pedal position sensor, wiring issues, a dirty throttle body, or pcm. — the throttle position sensor (tps) monitors the operation of the throttle valve. — if you’re dealing with a p0123 code for throttle pedal position sensor a circuit high, it signifies a. Throttle Position Sensor 1 Circuit High.
From www.obd2-code.com
P0123 Throttle Position Sensor 1 circuit high Obd2code Throttle Position Sensor 1 Circuit High — the p0123 diagnostic trouble code (dtc) indicates a throttle/pedal position sensor/switch 'a' circuit high. — the p0123 code can be caused by a defective throttle position sensor or pedal position sensor, wiring issues, a dirty throttle body, or pcm. Because this part has such a profound effect on the way your car engine runs, it’s important to. Throttle Position Sensor 1 Circuit High.
From www.carparts.com
P2121 Code Throttle / Pedal Position Sensor / Switch "D" Circuit Range Throttle Position Sensor 1 Circuit High Because this part has such a profound effect on the way your car engine runs, it’s important to know the symptoms of a bad throttle position sensor. — the p0123 diagnostic trouble code (dtc) indicates a throttle/pedal position sensor/switch 'a' circuit high. — the p0123 trouble code indicates that the engine control module (ecm) or powertrain control module. Throttle Position Sensor 1 Circuit High.
From exoysqwof.blob.core.windows.net
Throttle Position Sensor Circuit Switch at Marie Herr blog Throttle Position Sensor 1 Circuit High In this guide, we cover the bad throttle position sensor symptoms, so you can watch for signs of failure. — the p0123 trouble code indicates that the engine control module (ecm) or powertrain control module (pcm) detected high output voltage from the. — if you’re dealing with a p0123 code for throttle pedal position sensor a circuit high,. Throttle Position Sensor 1 Circuit High.