Input Inductor Design . There are significant advantages to be gained. Better efficiency, reduced size, and lower costs have combined to make the switching regulator a viable method for converting unfiltered dc input. There are many factors that impact a design: Filter inductors, boost inductors and flyback transfonners are all members of the power inductor family. There are four parameters required to achieve a good design: An inductor is a device whose purpose is to store and release energy. These resources are intended for skilled developers designing with ti products. This document explains how to choose and design the optimal input filter for switching power supply applications. Cost, size, temperature rise and material availability. You are solely responsible for (1) selecting the. A filter inductor uses this capability to smooth the current through it and.
from www.learnpick.in
Cost, size, temperature rise and material availability. An inductor is a device whose purpose is to store and release energy. This document explains how to choose and design the optimal input filter for switching power supply applications. A filter inductor uses this capability to smooth the current through it and. Filter inductors, boost inductors and flyback transfonners are all members of the power inductor family. There are four parameters required to achieve a good design: There are significant advantages to be gained. You are solely responsible for (1) selecting the. Better efficiency, reduced size, and lower costs have combined to make the switching regulator a viable method for converting unfiltered dc input. There are many factors that impact a design:
Active Inductor Design PowerPoint Slides LearnPick India
Input Inductor Design You are solely responsible for (1) selecting the. There are four parameters required to achieve a good design: There are many factors that impact a design: Filter inductors, boost inductors and flyback transfonners are all members of the power inductor family. This document explains how to choose and design the optimal input filter for switching power supply applications. These resources are intended for skilled developers designing with ti products. Cost, size, temperature rise and material availability. There are significant advantages to be gained. A filter inductor uses this capability to smooth the current through it and. Better efficiency, reduced size, and lower costs have combined to make the switching regulator a viable method for converting unfiltered dc input. You are solely responsible for (1) selecting the. An inductor is a device whose purpose is to store and release energy.
From www.allaboutcircuits.com
Basic Inductor Design Technical Articles Input Inductor Design A filter inductor uses this capability to smooth the current through it and. You are solely responsible for (1) selecting the. Cost, size, temperature rise and material availability. There are significant advantages to be gained. These resources are intended for skilled developers designing with ti products. An inductor is a device whose purpose is to store and release energy. There. Input Inductor Design.
From www.chegg.com
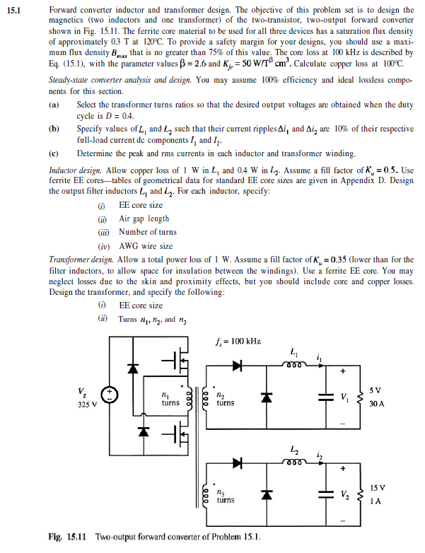
Forward converter inductor and transformer design. Input Inductor Design Filter inductors, boost inductors and flyback transfonners are all members of the power inductor family. An inductor is a device whose purpose is to store and release energy. These resources are intended for skilled developers designing with ti products. Better efficiency, reduced size, and lower costs have combined to make the switching regulator a viable method for converting unfiltered dc. Input Inductor Design.
From schottcorp.com
Input Inductors Schott Input Inductor Design There are many factors that impact a design: A filter inductor uses this capability to smooth the current through it and. There are significant advantages to be gained. You are solely responsible for (1) selecting the. These resources are intended for skilled developers designing with ti products. Better efficiency, reduced size, and lower costs have combined to make the switching. Input Inductor Design.
From www.electrician-1.com
on video Understanding Inductors The Basics, Types, and Applications Input Inductor Design Better efficiency, reduced size, and lower costs have combined to make the switching regulator a viable method for converting unfiltered dc input. A filter inductor uses this capability to smooth the current through it and. An inductor is a device whose purpose is to store and release energy. There are four parameters required to achieve a good design: There are. Input Inductor Design.
From passive-components.eu
How to Design an Inductor Input Inductor Design Cost, size, temperature rise and material availability. An inductor is a device whose purpose is to store and release energy. A filter inductor uses this capability to smooth the current through it and. There are four parameters required to achieve a good design: These resources are intended for skilled developers designing with ti products. There are significant advantages to be. Input Inductor Design.
From electricalworkbook.com
What is Series Inductor Filter? Working, Diagram, Waveforms & Formula Input Inductor Design Better efficiency, reduced size, and lower costs have combined to make the switching regulator a viable method for converting unfiltered dc input. There are significant advantages to be gained. Cost, size, temperature rise and material availability. Filter inductors, boost inductors and flyback transfonners are all members of the power inductor family. This document explains how to choose and design the. Input Inductor Design.
From www.allaboutcircuits.com
Basic Inductor Design Technical Articles Input Inductor Design You are solely responsible for (1) selecting the. There are significant advantages to be gained. Better efficiency, reduced size, and lower costs have combined to make the switching regulator a viable method for converting unfiltered dc input. These resources are intended for skilled developers designing with ti products. Cost, size, temperature rise and material availability. This document explains how to. Input Inductor Design.
From www.comsol.de
Evaluate Your 3D Inductor Design with COMSOL Multiphysics COMSOL Blog Input Inductor Design An inductor is a device whose purpose is to store and release energy. There are significant advantages to be gained. These resources are intended for skilled developers designing with ti products. Filter inductors, boost inductors and flyback transfonners are all members of the power inductor family. You are solely responsible for (1) selecting the. There are four parameters required to. Input Inductor Design.
From www.allaboutcircuits.com
Understanding Inductor Designs for Converters Technical Articles Input Inductor Design There are four parameters required to achieve a good design: These resources are intended for skilled developers designing with ti products. An inductor is a device whose purpose is to store and release energy. Filter inductors, boost inductors and flyback transfonners are all members of the power inductor family. A filter inductor uses this capability to smooth the current through. Input Inductor Design.
From www.slideserve.com
PPT NEPTUNE Converter PowerPoint Presentation, free download ID5756527 Input Inductor Design There are significant advantages to be gained. There are many factors that impact a design: These resources are intended for skilled developers designing with ti products. There are four parameters required to achieve a good design: Cost, size, temperature rise and material availability. You are solely responsible for (1) selecting the. This document explains how to choose and design the. Input Inductor Design.
From passive-components.eu
How to Design an Inductor Input Inductor Design You are solely responsible for (1) selecting the. An inductor is a device whose purpose is to store and release energy. A filter inductor uses this capability to smooth the current through it and. Filter inductors, boost inductors and flyback transfonners are all members of the power inductor family. Better efficiency, reduced size, and lower costs have combined to make. Input Inductor Design.
From electricalacademia.com
Inductor Types and Symbols Electrical Academia Input Inductor Design A filter inductor uses this capability to smooth the current through it and. There are significant advantages to be gained. There are four parameters required to achieve a good design: An inductor is a device whose purpose is to store and release energy. Filter inductors, boost inductors and flyback transfonners are all members of the power inductor family. There are. Input Inductor Design.
From dw-inductionheater.com
How to design induction heating coilinductor designinduction coil design Input Inductor Design Better efficiency, reduced size, and lower costs have combined to make the switching regulator a viable method for converting unfiltered dc input. Filter inductors, boost inductors and flyback transfonners are all members of the power inductor family. Cost, size, temperature rise and material availability. You are solely responsible for (1) selecting the. A filter inductor uses this capability to smooth. Input Inductor Design.
From www.youtube.com
Inductor Explained What is Inductor / Coil How Inductor Works in Input Inductor Design An inductor is a device whose purpose is to store and release energy. Better efficiency, reduced size, and lower costs have combined to make the switching regulator a viable method for converting unfiltered dc input. Cost, size, temperature rise and material availability. There are many factors that impact a design: There are four parameters required to achieve a good design:. Input Inductor Design.
From passive-components.eu
Würth Elektronik How do I select the right inductor for a DC/DC Input Inductor Design Cost, size, temperature rise and material availability. Filter inductors, boost inductors and flyback transfonners are all members of the power inductor family. Better efficiency, reduced size, and lower costs have combined to make the switching regulator a viable method for converting unfiltered dc input. A filter inductor uses this capability to smooth the current through it and. An inductor is. Input Inductor Design.
From www.researchgate.net
Input inductors current and input current ripple Download Scientific Input Inductor Design There are four parameters required to achieve a good design: There are significant advantages to be gained. Filter inductors, boost inductors and flyback transfonners are all members of the power inductor family. There are many factors that impact a design: You are solely responsible for (1) selecting the. This document explains how to choose and design the optimal input filter. Input Inductor Design.
From www.researchgate.net
Low noise amplifier with inductor at the input Download Scientific Input Inductor Design These resources are intended for skilled developers designing with ti products. A filter inductor uses this capability to smooth the current through it and. You are solely responsible for (1) selecting the. There are significant advantages to be gained. There are four parameters required to achieve a good design: Better efficiency, reduced size, and lower costs have combined to make. Input Inductor Design.
From www.slideserve.com
PPT Resonant Boost Converter Design PowerPoint Presentation, free Input Inductor Design Filter inductors, boost inductors and flyback transfonners are all members of the power inductor family. You are solely responsible for (1) selecting the. There are many factors that impact a design: An inductor is a device whose purpose is to store and release energy. This document explains how to choose and design the optimal input filter for switching power supply. Input Inductor Design.
From www.allaboutcircuits.com
Understanding Inductor Designs for Converters Technical Articles Input Inductor Design You are solely responsible for (1) selecting the. There are significant advantages to be gained. This document explains how to choose and design the optimal input filter for switching power supply applications. Cost, size, temperature rise and material availability. There are many factors that impact a design: An inductor is a device whose purpose is to store and release energy.. Input Inductor Design.
From www.circuitbasics.com
A Complete Guide to Design and Build a HiFi LM3886 Amplifier Circuit Input Inductor Design You are solely responsible for (1) selecting the. There are four parameters required to achieve a good design: There are significant advantages to be gained. Cost, size, temperature rise and material availability. These resources are intended for skilled developers designing with ti products. An inductor is a device whose purpose is to store and release energy. A filter inductor uses. Input Inductor Design.
From www.youtube.com
Inductor Design How Inductor core selecting using Area product Method Input Inductor Design These resources are intended for skilled developers designing with ti products. You are solely responsible for (1) selecting the. There are significant advantages to be gained. Filter inductors, boost inductors and flyback transfonners are all members of the power inductor family. Cost, size, temperature rise and material availability. A filter inductor uses this capability to smooth the current through it. Input Inductor Design.
From www.slideserve.com
PPT NEPTUNE Converter PowerPoint Presentation, free download ID5756527 Input Inductor Design These resources are intended for skilled developers designing with ti products. You are solely responsible for (1) selecting the. Better efficiency, reduced size, and lower costs have combined to make the switching regulator a viable method for converting unfiltered dc input. Filter inductors, boost inductors and flyback transfonners are all members of the power inductor family. There are many factors. Input Inductor Design.
From www.allaboutcircuits.com
Understanding Inductor Designs for Converters Input Inductor Design Better efficiency, reduced size, and lower costs have combined to make the switching regulator a viable method for converting unfiltered dc input. This document explains how to choose and design the optimal input filter for switching power supply applications. There are significant advantages to be gained. A filter inductor uses this capability to smooth the current through it and. You. Input Inductor Design.
From electricalampere.com
What is Inductor ? Definition, Function, Types, and Applications Input Inductor Design A filter inductor uses this capability to smooth the current through it and. This document explains how to choose and design the optimal input filter for switching power supply applications. There are significant advantages to be gained. Cost, size, temperature rise and material availability. Filter inductors, boost inductors and flyback transfonners are all members of the power inductor family. There. Input Inductor Design.
From www.researchgate.net
[PDF] Optimal inductor design for singlephase threelevel bridgeless Input Inductor Design There are significant advantages to be gained. There are four parameters required to achieve a good design: There are many factors that impact a design: These resources are intended for skilled developers designing with ti products. Cost, size, temperature rise and material availability. An inductor is a device whose purpose is to store and release energy. Better efficiency, reduced size,. Input Inductor Design.
From www.allaboutcircuits.com
Basic Inductor Design Technical Articles Input Inductor Design These resources are intended for skilled developers designing with ti products. There are many factors that impact a design: This document explains how to choose and design the optimal input filter for switching power supply applications. A filter inductor uses this capability to smooth the current through it and. There are four parameters required to achieve a good design: Filter. Input Inductor Design.
From passive-components.eu
How to Design an Inductor Input Inductor Design Filter inductors, boost inductors and flyback transfonners are all members of the power inductor family. Better efficiency, reduced size, and lower costs have combined to make the switching regulator a viable method for converting unfiltered dc input. You are solely responsible for (1) selecting the. This document explains how to choose and design the optimal input filter for switching power. Input Inductor Design.
From www.allaboutcircuits.com
Understanding Inductor Designs for Converters Technical Articles Input Inductor Design There are significant advantages to be gained. Filter inductors, boost inductors and flyback transfonners are all members of the power inductor family. There are many factors that impact a design: An inductor is a device whose purpose is to store and release energy. Better efficiency, reduced size, and lower costs have combined to make the switching regulator a viable method. Input Inductor Design.
From www.learnpick.in
Active Inductor Design PowerPoint Slides LearnPick India Input Inductor Design A filter inductor uses this capability to smooth the current through it and. Cost, size, temperature rise and material availability. Better efficiency, reduced size, and lower costs have combined to make the switching regulator a viable method for converting unfiltered dc input. An inductor is a device whose purpose is to store and release energy. Filter inductors, boost inductors and. Input Inductor Design.
From www.vrogue.co
Inductor Design For Buck Boost Converter vrogue.co Input Inductor Design These resources are intended for skilled developers designing with ti products. Cost, size, temperature rise and material availability. Filter inductors, boost inductors and flyback transfonners are all members of the power inductor family. There are four parameters required to achieve a good design: Better efficiency, reduced size, and lower costs have combined to make the switching regulator a viable method. Input Inductor Design.
From www.researchgate.net
Compact inductor design used in the input LC highpass filter (a Input Inductor Design There are four parameters required to achieve a good design: Better efficiency, reduced size, and lower costs have combined to make the switching regulator a viable method for converting unfiltered dc input. A filter inductor uses this capability to smooth the current through it and. There are significant advantages to be gained. This document explains how to choose and design. Input Inductor Design.
From alhaytlna.blogspot.com
Inductor Design For Filter Input Inductor Design Better efficiency, reduced size, and lower costs have combined to make the switching regulator a viable method for converting unfiltered dc input. There are four parameters required to achieve a good design: You are solely responsible for (1) selecting the. There are significant advantages to be gained. Filter inductors, boost inductors and flyback transfonners are all members of the power. Input Inductor Design.
From schottcorp.com
Input Inductors Schott Input Inductor Design These resources are intended for skilled developers designing with ti products. Better efficiency, reduced size, and lower costs have combined to make the switching regulator a viable method for converting unfiltered dc input. You are solely responsible for (1) selecting the. A filter inductor uses this capability to smooth the current through it and. Cost, size, temperature rise and material. Input Inductor Design.
From www.allaboutcircuits.com
Understanding Inductor Designs for Converters Technical Articles Input Inductor Design There are many factors that impact a design: These resources are intended for skilled developers designing with ti products. You are solely responsible for (1) selecting the. There are significant advantages to be gained. An inductor is a device whose purpose is to store and release energy. Better efficiency, reduced size, and lower costs have combined to make the switching. Input Inductor Design.
From www.circuitstoday.com
Filter CircuitsWorkingSeries Inductor,Shunt Capacitor,RC Filter,LC,Pi Input Inductor Design An inductor is a device whose purpose is to store and release energy. There are significant advantages to be gained. Better efficiency, reduced size, and lower costs have combined to make the switching regulator a viable method for converting unfiltered dc input. There are many factors that impact a design: A filter inductor uses this capability to smooth the current. Input Inductor Design.