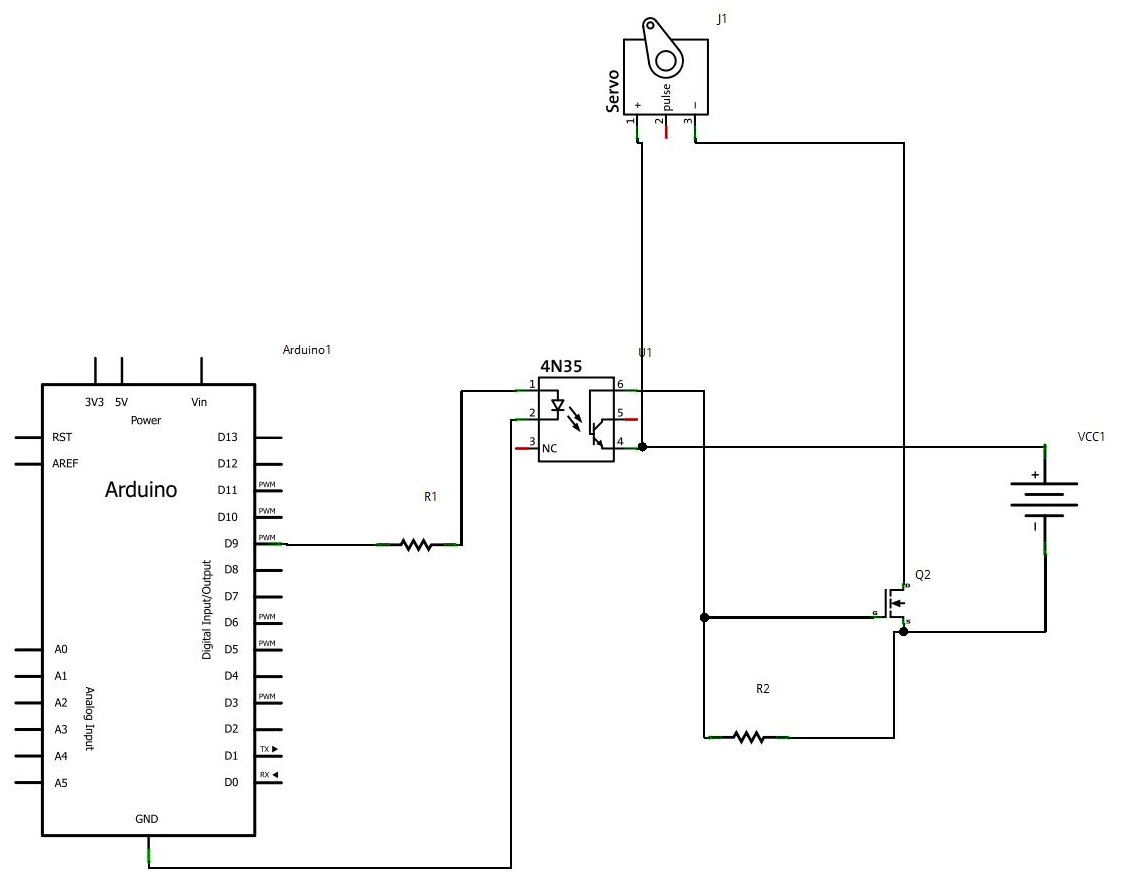
How To Use Optocoupler 4N35 . But before that let’s see what an optoisolator or optocoupler is? To use the ic as a phototransistor we will not be. It consists of gallium arsenide infrared led and a silicon npn phototransistor. We will show how to wire this chip up to any circuit so that you can obtain electrical isolation as needed. The optocoupler ic consists of gallium arsenide infrared led and a silicon npn phototransistor and using the ic is also pretty easy. This is a just basic circuit showing. Today in this tutorial we will see the interfacing optocoupler with arduino (4n35 or mct2e). Learn how to setup the input and output of the circuit. 4n35 is a commonly used optocoupler device that isolates input and output circuits to provide electrical isolation and signal transmission. What an optocoupler does is to break the connection between signal source and signal receiver, so as to stop electrical interference. How to use 4n35 optocoupler. The 4n35 is an optocoupler for general purpose application. Optocoupler is also called an optoisolator. Using 4n35 optocoupler is very easy, as discussed above the device contains two parts or components an irled and a phototransistor,. The chip we will use is the popular 4n35 optocoupler chip.
from www.aliexpress.com
It consists of gallium arsenide infrared led and a silicon npn phototransistor. How to use 4n35 optocoupler. To use the ic as a phototransistor we will not be. Optocoupler is also called an optoisolator. The chip we will use is the popular 4n35 optocoupler chip. This is a just basic circuit showing. We will show how to wire this chip up to any circuit so that you can obtain electrical isolation as needed. Learn how to setup the input and output of the circuit. Arduino uno board * 1. 4n35 is a commonly used optocoupler device that isolates input and output circuits to provide electrical isolation and signal transmission.
100pcs 4N35 DIP8 Optocoupler NEWoptocoupleroptocoupler 4n35 AliExpress
How To Use Optocoupler 4N35 How to use 4n35 optocoupler. What an optocoupler does is to break the connection between signal source and signal receiver, so as to stop electrical interference. It consists of gallium arsenide infrared led and a silicon npn phototransistor. Optocoupler is also called an optoisolator. 4n35 is a commonly used optocoupler device that isolates input and output circuits to provide electrical isolation and signal transmission. To use the ic as a phototransistor we will not be. Using 4n35 optocoupler is very easy, as discussed above the device contains two parts or components an irled and a phototransistor,. The optocoupler ic consists of gallium arsenide infrared led and a silicon npn phototransistor and using the ic is also pretty easy. But before that let’s see what an optoisolator or optocoupler is? Today in this tutorial we will see the interfacing optocoupler with arduino (4n35 or mct2e). The chip we will use is the popular 4n35 optocoupler chip. Arduino uno board * 1. This is a just basic circuit showing. The 4n35 is an optocoupler for general purpose application. Learn how to setup the input and output of the circuit. How to use 4n35 optocoupler.
From www.ee-diary.com
DC motor control with ATmega32 Optocoupler and Darlington Pair eediary How To Use Optocoupler 4N35 Learn how to setup the input and output of the circuit. How to use 4n35 optocoupler. Optocoupler is also called an optoisolator. The 4n35 is an optocoupler for general purpose application. The optocoupler ic consists of gallium arsenide infrared led and a silicon npn phototransistor and using the ic is also pretty easy. We will show how to wire this. How To Use Optocoupler 4N35.
From electronics.stackexchange.com
voltage Trouble with optocoupler 4n35 Electrical Engineering Stack How To Use Optocoupler 4N35 It consists of gallium arsenide infrared led and a silicon npn phototransistor. The optocoupler ic consists of gallium arsenide infrared led and a silicon npn phototransistor and using the ic is also pretty easy. How to use 4n35 optocoupler. But before that let’s see what an optoisolator or optocoupler is? We will show how to wire this chip up to. How To Use Optocoupler 4N35.
From www.youtube.com
How To Test Optocoupler 4N35 YouTube How To Use Optocoupler 4N35 4n35 is a commonly used optocoupler device that isolates input and output circuits to provide electrical isolation and signal transmission. This is a just basic circuit showing. The chip we will use is the popular 4n35 optocoupler chip. Learn how to setup the input and output of the circuit. How to use 4n35 optocoupler. To use the ic as a. How To Use Optocoupler 4N35.
From www.youtube.com
Arduino to Optocoupler to Control AC Lamp Proteus Simulation tutorial How To Use Optocoupler 4N35 What an optocoupler does is to break the connection between signal source and signal receiver, so as to stop electrical interference. To use the ic as a phototransistor we will not be. We will show how to wire this chip up to any circuit so that you can obtain electrical isolation as needed. Optocoupler is also called an optoisolator. Today. How To Use Optocoupler 4N35.
From www.youtube.com
Indicator circuit diagram using 4n35 optocoupler The Project Lab How To Use Optocoupler 4N35 But before that let’s see what an optoisolator or optocoupler is? The chip we will use is the popular 4n35 optocoupler chip. Arduino uno board * 1. 4n35 is a commonly used optocoupler device that isolates input and output circuits to provide electrical isolation and signal transmission. The 4n35 is an optocoupler for general purpose application. This is a just. How To Use Optocoupler 4N35.
From www.electricaltechnology.org
What is an Optocoupler A.K.A Optoisolator or Photocoupler? How To Use Optocoupler 4N35 Arduino uno board * 1. Today in this tutorial we will see the interfacing optocoupler with arduino (4n35 or mct2e). The chip we will use is the popular 4n35 optocoupler chip. Learn how to setup the input and output of the circuit. Optocoupler is also called an optoisolator. Using 4n35 optocoupler is very easy, as discussed above the device contains. How To Use Optocoupler 4N35.
From soldered.com
Optocoupler 4N35 (optoisolator) How To Use Optocoupler 4N35 What an optocoupler does is to break the connection between signal source and signal receiver, so as to stop electrical interference. But before that let’s see what an optoisolator or optocoupler is? The optocoupler ic consists of gallium arsenide infrared led and a silicon npn phototransistor and using the ic is also pretty easy. How to use 4n35 optocoupler. Learn. How To Use Optocoupler 4N35.
From brunofuga.adv.br
Optocoupler/Optoisolator Tutorial PC817 MOC3021 How To Use?, 52 OFF How To Use Optocoupler 4N35 This is a just basic circuit showing. What an optocoupler does is to break the connection between signal source and signal receiver, so as to stop electrical interference. Optocoupler is also called an optoisolator. The optocoupler ic consists of gallium arsenide infrared led and a silicon npn phototransistor and using the ic is also pretty easy. The chip we will. How To Use Optocoupler 4N35.
From soldered.com
Optocoupler 4N35 (optoizolator) How To Use Optocoupler 4N35 Today in this tutorial we will see the interfacing optocoupler with arduino (4n35 or mct2e). What an optocoupler does is to break the connection between signal source and signal receiver, so as to stop electrical interference. To use the ic as a phototransistor we will not be. Arduino uno board * 1. It consists of gallium arsenide infrared led and. How To Use Optocoupler 4N35.
From pi4chips.blogspot.com
Controlling 4N35 optocoupler using a GPIO signal How To Use Optocoupler 4N35 How to use 4n35 optocoupler. 4n35 is a commonly used optocoupler device that isolates input and output circuits to provide electrical isolation and signal transmission. The optocoupler ic consists of gallium arsenide infrared led and a silicon npn phototransistor and using the ic is also pretty easy. The 4n35 is an optocoupler for general purpose application. The chip we will. How To Use Optocoupler 4N35.
From alphatronic.lk
4N35 Optocoupler Alphatronic How To Use Optocoupler 4N35 To use the ic as a phototransistor we will not be. Using 4n35 optocoupler is very easy, as discussed above the device contains two parts or components an irled and a phototransistor,. Today in this tutorial we will see the interfacing optocoupler with arduino (4n35 or mct2e). Arduino uno board * 1. The optocoupler ic consists of gallium arsenide infrared. How To Use Optocoupler 4N35.
From soldered.com
Optocoupler 4N35 (optoisolator) How To Use Optocoupler 4N35 Today in this tutorial we will see the interfacing optocoupler with arduino (4n35 or mct2e). What an optocoupler does is to break the connection between signal source and signal receiver, so as to stop electrical interference. It consists of gallium arsenide infrared led and a silicon npn phototransistor. The chip we will use is the popular 4n35 optocoupler chip. The. How To Use Optocoupler 4N35.
From electronics.stackexchange.com
opto isolator My optocoupler doesn't give more than 1.86V How To Use Optocoupler 4N35 This is a just basic circuit showing. How to use 4n35 optocoupler. 4n35 is a commonly used optocoupler device that isolates input and output circuits to provide electrical isolation and signal transmission. What an optocoupler does is to break the connection between signal source and signal receiver, so as to stop electrical interference. Using 4n35 optocoupler is very easy, as. How To Use Optocoupler 4N35.
From electronics.stackexchange.com
voltage Trouble with optocoupler 4n35 Electrical Engineering Stack How To Use Optocoupler 4N35 What an optocoupler does is to break the connection between signal source and signal receiver, so as to stop electrical interference. It consists of gallium arsenide infrared led and a silicon npn phototransistor. But before that let’s see what an optoisolator or optocoupler is? Using 4n35 optocoupler is very easy, as discussed above the device contains two parts or components. How To Use Optocoupler 4N35.
From christian.liljedahl.dk
Battery Voltage Measurement How To Use Optocoupler 4N35 The 4n35 is an optocoupler for general purpose application. But before that let’s see what an optoisolator or optocoupler is? What an optocoupler does is to break the connection between signal source and signal receiver, so as to stop electrical interference. We will show how to wire this chip up to any circuit so that you can obtain electrical isolation. How To Use Optocoupler 4N35.
From www.pinterest.com
4N35 is a widely used optocoupler device. The post below covers 4N35 How To Use Optocoupler 4N35 Learn how to setup the input and output of the circuit. Optocoupler is also called an optoisolator. To use the ic as a phototransistor we will not be. The chip we will use is the popular 4n35 optocoupler chip. It consists of gallium arsenide infrared led and a silicon npn phototransistor. But before that let’s see what an optoisolator or. How To Use Optocoupler 4N35.
From www.indiamart.com
4N35 Optocoupler IC at Rs 7/piece Optocoupler IC in Mumbai ID How To Use Optocoupler 4N35 What an optocoupler does is to break the connection between signal source and signal receiver, so as to stop electrical interference. The 4n35 is an optocoupler for general purpose application. How to use 4n35 optocoupler. To use the ic as a phototransistor we will not be. The chip we will use is the popular 4n35 optocoupler chip. This is a. How To Use Optocoupler 4N35.
From www.electricsmart.in
4N35 Optocoupler IC How To Use Optocoupler 4N35 The chip we will use is the popular 4n35 optocoupler chip. It consists of gallium arsenide infrared led and a silicon npn phototransistor. Today in this tutorial we will see the interfacing optocoupler with arduino (4n35 or mct2e). The optocoupler ic consists of gallium arsenide infrared led and a silicon npn phototransistor and using the ic is also pretty easy.. How To Use Optocoupler 4N35.
From www.aliexpress.com
100pcs 4N35 DIP8 Optocoupler NEWoptocoupleroptocoupler 4n35 AliExpress How To Use Optocoupler 4N35 Optocoupler is also called an optoisolator. Today in this tutorial we will see the interfacing optocoupler with arduino (4n35 or mct2e). It consists of gallium arsenide infrared led and a silicon npn phototransistor. The 4n35 is an optocoupler for general purpose application. This is a just basic circuit showing. What an optocoupler does is to break the connection between signal. How To Use Optocoupler 4N35.
From arduino.stackexchange.com
voltage level Connect optocoupler 4N35 to Arduino Uno to control LED How To Use Optocoupler 4N35 The optocoupler ic consists of gallium arsenide infrared led and a silicon npn phototransistor and using the ic is also pretty easy. Arduino uno board * 1. How to use 4n35 optocoupler. What an optocoupler does is to break the connection between signal source and signal receiver, so as to stop electrical interference. But before that let’s see what an. How To Use Optocoupler 4N35.
From e2e.ti.com
Optocouplers and siliconbased galvanic isolation technology how do How To Use Optocoupler 4N35 The optocoupler ic consists of gallium arsenide infrared led and a silicon npn phototransistor and using the ic is also pretty easy. What an optocoupler does is to break the connection between signal source and signal receiver, so as to stop electrical interference. 4n35 is a commonly used optocoupler device that isolates input and output circuits to provide electrical isolation. How To Use Optocoupler 4N35.
From boutique.semageek.com
4N35 optocoupler Boutique Semageek How To Use Optocoupler 4N35 The chip we will use is the popular 4n35 optocoupler chip. Using 4n35 optocoupler is very easy, as discussed above the device contains two parts or components an irled and a phototransistor,. It consists of gallium arsenide infrared led and a silicon npn phototransistor. The optocoupler ic consists of gallium arsenide infrared led and a silicon npn phototransistor and using. How To Use Optocoupler 4N35.
From forum.arduino.cc
PC PSU 12 volt + 4n35 Optocoupler Motors, Mechanics, Power and CNC How To Use Optocoupler 4N35 4n35 is a commonly used optocoupler device that isolates input and output circuits to provide electrical isolation and signal transmission. We will show how to wire this chip up to any circuit so that you can obtain electrical isolation as needed. Arduino uno board * 1. What an optocoupler does is to break the connection between signal source and signal. How To Use Optocoupler 4N35.
From www.fabtolab.com
Buy 4n35 Optocoupler online in India Fab.to.Lab How To Use Optocoupler 4N35 This is a just basic circuit showing. What an optocoupler does is to break the connection between signal source and signal receiver, so as to stop electrical interference. The optocoupler ic consists of gallium arsenide infrared led and a silicon npn phototransistor and using the ic is also pretty easy. It consists of gallium arsenide infrared led and a silicon. How To Use Optocoupler 4N35.
From etusker.com
4N35 OPTOCOUPLER eTusker How To Use Optocoupler 4N35 Today in this tutorial we will see the interfacing optocoupler with arduino (4n35 or mct2e). But before that let’s see what an optoisolator or optocoupler is? How to use 4n35 optocoupler. We will show how to wire this chip up to any circuit so that you can obtain electrical isolation as needed. Optocoupler is also called an optoisolator. This is. How To Use Optocoupler 4N35.
From makerselectronics.com
4N35 Optocoupler Makers Electronics How To Use Optocoupler 4N35 4n35 is a commonly used optocoupler device that isolates input and output circuits to provide electrical isolation and signal transmission. Learn how to setup the input and output of the circuit. The optocoupler ic consists of gallium arsenide infrared led and a silicon npn phototransistor and using the ic is also pretty easy. The 4n35 is an optocoupler for general. How To Use Optocoupler 4N35.
From exofdtoht.blob.core.windows.net
Ac Voltage Detection Using Optocoupler at Daniel Mcpherson blog How To Use Optocoupler 4N35 The optocoupler ic consists of gallium arsenide infrared led and a silicon npn phototransistor and using the ic is also pretty easy. Using 4n35 optocoupler is very easy, as discussed above the device contains two parts or components an irled and a phototransistor,. How to use 4n35 optocoupler. Today in this tutorial we will see the interfacing optocoupler with arduino. How To Use Optocoupler 4N35.
From www.youtube.com
What is Optocoupler ? How Optocoupler Works ? The Optocoupler Explained How To Use Optocoupler 4N35 Learn how to setup the input and output of the circuit. We will show how to wire this chip up to any circuit so that you can obtain electrical isolation as needed. To use the ic as a phototransistor we will not be. This is a just basic circuit showing. Arduino uno board * 1. Optocoupler is also called an. How To Use Optocoupler 4N35.
From www.pinterest.com
40 best Optocoupler images on Pinterest Arduino, Circuits and How To Use Optocoupler 4N35 Optocoupler is also called an optoisolator. Learn how to setup the input and output of the circuit. It consists of gallium arsenide infrared led and a silicon npn phototransistor. 4n35 is a commonly used optocoupler device that isolates input and output circuits to provide electrical isolation and signal transmission. What an optocoupler does is to break the connection between signal. How To Use Optocoupler 4N35.
From soldered.com
Optocoupler 4N35 (optoisolator) How To Use Optocoupler 4N35 Learn how to setup the input and output of the circuit. The chip we will use is the popular 4n35 optocoupler chip. This is a just basic circuit showing. Today in this tutorial we will see the interfacing optocoupler with arduino (4n35 or mct2e). The optocoupler ic consists of gallium arsenide infrared led and a silicon npn phototransistor and using. How To Use Optocoupler 4N35.
From electronics.stackexchange.com
power Hey I am using 2 4N35 Optocoupler from Visha can I replace them How To Use Optocoupler 4N35 It consists of gallium arsenide infrared led and a silicon npn phototransistor. Today in this tutorial we will see the interfacing optocoupler with arduino (4n35 or mct2e). What an optocoupler does is to break the connection between signal source and signal receiver, so as to stop electrical interference. Arduino uno board * 1. How to use 4n35 optocoupler. Optocoupler is. How To Use Optocoupler 4N35.
From wiring.org.co
Optocoupler4N35 \ Learning \ Wiring How To Use Optocoupler 4N35 The optocoupler ic consists of gallium arsenide infrared led and a silicon npn phototransistor and using the ic is also pretty easy. Learn how to setup the input and output of the circuit. 4n35 is a commonly used optocoupler device that isolates input and output circuits to provide electrical isolation and signal transmission. To use the ic as a phototransistor. How To Use Optocoupler 4N35.
From bestengineeringprojects.com
Interfacing Optocoupler with Arduino Engineering Projects How To Use Optocoupler 4N35 The 4n35 is an optocoupler for general purpose application. Optocoupler is also called an optoisolator. But before that let’s see what an optoisolator or optocoupler is? The optocoupler ic consists of gallium arsenide infrared led and a silicon npn phototransistor and using the ic is also pretty easy. What an optocoupler does is to break the connection between signal source. How To Use Optocoupler 4N35.
From www.pinterest.com
How To Use Optocoupler 4N35 Learn how to setup the input and output of the circuit. Optocoupler is also called an optoisolator. Arduino uno board * 1. This is a just basic circuit showing. Using 4n35 optocoupler is very easy, as discussed above the device contains two parts or components an irled and a phototransistor,. To use the ic as a phototransistor we will not. How To Use Optocoupler 4N35.
From circuitspedia.com
What Is Optocoupler Optocoupler Working And Application How To Use Optocoupler 4N35 It consists of gallium arsenide infrared led and a silicon npn phototransistor. To use the ic as a phototransistor we will not be. The chip we will use is the popular 4n35 optocoupler chip. Using 4n35 optocoupler is very easy, as discussed above the device contains two parts or components an irled and a phototransistor,. How to use 4n35 optocoupler.. How To Use Optocoupler 4N35.