Samsung Ht-E350K Power Supply Diagram . Solutions & tips, download manual, contact us. Please do not offer the downloaded file. Solutions & tips, download manual, contact us. If you get stuck in repairing a defective appliance download this repair information for help. This user manual comes under the category home cinema sets and has been rated. Good luck to the repair!
from www.carousell.ph
If you get stuck in repairing a defective appliance download this repair information for help. Good luck to the repair! Solutions & tips, download manual, contact us. This user manual comes under the category home cinema sets and has been rated. Please do not offer the downloaded file. Solutions & tips, download manual, contact us.
Samsung Home Theater HTE350K, Audio, Soundbars, Speakers & Amplifiers
Samsung Ht-E350K Power Supply Diagram Solutions & tips, download manual, contact us. Please do not offer the downloaded file. Solutions & tips, download manual, contact us. Good luck to the repair! If you get stuck in repairing a defective appliance download this repair information for help. This user manual comes under the category home cinema sets and has been rated. Solutions & tips, download manual, contact us.
From elektrotanya.com
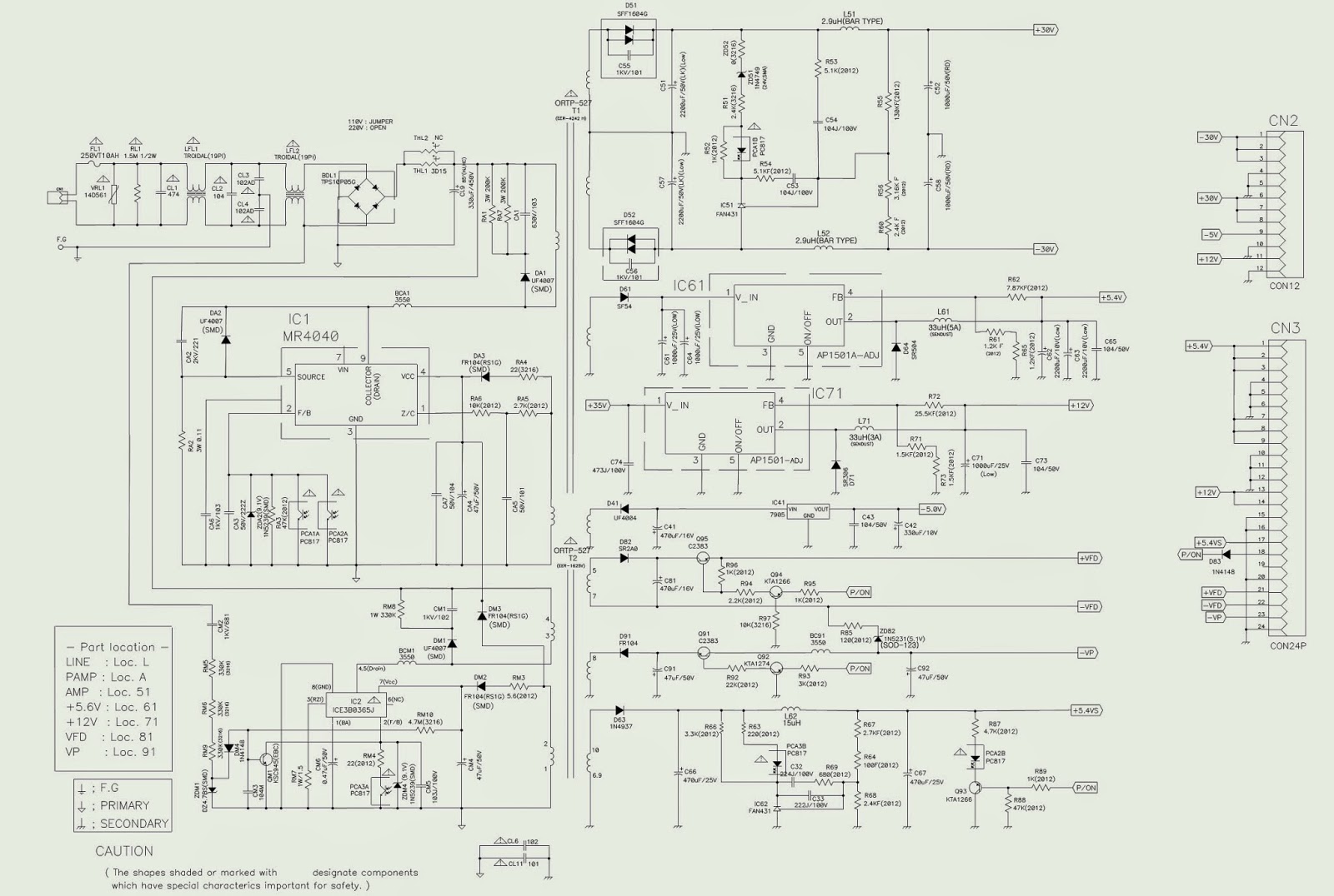
SAMSUNG HTDS700 900 POWER SUPPLY Service Manual download, schematics Samsung Ht-E350K Power Supply Diagram Please do not offer the downloaded file. Solutions & tips, download manual, contact us. Solutions & tips, download manual, contact us. This user manual comes under the category home cinema sets and has been rated. If you get stuck in repairing a defective appliance download this repair information for help. Good luck to the repair! Samsung Ht-E350K Power Supply Diagram.
From mcgrp.ru
Samsung HTE350K [10/43] Подготовка к использованию Samsung Ht-E350K Power Supply Diagram Good luck to the repair! Solutions & tips, download manual, contact us. If you get stuck in repairing a defective appliance download this repair information for help. Please do not offer the downloaded file. This user manual comes under the category home cinema sets and has been rated. Solutions & tips, download manual, contact us. Samsung Ht-E350K Power Supply Diagram.
From www.chiark.greenend.org.uk
Circuit Diagrams Samsung Ht-E350K Power Supply Diagram Solutions & tips, download manual, contact us. Good luck to the repair! Solutions & tips, download manual, contact us. This user manual comes under the category home cinema sets and has been rated. If you get stuck in repairing a defective appliance download this repair information for help. Please do not offer the downloaded file. Samsung Ht-E350K Power Supply Diagram.
From www.youtube.com
Samsung HTE350K 5.1 Home Theatre System YouTube Samsung Ht-E350K Power Supply Diagram If you get stuck in repairing a defective appliance download this repair information for help. Solutions & tips, download manual, contact us. Solutions & tips, download manual, contact us. Please do not offer the downloaded file. This user manual comes under the category home cinema sets and has been rated. Good luck to the repair! Samsung Ht-E350K Power Supply Diagram.
From 45cm.com
DÀN ÂM THANH SAMSUNG HT E350K... Samsung Ht-E350K Power Supply Diagram Solutions & tips, download manual, contact us. Please do not offer the downloaded file. Good luck to the repair! If you get stuck in repairing a defective appliance download this repair information for help. This user manual comes under the category home cinema sets and has been rated. Solutions & tips, download manual, contact us. Samsung Ht-E350K Power Supply Diagram.
From www.tokopedia.com
Jual MODUL PSU POWER SUPPLY HOME THEATER SAMSUNG HTE350K/XD ORIGINAL Samsung Ht-E350K Power Supply Diagram Solutions & tips, download manual, contact us. This user manual comes under the category home cinema sets and has been rated. Good luck to the repair! If you get stuck in repairing a defective appliance download this repair information for help. Please do not offer the downloaded file. Solutions & tips, download manual, contact us. Samsung Ht-E350K Power Supply Diagram.
From elektrotanya.com
SAMSUNG HTE3500 Service Manual download, schematics, eeprom, repair Samsung Ht-E350K Power Supply Diagram Solutions & tips, download manual, contact us. Please do not offer the downloaded file. Solutions & tips, download manual, contact us. Good luck to the repair! If you get stuck in repairing a defective appliance download this repair information for help. This user manual comes under the category home cinema sets and has been rated. Samsung Ht-E350K Power Supply Diagram.
From elektrotanya.com
SAMSUNG HTC460 HTC5500 POWER SUPPLY SCH Service Manual download Samsung Ht-E350K Power Supply Diagram This user manual comes under the category home cinema sets and has been rated. Good luck to the repair! Solutions & tips, download manual, contact us. Please do not offer the downloaded file. If you get stuck in repairing a defective appliance download this repair information for help. Solutions & tips, download manual, contact us. Samsung Ht-E350K Power Supply Diagram.
From www.youtube.com
samsung hte350k DVD home theater system 5.1 hifi bass sound Quality Samsung Ht-E350K Power Supply Diagram Please do not offer the downloaded file. If you get stuck in repairing a defective appliance download this repair information for help. Good luck to the repair! Solutions & tips, download manual, contact us. This user manual comes under the category home cinema sets and has been rated. Solutions & tips, download manual, contact us. Samsung Ht-E350K Power Supply Diagram.
From www.youtube.com
Samsung Ht e350k 5 .1 Home Theater Specifications complete review YouTube Samsung Ht-E350K Power Supply Diagram If you get stuck in repairing a defective appliance download this repair information for help. Please do not offer the downloaded file. Solutions & tips, download manual, contact us. Good luck to the repair! This user manual comes under the category home cinema sets and has been rated. Solutions & tips, download manual, contact us. Samsung Ht-E350K Power Supply Diagram.
From www.manualslib.com
SAMSUNG HTE350 HOME THEATER SYSTEM USER MANUAL ManualsLib Samsung Ht-E350K Power Supply Diagram Please do not offer the downloaded file. Solutions & tips, download manual, contact us. Solutions & tips, download manual, contact us. If you get stuck in repairing a defective appliance download this repair information for help. This user manual comes under the category home cinema sets and has been rated. Good luck to the repair! Samsung Ht-E350K Power Supply Diagram.
From www.manualslib.com
SAMSUNG HTE350K USER MANUAL Pdf Download ManualsLib Samsung Ht-E350K Power Supply Diagram If you get stuck in repairing a defective appliance download this repair information for help. This user manual comes under the category home cinema sets and has been rated. Please do not offer the downloaded file. Solutions & tips, download manual, contact us. Solutions & tips, download manual, contact us. Good luck to the repair! Samsung Ht-E350K Power Supply Diagram.
From www.ecrater.com
Samsung E330 DVD Home Theater System Receiver HTE330K Power Supply Samsung Ht-E350K Power Supply Diagram Solutions & tips, download manual, contact us. If you get stuck in repairing a defective appliance download this repair information for help. Good luck to the repair! Solutions & tips, download manual, contact us. This user manual comes under the category home cinema sets and has been rated. Please do not offer the downloaded file. Samsung Ht-E350K Power Supply Diagram.
From telegra.ph
Samsung Ht E350k Telegraph Samsung Ht-E350K Power Supply Diagram This user manual comes under the category home cinema sets and has been rated. If you get stuck in repairing a defective appliance download this repair information for help. Solutions & tips, download manual, contact us. Solutions & tips, download manual, contact us. Good luck to the repair! Please do not offer the downloaded file. Samsung Ht-E350K Power Supply Diagram.
From guidedatatravis.z13.web.core.windows.net
Samsung Lcd Tv Power Supply Circuit Diagram Samsung Ht-E350K Power Supply Diagram Good luck to the repair! Solutions & tips, download manual, contact us. If you get stuck in repairing a defective appliance download this repair information for help. Solutions & tips, download manual, contact us. Please do not offer the downloaded file. This user manual comes under the category home cinema sets and has been rated. Samsung Ht-E350K Power Supply Diagram.
From www.carousell.ph
Samsung Home Theater HTE350K, Audio, Soundbars, Speakers & Amplifiers Samsung Ht-E350K Power Supply Diagram If you get stuck in repairing a defective appliance download this repair information for help. This user manual comes under the category home cinema sets and has been rated. Solutions & tips, download manual, contact us. Solutions & tips, download manual, contact us. Good luck to the repair! Please do not offer the downloaded file. Samsung Ht-E350K Power Supply Diagram.
From workstationtechnology.com
SAMSUNG MINI HIFI SYSTEM (HT E350K) Work Station Technology Samsung Ht-E350K Power Supply Diagram Solutions & tips, download manual, contact us. This user manual comes under the category home cinema sets and has been rated. Good luck to the repair! Please do not offer the downloaded file. Solutions & tips, download manual, contact us. If you get stuck in repairing a defective appliance download this repair information for help. Samsung Ht-E350K Power Supply Diagram.
From telegra.ph
Samsung Ht E350k Telegraph Samsung Ht-E350K Power Supply Diagram Solutions & tips, download manual, contact us. Solutions & tips, download manual, contact us. Please do not offer the downloaded file. Good luck to the repair! If you get stuck in repairing a defective appliance download this repair information for help. This user manual comes under the category home cinema sets and has been rated. Samsung Ht-E350K Power Supply Diagram.
From www.sjstv.co.uk
Power Supplies Samsung HTC5500 Power Supply AH9402449D (AH4101311A) Samsung Ht-E350K Power Supply Diagram Solutions & tips, download manual, contact us. Good luck to the repair! Solutions & tips, download manual, contact us. Please do not offer the downloaded file. This user manual comes under the category home cinema sets and has been rated. If you get stuck in repairing a defective appliance download this repair information for help. Samsung Ht-E350K Power Supply Diagram.
From guidewiringlange.z19.web.core.windows.net
Samsung Power Supply Circuit Diagram Pdf Samsung Ht-E350K Power Supply Diagram Solutions & tips, download manual, contact us. Solutions & tips, download manual, contact us. Please do not offer the downloaded file. Good luck to the repair! This user manual comes under the category home cinema sets and has been rated. If you get stuck in repairing a defective appliance download this repair information for help. Samsung Ht-E350K Power Supply Diagram.
From circuitenginelopez.z21.web.core.windows.net
Samsung T Con Board Schematic Diagram Samsung Ht-E350K Power Supply Diagram This user manual comes under the category home cinema sets and has been rated. Solutions & tips, download manual, contact us. Good luck to the repair! Solutions & tips, download manual, contact us. Please do not offer the downloaded file. If you get stuck in repairing a defective appliance download this repair information for help. Samsung Ht-E350K Power Supply Diagram.
From ar.inspiredpencil.com
Samsung Tv Power Supply Schematic Samsung Ht-E350K Power Supply Diagram Solutions & tips, download manual, contact us. If you get stuck in repairing a defective appliance download this repair information for help. This user manual comes under the category home cinema sets and has been rated. Solutions & tips, download manual, contact us. Good luck to the repair! Please do not offer the downloaded file. Samsung Ht-E350K Power Supply Diagram.
From elektrotanya.com
SAMSUNG Service Manual download, schematics, eeprom, repair info for Samsung Ht-E350K Power Supply Diagram If you get stuck in repairing a defective appliance download this repair information for help. This user manual comes under the category home cinema sets and has been rated. Solutions & tips, download manual, contact us. Solutions & tips, download manual, contact us. Please do not offer the downloaded file. Good luck to the repair! Samsung Ht-E350K Power Supply Diagram.
From www.youtube.com
SAMSUNG HTE350K YouTube Samsung Ht-E350K Power Supply Diagram Solutions & tips, download manual, contact us. This user manual comes under the category home cinema sets and has been rated. If you get stuck in repairing a defective appliance download this repair information for help. Solutions & tips, download manual, contact us. Please do not offer the downloaded file. Good luck to the repair! Samsung Ht-E350K Power Supply Diagram.
From www.carousell.com.my
Samsung HTE350K 5.1 Theater Speaker, Audio, Soundbars, Speakers Samsung Ht-E350K Power Supply Diagram Please do not offer the downloaded file. Good luck to the repair! If you get stuck in repairing a defective appliance download this repair information for help. This user manual comes under the category home cinema sets and has been rated. Solutions & tips, download manual, contact us. Solutions & tips, download manual, contact us. Samsung Ht-E350K Power Supply Diagram.
From www.carousell.ph
Samsung HTE350K 330W 5.1.Ch HDMI DVD Home Theatre System, Audio Samsung Ht-E350K Power Supply Diagram If you get stuck in repairing a defective appliance download this repair information for help. Solutions & tips, download manual, contact us. This user manual comes under the category home cinema sets and has been rated. Please do not offer the downloaded file. Solutions & tips, download manual, contact us. Good luck to the repair! Samsung Ht-E350K Power Supply Diagram.
From masterelectronicsrepair.blogspot.com
Master Electronics Repair ! SAMSUNG HT H5500, HT H4500 HOME THEATER Samsung Ht-E350K Power Supply Diagram Good luck to the repair! Solutions & tips, download manual, contact us. This user manual comes under the category home cinema sets and has been rated. Solutions & tips, download manual, contact us. If you get stuck in repairing a defective appliance download this repair information for help. Please do not offer the downloaded file. Samsung Ht-E350K Power Supply Diagram.
From guidewiringlange.z19.web.core.windows.net
Samsung Dvd Power Supply Circuit Diagram Samsung Ht-E350K Power Supply Diagram Please do not offer the downloaded file. Good luck to the repair! If you get stuck in repairing a defective appliance download this repair information for help. This user manual comes under the category home cinema sets and has been rated. Solutions & tips, download manual, contact us. Solutions & tips, download manual, contact us. Samsung Ht-E350K Power Supply Diagram.
From telegra.ph
Samsung Ht E350k Telegraph Samsung Ht-E350K Power Supply Diagram Solutions & tips, download manual, contact us. Solutions & tips, download manual, contact us. This user manual comes under the category home cinema sets and has been rated. If you get stuck in repairing a defective appliance download this repair information for help. Good luck to the repair! Please do not offer the downloaded file. Samsung Ht-E350K Power Supply Diagram.
From www.comclick.com.br
Placa PCI Principal / Amplificadora para Home Theater Samsung HTE350K Samsung Ht-E350K Power Supply Diagram This user manual comes under the category home cinema sets and has been rated. Please do not offer the downloaded file. Good luck to the repair! Solutions & tips, download manual, contact us. Solutions & tips, download manual, contact us. If you get stuck in repairing a defective appliance download this repair information for help. Samsung Ht-E350K Power Supply Diagram.
From www.avsystemparts.com
Samsung HTE350 DVD Home Theater System 5.1 Ch Samsung Ht-E350K Power Supply Diagram Solutions & tips, download manual, contact us. Solutions & tips, download manual, contact us. Please do not offer the downloaded file. If you get stuck in repairing a defective appliance download this repair information for help. Good luck to the repair! This user manual comes under the category home cinema sets and has been rated. Samsung Ht-E350K Power Supply Diagram.
From electro-medical.blogspot.com
ELECTRONIC EQUIPMENT REPAIR CENTRE SAMSUNG HTBD1255 POWER SUPPLY Samsung Ht-E350K Power Supply Diagram This user manual comes under the category home cinema sets and has been rated. If you get stuck in repairing a defective appliance download this repair information for help. Good luck to the repair! Solutions & tips, download manual, contact us. Please do not offer the downloaded file. Solutions & tips, download manual, contact us. Samsung Ht-E350K Power Supply Diagram.
From mcgrp.ru
Samsung HTE350K [17/43] Выберите один из двух способов подключения к Samsung Ht-E350K Power Supply Diagram Solutions & tips, download manual, contact us. Solutions & tips, download manual, contact us. Good luck to the repair! Please do not offer the downloaded file. If you get stuck in repairing a defective appliance download this repair information for help. This user manual comes under the category home cinema sets and has been rated. Samsung Ht-E350K Power Supply Diagram.
From www.comx-computers.co.za
Specification sheet (buy online) HTE350K Samsung HTE350K 330W 5.1.Ch Samsung Ht-E350K Power Supply Diagram Good luck to the repair! Please do not offer the downloaded file. This user manual comes under the category home cinema sets and has been rated. If you get stuck in repairing a defective appliance download this repair information for help. Solutions & tips, download manual, contact us. Solutions & tips, download manual, contact us. Samsung Ht-E350K Power Supply Diagram.
From elektrotanya.com
SAMSUNG HTE 350K Service Manual download, schematics, eeprom, repair Samsung Ht-E350K Power Supply Diagram Solutions & tips, download manual, contact us. Solutions & tips, download manual, contact us. Please do not offer the downloaded file. This user manual comes under the category home cinema sets and has been rated. If you get stuck in repairing a defective appliance download this repair information for help. Good luck to the repair! Samsung Ht-E350K Power Supply Diagram.