How To Make Homemade Floor Cleaning Robot . This robot can detect the obstacles &. — today we made a simple floor cleaner robot that is not only simple to make. — we will make a automatic home cleaning robot that only costs a small fraction of the ones in the market. in this instructable, i will present you version 2.0 of the floor cleaning robot, with some improvements over the previous version. it is possible for you to make your own cute little home cleaner that will scrub your floor and the walls clean with just a few clicks and taps on your. yeah you heard it right, this is a simple yet fully working dry floor cleaner that can pick up objects from the floor like bits of paper, hair, foam pieces, leftovers. The cleanbot ( remote controlled autonomous floor cleaning robot) is designed to clean floor in two.
from www.personalrobots.biz
in this instructable, i will present you version 2.0 of the floor cleaning robot, with some improvements over the previous version. The cleanbot ( remote controlled autonomous floor cleaning robot) is designed to clean floor in two. — today we made a simple floor cleaner robot that is not only simple to make. it is possible for you to make your own cute little home cleaner that will scrub your floor and the walls clean with just a few clicks and taps on your. — we will make a automatic home cleaning robot that only costs a small fraction of the ones in the market. This robot can detect the obstacles &. yeah you heard it right, this is a simple yet fully working dry floor cleaner that can pick up objects from the floor like bits of paper, hair, foam pieces, leftovers.
The Era of Cleaning Robots & Top Cleaning Robots Personal Robots
How To Make Homemade Floor Cleaning Robot This robot can detect the obstacles &. The cleanbot ( remote controlled autonomous floor cleaning robot) is designed to clean floor in two. it is possible for you to make your own cute little home cleaner that will scrub your floor and the walls clean with just a few clicks and taps on your. — today we made a simple floor cleaner robot that is not only simple to make. This robot can detect the obstacles &. — we will make a automatic home cleaning robot that only costs a small fraction of the ones in the market. yeah you heard it right, this is a simple yet fully working dry floor cleaner that can pick up objects from the floor like bits of paper, hair, foam pieces, leftovers. in this instructable, i will present you version 2.0 of the floor cleaning robot, with some improvements over the previous version.
From www.youtube.com
Sweepy The Floor Cleaning Robot Construction DIY Arduino How To Make Homemade Floor Cleaning Robot in this instructable, i will present you version 2.0 of the floor cleaning robot, with some improvements over the previous version. yeah you heard it right, this is a simple yet fully working dry floor cleaner that can pick up objects from the floor like bits of paper, hair, foam pieces, leftovers. — we will make a. How To Make Homemade Floor Cleaning Robot.
From howtorobot.com
Cleaning and Disinfection Robots Overview, Applications, and How To Make Homemade Floor Cleaning Robot This robot can detect the obstacles &. — we will make a automatic home cleaning robot that only costs a small fraction of the ones in the market. — today we made a simple floor cleaner robot that is not only simple to make. it is possible for you to make your own cute little home cleaner. How To Make Homemade Floor Cleaning Robot.
From viewfloor.co
What Is Floor Cleaning Robot Viewfloor.co How To Make Homemade Floor Cleaning Robot yeah you heard it right, this is a simple yet fully working dry floor cleaner that can pick up objects from the floor like bits of paper, hair, foam pieces, leftovers. it is possible for you to make your own cute little home cleaner that will scrub your floor and the walls clean with just a few clicks. How To Make Homemade Floor Cleaning Robot.
From dxoyyjhxh.blob.core.windows.net
Natural Floor Tile Cleaner Recipe at Donna Wright blog How To Make Homemade Floor Cleaning Robot — today we made a simple floor cleaner robot that is not only simple to make. in this instructable, i will present you version 2.0 of the floor cleaning robot, with some improvements over the previous version. This robot can detect the obstacles &. — we will make a automatic home cleaning robot that only costs a. How To Make Homemade Floor Cleaning Robot.
From www.crescentindustrial.co.uk
Robot Floor Sweeper K900 Industrial Floor Cleaner Robot How To Make Homemade Floor Cleaning Robot This robot can detect the obstacles &. it is possible for you to make your own cute little home cleaner that will scrub your floor and the walls clean with just a few clicks and taps on your. The cleanbot ( remote controlled autonomous floor cleaning robot) is designed to clean floor in two. in this instructable, i. How To Make Homemade Floor Cleaning Robot.
From thesinksam.blogspot.com
Diy Spray Mop Solution Homemade Floor Cleaner That Doubles As An All How To Make Homemade Floor Cleaning Robot This robot can detect the obstacles &. — we will make a automatic home cleaning robot that only costs a small fraction of the ones in the market. The cleanbot ( remote controlled autonomous floor cleaning robot) is designed to clean floor in two. — today we made a simple floor cleaner robot that is not only simple. How To Make Homemade Floor Cleaning Robot.
From www.instructables.com
CleanSweep the Floor Cleaning Robot! 12 Steps (with Pictures How To Make Homemade Floor Cleaning Robot in this instructable, i will present you version 2.0 of the floor cleaning robot, with some improvements over the previous version. — we will make a automatic home cleaning robot that only costs a small fraction of the ones in the market. it is possible for you to make your own cute little home cleaner that will. How To Make Homemade Floor Cleaning Robot.
From www.youtube.com
How to Make Floor Cleaning Robot at Home DIY Automatic Floor Cleaning How To Make Homemade Floor Cleaning Robot — we will make a automatic home cleaning robot that only costs a small fraction of the ones in the market. — today we made a simple floor cleaner robot that is not only simple to make. The cleanbot ( remote controlled autonomous floor cleaning robot) is designed to clean floor in two. in this instructable, i. How To Make Homemade Floor Cleaning Robot.
From viewfloor.co
What Is Floor Cleaning Robot Viewfloor.co How To Make Homemade Floor Cleaning Robot — we will make a automatic home cleaning robot that only costs a small fraction of the ones in the market. This robot can detect the obstacles &. in this instructable, i will present you version 2.0 of the floor cleaning robot, with some improvements over the previous version. The cleanbot ( remote controlled autonomous floor cleaning robot). How To Make Homemade Floor Cleaning Robot.
From www.hackster.io
Floor Cleaning Robot Hackster.io How To Make Homemade Floor Cleaning Robot it is possible for you to make your own cute little home cleaner that will scrub your floor and the walls clean with just a few clicks and taps on your. yeah you heard it right, this is a simple yet fully working dry floor cleaner that can pick up objects from the floor like bits of paper,. How To Make Homemade Floor Cleaning Robot.
From hgustavowest.blogspot.com
robot floor cleaner How To Make Homemade Floor Cleaning Robot This robot can detect the obstacles &. in this instructable, i will present you version 2.0 of the floor cleaning robot, with some improvements over the previous version. — we will make a automatic home cleaning robot that only costs a small fraction of the ones in the market. it is possible for you to make your. How To Make Homemade Floor Cleaning Robot.
From nevonprojects.com
Smart Floor Cleaner Robot Using Android How To Make Homemade Floor Cleaning Robot This robot can detect the obstacles &. it is possible for you to make your own cute little home cleaner that will scrub your floor and the walls clean with just a few clicks and taps on your. — today we made a simple floor cleaner robot that is not only simple to make. — we will. How To Make Homemade Floor Cleaning Robot.
From www.youtube.com
The Ultimate Floor Cleaning Robot (Version 2.0) How To Make YouTube How To Make Homemade Floor Cleaning Robot The cleanbot ( remote controlled autonomous floor cleaning robot) is designed to clean floor in two. — today we made a simple floor cleaner robot that is not only simple to make. This robot can detect the obstacles &. — we will make a automatic home cleaning robot that only costs a small fraction of the ones in. How To Make Homemade Floor Cleaning Robot.
From www.studocu.com
Final Report It's more use your study and project AUTOMATIC SMART How To Make Homemade Floor Cleaning Robot — we will make a automatic home cleaning robot that only costs a small fraction of the ones in the market. The cleanbot ( remote controlled autonomous floor cleaning robot) is designed to clean floor in two. This robot can detect the obstacles &. in this instructable, i will present you version 2.0 of the floor cleaning robot,. How To Make Homemade Floor Cleaning Robot.
From bestcleanertool.com
How to Set Up Robotic Vacuum Cleaner? Best cleaner tool on the market How To Make Homemade Floor Cleaning Robot This robot can detect the obstacles &. — today we made a simple floor cleaner robot that is not only simple to make. in this instructable, i will present you version 2.0 of the floor cleaning robot, with some improvements over the previous version. yeah you heard it right, this is a simple yet fully working dry. How To Make Homemade Floor Cleaning Robot.
From www.youtube.com
Automatic Floor Cleaning Robot YouTube How To Make Homemade Floor Cleaning Robot in this instructable, i will present you version 2.0 of the floor cleaning robot, with some improvements over the previous version. it is possible for you to make your own cute little home cleaner that will scrub your floor and the walls clean with just a few clicks and taps on your. — we will make a. How To Make Homemade Floor Cleaning Robot.
From dxoukhbpf.blob.core.windows.net
Best Diy Cleaner For Hardwood Floor at Joseph Roberts blog How To Make Homemade Floor Cleaning Robot yeah you heard it right, this is a simple yet fully working dry floor cleaner that can pick up objects from the floor like bits of paper, hair, foam pieces, leftovers. The cleanbot ( remote controlled autonomous floor cleaning robot) is designed to clean floor in two. it is possible for you to make your own cute little. How To Make Homemade Floor Cleaning Robot.
From eureka.patsnap.com
Floor cleaning robot and control method thereof Eureka Patsnap How To Make Homemade Floor Cleaning Robot in this instructable, i will present you version 2.0 of the floor cleaning robot, with some improvements over the previous version. it is possible for you to make your own cute little home cleaner that will scrub your floor and the walls clean with just a few clicks and taps on your. — today we made a. How To Make Homemade Floor Cleaning Robot.
From www.wayfair.com
ECOVACS Robotics, Inc. Deebot Powerful FamilyFriendly Floor Cleaning How To Make Homemade Floor Cleaning Robot This robot can detect the obstacles &. — today we made a simple floor cleaner robot that is not only simple to make. it is possible for you to make your own cute little home cleaner that will scrub your floor and the walls clean with just a few clicks and taps on your. The cleanbot ( remote. How To Make Homemade Floor Cleaning Robot.
From www.crescentindustrial.co.uk
Robot Floor Sweeper K900 Industrial Floor Cleaner Robot How To Make Homemade Floor Cleaning Robot in this instructable, i will present you version 2.0 of the floor cleaning robot, with some improvements over the previous version. The cleanbot ( remote controlled autonomous floor cleaning robot) is designed to clean floor in two. — we will make a automatic home cleaning robot that only costs a small fraction of the ones in the market.. How To Make Homemade Floor Cleaning Robot.
From www.fmlink.com
Avidbots floorcleaning robot to clean facilities around world How To Make Homemade Floor Cleaning Robot in this instructable, i will present you version 2.0 of the floor cleaning robot, with some improvements over the previous version. The cleanbot ( remote controlled autonomous floor cleaning robot) is designed to clean floor in two. — we will make a automatic home cleaning robot that only costs a small fraction of the ones in the market.. How To Make Homemade Floor Cleaning Robot.
From 9to5toys.com
Let this Automatic Floor Cleaning Robot do the dirty work for you at How To Make Homemade Floor Cleaning Robot yeah you heard it right, this is a simple yet fully working dry floor cleaner that can pick up objects from the floor like bits of paper, hair, foam pieces, leftovers. it is possible for you to make your own cute little home cleaner that will scrub your floor and the walls clean with just a few clicks. How To Make Homemade Floor Cleaning Robot.
From viewfloor.co
How To Make A Floor Cleaning Robot Viewfloor.co How To Make Homemade Floor Cleaning Robot — today we made a simple floor cleaner robot that is not only simple to make. in this instructable, i will present you version 2.0 of the floor cleaning robot, with some improvements over the previous version. yeah you heard it right, this is a simple yet fully working dry floor cleaner that can pick up objects. How To Make Homemade Floor Cleaning Robot.
From carpet.vidalondon.net
Floor Cleaning Robot Diy Carpet Vidalondon How To Make Homemade Floor Cleaning Robot yeah you heard it right, this is a simple yet fully working dry floor cleaner that can pick up objects from the floor like bits of paper, hair, foam pieces, leftovers. — we will make a automatic home cleaning robot that only costs a small fraction of the ones in the market. This robot can detect the obstacles. How To Make Homemade Floor Cleaning Robot.
From www.personalrobots.biz
The Era of Cleaning Robots & Top Cleaning Robots Personal Robots How To Make Homemade Floor Cleaning Robot — today we made a simple floor cleaner robot that is not only simple to make. yeah you heard it right, this is a simple yet fully working dry floor cleaner that can pick up objects from the floor like bits of paper, hair, foam pieces, leftovers. in this instructable, i will present you version 2.0 of. How To Make Homemade Floor Cleaning Robot.
From nevonprojects.com
Smart Floor Cleaner Robot Using Android How To Make Homemade Floor Cleaning Robot yeah you heard it right, this is a simple yet fully working dry floor cleaner that can pick up objects from the floor like bits of paper, hair, foam pieces, leftovers. This robot can detect the obstacles &. The cleanbot ( remote controlled autonomous floor cleaning robot) is designed to clean floor in two. — today we made. How To Make Homemade Floor Cleaning Robot.
From www.youtube.com
ROBOMOPPER Simple Homemade Floor Cleaning Robot YouTube How To Make Homemade Floor Cleaning Robot — we will make a automatic home cleaning robot that only costs a small fraction of the ones in the market. The cleanbot ( remote controlled autonomous floor cleaning robot) is designed to clean floor in two. This robot can detect the obstacles &. yeah you heard it right, this is a simple yet fully working dry floor. How To Make Homemade Floor Cleaning Robot.
From viewfloor.co
How To Make A Floor Cleaning Robot Viewfloor.co How To Make Homemade Floor Cleaning Robot — today we made a simple floor cleaner robot that is not only simple to make. yeah you heard it right, this is a simple yet fully working dry floor cleaner that can pick up objects from the floor like bits of paper, hair, foam pieces, leftovers. — we will make a automatic home cleaning robot that. How To Make Homemade Floor Cleaning Robot.
From housewifehowtos.com
My Favorite Cleaning Robots How To Make Homemade Floor Cleaning Robot This robot can detect the obstacles &. — today we made a simple floor cleaner robot that is not only simple to make. yeah you heard it right, this is a simple yet fully working dry floor cleaner that can pick up objects from the floor like bits of paper, hair, foam pieces, leftovers. — we will. How To Make Homemade Floor Cleaning Robot.
From www.youtube.com
How to make a Remote Controlled Floor Cleaning Robot Easy Way YouTube How To Make Homemade Floor Cleaning Robot — we will make a automatic home cleaning robot that only costs a small fraction of the ones in the market. — today we made a simple floor cleaner robot that is not only simple to make. it is possible for you to make your own cute little home cleaner that will scrub your floor and the. How To Make Homemade Floor Cleaning Robot.
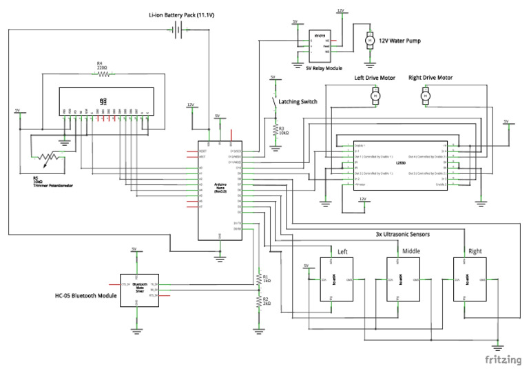
From www.scribd.com
Floor Cleaning Robot Schematic PDF How To Make Homemade Floor Cleaning Robot — today we made a simple floor cleaner robot that is not only simple to make. it is possible for you to make your own cute little home cleaner that will scrub your floor and the walls clean with just a few clicks and taps on your. yeah you heard it right, this is a simple yet. How To Make Homemade Floor Cleaning Robot.
From www.youtube.com
Smart Floor cleaner Robot Inspire Award Project Best science How To Make Homemade Floor Cleaning Robot — we will make a automatic home cleaning robot that only costs a small fraction of the ones in the market. — today we made a simple floor cleaner robot that is not only simple to make. it is possible for you to make your own cute little home cleaner that will scrub your floor and the. How To Make Homemade Floor Cleaning Robot.
From dxoqdxbua.blob.core.windows.net
Auto Floor Cleaning Robot at Paula Pelkey blog How To Make Homemade Floor Cleaning Robot in this instructable, i will present you version 2.0 of the floor cleaning robot, with some improvements over the previous version. This robot can detect the obstacles &. — we will make a automatic home cleaning robot that only costs a small fraction of the ones in the market. it is possible for you to make your. How To Make Homemade Floor Cleaning Robot.
From fmlink.com
Diversey intros newest handsfree robotic floorcare machine How To Make Homemade Floor Cleaning Robot This robot can detect the obstacles &. it is possible for you to make your own cute little home cleaner that will scrub your floor and the walls clean with just a few clicks and taps on your. — we will make a automatic home cleaning robot that only costs a small fraction of the ones in the. How To Make Homemade Floor Cleaning Robot.