Quartermaster Throw Out Bearing Installation Instructions . Improperly setting a throwout release bearing will cause a clutch to wear too fast due to problems with engagement. Install bearing retainer on the transmission. Installation video of a 7.25 triple ceramic racing clutch and setting throwout bearing. B to install the hydraulic release bearing, you first need to replace the transmission bearing retainer bolt in the 2 o'clock position with the supplied stud. Hydraulic floating throwout bearings have been the standard in short track racing for years. Install the ball stud in the bellhousing. Properly setting your throwout bearing clearance isn’t hard, according to this video. A this special tool from speedway motors makes it easy to set up a hydraulic clutch release bearing on a manual transmission.
from www.americanmuscle.com
Hydraulic floating throwout bearings have been the standard in short track racing for years. A this special tool from speedway motors makes it easy to set up a hydraulic clutch release bearing on a manual transmission. Install bearing retainer on the transmission. Installation video of a 7.25 triple ceramic racing clutch and setting throwout bearing. Improperly setting a throwout release bearing will cause a clutch to wear too fast due to problems with engagement. B to install the hydraulic release bearing, you first need to replace the transmission bearing retainer bolt in the 2 o'clock position with the supplied stud. Install the ball stud in the bellhousing. Properly setting your throwout bearing clearance isn’t hard, according to this video.
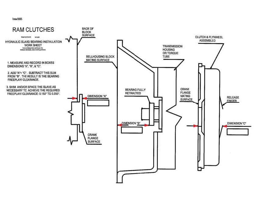
How to install a RAM Adjustable Hydraulic Throwout Bearing/Slave
Quartermaster Throw Out Bearing Installation Instructions Installation video of a 7.25 triple ceramic racing clutch and setting throwout bearing. B to install the hydraulic release bearing, you first need to replace the transmission bearing retainer bolt in the 2 o'clock position with the supplied stud. Improperly setting a throwout release bearing will cause a clutch to wear too fast due to problems with engagement. Install the ball stud in the bellhousing. Installation video of a 7.25 triple ceramic racing clutch and setting throwout bearing. A this special tool from speedway motors makes it easy to set up a hydraulic clutch release bearing on a manual transmission. Install bearing retainer on the transmission. Properly setting your throwout bearing clearance isn’t hard, according to this video. Hydraulic floating throwout bearings have been the standard in short track racing for years.
From howeracing.com
Throw Out Bearings Tagged "Howe Hydraulic Bearing for Stock Clutch Quartermaster Throw Out Bearing Installation Instructions B to install the hydraulic release bearing, you first need to replace the transmission bearing retainer bolt in the 2 o'clock position with the supplied stud. Hydraulic floating throwout bearings have been the standard in short track racing for years. Install the ball stud in the bellhousing. Properly setting your throwout bearing clearance isn’t hard, according to this video. Installation. Quartermaster Throw Out Bearing Installation Instructions.
From www.ebay.com
QUARTERMASTER HYDRAULIC THROWOUT BEARING w/LINES eBay Quartermaster Throw Out Bearing Installation Instructions Install bearing retainer on the transmission. Install the ball stud in the bellhousing. Hydraulic floating throwout bearings have been the standard in short track racing for years. B to install the hydraulic release bearing, you first need to replace the transmission bearing retainer bolt in the 2 o'clock position with the supplied stud. A this special tool from speedway motors. Quartermaster Throw Out Bearing Installation Instructions.
From gearheadzproducts.com
Quartermaster Throw Out Bearing Rebuild Kit Quartermaster Throw Out Bearing Installation Instructions B to install the hydraulic release bearing, you first need to replace the transmission bearing retainer bolt in the 2 o'clock position with the supplied stud. Improperly setting a throwout release bearing will cause a clutch to wear too fast due to problems with engagement. Hydraulic floating throwout bearings have been the standard in short track racing for years. Properly. Quartermaster Throw Out Bearing Installation Instructions.
From www.carbuffnetwork.com
Upgrading to a Hydraulic Throwout Bearing and Clutch CarBuff Network Quartermaster Throw Out Bearing Installation Instructions Properly setting your throwout bearing clearance isn’t hard, according to this video. B to install the hydraulic release bearing, you first need to replace the transmission bearing retainer bolt in the 2 o'clock position with the supplied stud. A this special tool from speedway motors makes it easy to set up a hydraulic clutch release bearing on a manual transmission.. Quartermaster Throw Out Bearing Installation Instructions.
From www.speedwaymotors.com
Quarter Master 710200 Hydraulic Throwout Bearing for 5.5 Inch Clutch Quartermaster Throw Out Bearing Installation Instructions Improperly setting a throwout release bearing will cause a clutch to wear too fast due to problems with engagement. A this special tool from speedway motors makes it easy to set up a hydraulic clutch release bearing on a manual transmission. Installation video of a 7.25 triple ceramic racing clutch and setting throwout bearing. Install the ball stud in the. Quartermaster Throw Out Bearing Installation Instructions.
From www.raceplumbing.net
Quarter Master 710102 Throwout Bearing Shim Kit, Quarter Mas Quartermaster Throw Out Bearing Installation Instructions Install the ball stud in the bellhousing. B to install the hydraulic release bearing, you first need to replace the transmission bearing retainer bolt in the 2 o'clock position with the supplied stud. Hydraulic floating throwout bearings have been the standard in short track racing for years. Install bearing retainer on the transmission. Properly setting your throwout bearing clearance isn’t. Quartermaster Throw Out Bearing Installation Instructions.
From www.ebay.com
QUARTERMASTER HYDRAULIC THROWOUT BEARING TILTON IMCA UMP WISSOTA eBay Quartermaster Throw Out Bearing Installation Instructions B to install the hydraulic release bearing, you first need to replace the transmission bearing retainer bolt in the 2 o'clock position with the supplied stud. A this special tool from speedway motors makes it easy to set up a hydraulic clutch release bearing on a manual transmission. Improperly setting a throwout release bearing will cause a clutch to wear. Quartermaster Throw Out Bearing Installation Instructions.
From www.rockymountainmoggers.com
Rocky Mountain Moggers Greasing a Throw Out Bearing Quartermaster Throw Out Bearing Installation Instructions Hydraulic floating throwout bearings have been the standard in short track racing for years. Properly setting your throwout bearing clearance isn’t hard, according to this video. B to install the hydraulic release bearing, you first need to replace the transmission bearing retainer bolt in the 2 o'clock position with the supplied stud. A this special tool from speedway motors makes. Quartermaster Throw Out Bearing Installation Instructions.
From www.youtube.com
Clutch Release/ Throw Out Bearing Installation in The Fork YouTube Quartermaster Throw Out Bearing Installation Instructions Install the ball stud in the bellhousing. Hydraulic floating throwout bearings have been the standard in short track racing for years. Improperly setting a throwout release bearing will cause a clutch to wear too fast due to problems with engagement. A this special tool from speedway motors makes it easy to set up a hydraulic clutch release bearing on a. Quartermaster Throw Out Bearing Installation Instructions.
From www.youtube.com
How to install the throw out bearing on the collar, Ford GPW, Willys MB Quartermaster Throw Out Bearing Installation Instructions A this special tool from speedway motors makes it easy to set up a hydraulic clutch release bearing on a manual transmission. Improperly setting a throwout release bearing will cause a clutch to wear too fast due to problems with engagement. Install the ball stud in the bellhousing. Installation video of a 7.25 triple ceramic racing clutch and setting throwout. Quartermaster Throw Out Bearing Installation Instructions.
From www.2040-parts.com
Buy QUARTER MASTER HYDRAULIC THROW OUT BEARING in New Gloucester, Maine Quartermaster Throw Out Bearing Installation Instructions Properly setting your throwout bearing clearance isn’t hard, according to this video. Install the ball stud in the bellhousing. Hydraulic floating throwout bearings have been the standard in short track racing for years. Install bearing retainer on the transmission. A this special tool from speedway motors makes it easy to set up a hydraulic clutch release bearing on a manual. Quartermaster Throw Out Bearing Installation Instructions.
From www.e46fanatics.com
Throwout Bearing Install E46 Fanatics Forum Quartermaster Throw Out Bearing Installation Instructions Properly setting your throwout bearing clearance isn’t hard, according to this video. B to install the hydraulic release bearing, you first need to replace the transmission bearing retainer bolt in the 2 o'clock position with the supplied stud. Hydraulic floating throwout bearings have been the standard in short track racing for years. Install bearing retainer on the transmission. Install the. Quartermaster Throw Out Bearing Installation Instructions.
From userwiringmcknight.z5.web.core.windows.net
Throw Out Bearing Diagram Quartermaster Throw Out Bearing Installation Instructions A this special tool from speedway motors makes it easy to set up a hydraulic clutch release bearing on a manual transmission. Install bearing retainer on the transmission. Installation video of a 7.25 triple ceramic racing clutch and setting throwout bearing. Hydraulic floating throwout bearings have been the standard in short track racing for years. B to install the hydraulic. Quartermaster Throw Out Bearing Installation Instructions.
From www.joesracing.com
Quarter Master Hydraulic Throw Out Bearing for 10½" & Larger Clutches Quartermaster Throw Out Bearing Installation Instructions Hydraulic floating throwout bearings have been the standard in short track racing for years. B to install the hydraulic release bearing, you first need to replace the transmission bearing retainer bolt in the 2 o'clock position with the supplied stud. Properly setting your throwout bearing clearance isn’t hard, according to this video. A this special tool from speedway motors makes. Quartermaster Throw Out Bearing Installation Instructions.
From www.americanmuscle.com
How to install a RAM Adjustable Hydraulic Throwout Bearing/Slave Quartermaster Throw Out Bearing Installation Instructions Installation video of a 7.25 triple ceramic racing clutch and setting throwout bearing. A this special tool from speedway motors makes it easy to set up a hydraulic clutch release bearing on a manual transmission. Install bearing retainer on the transmission. Install the ball stud in the bellhousing. B to install the hydraulic release bearing, you first need to replace. Quartermaster Throw Out Bearing Installation Instructions.
From www.joesracing.com
Quarter Master Hydraulic Throw Out Bearing for 10½" & Larger Clutches Quartermaster Throw Out Bearing Installation Instructions Properly setting your throwout bearing clearance isn’t hard, according to this video. Install bearing retainer on the transmission. B to install the hydraulic release bearing, you first need to replace the transmission bearing retainer bolt in the 2 o'clock position with the supplied stud. Improperly setting a throwout release bearing will cause a clutch to wear too fast due to. Quartermaster Throw Out Bearing Installation Instructions.
From dxohmyyqf.blob.core.windows.net
Eaton Clutch Throw Out Bearing at Edward Turner blog Quartermaster Throw Out Bearing Installation Instructions Hydraulic floating throwout bearings have been the standard in short track racing for years. Improperly setting a throwout release bearing will cause a clutch to wear too fast due to problems with engagement. Installation video of a 7.25 triple ceramic racing clutch and setting throwout bearing. Install bearing retainer on the transmission. B to install the hydraulic release bearing, you. Quartermaster Throw Out Bearing Installation Instructions.
From www.youtube.com
TREMEC TKO/TKX/T56 Install, Part 9b How to install a Hydraulic Throw Quartermaster Throw Out Bearing Installation Instructions Installation video of a 7.25 triple ceramic racing clutch and setting throwout bearing. Properly setting your throwout bearing clearance isn’t hard, according to this video. Hydraulic floating throwout bearings have been the standard in short track racing for years. Install bearing retainer on the transmission. B to install the hydraulic release bearing, you first need to replace the transmission bearing. Quartermaster Throw Out Bearing Installation Instructions.
From www.rx7club.com
Quartermaster Clutch Throwout Release Bearing Mazda RX7 Quartermaster Throw Out Bearing Installation Instructions Install the ball stud in the bellhousing. Properly setting your throwout bearing clearance isn’t hard, according to this video. Install bearing retainer on the transmission. Installation video of a 7.25 triple ceramic racing clutch and setting throwout bearing. Improperly setting a throwout release bearing will cause a clutch to wear too fast due to problems with engagement. Hydraulic floating throwout. Quartermaster Throw Out Bearing Installation Instructions.
From www.speedwaymotors.com
How to Install a Hydraulic Throwout Bearing Quartermaster Throw Out Bearing Installation Instructions Install the ball stud in the bellhousing. Hydraulic floating throwout bearings have been the standard in short track racing for years. B to install the hydraulic release bearing, you first need to replace the transmission bearing retainer bolt in the 2 o'clock position with the supplied stud. Properly setting your throwout bearing clearance isn’t hard, according to this video. Install. Quartermaster Throw Out Bearing Installation Instructions.
From www.youtube.com
HYDRAULIC THROWOUT BEARING INSTALL AND SETUP YouTube Quartermaster Throw Out Bearing Installation Instructions Improperly setting a throwout release bearing will cause a clutch to wear too fast due to problems with engagement. Hydraulic floating throwout bearings have been the standard in short track racing for years. Installation video of a 7.25 triple ceramic racing clutch and setting throwout bearing. Install the ball stud in the bellhousing. A this special tool from speedway motors. Quartermaster Throw Out Bearing Installation Instructions.
From vb.foureyedpride.com
Throw out bearing installation Quartermaster Throw Out Bearing Installation Instructions A this special tool from speedway motors makes it easy to set up a hydraulic clutch release bearing on a manual transmission. Improperly setting a throwout release bearing will cause a clutch to wear too fast due to problems with engagement. Install bearing retainer on the transmission. Hydraulic floating throwout bearings have been the standard in short track racing for. Quartermaster Throw Out Bearing Installation Instructions.
From www.ebay.com
QUARTERMASTER HYDRAULIC THROWOUT BEARING w/LINES eBay Quartermaster Throw Out Bearing Installation Instructions Hydraulic floating throwout bearings have been the standard in short track racing for years. B to install the hydraulic release bearing, you first need to replace the transmission bearing retainer bolt in the 2 o'clock position with the supplied stud. Install the ball stud in the bellhousing. Properly setting your throwout bearing clearance isn’t hard, according to this video. Improperly. Quartermaster Throw Out Bearing Installation Instructions.
From howeracing.com
8286 HYDRAULIC THROW OUT BEARING, RACING Howe Racing Enterprises, Inc Quartermaster Throw Out Bearing Installation Instructions Hydraulic floating throwout bearings have been the standard in short track racing for years. Properly setting your throwout bearing clearance isn’t hard, according to this video. Improperly setting a throwout release bearing will cause a clutch to wear too fast due to problems with engagement. Install bearing retainer on the transmission. Install the ball stud in the bellhousing. A this. Quartermaster Throw Out Bearing Installation Instructions.
From www.65turbogarage.com
Replacing The GMC NV4500 Transmission Quartermaster Throw Out Bearing Installation Instructions Improperly setting a throwout release bearing will cause a clutch to wear too fast due to problems with engagement. B to install the hydraulic release bearing, you first need to replace the transmission bearing retainer bolt in the 2 o'clock position with the supplied stud. Properly setting your throwout bearing clearance isn’t hard, according to this video. Install bearing retainer. Quartermaster Throw Out Bearing Installation Instructions.
From www.ebay.com
Quartermaster Aluminum Bellhousing w/ Throwout Bearing Chevrolet NASCAR Quartermaster Throw Out Bearing Installation Instructions Properly setting your throwout bearing clearance isn’t hard, according to this video. Hydraulic floating throwout bearings have been the standard in short track racing for years. Improperly setting a throwout release bearing will cause a clutch to wear too fast due to problems with engagement. Install the ball stud in the bellhousing. B to install the hydraulic release bearing, you. Quartermaster Throw Out Bearing Installation Instructions.
From www.tmzperformance.com
Quarter Master Evo 8/9 5Speed Hydraulic Throw Out Bearing Assembly Quartermaster Throw Out Bearing Installation Instructions A this special tool from speedway motors makes it easy to set up a hydraulic clutch release bearing on a manual transmission. Hydraulic floating throwout bearings have been the standard in short track racing for years. Properly setting your throwout bearing clearance isn’t hard, according to this video. Improperly setting a throwout release bearing will cause a clutch to wear. Quartermaster Throw Out Bearing Installation Instructions.
From www.ebay.com
QUARTERMASTER HYDRAULIC THROWOUT BEARING TILTON IMCA UMP WISSOTA eBay Quartermaster Throw Out Bearing Installation Instructions Properly setting your throwout bearing clearance isn’t hard, according to this video. Hydraulic floating throwout bearings have been the standard in short track racing for years. Install bearing retainer on the transmission. Installation video of a 7.25 triple ceramic racing clutch and setting throwout bearing. Improperly setting a throwout release bearing will cause a clutch to wear too fast due. Quartermaster Throw Out Bearing Installation Instructions.
From www.quartermasterusa.com
710Series Hyd. Floating Throwout Bearing for 5.5" Clutches w/ Low Quartermaster Throw Out Bearing Installation Instructions Install bearing retainer on the transmission. Installation video of a 7.25 triple ceramic racing clutch and setting throwout bearing. Install the ball stud in the bellhousing. B to install the hydraulic release bearing, you first need to replace the transmission bearing retainer bolt in the 2 o'clock position with the supplied stud. Improperly setting a throwout release bearing will cause. Quartermaster Throw Out Bearing Installation Instructions.
From www.ebay.com
QuarterMaster Hydraulic Throwout Release Bearing For 7.25" Clutch eBay Quartermaster Throw Out Bearing Installation Instructions Install the ball stud in the bellhousing. Install bearing retainer on the transmission. Hydraulic floating throwout bearings have been the standard in short track racing for years. B to install the hydraulic release bearing, you first need to replace the transmission bearing retainer bolt in the 2 o'clock position with the supplied stud. Improperly setting a throwout release bearing will. Quartermaster Throw Out Bearing Installation Instructions.
From www.performancebodies.com
QuarterMaster Hydraulic Throwout Bearings Performance Bodies Quartermaster Throw Out Bearing Installation Instructions Properly setting your throwout bearing clearance isn’t hard, according to this video. Improperly setting a throwout release bearing will cause a clutch to wear too fast due to problems with engagement. Installation video of a 7.25 triple ceramic racing clutch and setting throwout bearing. Install bearing retainer on the transmission. A this special tool from speedway motors makes it easy. Quartermaster Throw Out Bearing Installation Instructions.
From www.joesracing.com
Quarter Master Hydraulic Throw Out Bearing for 10½" & Larger Clutches Quartermaster Throw Out Bearing Installation Instructions Properly setting your throwout bearing clearance isn’t hard, according to this video. Installation video of a 7.25 triple ceramic racing clutch and setting throwout bearing. A this special tool from speedway motors makes it easy to set up a hydraulic clutch release bearing on a manual transmission. Install the ball stud in the bellhousing. B to install the hydraulic release. Quartermaster Throw Out Bearing Installation Instructions.
From www.onedirt.com
How To Properly Set Up A Quarter Master Clutch And Hydraulic Bearing Quartermaster Throw Out Bearing Installation Instructions A this special tool from speedway motors makes it easy to set up a hydraulic clutch release bearing on a manual transmission. Properly setting your throwout bearing clearance isn’t hard, according to this video. B to install the hydraulic release bearing, you first need to replace the transmission bearing retainer bolt in the 2 o'clock position with the supplied stud.. Quartermaster Throw Out Bearing Installation Instructions.
From www.joesracing.com
Quarter Master Hydraulic Throw Out Bearing for 10½" & Larger Clutches Quartermaster Throw Out Bearing Installation Instructions Installation video of a 7.25 triple ceramic racing clutch and setting throwout bearing. Hydraulic floating throwout bearings have been the standard in short track racing for years. Properly setting your throwout bearing clearance isn’t hard, according to this video. A this special tool from speedway motors makes it easy to set up a hydraulic clutch release bearing on a manual. Quartermaster Throw Out Bearing Installation Instructions.
From www.youtube.com
How To Install A Throwout Bearing AKA Release Bearing, ZF S542 Throw Quartermaster Throw Out Bearing Installation Instructions Install the ball stud in the bellhousing. B to install the hydraulic release bearing, you first need to replace the transmission bearing retainer bolt in the 2 o'clock position with the supplied stud. A this special tool from speedway motors makes it easy to set up a hydraulic clutch release bearing on a manual transmission. Properly setting your throwout bearing. Quartermaster Throw Out Bearing Installation Instructions.