Constant Current Linear Regulator . Most linear regulators have a maximum rated output. Shunt regulators and series regulators. Article shows how to use linear voltage regulators to provide a constant current. What is a linear voltage regulator. Most linear regulator ics are series. Linear regulators exist in two basic forms: If a regulator's control element operates in its linear region, the regulator is said to be a linear regulator. The control circuitry must monitor. This paper briefly discusses how linear regulators work, their advantages and disadvantages, variations on the linear regulator, and important datasheet parameters.
from www.desertcart.co.ke
Linear regulators exist in two basic forms: What is a linear voltage regulator. Most linear regulators have a maximum rated output. Article shows how to use linear voltage regulators to provide a constant current. The control circuitry must monitor. Shunt regulators and series regulators. This paper briefly discusses how linear regulators work, their advantages and disadvantages, variations on the linear regulator, and important datasheet parameters. If a regulator's control element operates in its linear region, the regulator is said to be a linear regulator. Most linear regulator ics are series.
Buy DROK Adjustable Voltage Regulator DC, Buck Boost Converter 6.0V36V
Constant Current Linear Regulator Article shows how to use linear voltage regulators to provide a constant current. Most linear regulators have a maximum rated output. The control circuitry must monitor. If a regulator's control element operates in its linear region, the regulator is said to be a linear regulator. Article shows how to use linear voltage regulators to provide a constant current. Shunt regulators and series regulators. What is a linear voltage regulator. Most linear regulator ics are series. This paper briefly discusses how linear regulators work, their advantages and disadvantages, variations on the linear regulator, and important datasheet parameters. Linear regulators exist in two basic forms:
From www.eleccircuit.com
High current adjustable voltage regulator circuit, 030V 20A Constant Current Linear Regulator Shunt regulators and series regulators. Linear regulators exist in two basic forms: Most linear regulator ics are series. If a regulator's control element operates in its linear region, the regulator is said to be a linear regulator. What is a linear voltage regulator. The control circuitry must monitor. Article shows how to use linear voltage regulators to provide a constant. Constant Current Linear Regulator.
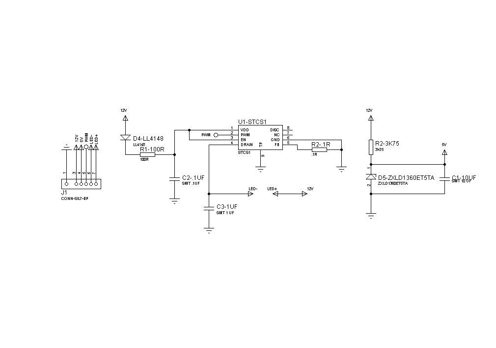
From www.slidemake.com
Series Voltage Regulator Presentation Constant Current Linear Regulator Most linear regulator ics are series. Article shows how to use linear voltage regulators to provide a constant current. Linear regulators exist in two basic forms: The control circuitry must monitor. Shunt regulators and series regulators. Most linear regulators have a maximum rated output. If a regulator's control element operates in its linear region, the regulator is said to be. Constant Current Linear Regulator.
From www.circuitstoday.com
Few LM317 Voltage regulator circuits that has a lot of applications Constant Current Linear Regulator Most linear regulators have a maximum rated output. Linear regulators exist in two basic forms: Most linear regulator ics are series. The control circuitry must monitor. Shunt regulators and series regulators. This paper briefly discusses how linear regulators work, their advantages and disadvantages, variations on the linear regulator, and important datasheet parameters. What is a linear voltage regulator. Article shows. Constant Current Linear Regulator.
From e2e.ti.com
How to design a simple constant current/constant voltage buck converter Constant Current Linear Regulator What is a linear voltage regulator. Most linear regulators have a maximum rated output. Article shows how to use linear voltage regulators to provide a constant current. Most linear regulator ics are series. The control circuitry must monitor. If a regulator's control element operates in its linear region, the regulator is said to be a linear regulator. This paper briefly. Constant Current Linear Regulator.
From www.eleccircuit.com
040V adjustable voltage regulator at 1A Constant Current Linear Regulator The control circuitry must monitor. Shunt regulators and series regulators. If a regulator's control element operates in its linear region, the regulator is said to be a linear regulator. Article shows how to use linear voltage regulators to provide a constant current. Most linear regulators have a maximum rated output. Most linear regulator ics are series. What is a linear. Constant Current Linear Regulator.
From www.instructables.com
LINEAR VOLTAGE REGULATORS 78XX 6 Steps Instructables Constant Current Linear Regulator Article shows how to use linear voltage regulators to provide a constant current. What is a linear voltage regulator. Most linear regulators have a maximum rated output. Linear regulators exist in two basic forms: The control circuitry must monitor. Most linear regulator ics are series. This paper briefly discusses how linear regulators work, their advantages and disadvantages, variations on the. Constant Current Linear Regulator.
From www.diyelectronics.co.za
LM2596 Constant Current / Constant Voltage Buck Regulator Module Constant Current Linear Regulator If a regulator's control element operates in its linear region, the regulator is said to be a linear regulator. Most linear regulator ics are series. Article shows how to use linear voltage regulators to provide a constant current. Most linear regulators have a maximum rated output. The control circuitry must monitor. This paper briefly discusses how linear regulators work, their. Constant Current Linear Regulator.
From www.aliexpress.com
220v RXN 603D Adjustable DC Regulated 60V3A0.1V 0.01A Digital Constant Constant Current Linear Regulator Most linear regulators have a maximum rated output. This paper briefly discusses how linear regulators work, their advantages and disadvantages, variations on the linear regulator, and important datasheet parameters. Most linear regulator ics are series. Shunt regulators and series regulators. If a regulator's control element operates in its linear region, the regulator is said to be a linear regulator. What. Constant Current Linear Regulator.
From www.eenewseurope.com
2terminal constantcurrent linear regulator improves LED curre... Constant Current Linear Regulator Shunt regulators and series regulators. Article shows how to use linear voltage regulators to provide a constant current. This paper briefly discusses how linear regulators work, their advantages and disadvantages, variations on the linear regulator, and important datasheet parameters. What is a linear voltage regulator. Linear regulators exist in two basic forms: Most linear regulator ics are series. If a. Constant Current Linear Regulator.
From www.electronics-lab.com
High Voltage Regulator 48V DC Output from 125V DC Input Electronics Constant Current Linear Regulator Article shows how to use linear voltage regulators to provide a constant current. This paper briefly discusses how linear regulators work, their advantages and disadvantages, variations on the linear regulator, and important datasheet parameters. What is a linear voltage regulator. Most linear regulator ics are series. The control circuitry must monitor. Linear regulators exist in two basic forms: Shunt regulators. Constant Current Linear Regulator.
From predictabledesigns.com
Linear and Switching Voltage Regulators An Introduction Constant Current Linear Regulator Article shows how to use linear voltage regulators to provide a constant current. This paper briefly discusses how linear regulators work, their advantages and disadvantages, variations on the linear regulator, and important datasheet parameters. If a regulator's control element operates in its linear region, the regulator is said to be a linear regulator. Linear regulators exist in two basic forms:. Constant Current Linear Regulator.
From pic-microcontroller.com
Flexible Negative Linear Regulator with Current Limiting Constant Current Linear Regulator Linear regulators exist in two basic forms: If a regulator's control element operates in its linear region, the regulator is said to be a linear regulator. Article shows how to use linear voltage regulators to provide a constant current. What is a linear voltage regulator. The control circuitry must monitor. Most linear regulators have a maximum rated output. This paper. Constant Current Linear Regulator.
From www.digikey.in
Introduction to Linear Voltage Regulators Constant Current Linear Regulator What is a linear voltage regulator. Shunt regulators and series regulators. If a regulator's control element operates in its linear region, the regulator is said to be a linear regulator. Linear regulators exist in two basic forms: Most linear regulators have a maximum rated output. The control circuitry must monitor. This paper briefly discusses how linear regulators work, their advantages. Constant Current Linear Regulator.
From www.edaboard.com
Increasing the current handling capability of linear voltage regulators Constant Current Linear Regulator This paper briefly discusses how linear regulators work, their advantages and disadvantages, variations on the linear regulator, and important datasheet parameters. If a regulator's control element operates in its linear region, the regulator is said to be a linear regulator. Linear regulators exist in two basic forms: The control circuitry must monitor. Most linear regulator ics are series. Most linear. Constant Current Linear Regulator.
From www.eleccircuit.com
High current adjustable voltage regulator circuit, 030V 20A Constant Current Linear Regulator The control circuitry must monitor. Most linear regulators have a maximum rated output. What is a linear voltage regulator. This paper briefly discusses how linear regulators work, their advantages and disadvantages, variations on the linear regulator, and important datasheet parameters. Most linear regulator ics are series. Linear regulators exist in two basic forms: If a regulator's control element operates in. Constant Current Linear Regulator.
From mungfali.com
LM317 Transistor Constant Current Linear Regulator Most linear regulator ics are series. Shunt regulators and series regulators. The control circuitry must monitor. This paper briefly discusses how linear regulators work, their advantages and disadvantages, variations on the linear regulator, and important datasheet parameters. Most linear regulators have a maximum rated output. Article shows how to use linear voltage regulators to provide a constant current. Linear regulators. Constant Current Linear Regulator.
From www.circuitstoday.com
IC Voltage Regulatorswith Circuit Diagram Design & Theory Constant Current Linear Regulator Linear regulators exist in two basic forms: What is a linear voltage regulator. The control circuitry must monitor. Most linear regulators have a maximum rated output. Most linear regulator ics are series. This paper briefly discusses how linear regulators work, their advantages and disadvantages, variations on the linear regulator, and important datasheet parameters. Shunt regulators and series regulators. If a. Constant Current Linear Regulator.
From www.lifewire.com
Types of Voltage Regulators Constant Current Linear Regulator The control circuitry must monitor. Article shows how to use linear voltage regulators to provide a constant current. This paper briefly discusses how linear regulators work, their advantages and disadvantages, variations on the linear regulator, and important datasheet parameters. Most linear regulator ics are series. Most linear regulators have a maximum rated output. What is a linear voltage regulator. Shunt. Constant Current Linear Regulator.
From www.powerelectronicsnews.com
Power Supply Design Notes OpAmpBased Voltage Regulators Power Constant Current Linear Regulator If a regulator's control element operates in its linear region, the regulator is said to be a linear regulator. The control circuitry must monitor. This paper briefly discusses how linear regulators work, their advantages and disadvantages, variations on the linear regulator, and important datasheet parameters. Most linear regulators have a maximum rated output. Shunt regulators and series regulators. What is. Constant Current Linear Regulator.
From makingcircuits.com
Simple Adjustable Constant Current Circuit Constant Current Linear Regulator If a regulator's control element operates in its linear region, the regulator is said to be a linear regulator. Most linear regulators have a maximum rated output. Most linear regulator ics are series. Article shows how to use linear voltage regulators to provide a constant current. Shunt regulators and series regulators. This paper briefly discusses how linear regulators work, their. Constant Current Linear Regulator.
From www.electronics-lab.com
LT3091 36V, 1.5A Negative Linear Regulator with Programmable Current Constant Current Linear Regulator Article shows how to use linear voltage regulators to provide a constant current. Most linear regulator ics are series. Most linear regulators have a maximum rated output. The control circuitry must monitor. If a regulator's control element operates in its linear region, the regulator is said to be a linear regulator. What is a linear voltage regulator. This paper briefly. Constant Current Linear Regulator.
From www.pinterest.com
Fixed voltage regulator working principle Voltage Constant Current Linear Regulator Most linear regulator ics are series. This paper briefly discusses how linear regulators work, their advantages and disadvantages, variations on the linear regulator, and important datasheet parameters. Most linear regulators have a maximum rated output. Linear regulators exist in two basic forms: The control circuitry must monitor. What is a linear voltage regulator. Shunt regulators and series regulators. Article shows. Constant Current Linear Regulator.
From www.homemade-circuits.com
Connecting Voltage Regulators 78XX in Parallel for High Current Constant Current Linear Regulator Most linear regulator ics are series. What is a linear voltage regulator. Shunt regulators and series regulators. The control circuitry must monitor. Article shows how to use linear voltage regulators to provide a constant current. Most linear regulators have a maximum rated output. Linear regulators exist in two basic forms: This paper briefly discusses how linear regulators work, their advantages. Constant Current Linear Regulator.
From www.youtube.com
Current Regulator Principles Circuit Design YouTube Constant Current Linear Regulator Linear regulators exist in two basic forms: The control circuitry must monitor. This paper briefly discusses how linear regulators work, their advantages and disadvantages, variations on the linear regulator, and important datasheet parameters. If a regulator's control element operates in its linear region, the regulator is said to be a linear regulator. Shunt regulators and series regulators. Article shows how. Constant Current Linear Regulator.
From www.electro-tech-online.com
Constant current source using linear regulator. Electronics Forum Constant Current Linear Regulator Linear regulators exist in two basic forms: Most linear regulator ics are series. Article shows how to use linear voltage regulators to provide a constant current. If a regulator's control element operates in its linear region, the regulator is said to be a linear regulator. This paper briefly discusses how linear regulators work, their advantages and disadvantages, variations on the. Constant Current Linear Regulator.
From www.desertcart.co.ke
Buy DROK Adjustable Voltage Regulator DC, Buck Boost Converter 6.0V36V Constant Current Linear Regulator Shunt regulators and series regulators. The control circuitry must monitor. Article shows how to use linear voltage regulators to provide a constant current. Most linear regulator ics are series. This paper briefly discusses how linear regulators work, their advantages and disadvantages, variations on the linear regulator, and important datasheet parameters. If a regulator's control element operates in its linear region,. Constant Current Linear Regulator.
From www.aliexpress.com
0V Startup Linear Regulator Power Supply Constant Current Constant Constant Current Linear Regulator If a regulator's control element operates in its linear region, the regulator is said to be a linear regulator. Linear regulators exist in two basic forms: The control circuitry must monitor. Article shows how to use linear voltage regulators to provide a constant current. This paper briefly discusses how linear regulators work, their advantages and disadvantages, variations on the linear. Constant Current Linear Regulator.
From richelectronics.co.uk
ST L7905CV Linear Voltage Regulators 5.0V 1.5A Negative 5 Pieces OMB2 Constant Current Linear Regulator What is a linear voltage regulator. Most linear regulator ics are series. If a regulator's control element operates in its linear region, the regulator is said to be a linear regulator. The control circuitry must monitor. Most linear regulators have a maximum rated output. Article shows how to use linear voltage regulators to provide a constant current. Linear regulators exist. Constant Current Linear Regulator.
From mavink.com
Constant Current Source Circuit Constant Current Linear Regulator Most linear regulators have a maximum rated output. This paper briefly discusses how linear regulators work, their advantages and disadvantages, variations on the linear regulator, and important datasheet parameters. Most linear regulator ics are series. What is a linear voltage regulator. The control circuitry must monitor. Linear regulators exist in two basic forms: If a regulator's control element operates in. Constant Current Linear Regulator.
From www.electricity-magnetism.org
Linear current regulator How it works, Application & Advantages Constant Current Linear Regulator The control circuitry must monitor. This paper briefly discusses how linear regulators work, their advantages and disadvantages, variations on the linear regulator, and important datasheet parameters. Linear regulators exist in two basic forms: If a regulator's control element operates in its linear region, the regulator is said to be a linear regulator. Most linear regulators have a maximum rated output.. Constant Current Linear Regulator.
From www.instructables.com
1.5A Constant Current Linear Regulator for LEDs For 6 Steps Constant Current Linear Regulator Most linear regulator ics are series. Article shows how to use linear voltage regulators to provide a constant current. What is a linear voltage regulator. Shunt regulators and series regulators. Linear regulators exist in two basic forms: The control circuitry must monitor. This paper briefly discusses how linear regulators work, their advantages and disadvantages, variations on the linear regulator, and. Constant Current Linear Regulator.
From www.aliexpress.com
DC DC Step down Constant Current Regulator Module 4 38v Input to 1.25 Constant Current Linear Regulator What is a linear voltage regulator. Most linear regulators have a maximum rated output. Shunt regulators and series regulators. Most linear regulator ics are series. This paper briefly discusses how linear regulators work, their advantages and disadvantages, variations on the linear regulator, and important datasheet parameters. Linear regulators exist in two basic forms: Article shows how to use linear voltage. Constant Current Linear Regulator.
From www.caretxdigital.com
regulator circuit diagram Wiring Diagram and Schematics Constant Current Linear Regulator Most linear regulators have a maximum rated output. The control circuitry must monitor. Linear regulators exist in two basic forms: Article shows how to use linear voltage regulators to provide a constant current. This paper briefly discusses how linear regulators work, their advantages and disadvantages, variations on the linear regulator, and important datasheet parameters. What is a linear voltage regulator.. Constant Current Linear Regulator.
From www.electroniclinic.com
Series Voltage Regulator and Shunt Voltages Regulator Constant Current Linear Regulator Article shows how to use linear voltage regulators to provide a constant current. Shunt regulators and series regulators. The control circuitry must monitor. If a regulator's control element operates in its linear region, the regulator is said to be a linear regulator. This paper briefly discusses how linear regulators work, their advantages and disadvantages, variations on the linear regulator, and. Constant Current Linear Regulator.
From eepower.com
Compact 400V Linear Regulators Deliver Constant LED Current New Constant Current Linear Regulator The control circuitry must monitor. If a regulator's control element operates in its linear region, the regulator is said to be a linear regulator. Linear regulators exist in two basic forms: Article shows how to use linear voltage regulators to provide a constant current. This paper briefly discusses how linear regulators work, their advantages and disadvantages, variations on the linear. Constant Current Linear Regulator.