Parking Brake Lever Tractor . Our range includes levers, cylinders and brake drums. It allows you to release the parking brake by pulling the. Depending on your model, you might need to step on the. Spot the parking brake lever—it’s usually near the operator’s seat, often by the right footrest or close to the control levers. Buy from an independent supplier! But if you aren't pushing on the parking brake lever as you push the pedal, then yes, pushing the foot pedal does make it. Looking for tractor parking brakes? The lever type parking brake is located in the middle of the two seats. Steiner tractor parts sells new parts for old tractors. Restore your vintage tractor with new aftermarket parts for many classic tractor brands. The parking brake sliding lever has recently become harder and harder to engage on my 1026r. With a fully staffed technical help.
from www.mytractorforum.com
The parking brake sliding lever has recently become harder and harder to engage on my 1026r. Depending on your model, you might need to step on the. Spot the parking brake lever—it’s usually near the operator’s seat, often by the right footrest or close to the control levers. But if you aren't pushing on the parking brake lever as you push the pedal, then yes, pushing the foot pedal does make it. With a fully staffed technical help. Our range includes levers, cylinders and brake drums. Looking for tractor parking brakes? Buy from an independent supplier! Restore your vintage tractor with new aftermarket parts for many classic tractor brands. The lever type parking brake is located in the middle of the two seats.
How to install new parking brake lever & spring in 1996 JD 325? My
Parking Brake Lever Tractor Restore your vintage tractor with new aftermarket parts for many classic tractor brands. Buy from an independent supplier! But if you aren't pushing on the parking brake lever as you push the pedal, then yes, pushing the foot pedal does make it. It allows you to release the parking brake by pulling the. Spot the parking brake lever—it’s usually near the operator’s seat, often by the right footrest or close to the control levers. Depending on your model, you might need to step on the. Steiner tractor parts sells new parts for old tractors. Looking for tractor parking brakes? Restore your vintage tractor with new aftermarket parts for many classic tractor brands. With a fully staffed technical help. The lever type parking brake is located in the middle of the two seats. Our range includes levers, cylinders and brake drums. The parking brake sliding lever has recently become harder and harder to engage on my 1026r.
From www.greenpartstore.com
John Deere Park Brake Linkage Kit LVA17750 Parking Brake Lever Tractor The parking brake sliding lever has recently become harder and harder to engage on my 1026r. Depending on your model, you might need to step on the. But if you aren't pushing on the parking brake lever as you push the pedal, then yes, pushing the foot pedal does make it. Steiner tractor parts sells new parts for old tractors.. Parking Brake Lever Tractor.
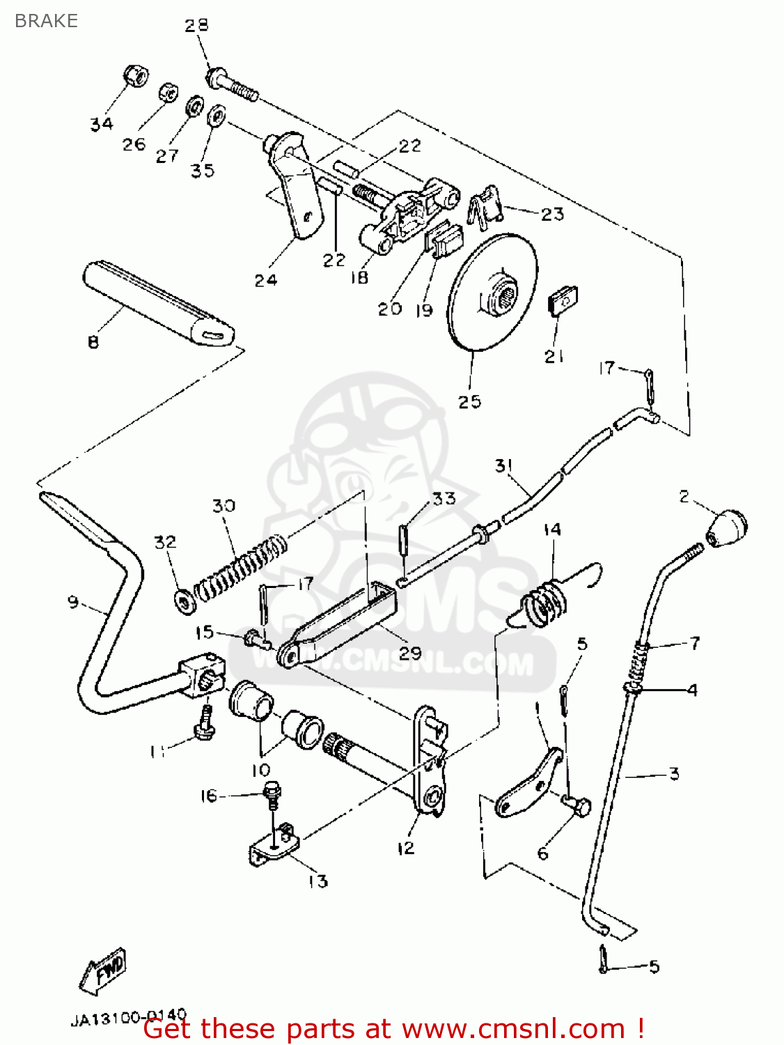
From www.stormbuggies.com
BRAKE PARKING HANDBRAKE LEVER Storm Buggies Parking Brake Lever Tractor The parking brake sliding lever has recently become harder and harder to engage on my 1026r. Looking for tractor parking brakes? But if you aren't pushing on the parking brake lever as you push the pedal, then yes, pushing the foot pedal does make it. Restore your vintage tractor with new aftermarket parts for many classic tractor brands. Spot the. Parking Brake Lever Tractor.
From 777parts.net
PARKING BRAKE LEVER AND LINKAGE TRACTOR John Deere 5105 TRACTOR Parking Brake Lever Tractor It allows you to release the parking brake by pulling the. Depending on your model, you might need to step on the. Steiner tractor parts sells new parts for old tractors. Restore your vintage tractor with new aftermarket parts for many classic tractor brands. But if you aren't pushing on the parking brake lever as you push the pedal, then. Parking Brake Lever Tractor.
From www.justanswer.com
John Deere L110 Parking Brake Issues & Parts Guide Expert Q&A Parking Brake Lever Tractor Our range includes levers, cylinders and brake drums. The lever type parking brake is located in the middle of the two seats. Restore your vintage tractor with new aftermarket parts for many classic tractor brands. With a fully staffed technical help. Looking for tractor parking brakes? But if you aren't pushing on the parking brake lever as you push the. Parking Brake Lever Tractor.
From autoline.info
WABCO 2301822, 9617241070 parking brake lever for Scania truck tractor Parking Brake Lever Tractor Steiner tractor parts sells new parts for old tractors. Buy from an independent supplier! The parking brake sliding lever has recently become harder and harder to engage on my 1026r. It allows you to release the parking brake by pulling the. Depending on your model, you might need to step on the. The lever type parking brake is located in. Parking Brake Lever Tractor.
From bluestarperformance.com
Hand Operated Parking Brake Lever 2265300 A Body 196366 NOS Parking Brake Lever Tractor Looking for tractor parking brakes? Our range includes levers, cylinders and brake drums. The parking brake sliding lever has recently become harder and harder to engage on my 1026r. The lever type parking brake is located in the middle of the two seats. But if you aren't pushing on the parking brake lever as you push the pedal, then yes,. Parking Brake Lever Tractor.
From www.cmsnl.com
LEVER, PARKING BRAKE RELEASE for YT3600P FRONT ENGINE LAWN TRACTOR 1990 Parking Brake Lever Tractor Looking for tractor parking brakes? Buy from an independent supplier! The lever type parking brake is located in the middle of the two seats. Restore your vintage tractor with new aftermarket parts for many classic tractor brands. Steiner tractor parts sells new parts for old tractors. It allows you to release the parking brake by pulling the. Spot the parking. Parking Brake Lever Tractor.
From www.ebay.com
Center Emergency Parking E Brake Handbrake Lever Mechanism OEM Mini R56 Parking Brake Lever Tractor Restore your vintage tractor with new aftermarket parts for many classic tractor brands. The lever type parking brake is located in the middle of the two seats. Looking for tractor parking brakes? With a fully staffed technical help. The parking brake sliding lever has recently become harder and harder to engage on my 1026r. Depending on your model, you might. Parking Brake Lever Tractor.
From www.goodparts.com
Parking Brake Lever Extension Kit, TR4A IRS, TR250, TR6 Good Parts Parking Brake Lever Tractor Spot the parking brake lever—it’s usually near the operator’s seat, often by the right footrest or close to the control levers. Looking for tractor parking brakes? The lever type parking brake is located in the middle of the two seats. But if you aren't pushing on the parking brake lever as you push the pedal, then yes, pushing the foot. Parking Brake Lever Tractor.
From www.mytractorforum.com
John Deere 400 Parking Brake Assembly My Tractor Forum Parking Brake Lever Tractor Restore your vintage tractor with new aftermarket parts for many classic tractor brands. But if you aren't pushing on the parking brake lever as you push the pedal, then yes, pushing the foot pedal does make it. Looking for tractor parking brakes? Buy from an independent supplier! Depending on your model, you might need to step on the. The lever. Parking Brake Lever Tractor.
From www.justanswer.com
John Deere LT130 Parking Brake Adjustment & Parts Diagrams Expert Q&A Parking Brake Lever Tractor Looking for tractor parking brakes? With a fully staffed technical help. It allows you to release the parking brake by pulling the. The lever type parking brake is located in the middle of the two seats. Depending on your model, you might need to step on the. Our range includes levers, cylinders and brake drums. Spot the parking brake lever—it’s. Parking Brake Lever Tractor.
From www.mytractorforum.com
How to install new parking brake lever & spring in 1996 JD 325? My Parking Brake Lever Tractor It allows you to release the parking brake by pulling the. Looking for tractor parking brakes? Steiner tractor parts sells new parts for old tractors. Spot the parking brake lever—it’s usually near the operator’s seat, often by the right footrest or close to the control levers. Buy from an independent supplier! The lever type parking brake is located in the. Parking Brake Lever Tractor.
From www.carid.com
ACDelco® 1791224 GM Original Equipment™ Parking Brake Lever Kit Parking Brake Lever Tractor Depending on your model, you might need to step on the. Buy from an independent supplier! It allows you to release the parking brake by pulling the. The lever type parking brake is located in the middle of the two seats. But if you aren't pushing on the parking brake lever as you push the pedal, then yes, pushing the. Parking Brake Lever Tractor.
From www.ford-trucks.com
Parking brake lever Ford Truck Enthusiasts Forums Parking Brake Lever Tractor Buy from an independent supplier! Spot the parking brake lever—it’s usually near the operator’s seat, often by the right footrest or close to the control levers. Our range includes levers, cylinders and brake drums. With a fully staffed technical help. It allows you to release the parking brake by pulling the. Restore your vintage tractor with new aftermarket parts for. Parking Brake Lever Tractor.
From fordntractor.com
FDS241 PARKING BRAKE LEVER Ford N Tractor Parts Parts for Ford N Parking Brake Lever Tractor Our range includes levers, cylinders and brake drums. Restore your vintage tractor with new aftermarket parts for many classic tractor brands. But if you aren't pushing on the parking brake lever as you push the pedal, then yes, pushing the foot pedal does make it. Depending on your model, you might need to step on the. With a fully staffed. Parking Brake Lever Tractor.
From autoline.info
DAF 1845503 RH, K056486, DPM95DD parking brake lever for DAF truck Parking Brake Lever Tractor Our range includes levers, cylinders and brake drums. The parking brake sliding lever has recently become harder and harder to engage on my 1026r. Spot the parking brake lever—it’s usually near the operator’s seat, often by the right footrest or close to the control levers. The lever type parking brake is located in the middle of the two seats. Restore. Parking Brake Lever Tractor.
From tractors.fandom.com
Parking brake Tractor & Construction Plant Wiki Fandom Parking Brake Lever Tractor Depending on your model, you might need to step on the. Our range includes levers, cylinders and brake drums. Buy from an independent supplier! The parking brake sliding lever has recently become harder and harder to engage on my 1026r. But if you aren't pushing on the parking brake lever as you push the pedal, then yes, pushing the foot. Parking Brake Lever Tractor.
From www.carid.com
ACDelco® GM Original Equipment™ Parking Brake Lever Kit Parking Brake Lever Tractor Depending on your model, you might need to step on the. Steiner tractor parts sells new parts for old tractors. Looking for tractor parking brakes? It allows you to release the parking brake by pulling the. Our range includes levers, cylinders and brake drums. Restore your vintage tractor with new aftermarket parts for many classic tractor brands. The lever type. Parking Brake Lever Tractor.
From www.justanswer.com
John Deere LT130 Parking Brake Adjustment & Parts Diagrams Expert Q&A Parking Brake Lever Tractor Spot the parking brake lever—it’s usually near the operator’s seat, often by the right footrest or close to the control levers. The lever type parking brake is located in the middle of the two seats. With a fully staffed technical help. Steiner tractor parts sells new parts for old tractors. The parking brake sliding lever has recently become harder and. Parking Brake Lever Tractor.
From www.youtube.com
Parking brake lever install YouTube Parking Brake Lever Tractor The lever type parking brake is located in the middle of the two seats. Our range includes levers, cylinders and brake drums. Depending on your model, you might need to step on the. It allows you to release the parking brake by pulling the. Restore your vintage tractor with new aftermarket parts for many classic tractor brands. Spot the parking. Parking Brake Lever Tractor.
From www.indiamart.com
Ace Tractor Parking Brake Lever Assembly at Rs 150/piece in Faridabad Parking Brake Lever Tractor The parking brake sliding lever has recently become harder and harder to engage on my 1026r. Spot the parking brake lever—it’s usually near the operator’s seat, often by the right footrest or close to the control levers. Restore your vintage tractor with new aftermarket parts for many classic tractor brands. With a fully staffed technical help. Depending on your model,. Parking Brake Lever Tractor.
From autoline.info
WABCO Hand Brake Valve 9617231180 parking brake lever for MAN TGA (2000 Parking Brake Lever Tractor But if you aren't pushing on the parking brake lever as you push the pedal, then yes, pushing the foot pedal does make it. Restore your vintage tractor with new aftermarket parts for many classic tractor brands. With a fully staffed technical help. The parking brake sliding lever has recently become harder and harder to engage on my 1026r. Spot. Parking Brake Lever Tractor.
From www.yesterdaystractors.com
Ford 3000 parking brake lever Yesterday's Tractors Parking Brake Lever Tractor Steiner tractor parts sells new parts for old tractors. Looking for tractor parking brakes? It allows you to release the parking brake by pulling the. Restore your vintage tractor with new aftermarket parts for many classic tractor brands. With a fully staffed technical help. Depending on your model, you might need to step on the. Spot the parking brake lever—it’s. Parking Brake Lever Tractor.
From stmtuned.com
OEM Parking Brake Lever 2G DSM Evo 49 (4600A154 4600A155) Parking Brake Lever Tractor But if you aren't pushing on the parking brake lever as you push the pedal, then yes, pushing the foot pedal does make it. With a fully staffed technical help. Our range includes levers, cylinders and brake drums. Steiner tractor parts sells new parts for old tractors. Restore your vintage tractor with new aftermarket parts for many classic tractor brands.. Parking Brake Lever Tractor.
From www.cmsnl.com
53181GK0670 Lever, Parking Brake Honda buy the 53181GK0670 at CMSNL Parking Brake Lever Tractor Restore your vintage tractor with new aftermarket parts for many classic tractor brands. But if you aren't pushing on the parking brake lever as you push the pedal, then yes, pushing the foot pedal does make it. It allows you to release the parking brake by pulling the. Steiner tractor parts sells new parts for old tractors. With a fully. Parking Brake Lever Tractor.
From www.youtube.com
Brake adjustments on the John Deere 56 & contemplating the clutch Parking Brake Lever Tractor Spot the parking brake lever—it’s usually near the operator’s seat, often by the right footrest or close to the control levers. Our range includes levers, cylinders and brake drums. Looking for tractor parking brakes? The parking brake sliding lever has recently become harder and harder to engage on my 1026r. Restore your vintage tractor with new aftermarket parts for many. Parking Brake Lever Tractor.
From www.partsmix.com
emergency, parking, brake, lever, 10", drum, 83/4 Parking Brake Lever Tractor It allows you to release the parking brake by pulling the. But if you aren't pushing on the parking brake lever as you push the pedal, then yes, pushing the foot pedal does make it. Spot the parking brake lever—it’s usually near the operator’s seat, often by the right footrest or close to the control levers. Depending on your model,. Parking Brake Lever Tractor.
From mitsubishitechinfo.com
36PARKING BRAKE LEVER REMOVAL AND INSTALLATION Parking Brake Lever Tractor Spot the parking brake lever—it’s usually near the operator’s seat, often by the right footrest or close to the control levers. The parking brake sliding lever has recently become harder and harder to engage on my 1026r. Buy from an independent supplier! But if you aren't pushing on the parking brake lever as you push the pedal, then yes, pushing. Parking Brake Lever Tractor.
From www.manualwinch.eu
Tractor brake lever for sale Faca Parking Brake Lever Tractor It allows you to release the parking brake by pulling the. Restore your vintage tractor with new aftermarket parts for many classic tractor brands. With a fully staffed technical help. Steiner tractor parts sells new parts for old tractors. The lever type parking brake is located in the middle of the two seats. The parking brake sliding lever has recently. Parking Brake Lever Tractor.
From www.proxyparts.com
Parking brake levers with part number 82009 stock Parking Brake Lever Tractor It allows you to release the parking brake by pulling the. Our range includes levers, cylinders and brake drums. The parking brake sliding lever has recently become harder and harder to engage on my 1026r. With a fully staffed technical help. The lever type parking brake is located in the middle of the two seats. Depending on your model, you. Parking Brake Lever Tractor.
From www.ebay.com
International IH 454 Tractor Parking Brake Lever Pedal eBay Parking Brake Lever Tractor Buy from an independent supplier! Restore your vintage tractor with new aftermarket parts for many classic tractor brands. Depending on your model, you might need to step on the. Steiner tractor parts sells new parts for old tractors. But if you aren't pushing on the parking brake lever as you push the pedal, then yes, pushing the foot pedal does. Parking Brake Lever Tractor.
From www.goodparts.com
Parking Brake Lever Extension Kit, TR4A IRS, TR250, TR6 Good Parts Parking Brake Lever Tractor The parking brake sliding lever has recently become harder and harder to engage on my 1026r. Our range includes levers, cylinders and brake drums. It allows you to release the parking brake by pulling the. With a fully staffed technical help. Restore your vintage tractor with new aftermarket parts for many classic tractor brands. Depending on your model, you might. Parking Brake Lever Tractor.
From autoline.info
WABCO 9617223140 parking brake lever for SCANIA 3series (19871998 Parking Brake Lever Tractor Looking for tractor parking brakes? Spot the parking brake lever—it’s usually near the operator’s seat, often by the right footrest or close to the control levers. The parking brake sliding lever has recently become harder and harder to engage on my 1026r. Steiner tractor parts sells new parts for old tractors. It allows you to release the parking brake by. Parking Brake Lever Tractor.
From www.chromeandparts.com
Dash Valves PPDC Push/Pull Air Parking Brake Dash Hand Control Valve Parking Brake Lever Tractor But if you aren't pushing on the parking brake lever as you push the pedal, then yes, pushing the foot pedal does make it. Restore your vintage tractor with new aftermarket parts for many classic tractor brands. Our range includes levers, cylinders and brake drums. The parking brake sliding lever has recently become harder and harder to engage on my. Parking Brake Lever Tractor.
From www.carid.com
Wilwood® 34014744 Dual Hand Brake Lever Assembly Parking Brake Lever Tractor Looking for tractor parking brakes? The parking brake sliding lever has recently become harder and harder to engage on my 1026r. The lever type parking brake is located in the middle of the two seats. Spot the parking brake lever—it’s usually near the operator’s seat, often by the right footrest or close to the control levers. Buy from an independent. Parking Brake Lever Tractor.