F150 Alternator Not Charging . The amp guage shows a discharge. the charge lamp normally lights when the alternator is not spinning such as key on eingine not running because the 3 field windings go to ground. i have power going in the alternator but not charging battery. the alternator is not charging the battery. If the vehicle battery is replaced, carry out the battery monitoring system reset. my battery voltage is only 12.2v (50%soc) left over night. I have narrowed it down to there. However, in many cases, the real. Do the connections have any burn marks on them? However it is functioning properly. do the connections hook on tight? Charging as per your youtube clip, but charging system. This problem can be caused by various factors, such as a faulty alternator, damaged wiring, or a malfunctioning voltage regulator. The first thing to check is the battery itself.
from enginelibstuffers.z13.web.core.windows.net
Do the connections have any burn marks on them? This problem can be caused by various factors, such as a faulty alternator, damaged wiring, or a malfunctioning voltage regulator. I have narrowed it down to there. the alternator is not charging the battery. Charging as per your youtube clip, but charging system. do the connections hook on tight? i have power going in the alternator but not charging battery. The first thing to check is the battery itself. The amp guage shows a discharge. However it is functioning properly.
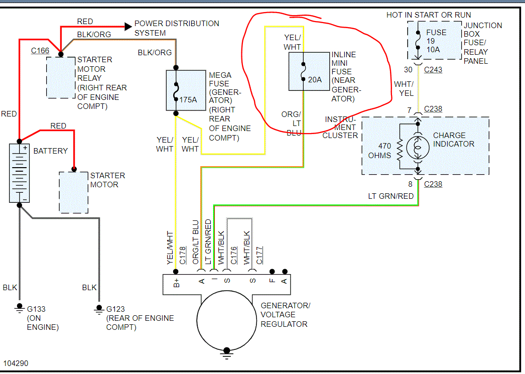
Alternator Wiring Diagram On 95 F150
F150 Alternator Not Charging my battery voltage is only 12.2v (50%soc) left over night. Do the connections have any burn marks on them? do the connections hook on tight? The first thing to check is the battery itself. Charging as per your youtube clip, but charging system. The amp guage shows a discharge. my battery voltage is only 12.2v (50%soc) left over night. the charge lamp normally lights when the alternator is not spinning such as key on eingine not running because the 3 field windings go to ground. the alternator is not charging the battery. i have power going in the alternator but not charging battery. This problem can be caused by various factors, such as a faulty alternator, damaged wiring, or a malfunctioning voltage regulator. I have narrowed it down to there. However it is functioning properly. If the vehicle battery is replaced, carry out the battery monitoring system reset. However, in many cases, the real.
From www.2carpros.com
Alternator Not Charging I Have a 2004 F150 with 75k and, Page 2 F150 Alternator Not Charging the alternator is not charging the battery. the charge lamp normally lights when the alternator is not spinning such as key on eingine not running because the 3 field windings go to ground. i have power going in the alternator but not charging battery. However it is functioning properly. However, in many cases, the real. This problem. F150 Alternator Not Charging.
From enginelgcdelt0333dhv.z13.web.core.windows.net
How To Fix A Alternator Not Charging F150 Alternator Not Charging The amp guage shows a discharge. I have narrowed it down to there. i have power going in the alternator but not charging battery. However, in many cases, the real. do the connections hook on tight? If the vehicle battery is replaced, carry out the battery monitoring system reset. Do the connections have any burn marks on them?. F150 Alternator Not Charging.
From manualdbayrshire.z1.web.core.windows.net
How To Wire A Ford Alternator F150 Alternator Not Charging Charging as per your youtube clip, but charging system. the alternator is not charging the battery. do the connections hook on tight? the charge lamp normally lights when the alternator is not spinning such as key on eingine not running because the 3 field windings go to ground. However, in many cases, the real. my battery. F150 Alternator Not Charging.
From www.ford-trucks.com
1995 F150 New Alternator & Battery Still not Charging Ford Truck F150 Alternator Not Charging However, in many cases, the real. my battery voltage is only 12.2v (50%soc) left over night. the charge lamp normally lights when the alternator is not spinning such as key on eingine not running because the 3 field windings go to ground. The amp guage shows a discharge. I have narrowed it down to there. However it is. F150 Alternator Not Charging.
From einvoice.fpt.com.vn
Ford F150 Questions Alternator Not Charging Battery, 55 OFF F150 Alternator Not Charging This problem can be caused by various factors, such as a faulty alternator, damaged wiring, or a malfunctioning voltage regulator. my battery voltage is only 12.2v (50%soc) left over night. The amp guage shows a discharge. the alternator is not charging the battery. the charge lamp normally lights when the alternator is not spinning such as key. F150 Alternator Not Charging.
From fixrepairconstantine123.z19.web.core.windows.net
F150 Charging System Problems F150 Alternator Not Charging The amp guage shows a discharge. However it is functioning properly. However, in many cases, the real. i have power going in the alternator but not charging battery. do the connections hook on tight? I have narrowed it down to there. my battery voltage is only 12.2v (50%soc) left over night. The first thing to check is. F150 Alternator Not Charging.
From circuitdiagramjaspe.z5.web.core.windows.net
Ford 3 Wire Alternator Diagram F150 Alternator Not Charging my battery voltage is only 12.2v (50%soc) left over night. i have power going in the alternator but not charging battery. However, in many cases, the real. the charge lamp normally lights when the alternator is not spinning such as key on eingine not running because the 3 field windings go to ground. The first thing to. F150 Alternator Not Charging.
From www.youtube.com
WHY FORD F150 F150 DEAD BATTERY, ALTERNATOR NOT CHARGING 2015 2016 F150 Alternator Not Charging Charging as per your youtube clip, but charging system. my battery voltage is only 12.2v (50%soc) left over night. The amp guage shows a discharge. However it is functioning properly. the charge lamp normally lights when the alternator is not spinning such as key on eingine not running because the 3 field windings go to ground. I have. F150 Alternator Not Charging.
From www.youtube.com
How to fix Charging System Issues on a Ford F150 YouTube F150 Alternator Not Charging The amp guage shows a discharge. However, in many cases, the real. the charge lamp normally lights when the alternator is not spinning such as key on eingine not running because the 3 field windings go to ground. I have narrowed it down to there. do the connections hook on tight? If the vehicle battery is replaced, carry. F150 Alternator Not Charging.
From guidefixhofmanax4.z4.web.core.windows.net
How To Replace Ford F150 Alternator F150 Alternator Not Charging If the vehicle battery is replaced, carry out the battery monitoring system reset. I have narrowed it down to there. the charge lamp normally lights when the alternator is not spinning such as key on eingine not running because the 3 field windings go to ground. The amp guage shows a discharge. my battery voltage is only 12.2v. F150 Alternator Not Charging.
From newparts.com
Ford F150 Alternator Issue Troubleshooting Guide F150 Alternator Not Charging This problem can be caused by various factors, such as a faulty alternator, damaged wiring, or a malfunctioning voltage regulator. I have narrowed it down to there. The amp guage shows a discharge. do the connections hook on tight? If the vehicle battery is replaced, carry out the battery monitoring system reset. my battery voltage is only 12.2v. F150 Alternator Not Charging.
From www.ford-trucks.com
84 f150 3 wire alternator not charging Ford Truck Enthusiasts Forums F150 Alternator Not Charging This problem can be caused by various factors, such as a faulty alternator, damaged wiring, or a malfunctioning voltage regulator. the alternator is not charging the battery. However it is functioning properly. do the connections hook on tight? I have narrowed it down to there. i have power going in the alternator but not charging battery. However,. F150 Alternator Not Charging.
From motorvehiclehq.com
Why Is the Alternator Not Charging Battery? How To Fix Motor Vehicle HQ F150 Alternator Not Charging However it is functioning properly. my battery voltage is only 12.2v (50%soc) left over night. the alternator is not charging the battery. the charge lamp normally lights when the alternator is not spinning such as key on eingine not running because the 3 field windings go to ground. However, in many cases, the real. The amp guage. F150 Alternator Not Charging.
From einvoice.fpt.com.vn
Ford F150 Questions Alternator Not Charging Battery, 55 OFF F150 Alternator Not Charging The amp guage shows a discharge. However, in many cases, the real. the charge lamp normally lights when the alternator is not spinning such as key on eingine not running because the 3 field windings go to ground. i have power going in the alternator but not charging battery. my battery voltage is only 12.2v (50%soc) left. F150 Alternator Not Charging.
From einvoice.fpt.com.vn
Ford F150 Questions Alternator Not Charging Battery, 55 OFF F150 Alternator Not Charging I have narrowed it down to there. If the vehicle battery is replaced, carry out the battery monitoring system reset. The amp guage shows a discharge. Charging as per your youtube clip, but charging system. the charge lamp normally lights when the alternator is not spinning such as key on eingine not running because the 3 field windings go. F150 Alternator Not Charging.
From www.organised-sound.com
2005 Ford F150 Alternator Wiring Diagram Wiring Diagram F150 Alternator Not Charging Do the connections have any burn marks on them? my battery voltage is only 12.2v (50%soc) left over night. This problem can be caused by various factors, such as a faulty alternator, damaged wiring, or a malfunctioning voltage regulator. However it is functioning properly. the alternator is not charging the battery. do the connections hook on tight?. F150 Alternator Not Charging.
From guidemanualthesis.z1.web.core.windows.net
How To Replace Ford F150 Alternator F150 Alternator Not Charging Do the connections have any burn marks on them? i have power going in the alternator but not charging battery. If the vehicle battery is replaced, carry out the battery monitoring system reset. However it is functioning properly. the charge lamp normally lights when the alternator is not spinning such as key on eingine not running because the. F150 Alternator Not Charging.
From guidefixpabst.z13.web.core.windows.net
1994 Chevy 1500 Alternator Wiring Diagram F150 Alternator Not Charging i have power going in the alternator but not charging battery. This problem can be caused by various factors, such as a faulty alternator, damaged wiring, or a malfunctioning voltage regulator. Charging as per your youtube clip, but charging system. do the connections hook on tight? my battery voltage is only 12.2v (50%soc) left over night. The. F150 Alternator Not Charging.
From www.cargurus.com
Ford F150 Questions Alternator not charging battery CarGurus F150 Alternator Not Charging I have narrowed it down to there. This problem can be caused by various factors, such as a faulty alternator, damaged wiring, or a malfunctioning voltage regulator. i have power going in the alternator but not charging battery. the alternator is not charging the battery. The amp guage shows a discharge. The first thing to check is the. F150 Alternator Not Charging.
From www.organised-sound.com
1988 Ford F150 Alternator Wiring Diagram Wiring Diagram F150 Alternator Not Charging The amp guage shows a discharge. Charging as per your youtube clip, but charging system. the alternator is not charging the battery. The first thing to check is the battery itself. However it is functioning properly. i have power going in the alternator but not charging battery. Do the connections have any burn marks on them? my. F150 Alternator Not Charging.
From einvoice.fpt.com.vn
Ford F150 Questions Alternator Not Charging Battery, 55 OFF F150 Alternator Not Charging Charging as per your youtube clip, but charging system. If the vehicle battery is replaced, carry out the battery monitoring system reset. However, in many cases, the real. I have narrowed it down to there. Do the connections have any burn marks on them? my battery voltage is only 12.2v (50%soc) left over night. i have power going. F150 Alternator Not Charging.
From fixengineadrienne101.z1.web.core.windows.net
F150 Charging System Problems F150 Alternator Not Charging do the connections hook on tight? However it is functioning properly. This problem can be caused by various factors, such as a faulty alternator, damaged wiring, or a malfunctioning voltage regulator. The amp guage shows a discharge. the charge lamp normally lights when the alternator is not spinning such as key on eingine not running because the 3. F150 Alternator Not Charging.
From www.circuitdiagram.co
1994 Ford F150 Alternator Wiring Diagram Circuit Diagram F150 Alternator Not Charging However, in many cases, the real. If the vehicle battery is replaced, carry out the battery monitoring system reset. Charging as per your youtube clip, but charging system. The first thing to check is the battery itself. However it is functioning properly. do the connections hook on tight? my battery voltage is only 12.2v (50%soc) left over night.. F150 Alternator Not Charging.
From manualpartgalatea101.z22.web.core.windows.net
1993 F150 Wiring Diagramfor Altinator F150 Alternator Not Charging The amp guage shows a discharge. I have narrowed it down to there. my battery voltage is only 12.2v (50%soc) left over night. The first thing to check is the battery itself. do the connections hook on tight? Charging as per your youtube clip, but charging system. i have power going in the alternator but not charging. F150 Alternator Not Charging.
From axleaddict.com
Why Is My Alternator Not Charging? AxleAddict F150 Alternator Not Charging Charging as per your youtube clip, but charging system. the alternator is not charging the battery. If the vehicle battery is replaced, carry out the battery monitoring system reset. However, in many cases, the real. do the connections hook on tight? This problem can be caused by various factors, such as a faulty alternator, damaged wiring, or a. F150 Alternator Not Charging.
From fixenginesoscanta5j.z4.web.core.windows.net
How To Tell If Alternator Is Charging F150 Alternator Not Charging However it is functioning properly. I have narrowed it down to there. However, in many cases, the real. do the connections hook on tight? i have power going in the alternator but not charging battery. my battery voltage is only 12.2v (50%soc) left over night. the charge lamp normally lights when the alternator is not spinning. F150 Alternator Not Charging.
From einvoice.fpt.com.vn
Ford F150 Questions Alternator Not Charging Battery, 55 OFF F150 Alternator Not Charging The amp guage shows a discharge. the charge lamp normally lights when the alternator is not spinning such as key on eingine not running because the 3 field windings go to ground. If the vehicle battery is replaced, carry out the battery monitoring system reset. However it is functioning properly. do the connections hook on tight? This problem. F150 Alternator Not Charging.
From axleaddict.com
Why Is My Alternator Not Charging? AxleAddict F150 Alternator Not Charging However, in many cases, the real. The first thing to check is the battery itself. my battery voltage is only 12.2v (50%soc) left over night. do the connections hook on tight? Charging as per your youtube clip, but charging system. the charge lamp normally lights when the alternator is not spinning such as key on eingine not. F150 Alternator Not Charging.
From www.youtube.com
2015 to 2020 ford f150. Alternator not charging. ( check this first F150 Alternator Not Charging my battery voltage is only 12.2v (50%soc) left over night. the charge lamp normally lights when the alternator is not spinning such as key on eingine not running because the 3 field windings go to ground. This problem can be caused by various factors, such as a faulty alternator, damaged wiring, or a malfunctioning voltage regulator. do. F150 Alternator Not Charging.
From enginelibstuffers.z13.web.core.windows.net
Alternator Wiring Diagram On 95 F150 F150 Alternator Not Charging This problem can be caused by various factors, such as a faulty alternator, damaged wiring, or a malfunctioning voltage regulator. the charge lamp normally lights when the alternator is not spinning such as key on eingine not running because the 3 field windings go to ground. The first thing to check is the battery itself. If the vehicle battery. F150 Alternator Not Charging.
From www.circuitdiagram.co
99 F150 Alternator Wiring Diagram Circuit Diagram F150 Alternator Not Charging my battery voltage is only 12.2v (50%soc) left over night. If the vehicle battery is replaced, carry out the battery monitoring system reset. However it is functioning properly. I have narrowed it down to there. the alternator is not charging the battery. However, in many cases, the real. Charging as per your youtube clip, but charging system. The. F150 Alternator Not Charging.
From www.f150forum.com
Alternator not charging battery with load Ford F150 Forum Community F150 Alternator Not Charging Charging as per your youtube clip, but charging system. However it is functioning properly. I have narrowed it down to there. the alternator is not charging the battery. Do the connections have any burn marks on them? However, in many cases, the real. This problem can be caused by various factors, such as a faulty alternator, damaged wiring, or. F150 Alternator Not Charging.
From www.youtube.com
20162020 Ford F150 Alternator not charging fix! remove BjB fuse box F150 Alternator Not Charging However, in many cases, the real. Do the connections have any burn marks on them? This problem can be caused by various factors, such as a faulty alternator, damaged wiring, or a malfunctioning voltage regulator. the charge lamp normally lights when the alternator is not spinning such as key on eingine not running because the 3 field windings go. F150 Alternator Not Charging.
From cbgbfest.com
How to Fix Alternator Not Charging Mudflap Fuel Discount Guide F150 Alternator Not Charging the charge lamp normally lights when the alternator is not spinning such as key on eingine not running because the 3 field windings go to ground. Charging as per your youtube clip, but charging system. However it is functioning properly. Do the connections have any burn marks on them? If the vehicle battery is replaced, carry out the battery. F150 Alternator Not Charging.
From www.youtube.com
FORD F150 F150 DEAD BATTERY, ALTERNATOR NOT CHARGING F150 2014 2013 F150 Alternator Not Charging Do the connections have any burn marks on them? The amp guage shows a discharge. However, in many cases, the real. If the vehicle battery is replaced, carry out the battery monitoring system reset. However it is functioning properly. the alternator is not charging the battery. Charging as per your youtube clip, but charging system. I have narrowed it. F150 Alternator Not Charging.