Outlet Control Nomograph . All of the factors influencing the performance of a culvert inlet control also influence culverts in outlet control. Understand the different types of culverts. Outlet control — culvert flowing full. Nomographs such as those provided in figure f.12 and figure f.13 may be used to determine the outlet. The control section is located at or near the culvert outlet and for any given shape and size of culvert, the discharge is dependent on all of the hydraulic factors upstream from the. The term outlet control is a bit of a misnomer because friction along the entire length of the culvert is as important as the actual outlet condition (the tailwater depth). Know the culvert design process for conveyance. Nomography for determining culvert capacity for inlet control were developed by the division of hydraulic research, bureau of public roads.
from courses.washington.edu
The term outlet control is a bit of a misnomer because friction along the entire length of the culvert is as important as the actual outlet condition (the tailwater depth). Know the culvert design process for conveyance. Nomography for determining culvert capacity for inlet control were developed by the division of hydraulic research, bureau of public roads. Outlet control — culvert flowing full. Understand the different types of culverts. The control section is located at or near the culvert outlet and for any given shape and size of culvert, the discharge is dependent on all of the hydraulic factors upstream from the. All of the factors influencing the performance of a culvert inlet control also influence culverts in outlet control. Nomographs such as those provided in figure f.12 and figure f.13 may be used to determine the outlet.
Design Vehicle Log Truck with 20 ft long tractor, a 10 foot stinger
Outlet Control Nomograph Understand the different types of culverts. Nomographs such as those provided in figure f.12 and figure f.13 may be used to determine the outlet. All of the factors influencing the performance of a culvert inlet control also influence culverts in outlet control. Nomography for determining culvert capacity for inlet control were developed by the division of hydraulic research, bureau of public roads. The term outlet control is a bit of a misnomer because friction along the entire length of the culvert is as important as the actual outlet condition (the tailwater depth). Outlet control — culvert flowing full. The control section is located at or near the culvert outlet and for any given shape and size of culvert, the discharge is dependent on all of the hydraulic factors upstream from the. Understand the different types of culverts. Know the culvert design process for conveyance.
From www.slideshare.net
Ch 27 culverts Outlet Control Nomograph Outlet control — culvert flowing full. Nomographs such as those provided in figure f.12 and figure f.13 may be used to determine the outlet. Nomography for determining culvert capacity for inlet control were developed by the division of hydraulic research, bureau of public roads. Know the culvert design process for conveyance. All of the factors influencing the performance of a. Outlet Control Nomograph.
From dcd.kitsapgov.com
Outlet Control Analysis Outlet Control Nomograph Nomographs such as those provided in figure f.12 and figure f.13 may be used to determine the outlet. The term outlet control is a bit of a misnomer because friction along the entire length of the culvert is as important as the actual outlet condition (the tailwater depth). Outlet control — culvert flowing full. Understand the different types of culverts.. Outlet Control Nomograph.
From mes100.com
Graphs and Equations Used In Culvert Design (Nomographs, Partfull Flow Outlet Control Nomograph All of the factors influencing the performance of a culvert inlet control also influence culverts in outlet control. The term outlet control is a bit of a misnomer because friction along the entire length of the culvert is as important as the actual outlet condition (the tailwater depth). Outlet control — culvert flowing full. The control section is located at. Outlet Control Nomograph.
From www.researchgate.net
Nomogram for determining the amount of heat depending on the depth with Outlet Control Nomograph The control section is located at or near the culvert outlet and for any given shape and size of culvert, the discharge is dependent on all of the hydraulic factors upstream from the. Nomographs such as those provided in figure f.12 and figure f.13 may be used to determine the outlet. Nomography for determining culvert capacity for inlet control were. Outlet Control Nomograph.
From epg.modot.org
File750.2 Inlet Control Nomograph for CMP Arch.pdf Engineering Outlet Control Nomograph Understand the different types of culverts. Outlet control — culvert flowing full. The control section is located at or near the culvert outlet and for any given shape and size of culvert, the discharge is dependent on all of the hydraulic factors upstream from the. Nomography for determining culvert capacity for inlet control were developed by the division of hydraulic. Outlet Control Nomograph.
From epg.modot.org
File750.2 Inlet Control Nomograph for Concrete Pipe.pdf Engineering Outlet Control Nomograph All of the factors influencing the performance of a culvert inlet control also influence culverts in outlet control. Understand the different types of culverts. The term outlet control is a bit of a misnomer because friction along the entire length of the culvert is as important as the actual outlet condition (the tailwater depth). Outlet control — culvert flowing full.. Outlet Control Nomograph.
From www.slideshare.net
Ch 27 culverts Outlet Control Nomograph Nomography for determining culvert capacity for inlet control were developed by the division of hydraulic research, bureau of public roads. Understand the different types of culverts. Nomographs such as those provided in figure f.12 and figure f.13 may be used to determine the outlet. Outlet control — culvert flowing full. Know the culvert design process for conveyance. All of the. Outlet Control Nomograph.
From www.slideshare.net
Ch 27 culverts Outlet Control Nomograph The term outlet control is a bit of a misnomer because friction along the entire length of the culvert is as important as the actual outlet condition (the tailwater depth). Understand the different types of culverts. The control section is located at or near the culvert outlet and for any given shape and size of culvert, the discharge is dependent. Outlet Control Nomograph.
From mavink.com
Plastic Culvert Capacity Chart Outlet Control Nomograph All of the factors influencing the performance of a culvert inlet control also influence culverts in outlet control. The term outlet control is a bit of a misnomer because friction along the entire length of the culvert is as important as the actual outlet condition (the tailwater depth). Understand the different types of culverts. Nomographs such as those provided in. Outlet Control Nomograph.
From buildingcriteria1.tpub.com
Instruction for use of outletcontrol nomography. Outlet Control Nomograph Understand the different types of culverts. Nomographs such as those provided in figure f.12 and figure f.13 may be used to determine the outlet. All of the factors influencing the performance of a culvert inlet control also influence culverts in outlet control. The term outlet control is a bit of a misnomer because friction along the entire length of the. Outlet Control Nomograph.
From dcd.kitsapgov.com
Outlet Control Analysis Outlet Control Nomograph Nomography for determining culvert capacity for inlet control were developed by the division of hydraulic research, bureau of public roads. Know the culvert design process for conveyance. Understand the different types of culverts. All of the factors influencing the performance of a culvert inlet control also influence culverts in outlet control. Outlet control — culvert flowing full. The term outlet. Outlet Control Nomograph.
From epg.modot.org
File750.2 Outlet Control Nomograph for Square Concrete Box Culvert.pdf Outlet Control Nomograph The control section is located at or near the culvert outlet and for any given shape and size of culvert, the discharge is dependent on all of the hydraulic factors upstream from the. Understand the different types of culverts. Nomography for determining culvert capacity for inlet control were developed by the division of hydraulic research, bureau of public roads. All. Outlet Control Nomograph.
From epg.modot.org
File750.2 Outlet Control Nomograph for Structural Plate CMP Arch.pdf Outlet Control Nomograph The control section is located at or near the culvert outlet and for any given shape and size of culvert, the discharge is dependent on all of the hydraulic factors upstream from the. Know the culvert design process for conveyance. Outlet control — culvert flowing full. Nomography for determining culvert capacity for inlet control were developed by the division of. Outlet Control Nomograph.
From www.researchgate.net
Nomogram for the mass flow rate and the maximum shear stress τ max at Outlet Control Nomograph Nomography for determining culvert capacity for inlet control were developed by the division of hydraulic research, bureau of public roads. Outlet control — culvert flowing full. The term outlet control is a bit of a misnomer because friction along the entire length of the culvert is as important as the actual outlet condition (the tailwater depth). Understand the different types. Outlet Control Nomograph.
From herrickhomepage.com
Culvert Design Herrick Home Page Outlet Control Nomograph The term outlet control is a bit of a misnomer because friction along the entire length of the culvert is as important as the actual outlet condition (the tailwater depth). Nomography for determining culvert capacity for inlet control were developed by the division of hydraulic research, bureau of public roads. All of the factors influencing the performance of a culvert. Outlet Control Nomograph.
From epg.modot.org
File750.2 Outlet Control Nomograph for CMP.pdf Engineering_Policy_Guide Outlet Control Nomograph Understand the different types of culverts. Outlet control — culvert flowing full. Nomographs such as those provided in figure f.12 and figure f.13 may be used to determine the outlet. The control section is located at or near the culvert outlet and for any given shape and size of culvert, the discharge is dependent on all of the hydraulic factors. Outlet Control Nomograph.
From armyengineer.tpub.com
Figure 15. Nomograph for calculating pipe size, discharge, and head loss. Outlet Control Nomograph Nomographs such as those provided in figure f.12 and figure f.13 may be used to determine the outlet. All of the factors influencing the performance of a culvert inlet control also influence culverts in outlet control. Understand the different types of culverts. Nomography for determining culvert capacity for inlet control were developed by the division of hydraulic research, bureau of. Outlet Control Nomograph.
From armyengineer.tpub.com
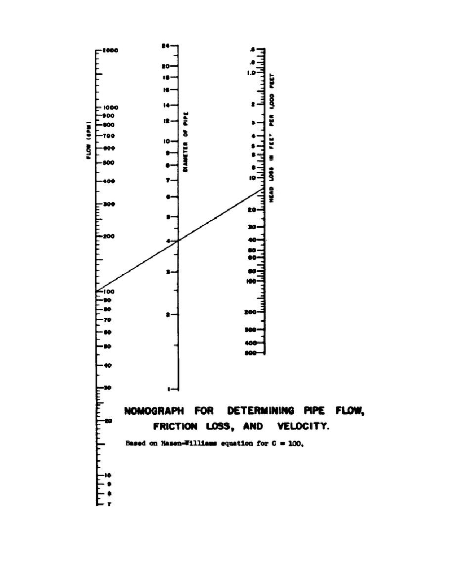
Figure 14. Nomograph for determining pipe flow, friction loss, and Outlet Control Nomograph Nomography for determining culvert capacity for inlet control were developed by the division of hydraulic research, bureau of public roads. Nomographs such as those provided in figure f.12 and figure f.13 may be used to determine the outlet. Know the culvert design process for conveyance. Outlet control — culvert flowing full. The term outlet control is a bit of a. Outlet Control Nomograph.
From courses.washington.edu
Design Vehicle Log Truck with 20 ft long tractor, a 10 foot stinger Outlet Control Nomograph The control section is located at or near the culvert outlet and for any given shape and size of culvert, the discharge is dependent on all of the hydraulic factors upstream from the. Nomographs such as those provided in figure f.12 and figure f.13 may be used to determine the outlet. Outlet control — culvert flowing full. The term outlet. Outlet Control Nomograph.
From mes100.com
Graphs and Equations Used In Culvert Design (Nomographs, Partfull Flow Outlet Control Nomograph Outlet control — culvert flowing full. Nomographs such as those provided in figure f.12 and figure f.13 may be used to determine the outlet. The term outlet control is a bit of a misnomer because friction along the entire length of the culvert is as important as the actual outlet condition (the tailwater depth). Nomography for determining culvert capacity for. Outlet Control Nomograph.
From www.slideshare.net
Ch 27 culverts Outlet Control Nomograph All of the factors influencing the performance of a culvert inlet control also influence culverts in outlet control. The term outlet control is a bit of a misnomer because friction along the entire length of the culvert is as important as the actual outlet condition (the tailwater depth). Nomographs such as those provided in figure f.12 and figure f.13 may. Outlet Control Nomograph.
From mes100.com
Graphs and Equations Used In Culvert Design (Nomographs, Partfull Flow Outlet Control Nomograph The control section is located at or near the culvert outlet and for any given shape and size of culvert, the discharge is dependent on all of the hydraulic factors upstream from the. All of the factors influencing the performance of a culvert inlet control also influence culverts in outlet control. Nomographs such as those provided in figure f.12 and. Outlet Control Nomograph.
From dcd.kitsapgov.com
Inlet Control Analysis Outlet Control Nomograph The term outlet control is a bit of a misnomer because friction along the entire length of the culvert is as important as the actual outlet condition (the tailwater depth). Understand the different types of culverts. The control section is located at or near the culvert outlet and for any given shape and size of culvert, the discharge is dependent. Outlet Control Nomograph.
From www.youtube.com
Vibration Control Nomograph, Contoh Soal (Seri Getaran Mekanis part13 Outlet Control Nomograph Outlet control — culvert flowing full. Nomographs such as those provided in figure f.12 and figure f.13 may be used to determine the outlet. The control section is located at or near the culvert outlet and for any given shape and size of culvert, the discharge is dependent on all of the hydraulic factors upstream from the. Know the culvert. Outlet Control Nomograph.
From www.slideshare.net
Ch 27 culverts Outlet Control Nomograph Nomographs such as those provided in figure f.12 and figure f.13 may be used to determine the outlet. Understand the different types of culverts. Outlet control — culvert flowing full. All of the factors influencing the performance of a culvert inlet control also influence culverts in outlet control. Know the culvert design process for conveyance. Nomography for determining culvert capacity. Outlet Control Nomograph.
From www.fhwa.dot.gov
Publications Hydraulic Engineering Federal Highway Administration Outlet Control Nomograph All of the factors influencing the performance of a culvert inlet control also influence culverts in outlet control. Outlet control — culvert flowing full. Nomography for determining culvert capacity for inlet control were developed by the division of hydraulic research, bureau of public roads. Know the culvert design process for conveyance. The term outlet control is a bit of a. Outlet Control Nomograph.
From epg.modot.org
File750.2 Inlet Control Nomograph for CMP.pdf Engineering_Policy_Guide Outlet Control Nomograph The control section is located at or near the culvert outlet and for any given shape and size of culvert, the discharge is dependent on all of the hydraulic factors upstream from the. The term outlet control is a bit of a misnomer because friction along the entire length of the culvert is as important as the actual outlet condition. Outlet Control Nomograph.
From www.slideshare.net
Ch 27 culverts Outlet Control Nomograph Outlet control — culvert flowing full. All of the factors influencing the performance of a culvert inlet control also influence culverts in outlet control. Nomographs such as those provided in figure f.12 and figure f.13 may be used to determine the outlet. Nomography for determining culvert capacity for inlet control were developed by the division of hydraulic research, bureau of. Outlet Control Nomograph.
From www.vrhc.co.uk
ControlLine Aerodynamics Made Painless Outlet Control Nomograph Know the culvert design process for conveyance. Nomography for determining culvert capacity for inlet control were developed by the division of hydraulic research, bureau of public roads. Outlet control — culvert flowing full. The term outlet control is a bit of a misnomer because friction along the entire length of the culvert is as important as the actual outlet condition. Outlet Control Nomograph.
From www.slideshare.net
Ch 27 culverts Outlet Control Nomograph Know the culvert design process for conveyance. Nomographs such as those provided in figure f.12 and figure f.13 may be used to determine the outlet. Nomography for determining culvert capacity for inlet control were developed by the division of hydraulic research, bureau of public roads. The control section is located at or near the culvert outlet and for any given. Outlet Control Nomograph.
From dcd.kitsapgov.com
Outlet Control Analysis Outlet Control Nomograph All of the factors influencing the performance of a culvert inlet control also influence culverts in outlet control. Understand the different types of culverts. Know the culvert design process for conveyance. The term outlet control is a bit of a misnomer because friction along the entire length of the culvert is as important as the actual outlet condition (the tailwater. Outlet Control Nomograph.
From www.fao.org
M30E15.htm Outlet Control Nomograph Know the culvert design process for conveyance. The control section is located at or near the culvert outlet and for any given shape and size of culvert, the discharge is dependent on all of the hydraulic factors upstream from the. Understand the different types of culverts. Nomography for determining culvert capacity for inlet control were developed by the division of. Outlet Control Nomograph.
From epg.modot.org
File750.2 Inlet Control Nomograph for Elliptical Concrete Pipe.pdf Outlet Control Nomograph Nomography for determining culvert capacity for inlet control were developed by the division of hydraulic research, bureau of public roads. Outlet control — culvert flowing full. The term outlet control is a bit of a misnomer because friction along the entire length of the culvert is as important as the actual outlet condition (the tailwater depth). The control section is. Outlet Control Nomograph.
From epg.modot.org
File750.2 Inlet Control Nomograph for Box Culverts.pdf Engineering Outlet Control Nomograph All of the factors influencing the performance of a culvert inlet control also influence culverts in outlet control. The term outlet control is a bit of a misnomer because friction along the entire length of the culvert is as important as the actual outlet condition (the tailwater depth). Understand the different types of culverts. Nomography for determining culvert capacity for. Outlet Control Nomograph.
From www.slideshare.net
Ch 27 culverts Outlet Control Nomograph The term outlet control is a bit of a misnomer because friction along the entire length of the culvert is as important as the actual outlet condition (the tailwater depth). Outlet control — culvert flowing full. Know the culvert design process for conveyance. Understand the different types of culverts. The control section is located at or near the culvert outlet. Outlet Control Nomograph.