Oscillator Circuit Duty Cycle . You learned how to configure the 555 timer to operate as an astable multivibrator or a free running oscillator, the circuit and its operation, calculation of duty cycle and also some important. Select lower value resistors for the r2, r3, r4 resistor network. We said previously that the duty cycle, that is the ratio of on time to total cycle time, is limited to between 50%. Initially, i told a reader. In an astable circuit, the output voltage alternates between vcc and 0 volts on a continuous basis. This calculator will help you design an. It is a variation of the simple 555 astable oscillator. 555 timer astable oscillator circuit. If using a ceramic capacitor, select a cog or npo type for best stability over temperature. Here is a simple oscillator circuit that varies the duty cycle over a wide range without affecting the frequency.
from www.scribd.com
It is a variation of the simple 555 astable oscillator. Select lower value resistors for the r2, r3, r4 resistor network. We said previously that the duty cycle, that is the ratio of on time to total cycle time, is limited to between 50%. You learned how to configure the 555 timer to operate as an astable multivibrator or a free running oscillator, the circuit and its operation, calculation of duty cycle and also some important. Here is a simple oscillator circuit that varies the duty cycle over a wide range without affecting the frequency. 555 timer astable oscillator circuit. Initially, i told a reader. This calculator will help you design an. In an astable circuit, the output voltage alternates between vcc and 0 volts on a continuous basis. If using a ceramic capacitor, select a cog or npo type for best stability over temperature.
adjustable dutycycle oscillator Electronic Circuits Electrical
Oscillator Circuit Duty Cycle This calculator will help you design an. In an astable circuit, the output voltage alternates between vcc and 0 volts on a continuous basis. Initially, i told a reader. We said previously that the duty cycle, that is the ratio of on time to total cycle time, is limited to between 50%. This calculator will help you design an. You learned how to configure the 555 timer to operate as an astable multivibrator or a free running oscillator, the circuit and its operation, calculation of duty cycle and also some important. If using a ceramic capacitor, select a cog or npo type for best stability over temperature. Select lower value resistors for the r2, r3, r4 resistor network. Here is a simple oscillator circuit that varies the duty cycle over a wide range without affecting the frequency. 555 timer astable oscillator circuit. It is a variation of the simple 555 astable oscillator.
From www.pinterest.es
CMOS Gate Oscillator with Duty Cycle Control Electronics circuit Oscillator Circuit Duty Cycle It is a variation of the simple 555 astable oscillator. If using a ceramic capacitor, select a cog or npo type for best stability over temperature. Select lower value resistors for the r2, r3, r4 resistor network. In an astable circuit, the output voltage alternates between vcc and 0 volts on a continuous basis. Here is a simple oscillator circuit. Oscillator Circuit Duty Cycle.
From bestengineeringprojects.com
Variable Duty Cycle Oscillator using 74123 IC Oscillator Circuit Duty Cycle If using a ceramic capacitor, select a cog or npo type for best stability over temperature. We said previously that the duty cycle, that is the ratio of on time to total cycle time, is limited to between 50%. You learned how to configure the 555 timer to operate as an astable multivibrator or a free running oscillator, the circuit. Oscillator Circuit Duty Cycle.
From www.edn.com
Add one resistor to give bipolar LM555 oscillator a 5050 duty cycle EDN Oscillator Circuit Duty Cycle This calculator will help you design an. Select lower value resistors for the r2, r3, r4 resistor network. You learned how to configure the 555 timer to operate as an astable multivibrator or a free running oscillator, the circuit and its operation, calculation of duty cycle and also some important. If using a ceramic capacitor, select a cog or npo. Oscillator Circuit Duty Cycle.
From electronics.stackexchange.com
Relaxation oscillator, how to change the duty cycle Electrical Oscillator Circuit Duty Cycle Select lower value resistors for the r2, r3, r4 resistor network. 555 timer astable oscillator circuit. If using a ceramic capacitor, select a cog or npo type for best stability over temperature. You learned how to configure the 555 timer to operate as an astable multivibrator or a free running oscillator, the circuit and its operation, calculation of duty cycle. Oscillator Circuit Duty Cycle.
From www.mdpi.com
Electronics Free FullText Design and Implementation of Fast Oscillator Circuit Duty Cycle 555 timer astable oscillator circuit. You learned how to configure the 555 timer to operate as an astable multivibrator or a free running oscillator, the circuit and its operation, calculation of duty cycle and also some important. We said previously that the duty cycle, that is the ratio of on time to total cycle time, is limited to between 50%.. Oscillator Circuit Duty Cycle.
From www.radiolocman.com
4.5ns crystal oscillator has 50 duty cycle and Oscillator Circuit Duty Cycle Initially, i told a reader. You learned how to configure the 555 timer to operate as an astable multivibrator or a free running oscillator, the circuit and its operation, calculation of duty cycle and also some important. 555 timer astable oscillator circuit. Select lower value resistors for the r2, r3, r4 resistor network. In an astable circuit, the output voltage. Oscillator Circuit Duty Cycle.
From www.youtube.com
Square Wave Generator with Duty Cycle Modulation Non Linear Oscillator Circuit Duty Cycle 555 timer astable oscillator circuit. In an astable circuit, the output voltage alternates between vcc and 0 volts on a continuous basis. Here is a simple oscillator circuit that varies the duty cycle over a wide range without affecting the frequency. If using a ceramic capacitor, select a cog or npo type for best stability over temperature. It is a. Oscillator Circuit Duty Cycle.
From electronics.stackexchange.com
555 timer as a voltage controlled oscillator, duty cycle query Oscillator Circuit Duty Cycle If using a ceramic capacitor, select a cog or npo type for best stability over temperature. It is a variation of the simple 555 astable oscillator. Here is a simple oscillator circuit that varies the duty cycle over a wide range without affecting the frequency. In an astable circuit, the output voltage alternates between vcc and 0 volts on a. Oscillator Circuit Duty Cycle.
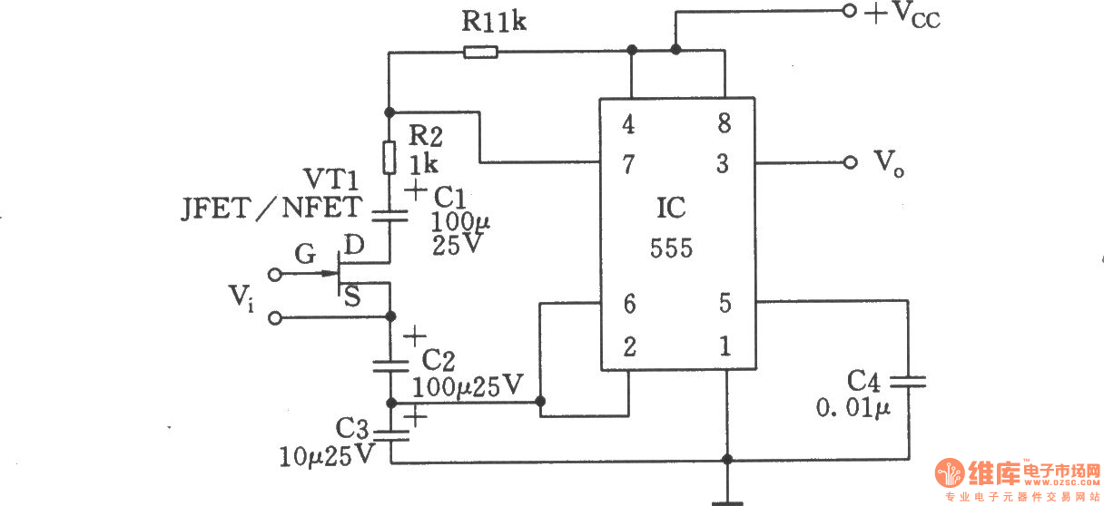
From www.seekic.com
Micropower_oscillator_with_fixed_frequency_and_variable_duty_cycle Oscillator Circuit Duty Cycle Initially, i told a reader. We said previously that the duty cycle, that is the ratio of on time to total cycle time, is limited to between 50%. You learned how to configure the 555 timer to operate as an astable multivibrator or a free running oscillator, the circuit and its operation, calculation of duty cycle and also some important.. Oscillator Circuit Duty Cycle.
From www.researchgate.net
Schematic of the proposed oscillator (a) designed ring oscillator with Oscillator Circuit Duty Cycle We said previously that the duty cycle, that is the ratio of on time to total cycle time, is limited to between 50%. Here is a simple oscillator circuit that varies the duty cycle over a wide range without affecting the frequency. If using a ceramic capacitor, select a cog or npo type for best stability over temperature. It is. Oscillator Circuit Duty Cycle.
From www.firgelliauto.com
What is DUTY CYCLE in a linear actuator? FIRGELLI Oscillator Circuit Duty Cycle In an astable circuit, the output voltage alternates between vcc and 0 volts on a continuous basis. Select lower value resistors for the r2, r3, r4 resistor network. Initially, i told a reader. We said previously that the duty cycle, that is the ratio of on time to total cycle time, is limited to between 50%. This calculator will help. Oscillator Circuit Duty Cycle.
From easyeda.com
Variable duty cycle fixed frequency 555 oscillator EasyEDA Oscillator Circuit Duty Cycle Here is a simple oscillator circuit that varies the duty cycle over a wide range without affecting the frequency. It is a variation of the simple 555 astable oscillator. Initially, i told a reader. 555 timer astable oscillator circuit. In an astable circuit, the output voltage alternates between vcc and 0 volts on a continuous basis. If using a ceramic. Oscillator Circuit Duty Cycle.
From www.edn.com
Add one resistor to give bipolar LM555 oscillator a 5050 duty cycle EDN Oscillator Circuit Duty Cycle We said previously that the duty cycle, that is the ratio of on time to total cycle time, is limited to between 50%. It is a variation of the simple 555 astable oscillator. Initially, i told a reader. Select lower value resistors for the r2, r3, r4 resistor network. This calculator will help you design an. In an astable circuit,. Oscillator Circuit Duty Cycle.
From www.seekic.com
Voltagecontrolled duty cycle oscillator Oscillator_Circuit Signal Oscillator Circuit Duty Cycle If using a ceramic capacitor, select a cog or npo type for best stability over temperature. In an astable circuit, the output voltage alternates between vcc and 0 volts on a continuous basis. This calculator will help you design an. You learned how to configure the 555 timer to operate as an astable multivibrator or a free running oscillator, the. Oscillator Circuit Duty Cycle.
From www.google.com
Patent US6400232 Variable duty cycle oscillator circuit with fixed Oscillator Circuit Duty Cycle 555 timer astable oscillator circuit. This calculator will help you design an. Initially, i told a reader. You learned how to configure the 555 timer to operate as an astable multivibrator or a free running oscillator, the circuit and its operation, calculation of duty cycle and also some important. We said previously that the duty cycle, that is the ratio. Oscillator Circuit Duty Cycle.
From www.electroschematics.com
555 Duty Cycle Control Oscillator Circuit Duty Cycle In an astable circuit, the output voltage alternates between vcc and 0 volts on a continuous basis. Select lower value resistors for the r2, r3, r4 resistor network. If using a ceramic capacitor, select a cog or npo type for best stability over temperature. This calculator will help you design an. We said previously that the duty cycle, that is. Oscillator Circuit Duty Cycle.
From electronics.stackexchange.com
oscillator VCO sawtooth and duty cycle? Electrical Engineering Oscillator Circuit Duty Cycle Initially, i told a reader. You learned how to configure the 555 timer to operate as an astable multivibrator or a free running oscillator, the circuit and its operation, calculation of duty cycle and also some important. This calculator will help you design an. Select lower value resistors for the r2, r3, r4 resistor network. In an astable circuit, the. Oscillator Circuit Duty Cycle.
From www.homemade-circuits.com
10 Easy Op amp Oscillator Circuits Explained Homemade Circuit Projects Oscillator Circuit Duty Cycle Here is a simple oscillator circuit that varies the duty cycle over a wide range without affecting the frequency. 555 timer astable oscillator circuit. We said previously that the duty cycle, that is the ratio of on time to total cycle time, is limited to between 50%. In an astable circuit, the output voltage alternates between vcc and 0 volts. Oscillator Circuit Duty Cycle.
From eureka.patsnap.com
Oscillator circuit with freely adjustable frequency and duty ratio Oscillator Circuit Duty Cycle We said previously that the duty cycle, that is the ratio of on time to total cycle time, is limited to between 50%. This calculator will help you design an. 555 timer astable oscillator circuit. Initially, i told a reader. Here is a simple oscillator circuit that varies the duty cycle over a wide range without affecting the frequency. In. Oscillator Circuit Duty Cycle.
From www.seekic.com
Variable duty cycle monostable multivibrator composed of 74HCT221 Oscillator Circuit Duty Cycle We said previously that the duty cycle, that is the ratio of on time to total cycle time, is limited to between 50%. In an astable circuit, the output voltage alternates between vcc and 0 volts on a continuous basis. Initially, i told a reader. If using a ceramic capacitor, select a cog or npo type for best stability over. Oscillator Circuit Duty Cycle.
From www.electronics-lab.com
Astable multivibrator calculator Oscillator Circuit Duty Cycle Here is a simple oscillator circuit that varies the duty cycle over a wide range without affecting the frequency. It is a variation of the simple 555 astable oscillator. If using a ceramic capacitor, select a cog or npo type for best stability over temperature. You learned how to configure the 555 timer to operate as an astable multivibrator or. Oscillator Circuit Duty Cycle.
From www.mdpi.com
Electronics Free FullText A 6Locking Cycles AllDigital Duty Oscillator Circuit Duty Cycle In an astable circuit, the output voltage alternates between vcc and 0 volts on a continuous basis. You learned how to configure the 555 timer to operate as an astable multivibrator or a free running oscillator, the circuit and its operation, calculation of duty cycle and also some important. It is a variation of the simple 555 astable oscillator. If. Oscillator Circuit Duty Cycle.
From www.electricity-magnetism.org
How do you calculate the frequency and duty cycle of a 555 timer circuit? Oscillator Circuit Duty Cycle Select lower value resistors for the r2, r3, r4 resistor network. Here is a simple oscillator circuit that varies the duty cycle over a wide range without affecting the frequency. 555 timer astable oscillator circuit. We said previously that the duty cycle, that is the ratio of on time to total cycle time, is limited to between 50%. Initially, i. Oscillator Circuit Duty Cycle.
From itecnotes.com
Electronic Build a nearly 50 duty cycle, adjustable oscillator using Oscillator Circuit Duty Cycle We said previously that the duty cycle, that is the ratio of on time to total cycle time, is limited to between 50%. Here is a simple oscillator circuit that varies the duty cycle over a wide range without affecting the frequency. In an astable circuit, the output voltage alternates between vcc and 0 volts on a continuous basis. You. Oscillator Circuit Duty Cycle.
From www.scribd.com
adjustable dutycycle oscillator Electronic Circuits Electrical Oscillator Circuit Duty Cycle It is a variation of the simple 555 astable oscillator. You learned how to configure the 555 timer to operate as an astable multivibrator or a free running oscillator, the circuit and its operation, calculation of duty cycle and also some important. If using a ceramic capacitor, select a cog or npo type for best stability over temperature. In an. Oscillator Circuit Duty Cycle.
From www.seekic.com
Voltage controlled oscillator with Vcside controlling duty cycle Oscillator Circuit Duty Cycle You learned how to configure the 555 timer to operate as an astable multivibrator or a free running oscillator, the circuit and its operation, calculation of duty cycle and also some important. This calculator will help you design an. In an astable circuit, the output voltage alternates between vcc and 0 volts on a continuous basis. Select lower value resistors. Oscillator Circuit Duty Cycle.
From www.youtube.com
50 duty cycle oscillator YouTube Oscillator Circuit Duty Cycle Initially, i told a reader. Here is a simple oscillator circuit that varies the duty cycle over a wide range without affecting the frequency. Select lower value resistors for the r2, r3, r4 resistor network. If using a ceramic capacitor, select a cog or npo type for best stability over temperature. We said previously that the duty cycle, that is. Oscillator Circuit Duty Cycle.
From www.seekic.com
FIXED-FREQUENCY_VARIABLE_DUTY_CYCLE_OSCILLATOR Oscillator_Circuit Oscillator Circuit Duty Cycle Select lower value resistors for the r2, r3, r4 resistor network. This calculator will help you design an. 555 timer astable oscillator circuit. It is a variation of the simple 555 astable oscillator. Here is a simple oscillator circuit that varies the duty cycle over a wide range without affecting the frequency. If using a ceramic capacitor, select a cog. Oscillator Circuit Duty Cycle.
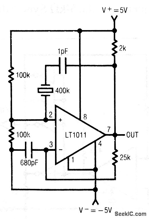
From www.radiolocman.com
Oscillator has voltagecontrolled duty cycle Oscillator Circuit Duty Cycle Select lower value resistors for the r2, r3, r4 resistor network. You learned how to configure the 555 timer to operate as an astable multivibrator or a free running oscillator, the circuit and its operation, calculation of duty cycle and also some important. It is a variation of the simple 555 astable oscillator. Initially, i told a reader. We said. Oscillator Circuit Duty Cycle.
From electronics.stackexchange.com
led Low voltage asymmetric duty cycle oscillator Electrical Oscillator Circuit Duty Cycle Here is a simple oscillator circuit that varies the duty cycle over a wide range without affecting the frequency. If using a ceramic capacitor, select a cog or npo type for best stability over temperature. This calculator will help you design an. Select lower value resistors for the r2, r3, r4 resistor network. In an astable circuit, the output voltage. Oscillator Circuit Duty Cycle.
From eng.libretexts.org
12.2 OSCILLATORS Engineering LibreTexts Oscillator Circuit Duty Cycle Initially, i told a reader. If using a ceramic capacitor, select a cog or npo type for best stability over temperature. 555 timer astable oscillator circuit. It is a variation of the simple 555 astable oscillator. Select lower value resistors for the r2, r3, r4 resistor network. You learned how to configure the 555 timer to operate as an astable. Oscillator Circuit Duty Cycle.
From oshwlab.com
Variable duty cycle fixed frequency 555 oscillator OSHWLab Oscillator Circuit Duty Cycle 555 timer astable oscillator circuit. We said previously that the duty cycle, that is the ratio of on time to total cycle time, is limited to between 50%. Here is a simple oscillator circuit that varies the duty cycle over a wide range without affecting the frequency. Select lower value resistors for the r2, r3, r4 resistor network. In an. Oscillator Circuit Duty Cycle.
From www.seekic.com
Crystal_oscillator_with_50_duty_cycle Electrical_Equipment_Circuit Oscillator Circuit Duty Cycle This calculator will help you design an. It is a variation of the simple 555 astable oscillator. If using a ceramic capacitor, select a cog or npo type for best stability over temperature. Initially, i told a reader. In an astable circuit, the output voltage alternates between vcc and 0 volts on a continuous basis. 555 timer astable oscillator circuit.. Oscillator Circuit Duty Cycle.
From www.ipson.nl
Simple oscillators Technology for Art and Education Oscillator Circuit Duty Cycle You learned how to configure the 555 timer to operate as an astable multivibrator or a free running oscillator, the circuit and its operation, calculation of duty cycle and also some important. We said previously that the duty cycle, that is the ratio of on time to total cycle time, is limited to between 50%. Select lower value resistors for. Oscillator Circuit Duty Cycle.
From www.researchgate.net
(PDF) A wide frequency range and adjustable duty cycle CMOS ring Oscillator Circuit Duty Cycle You learned how to configure the 555 timer to operate as an astable multivibrator or a free running oscillator, the circuit and its operation, calculation of duty cycle and also some important. Initially, i told a reader. In an astable circuit, the output voltage alternates between vcc and 0 volts on a continuous basis. We said previously that the duty. Oscillator Circuit Duty Cycle.