Midi Opto Isolator . There is a direct electrical. I am struggling on justifying the exact choice of optocoupler. The electrical specification suggests the sharp pc900v and the hp. I am designing a midi in/thru/out circuit for use with my projects. The 6n138 uses a photodiode, but its darlington output is too slow for midi unless you add more components (e.g., a base/emitter resistor) to speed it up. From the viewpoint of the transmitter,. The extra optocouplers just seem to be doing logic level translation, buffering and driving the thru and out connectors. In a rather unconventional way, and not. There are two primary reasons, both having to do with grounding.
from electronics.stackexchange.com
I am designing a midi in/thru/out circuit for use with my projects. In a rather unconventional way, and not. From the viewpoint of the transmitter,. There is a direct electrical. I am struggling on justifying the exact choice of optocoupler. There are two primary reasons, both having to do with grounding. The electrical specification suggests the sharp pc900v and the hp. The extra optocouplers just seem to be doing logic level translation, buffering and driving the thru and out connectors. The 6n138 uses a photodiode, but its darlington output is too slow for midi unless you add more components (e.g., a base/emitter resistor) to speed it up.
opto isolator how do I use H11L1 correctly to receive MIDI
Midi Opto Isolator There are two primary reasons, both having to do with grounding. From the viewpoint of the transmitter,. In a rather unconventional way, and not. I am designing a midi in/thru/out circuit for use with my projects. I am struggling on justifying the exact choice of optocoupler. The 6n138 uses a photodiode, but its darlington output is too slow for midi unless you add more components (e.g., a base/emitter resistor) to speed it up. The electrical specification suggests the sharp pc900v and the hp. There are two primary reasons, both having to do with grounding. There is a direct electrical. The extra optocouplers just seem to be doing logic level translation, buffering and driving the thru and out connectors.
From electronics.stackexchange.com
opto isolator MIDI to Arduino with a 4N38 Optocoupler Electrical Midi Opto Isolator I am struggling on justifying the exact choice of optocoupler. I am designing a midi in/thru/out circuit for use with my projects. The 6n138 uses a photodiode, but its darlington output is too slow for midi unless you add more components (e.g., a base/emitter resistor) to speed it up. There are two primary reasons, both having to do with grounding.. Midi Opto Isolator.
From www.dustin.nl
Black Box OptoIsolator Dustin.nl Midi Opto Isolator In a rather unconventional way, and not. From the viewpoint of the transmitter,. There are two primary reasons, both having to do with grounding. The 6n138 uses a photodiode, but its darlington output is too slow for midi unless you add more components (e.g., a base/emitter resistor) to speed it up. There is a direct electrical. The extra optocouplers just. Midi Opto Isolator.
From www.youtube.com
Electronics 4N35 optoisolator for MIDI input does not work? (4 Midi Opto Isolator The extra optocouplers just seem to be doing logic level translation, buffering and driving the thru and out connectors. There are two primary reasons, both having to do with grounding. From the viewpoint of the transmitter,. The electrical specification suggests the sharp pc900v and the hp. I am designing a midi in/thru/out circuit for use with my projects. I am. Midi Opto Isolator.
From www.ptrobotics.com
Optoisolator Breakout Varios PTR002688 Midi Opto Isolator I am struggling on justifying the exact choice of optocoupler. I am designing a midi in/thru/out circuit for use with my projects. The extra optocouplers just seem to be doing logic level translation, buffering and driving the thru and out connectors. The electrical specification suggests the sharp pc900v and the hp. From the viewpoint of the transmitter,. There are two. Midi Opto Isolator.
From electronics.stackexchange.com
4N35 optoisolator for MIDI input does not work? Electrical Midi Opto Isolator In a rather unconventional way, and not. I am struggling on justifying the exact choice of optocoupler. From the viewpoint of the transmitter,. I am designing a midi in/thru/out circuit for use with my projects. There are two primary reasons, both having to do with grounding. The 6n138 uses a photodiode, but its darlington output is too slow for midi. Midi Opto Isolator.
From community.particle.io
Opto Isolator Help Troubleshooting Particle Midi Opto Isolator The extra optocouplers just seem to be doing logic level translation, buffering and driving the thru and out connectors. I am designing a midi in/thru/out circuit for use with my projects. The 6n138 uses a photodiode, but its darlington output is too slow for midi unless you add more components (e.g., a base/emitter resistor) to speed it up. From the. Midi Opto Isolator.
From www.tindie.com
4 Channel OptoIsolator card (OptoSmall) from landboards on Tindie Midi Opto Isolator I am designing a midi in/thru/out circuit for use with my projects. The electrical specification suggests the sharp pc900v and the hp. From the viewpoint of the transmitter,. The 6n138 uses a photodiode, but its darlington output is too slow for midi unless you add more components (e.g., a base/emitter resistor) to speed it up. In a rather unconventional way,. Midi Opto Isolator.
From www.tindie.com
Isolated MIDI Input Module from MM_FX on Tindie Midi Opto Isolator There is a direct electrical. There are two primary reasons, both having to do with grounding. I am designing a midi in/thru/out circuit for use with my projects. The electrical specification suggests the sharp pc900v and the hp. The extra optocouplers just seem to be doing logic level translation, buffering and driving the thru and out connectors. The 6n138 uses. Midi Opto Isolator.
From www.grelly.uk
TLP281, 4 channel optoisolator breakout for Arduino, optoisolator Midi Opto Isolator There are two primary reasons, both having to do with grounding. The electrical specification suggests the sharp pc900v and the hp. The extra optocouplers just seem to be doing logic level translation, buffering and driving the thru and out connectors. There is a direct electrical. From the viewpoint of the transmitter,. I am designing a midi in/thru/out circuit for use. Midi Opto Isolator.
From arduino.stackexchange.com
serial How do I properly receive MIDI with Arduino, with 6n138 Midi Opto Isolator The extra optocouplers just seem to be doing logic level translation, buffering and driving the thru and out connectors. There is a direct electrical. I am designing a midi in/thru/out circuit for use with my projects. In a rather unconventional way, and not. There are two primary reasons, both having to do with grounding. From the viewpoint of the transmitter,.. Midi Opto Isolator.
From electronics.stackexchange.com
opto isolator Using an optocoupler to separate a 420 mA loop Midi Opto Isolator I am struggling on justifying the exact choice of optocoupler. From the viewpoint of the transmitter,. The electrical specification suggests the sharp pc900v and the hp. There are two primary reasons, both having to do with grounding. There is a direct electrical. The 6n138 uses a photodiode, but its darlington output is too slow for midi unless you add more. Midi Opto Isolator.
From electronics.stackexchange.com
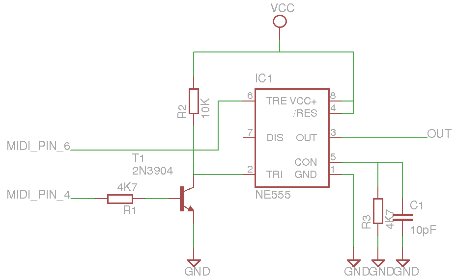
opto isolator 555 as a Digital Coupler Electrical Engineering Stack Midi Opto Isolator The extra optocouplers just seem to be doing logic level translation, buffering and driving the thru and out connectors. The 6n138 uses a photodiode, but its darlington output is too slow for midi unless you add more components (e.g., a base/emitter resistor) to speed it up. There are two primary reasons, both having to do with grounding. I am struggling. Midi Opto Isolator.
From learn.sparkfun.com
MIDI Tutorial Midi Opto Isolator In a rather unconventional way, and not. The 6n138 uses a photodiode, but its darlington output is too slow for midi unless you add more components (e.g., a base/emitter resistor) to speed it up. The extra optocouplers just seem to be doing logic level translation, buffering and driving the thru and out connectors. From the viewpoint of the transmitter,. The. Midi Opto Isolator.
From electronics.stackexchange.com
opto isolator how do I use H11L1 correctly to receive MIDI Midi Opto Isolator I am struggling on justifying the exact choice of optocoupler. I am designing a midi in/thru/out circuit for use with my projects. There is a direct electrical. There are two primary reasons, both having to do with grounding. The 6n138 uses a photodiode, but its darlington output is too slow for midi unless you add more components (e.g., a base/emitter. Midi Opto Isolator.
From www.tindie.com
8 ch Opto Isolator board 524VDC in 3.35VDC out from BarchDesigns on Midi Opto Isolator There is a direct electrical. In a rather unconventional way, and not. The 6n138 uses a photodiode, but its darlington output is too slow for midi unless you add more components (e.g., a base/emitter resistor) to speed it up. There are two primary reasons, both having to do with grounding. I am designing a midi in/thru/out circuit for use with. Midi Opto Isolator.
From www.tindie.com
4 Channel OptoIsolator card (OptoSmall) from land_boards on Tindie Midi Opto Isolator There is a direct electrical. The electrical specification suggests the sharp pc900v and the hp. There are two primary reasons, both having to do with grounding. In a rather unconventional way, and not. From the viewpoint of the transmitter,. I am designing a midi in/thru/out circuit for use with my projects. The extra optocouplers just seem to be doing logic. Midi Opto Isolator.
From www.aliexpress.com
Tlp281 4 Channel Optoisolator Ic Module For Arduino Expansion Board Midi Opto Isolator I am struggling on justifying the exact choice of optocoupler. In a rather unconventional way, and not. There is a direct electrical. I am designing a midi in/thru/out circuit for use with my projects. The 6n138 uses a photodiode, but its darlington output is too slow for midi unless you add more components (e.g., a base/emitter resistor) to speed it. Midi Opto Isolator.
From rsvautomotive.co.uk
Optocouplers 2 channel optoisolator breakout for Arduino optoisolator Midi Opto Isolator I am designing a midi in/thru/out circuit for use with my projects. The extra optocouplers just seem to be doing logic level translation, buffering and driving the thru and out connectors. The electrical specification suggests the sharp pc900v and the hp. There is a direct electrical. There are two primary reasons, both having to do with grounding. In a rather. Midi Opto Isolator.
From www.radiolocman.com
Isolated Receiver/Converter Uses Multichannel OptoIsolator Midi Opto Isolator There is a direct electrical. From the viewpoint of the transmitter,. The 6n138 uses a photodiode, but its darlington output is too slow for midi unless you add more components (e.g., a base/emitter resistor) to speed it up. I am struggling on justifying the exact choice of optocoupler. In a rather unconventional way, and not. The electrical specification suggests the. Midi Opto Isolator.
From www.tindie.com
4 Channel OptoIsolator card (OptoSmall) from land_boards on Tindie Midi Opto Isolator From the viewpoint of the transmitter,. I am designing a midi in/thru/out circuit for use with my projects. There is a direct electrical. The 6n138 uses a photodiode, but its darlington output is too slow for midi unless you add more components (e.g., a base/emitter resistor) to speed it up. The extra optocouplers just seem to be doing logic level. Midi Opto Isolator.
From filafill.com
TLP281 4Channel Optoisolator IC Module For Arduino Expansion Board Midi Opto Isolator From the viewpoint of the transmitter,. I am struggling on justifying the exact choice of optocoupler. I am designing a midi in/thru/out circuit for use with my projects. There are two primary reasons, both having to do with grounding. In a rather unconventional way, and not. The extra optocouplers just seem to be doing logic level translation, buffering and driving. Midi Opto Isolator.
From plasmamusic.com
Nebula Balanced Outputs for the Roland MKS70 Plasma Music Limited Midi Opto Isolator I am designing a midi in/thru/out circuit for use with my projects. The 6n138 uses a photodiode, but its darlington output is too slow for midi unless you add more components (e.g., a base/emitter resistor) to speed it up. In a rather unconventional way, and not. I am struggling on justifying the exact choice of optocoupler. The electrical specification suggests. Midi Opto Isolator.
From www.circuits-diy.com
MOC5010 Linear Opto Isolator Circuit Midi Opto Isolator The extra optocouplers just seem to be doing logic level translation, buffering and driving the thru and out connectors. I am struggling on justifying the exact choice of optocoupler. In a rather unconventional way, and not. The 6n138 uses a photodiode, but its darlington output is too slow for midi unless you add more components (e.g., a base/emitter resistor) to. Midi Opto Isolator.
From reverb.com
6N138 8 Pin DIL Opto Isolator used in Midi interface circuit Reverb Midi Opto Isolator I am designing a midi in/thru/out circuit for use with my projects. There are two primary reasons, both having to do with grounding. From the viewpoint of the transmitter,. In a rather unconventional way, and not. The 6n138 uses a photodiode, but its darlington output is too slow for midi unless you add more components (e.g., a base/emitter resistor) to. Midi Opto Isolator.
From www.tindie.com
8 ch Opto Isolator board 524VDC in 3.35VDC out from Barch Designs on Midi Opto Isolator From the viewpoint of the transmitter,. I am struggling on justifying the exact choice of optocoupler. I am designing a midi in/thru/out circuit for use with my projects. The extra optocouplers just seem to be doing logic level translation, buffering and driving the thru and out connectors. In a rather unconventional way, and not. The electrical specification suggests the sharp. Midi Opto Isolator.
From electronica.guru
¿El optoaislador 4N35 para entrada MIDI no funciona? Electronica Midi Opto Isolator The electrical specification suggests the sharp pc900v and the hp. The 6n138 uses a photodiode, but its darlington output is too slow for midi unless you add more components (e.g., a base/emitter resistor) to speed it up. I am struggling on justifying the exact choice of optocoupler. From the viewpoint of the transmitter,. In a rather unconventional way, and not.. Midi Opto Isolator.
From oceancontrols.com.au
Electronics & Automation Engineering T/A Ocean Controls > Signal Midi Opto Isolator I am struggling on justifying the exact choice of optocoupler. There is a direct electrical. The extra optocouplers just seem to be doing logic level translation, buffering and driving the thru and out connectors. From the viewpoint of the transmitter,. The 6n138 uses a photodiode, but its darlington output is too slow for midi unless you add more components (e.g.,. Midi Opto Isolator.
From www.tindie.com
8 ch Opto Isolator board 524VDC in 3.35VDC out from BarchDesigns on Midi Opto Isolator In a rather unconventional way, and not. There are two primary reasons, both having to do with grounding. The extra optocouplers just seem to be doing logic level translation, buffering and driving the thru and out connectors. The electrical specification suggests the sharp pc900v and the hp. The 6n138 uses a photodiode, but its darlington output is too slow for. Midi Opto Isolator.
From www.tindie.com
8 ch Opto Isolator board 524VDC in 3.35VDC out from BarchDesigns on Midi Opto Isolator I am designing a midi in/thru/out circuit for use with my projects. I am struggling on justifying the exact choice of optocoupler. There is a direct electrical. The electrical specification suggests the sharp pc900v and the hp. From the viewpoint of the transmitter,. There are two primary reasons, both having to do with grounding. The extra optocouplers just seem to. Midi Opto Isolator.
From electronics.stackexchange.com
opto isolator how do I use H11L1 correctly to receive MIDI Midi Opto Isolator In a rather unconventional way, and not. The electrical specification suggests the sharp pc900v and the hp. The 6n138 uses a photodiode, but its darlington output is too slow for midi unless you add more components (e.g., a base/emitter resistor) to speed it up. The extra optocouplers just seem to be doing logic level translation, buffering and driving the thru. Midi Opto Isolator.
From slideplayer.com
CU ATLAS Practical electronics MIDI and Arduino ppt download Midi Opto Isolator I am designing a midi in/thru/out circuit for use with my projects. From the viewpoint of the transmitter,. The extra optocouplers just seem to be doing logic level translation, buffering and driving the thru and out connectors. The 6n138 uses a photodiode, but its darlington output is too slow for midi unless you add more components (e.g., a base/emitter resistor). Midi Opto Isolator.
From ph.rs-online.com
VDE 0884 high CMR optoisolator,HCPL7800 RS Midi Opto Isolator There are two primary reasons, both having to do with grounding. I am designing a midi in/thru/out circuit for use with my projects. The extra optocouplers just seem to be doing logic level translation, buffering and driving the thru and out connectors. The 6n138 uses a photodiode, but its darlington output is too slow for midi unless you add more. Midi Opto Isolator.
From www.tech-faq.com
Opto Isolator TechFAQ Midi Opto Isolator In a rather unconventional way, and not. I am struggling on justifying the exact choice of optocoupler. The electrical specification suggests the sharp pc900v and the hp. There is a direct electrical. From the viewpoint of the transmitter,. The extra optocouplers just seem to be doing logic level translation, buffering and driving the thru and out connectors. I am designing. Midi Opto Isolator.
From rsvautomotive.co.uk
Optocouplers 2 channel optoisolator breakout for Arduino optoisolator Midi Opto Isolator The 6n138 uses a photodiode, but its darlington output is too slow for midi unless you add more components (e.g., a base/emitter resistor) to speed it up. There are two primary reasons, both having to do with grounding. There is a direct electrical. The electrical specification suggests the sharp pc900v and the hp. In a rather unconventional way, and not.. Midi Opto Isolator.
From www.europlatinium.com
Sharp S21MS4 SMD OPTOISOLATOR Midi Opto Isolator There is a direct electrical. I am designing a midi in/thru/out circuit for use with my projects. The 6n138 uses a photodiode, but its darlington output is too slow for midi unless you add more components (e.g., a base/emitter resistor) to speed it up. There are two primary reasons, both having to do with grounding. The extra optocouplers just seem. Midi Opto Isolator.