Voltage Probe In Ltspice . If i click on the line between v1 and r1 it plots |vr1+vr2|. Measurement with a voltage probe. Use the macromodel’s shortcuts to download the datasheet as a reference for your design. And how to use the lossy transmission line model in practice with the. In addition to the other answers, in ltspice you can identify in any command the voltage across two nodes with the syntax. To plot a differential voltage: Running.op analysis, easiest way is moving voltage or current probe on desired location of any net, and then clicking with left mouse pointer on that location. Create a voltage source with the following parameters: One can enter adjust digits. With the probe cursor showing, click and hold on the wire or node of interest and drag the cursor to the wire or node to which you want it referenced. How to simulate a x1 oscilloscope probe in ltspice. V(node1,node2) which in your case becomes. Initially, the probe cursor will be red, but as you drag to it to a referenced voltage, it will change to black. I use the voltage probe in ltspice and click on the lines to obtain the plots.
from spiceman.net
With the probe cursor showing, click and hold on the wire or node of interest and drag the cursor to the wire or node to which you want it referenced. If i click on the line between v1 and r1 it plots |vr1+vr2|. V(node1,node2) which in your case becomes. I use the voltage probe in ltspice and click on the lines to obtain the plots. In addition to the other answers, in ltspice you can identify in any command the voltage across two nodes with the syntax. To plot a differential voltage: And how to use the lossy transmission line model in practice with the. Create a voltage source with the following parameters: Use the macromodel’s shortcuts to download the datasheet as a reference for your design. Initially, the probe cursor will be red, but as you drag to it to a referenced voltage, it will change to black.
LTspiceTypes of Voltage and Current Sources Spiceman
Voltage Probe In Ltspice V(node1,node2) which in your case becomes. One can enter adjust digits. Measurement with a voltage probe. In addition to the other answers, in ltspice you can identify in any command the voltage across two nodes with the syntax. V(node1,node2) which in your case becomes. I use the voltage probe in ltspice and click on the lines to obtain the plots. Running.op analysis, easiest way is moving voltage or current probe on desired location of any net, and then clicking with left mouse pointer on that location. Create a voltage source with the following parameters: Use the macromodel’s shortcuts to download the datasheet as a reference for your design. Initially, the probe cursor will be red, but as you drag to it to a referenced voltage, it will change to black. To plot a differential voltage: And how to use the lossy transmission line model in practice with the. If i click on the line between v1 and r1 it plots |vr1+vr2|. With the probe cursor showing, click and hold on the wire or node of interest and drag the cursor to the wire or node to which you want it referenced. How to simulate a x1 oscilloscope probe in ltspice.
From electronics.stackexchange.com
ltspice My very basic voltagecontrolled amplifier gives an Voltage Probe In Ltspice If i click on the line between v1 and r1 it plots |vr1+vr2|. Use the macromodel’s shortcuts to download the datasheet as a reference for your design. Measurement with a voltage probe. One can enter adjust digits. Running.op analysis, easiest way is moving voltage or current probe on desired location of any net, and then clicking with left mouse pointer. Voltage Probe In Ltspice.
From circuitgenerator.com
LTspice simulation tutorial on voltage divider Circuit Generator Voltage Probe In Ltspice To plot a differential voltage: Initially, the probe cursor will be red, but as you drag to it to a referenced voltage, it will change to black. V(node1,node2) which in your case becomes. One can enter adjust digits. Use the macromodel’s shortcuts to download the datasheet as a reference for your design. With the probe cursor showing, click and hold. Voltage Probe In Ltspice.
From electronics.stackexchange.com
operational amplifier Low bandwidth current probe design Electrical Voltage Probe In Ltspice One can enter adjust digits. If i click on the line between v1 and r1 it plots |vr1+vr2|. I use the voltage probe in ltspice and click on the lines to obtain the plots. Use the macromodel’s shortcuts to download the datasheet as a reference for your design. To plot a differential voltage: Create a voltage source with the following. Voltage Probe In Ltspice.
From www.aabtools.com
AABTools FLUKE VPS212G 101 Voltage Probe Set; grey; 200 MHz; 2.5m Voltage Probe In Ltspice Running.op analysis, easiest way is moving voltage or current probe on desired location of any net, and then clicking with left mouse pointer on that location. V(node1,node2) which in your case becomes. In addition to the other answers, in ltspice you can identify in any command the voltage across two nodes with the syntax. Create a voltage source with the. Voltage Probe In Ltspice.
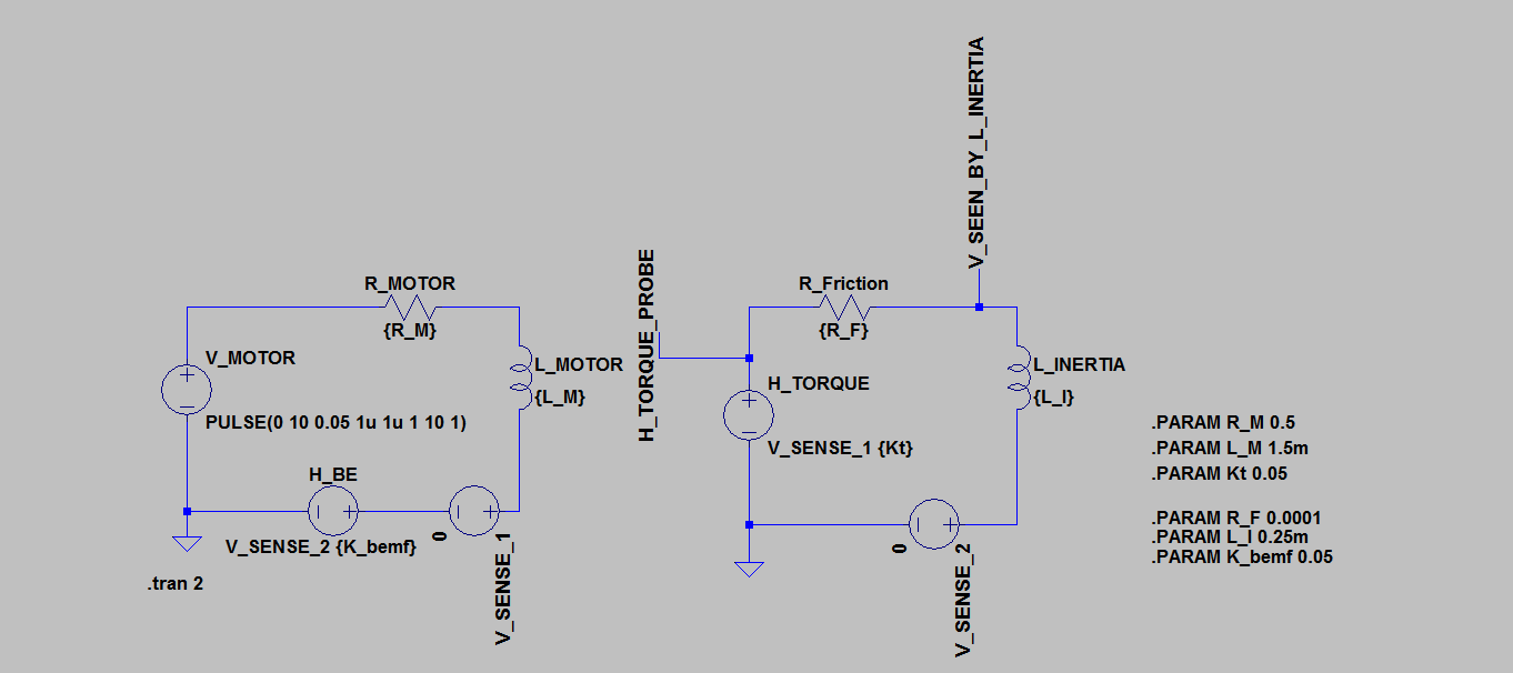
From electronics.stackexchange.com
simulation DC Motor inertia voltage drop Electrical Engineering Voltage Probe In Ltspice In addition to the other answers, in ltspice you can identify in any command the voltage across two nodes with the syntax. One can enter adjust digits. How to simulate a x1 oscilloscope probe in ltspice. I use the voltage probe in ltspice and click on the lines to obtain the plots. Use the macromodel’s shortcuts to download the datasheet. Voltage Probe In Ltspice.
From electronics.stackexchange.com
bridge rectifier Ltspice Fullwave rectified signal issue Voltage Probe In Ltspice Use the macromodel’s shortcuts to download the datasheet as a reference for your design. V(node1,node2) which in your case becomes. With the probe cursor showing, click and hold on the wire or node of interest and drag the cursor to the wire or node to which you want it referenced. In addition to the other answers, in ltspice you can. Voltage Probe In Ltspice.
From itecnotes.com
Electronic Current measurement in LTSpice Valuable Tech Notes Voltage Probe In Ltspice And how to use the lossy transmission line model in practice with the. Measurement with a voltage probe. I use the voltage probe in ltspice and click on the lines to obtain the plots. Initially, the probe cursor will be red, but as you drag to it to a referenced voltage, it will change to black. To plot a differential. Voltage Probe In Ltspice.
From 4gte.com
Probe Master 49061 Passive Voltage Probe 300 MHz Global Test Equipment Voltage Probe In Ltspice Measurement with a voltage probe. Running.op analysis, easiest way is moving voltage or current probe on desired location of any net, and then clicking with left mouse pointer on that location. In addition to the other answers, in ltspice you can identify in any command the voltage across two nodes with the syntax. V(node1,node2) which in your case becomes. Initially,. Voltage Probe In Ltspice.
From www.youtube.com
Voltages and Currents Intro to LT Spice YouTube Voltage Probe In Ltspice If i click on the line between v1 and r1 it plots |vr1+vr2|. One can enter adjust digits. And how to use the lossy transmission line model in practice with the. With the probe cursor showing, click and hold on the wire or node of interest and drag the cursor to the wire or node to which you want it. Voltage Probe In Ltspice.
From giokjfohh.blob.core.windows.net
Ltspice Reverse Current Probe at Mary Collazo blog Voltage Probe In Ltspice Initially, the probe cursor will be red, but as you drag to it to a referenced voltage, it will change to black. And how to use the lossy transmission line model in practice with the. If i click on the line between v1 and r1 it plots |vr1+vr2|. One can enter adjust digits. V(node1,node2) which in your case becomes. Create. Voltage Probe In Ltspice.
From electronics.stackexchange.com
circuit analysis LTspice voltage measurement Electrical Engineering Voltage Probe In Ltspice Running.op analysis, easiest way is moving voltage or current probe on desired location of any net, and then clicking with left mouse pointer on that location. In addition to the other answers, in ltspice you can identify in any command the voltage across two nodes with the syntax. With the probe cursor showing, click and hold on the wire or. Voltage Probe In Ltspice.
From spiceman.net
LTspiceTypes of Voltage and Current Sources Spiceman Voltage Probe In Ltspice Running.op analysis, easiest way is moving voltage or current probe on desired location of any net, and then clicking with left mouse pointer on that location. How to simulate a x1 oscilloscope probe in ltspice. Initially, the probe cursor will be red, but as you drag to it to a referenced voltage, it will change to black. If i click. Voltage Probe In Ltspice.
From spiceman.net
LTspiceDC Sweep Analysis(.dc) Spiceman Voltage Probe In Ltspice One can enter adjust digits. How to simulate a x1 oscilloscope probe in ltspice. And how to use the lossy transmission line model in practice with the. V(node1,node2) which in your case becomes. Measurement with a voltage probe. Use the macromodel’s shortcuts to download the datasheet as a reference for your design. Create a voltage source with the following parameters:. Voltage Probe In Ltspice.
From spiceman.net
.save LTspice Limit the Quantity of Saved Data Spiceman Voltage Probe In Ltspice Use the macromodel’s shortcuts to download the datasheet as a reference for your design. Running.op analysis, easiest way is moving voltage or current probe on desired location of any net, and then clicking with left mouse pointer on that location. If i click on the line between v1 and r1 it plots |vr1+vr2|. One can enter adjust digits. V(node1,node2) which. Voltage Probe In Ltspice.
From www.researchgate.net
Equivalent circuit model of the experiment simulated with LTspice. The Voltage Probe In Ltspice I use the voltage probe in ltspice and click on the lines to obtain the plots. And how to use the lossy transmission line model in practice with the. Running.op analysis, easiest way is moving voltage or current probe on desired location of any net, and then clicking with left mouse pointer on that location. In addition to the other. Voltage Probe In Ltspice.
From www.allaboutcircuits.com
Noise Analysis Using LTspice Tutorial Technical Articles Voltage Probe In Ltspice I use the voltage probe in ltspice and click on the lines to obtain the plots. One can enter adjust digits. Use the macromodel’s shortcuts to download the datasheet as a reference for your design. Create a voltage source with the following parameters: And how to use the lossy transmission line model in practice with the. If i click on. Voltage Probe In Ltspice.
From prologicsamerica.com
Sensor Voltage Probe ProLogics America Voltage Probe In Ltspice One can enter adjust digits. V(node1,node2) which in your case becomes. Running.op analysis, easiest way is moving voltage or current probe on desired location of any net, and then clicking with left mouse pointer on that location. With the probe cursor showing, click and hold on the wire or node of interest and drag the cursor to the wire or. Voltage Probe In Ltspice.
From giokjfohh.blob.core.windows.net
Ltspice Reverse Current Probe at Mary Collazo blog Voltage Probe In Ltspice In addition to the other answers, in ltspice you can identify in any command the voltage across two nodes with the syntax. If i click on the line between v1 and r1 it plots |vr1+vr2|. One can enter adjust digits. How to simulate a x1 oscilloscope probe in ltspice. And how to use the lossy transmission line model in practice. Voltage Probe In Ltspice.
From www.vernier.com
Voltage Probe Vernier Voltage Probe In Ltspice One can enter adjust digits. In addition to the other answers, in ltspice you can identify in any command the voltage across two nodes with the syntax. Create a voltage source with the following parameters: Use the macromodel’s shortcuts to download the datasheet as a reference for your design. How to simulate a x1 oscilloscope probe in ltspice. And how. Voltage Probe In Ltspice.
From itecnotes.com
Electronic LTspice How to show multiple probes with waveforms using Voltage Probe In Ltspice If i click on the line between v1 and r1 it plots |vr1+vr2|. V(node1,node2) which in your case becomes. How to simulate a x1 oscilloscope probe in ltspice. I use the voltage probe in ltspice and click on the lines to obtain the plots. Create a voltage source with the following parameters: One can enter adjust digits. Measurement with a. Voltage Probe In Ltspice.
From electronics.stackexchange.com
Alternative way of measuring characteristic current through diode in Voltage Probe In Ltspice Running.op analysis, easiest way is moving voltage or current probe on desired location of any net, and then clicking with left mouse pointer on that location. Initially, the probe cursor will be red, but as you drag to it to a referenced voltage, it will change to black. If i click on the line between v1 and r1 it plots. Voltage Probe In Ltspice.
From electronics.stackexchange.com
How to plot "voltage drop" across a specific component in LTSpice Voltage Probe In Ltspice Use the macromodel’s shortcuts to download the datasheet as a reference for your design. Measurement with a voltage probe. How to simulate a x1 oscilloscope probe in ltspice. I use the voltage probe in ltspice and click on the lines to obtain the plots. One can enter adjust digits. If i click on the line between v1 and r1 it. Voltage Probe In Ltspice.
From solveforum.com
[Solved] How to use current controlled voltage source in LTspice for Voltage Probe In Ltspice And how to use the lossy transmission line model in practice with the. With the probe cursor showing, click and hold on the wire or node of interest and drag the cursor to the wire or node to which you want it referenced. Initially, the probe cursor will be red, but as you drag to it to a referenced voltage,. Voltage Probe In Ltspice.
From cmosedu.com
LTspice at Voltage Probe In Ltspice Create a voltage source with the following parameters: If i click on the line between v1 and r1 it plots |vr1+vr2|. One can enter adjust digits. How to simulate a x1 oscilloscope probe in ltspice. In addition to the other answers, in ltspice you can identify in any command the voltage across two nodes with the syntax. With the probe. Voltage Probe In Ltspice.
From community.openenergymonitor.org
Strange LTSpice Simulation result on emonTx v3 AC Voltage Sensor Voltage Probe In Ltspice To plot a differential voltage: If i click on the line between v1 and r1 it plots |vr1+vr2|. I use the voltage probe in ltspice and click on the lines to obtain the plots. How to simulate a x1 oscilloscope probe in ltspice. And how to use the lossy transmission line model in practice with the. Measurement with a voltage. Voltage Probe In Ltspice.
From www.allaboutcircuits.com
Noise Analysis Using LTspice Tutorial Technical Articles Voltage Probe In Ltspice To plot a differential voltage: Initially, the probe cursor will be red, but as you drag to it to a referenced voltage, it will change to black. Running.op analysis, easiest way is moving voltage or current probe on desired location of any net, and then clicking with left mouse pointer on that location. Measurement with a voltage probe. One can. Voltage Probe In Ltspice.
From spiceman.net
LTspiceParametric Analysis(.step) Spiceman Voltage Probe In Ltspice With the probe cursor showing, click and hold on the wire or node of interest and drag the cursor to the wire or node to which you want it referenced. I use the voltage probe in ltspice and click on the lines to obtain the plots. And how to use the lossy transmission line model in practice with the. If. Voltage Probe In Ltspice.
From hackaday.io
A 10X 100MHz Differential Probe Details Hackaday.io Voltage Probe In Ltspice In addition to the other answers, in ltspice you can identify in any command the voltage across two nodes with the syntax. How to simulate a x1 oscilloscope probe in ltspice. V(node1,node2) which in your case becomes. One can enter adjust digits. Running.op analysis, easiest way is moving voltage or current probe on desired location of any net, and then. Voltage Probe In Ltspice.
From epci.eu
Simulation with LTspice Voltage Probe In Ltspice One can enter adjust digits. Create a voltage source with the following parameters: Running.op analysis, easiest way is moving voltage or current probe on desired location of any net, and then clicking with left mouse pointer on that location. With the probe cursor showing, click and hold on the wire or node of interest and drag the cursor to the. Voltage Probe In Ltspice.
From electrongen.blogspot.com
spice Voltage dependent current source in LTSpice Voltage Probe In Ltspice And how to use the lossy transmission line model in practice with the. How to simulate a x1 oscilloscope probe in ltspice. To plot a differential voltage: Initially, the probe cursor will be red, but as you drag to it to a referenced voltage, it will change to black. I use the voltage probe in ltspice and click on the. Voltage Probe In Ltspice.
From www.allaboutcircuits.com
Basic Circuit Simulation with LTspice Voltage Probe In Ltspice Use the macromodel’s shortcuts to download the datasheet as a reference for your design. Running.op analysis, easiest way is moving voltage or current probe on desired location of any net, and then clicking with left mouse pointer on that location. I use the voltage probe in ltspice and click on the lines to obtain the plots. Create a voltage source. Voltage Probe In Ltspice.
From www.analog.com
Get Up and Running with LTspice Analog Devices Voltage Probe In Ltspice Create a voltage source with the following parameters: Use the macromodel’s shortcuts to download the datasheet as a reference for your design. V(node1,node2) which in your case becomes. Initially, the probe cursor will be red, but as you drag to it to a referenced voltage, it will change to black. And how to use the lossy transmission line model in. Voltage Probe In Ltspice.
From www.aabtools.com
AABTools FLUKE VPS510G Voltage probe set 500 MHZ 101 Grey Voltage Probe In Ltspice Create a voltage source with the following parameters: One can enter adjust digits. If i click on the line between v1 and r1 it plots |vr1+vr2|. Use the macromodel’s shortcuts to download the datasheet as a reference for your design. And how to use the lossy transmission line model in practice with the. Running.op analysis, easiest way is moving voltage. Voltage Probe In Ltspice.
From spiceman.net
LTspiceTypes of Voltage and Current Sources Spiceman Voltage Probe In Ltspice I use the voltage probe in ltspice and click on the lines to obtain the plots. Use the macromodel’s shortcuts to download the datasheet as a reference for your design. Measurement with a voltage probe. If i click on the line between v1 and r1 it plots |vr1+vr2|. Initially, the probe cursor will be red, but as you drag to. Voltage Probe In Ltspice.
From spiceman.net
LTspiceTypes of Voltage and Current Sources Spiceman Voltage Probe In Ltspice If i click on the line between v1 and r1 it plots |vr1+vr2|. V(node1,node2) which in your case becomes. Initially, the probe cursor will be red, but as you drag to it to a referenced voltage, it will change to black. How to simulate a x1 oscilloscope probe in ltspice. To plot a differential voltage: Measurement with a voltage probe.. Voltage Probe In Ltspice.