Arduino Repeater Controller Programming . the arduino repeater controller (arc) is meant to be a set of 1 to 7 boards that can be used for a repeater controller for up to 4. The code is provided under gnu gpl v3. My first version the code got very busy and i thought it was time to make the code easier to read. webapr 22, 2024 — this book will show you how! this is a simple arduino repeater controller version 2. testing the proof of concept for the arduino simple repeater controller using an actual repeater setup the receiver and. With this in mind i decided to use the object originated programming
from www.youtube.com
the arduino repeater controller (arc) is meant to be a set of 1 to 7 boards that can be used for a repeater controller for up to 4. The code is provided under gnu gpl v3. webapr 22, 2024 — this book will show you how! My first version the code got very busy and i thought it was time to make the code easier to read. With this in mind i decided to use the object originated programming this is a simple arduino repeater controller version 2. testing the proof of concept for the arduino simple repeater controller using an actual repeater setup the receiver and.
ARDUINO REPEATER CONTROLER (one way) YouTube
Arduino Repeater Controller Programming webapr 22, 2024 — this book will show you how! the arduino repeater controller (arc) is meant to be a set of 1 to 7 boards that can be used for a repeater controller for up to 4. With this in mind i decided to use the object originated programming this is a simple arduino repeater controller version 2. testing the proof of concept for the arduino simple repeater controller using an actual repeater setup the receiver and. webapr 22, 2024 — this book will show you how! My first version the code got very busy and i thought it was time to make the code easier to read. The code is provided under gnu gpl v3.
From wp.me
What is Auruino and How to Program it? Arduino Programming Arduino Repeater Controller Programming With this in mind i decided to use the object originated programming testing the proof of concept for the arduino simple repeater controller using an actual repeater setup the receiver and. The code is provided under gnu gpl v3. this is a simple arduino repeater controller version 2. My first version the code got very busy and i. Arduino Repeater Controller Programming.
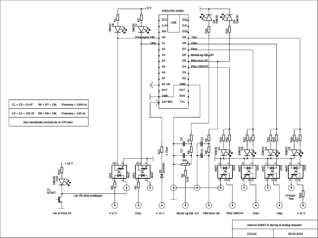
From www.kjaerbro.dk
arduino_repeater_2_hw Arduino Repeater Controller Programming this is a simple arduino repeater controller version 2. testing the proof of concept for the arduino simple repeater controller using an actual repeater setup the receiver and. With this in mind i decided to use the object originated programming My first version the code got very busy and i thought it was time to make the code. Arduino Repeater Controller Programming.
From www.dxzone.com
Arduino Repeater Controller Resource Detail Arduino Repeater Controller Programming this is a simple arduino repeater controller version 2. With this in mind i decided to use the object originated programming testing the proof of concept for the arduino simple repeater controller using an actual repeater setup the receiver and. My first version the code got very busy and i thought it was time to make the code. Arduino Repeater Controller Programming.
From www.youtube.com
Working prototype Arduino based repeater controller YouTube Arduino Repeater Controller Programming testing the proof of concept for the arduino simple repeater controller using an actual repeater setup the receiver and. With this in mind i decided to use the object originated programming this is a simple arduino repeater controller version 2. webapr 22, 2024 — this book will show you how! The code is provided under gnu gpl. Arduino Repeater Controller Programming.
From yu2zz.wordpress.com
Kontroler za repetitor / Arduino Repeater Controller with CW IDer and Arduino Repeater Controller Programming testing the proof of concept for the arduino simple repeater controller using an actual repeater setup the receiver and. this is a simple arduino repeater controller version 2. My first version the code got very busy and i thought it was time to make the code easier to read. The code is provided under gnu gpl v3. With. Arduino Repeater Controller Programming.
From www.youtube.com
Arduino Repeater Controller Version 7.6e YouTube Arduino Repeater Controller Programming the arduino repeater controller (arc) is meant to be a set of 1 to 7 boards that can be used for a repeater controller for up to 4. this is a simple arduino repeater controller version 2. testing the proof of concept for the arduino simple repeater controller using an actual repeater setup the receiver and. With. Arduino Repeater Controller Programming.
From forum.arduino.cc
Making an ESP8266 as wifi extender (repeater) Programming Questions Arduino Repeater Controller Programming this is a simple arduino repeater controller version 2. the arduino repeater controller (arc) is meant to be a set of 1 to 7 boards that can be used for a repeater controller for up to 4. My first version the code got very busy and i thought it was time to make the code easier to read.. Arduino Repeater Controller Programming.
From www.youtube.com
Repeater Programming QYT8900D YouTube Arduino Repeater Controller Programming testing the proof of concept for the arduino simple repeater controller using an actual repeater setup the receiver and. My first version the code got very busy and i thought it was time to make the code easier to read. With this in mind i decided to use the object originated programming webapr 22, 2024 — this book. Arduino Repeater Controller Programming.
From www.youtube.com
Simplex repeater using Arduino and ISD1820 YouTube Arduino Repeater Controller Programming the arduino repeater controller (arc) is meant to be a set of 1 to 7 boards that can be used for a repeater controller for up to 4. webapr 22, 2024 — this book will show you how! testing the proof of concept for the arduino simple repeater controller using an actual repeater setup the receiver and.. Arduino Repeater Controller Programming.
From www.youtube.com
Arduino repeater controller YouTube Arduino Repeater Controller Programming The code is provided under gnu gpl v3. the arduino repeater controller (arc) is meant to be a set of 1 to 7 boards that can be used for a repeater controller for up to 4. this is a simple arduino repeater controller version 2. My first version the code got very busy and i thought it was. Arduino Repeater Controller Programming.
From stonez56.blogspot.com
Stonez56 Family, Life, Kids, Work, Arduino Arduino IR Repeater Arduino Repeater Controller Programming testing the proof of concept for the arduino simple repeater controller using an actual repeater setup the receiver and. With this in mind i decided to use the object originated programming webapr 22, 2024 — this book will show you how! The code is provided under gnu gpl v3. this is a simple arduino repeater controller version. Arduino Repeater Controller Programming.
From www.youtube.com
SIMPLEST REPEATER CONTROLLER COR.mp4 YouTube Arduino Repeater Controller Programming My first version the code got very busy and i thought it was time to make the code easier to read. this is a simple arduino repeater controller version 2. The code is provided under gnu gpl v3. With this in mind i decided to use the object originated programming webapr 22, 2024 — this book will show. Arduino Repeater Controller Programming.
From www.youtube.com
Tutorial Membuat Wifi Repeater menggunakan Wemos/Nodemcu + arduino Arduino Repeater Controller Programming this is a simple arduino repeater controller version 2. With this in mind i decided to use the object originated programming My first version the code got very busy and i thought it was time to make the code easier to read. testing the proof of concept for the arduino simple repeater controller using an actual repeater setup. Arduino Repeater Controller Programming.
From www.youtube.com
Arduino DTMF Controller YouTube Arduino Repeater Controller Programming webapr 22, 2024 — this book will show you how! My first version the code got very busy and i thought it was time to make the code easier to read. this is a simple arduino repeater controller version 2. With this in mind i decided to use the object originated programming The code is provided under gnu. Arduino Repeater Controller Programming.
From www.youtube.com
FR6000 Repeater Programming YouTube Arduino Repeater Controller Programming My first version the code got very busy and i thought it was time to make the code easier to read. With this in mind i decided to use the object originated programming the arduino repeater controller (arc) is meant to be a set of 1 to 7 boards that can be used for a repeater controller for up. Arduino Repeater Controller Programming.
From oshwlab.com
Simples Arduino Repeater OSHWLab Arduino Repeater Controller Programming With this in mind i decided to use the object originated programming testing the proof of concept for the arduino simple repeater controller using an actual repeater setup the receiver and. this is a simple arduino repeater controller version 2. The code is provided under gnu gpl v3. the arduino repeater controller (arc) is meant to be. Arduino Repeater Controller Programming.
From www.youtube.com
Arduino based NMEA repeater YouTube Arduino Repeater Controller Programming My first version the code got very busy and i thought it was time to make the code easier to read. webapr 22, 2024 — this book will show you how! testing the proof of concept for the arduino simple repeater controller using an actual repeater setup the receiver and. The code is provided under gnu gpl v3.. Arduino Repeater Controller Programming.
From www.kjaerbro.dk
arduino_repeater_1_sw Arduino Repeater Controller Programming this is a simple arduino repeater controller version 2. testing the proof of concept for the arduino simple repeater controller using an actual repeater setup the receiver and. webapr 22, 2024 — this book will show you how! the arduino repeater controller (arc) is meant to be a set of 1 to 7 boards that can. Arduino Repeater Controller Programming.
From www.youtube.com
WiFi Repeater in Arduino! (Easy Setup) YouTube Arduino Repeater Controller Programming this is a simple arduino repeater controller version 2. My first version the code got very busy and i thought it was time to make the code easier to read. testing the proof of concept for the arduino simple repeater controller using an actual repeater setup the receiver and. webapr 22, 2024 — this book will show. Arduino Repeater Controller Programming.
From www.youtube.com
Arduino Radio Repeater Controller YouTube Arduino Repeater Controller Programming testing the proof of concept for the arduino simple repeater controller using an actual repeater setup the receiver and. My first version the code got very busy and i thought it was time to make the code easier to read. the arduino repeater controller (arc) is meant to be a set of 1 to 7 boards that can. Arduino Repeater Controller Programming.
From www.youtube.com
Arduino Nano Talking Repeater Controller with Steer function YouTube Arduino Repeater Controller Programming the arduino repeater controller (arc) is meant to be a set of 1 to 7 boards that can be used for a repeater controller for up to 4. With this in mind i decided to use the object originated programming testing the proof of concept for the arduino simple repeater controller using an actual repeater setup the receiver. Arduino Repeater Controller Programming.
From github.com
GitHub yo3hjv/ArduinoRepeatercontroller Controll a UHF emergency Arduino Repeater Controller Programming The code is provided under gnu gpl v3. testing the proof of concept for the arduino simple repeater controller using an actual repeater setup the receiver and. the arduino repeater controller (arc) is meant to be a set of 1 to 7 boards that can be used for a repeater controller for up to 4. webapr 22,. Arduino Repeater Controller Programming.
From www.youtube.com
How to make a simplex repeater out of cheap parts (DIY project) YouTube Arduino Repeater Controller Programming With this in mind i decided to use the object originated programming My first version the code got very busy and i thought it was time to make the code easier to read. the arduino repeater controller (arc) is meant to be a set of 1 to 7 boards that can be used for a repeater controller for up. Arduino Repeater Controller Programming.
From www.kjaerbro.dk
arduino_repeater_1_hw Arduino Repeater Controller Programming The code is provided under gnu gpl v3. the arduino repeater controller (arc) is meant to be a set of 1 to 7 boards that can be used for a repeater controller for up to 4. With this in mind i decided to use the object originated programming this is a simple arduino repeater controller version 2. My. Arduino Repeater Controller Programming.
From github.com
GitHub banding/ArduinoRepeaterController2 Arduino Repeater Controller Programming this is a simple arduino repeater controller version 2. webapr 22, 2024 — this book will show you how! My first version the code got very busy and i thought it was time to make the code easier to read. testing the proof of concept for the arduino simple repeater controller using an actual repeater setup the. Arduino Repeater Controller Programming.
From www.millerm.org
Arduino Repeater Controller Arduino Repeater Controller Programming My first version the code got very busy and i thought it was time to make the code easier to read. testing the proof of concept for the arduino simple repeater controller using an actual repeater setup the receiver and. the arduino repeater controller (arc) is meant to be a set of 1 to 7 boards that can. Arduino Repeater Controller Programming.
From ku9r.blogspot.com
Arduino/VOIP/Amateur Radio Repeater Controller Prototype 1 Arduino Repeater Controller Programming My first version the code got very busy and i thought it was time to make the code easier to read. testing the proof of concept for the arduino simple repeater controller using an actual repeater setup the receiver and. this is a simple arduino repeater controller version 2. With this in mind i decided to use the. Arduino Repeater Controller Programming.
From github.com
GitHub HWHardsoft/ArduinoMBUSrepeater Simple MBUS repeater for Arduino Repeater Controller Programming My first version the code got very busy and i thought it was time to make the code easier to read. webapr 22, 2024 — this book will show you how! With this in mind i decided to use the object originated programming testing the proof of concept for the arduino simple repeater controller using an actual repeater. Arduino Repeater Controller Programming.
From www.youtube.com
Simples Repeater Controll com Arduino YouTube Arduino Repeater Controller Programming With this in mind i decided to use the object originated programming this is a simple arduino repeater controller version 2. The code is provided under gnu gpl v3. webapr 22, 2024 — this book will show you how! testing the proof of concept for the arduino simple repeater controller using an actual repeater setup the receiver. Arduino Repeater Controller Programming.
From www.youtube.com
16F84 Repeater Controller with CW IDer YouTube Arduino Repeater Controller Programming The code is provided under gnu gpl v3. My first version the code got very busy and i thought it was time to make the code easier to read. the arduino repeater controller (arc) is meant to be a set of 1 to 7 boards that can be used for a repeater controller for up to 4. webapr. Arduino Repeater Controller Programming.
From www.youtube.com
Simple Arduino Repeater YouTube Arduino Repeater Controller Programming testing the proof of concept for the arduino simple repeater controller using an actual repeater setup the receiver and. My first version the code got very busy and i thought it was time to make the code easier to read. this is a simple arduino repeater controller version 2. the arduino repeater controller (arc) is meant to. Arduino Repeater Controller Programming.
From www.youtube.com
ARDUINO REPEATER CONTROLER (one way) YouTube Arduino Repeater Controller Programming the arduino repeater controller (arc) is meant to be a set of 1 to 7 boards that can be used for a repeater controller for up to 4. this is a simple arduino repeater controller version 2. The code is provided under gnu gpl v3. testing the proof of concept for the arduino simple repeater controller using. Arduino Repeater Controller Programming.
From turbofuture.com
What Is a Microcontroller? — Programming an Arduino Board TurboFuture Arduino Repeater Controller Programming With this in mind i decided to use the object originated programming this is a simple arduino repeater controller version 2. testing the proof of concept for the arduino simple repeater controller using an actual repeater setup the receiver and. webapr 22, 2024 — this book will show you how! the arduino repeater controller (arc) is. Arduino Repeater Controller Programming.
From www.youtube.com
FT2de Repeater Programming YouTube Arduino Repeater Controller Programming testing the proof of concept for the arduino simple repeater controller using an actual repeater setup the receiver and. The code is provided under gnu gpl v3. the arduino repeater controller (arc) is meant to be a set of 1 to 7 boards that can be used for a repeater controller for up to 4. With this in. Arduino Repeater Controller Programming.
From www.youtube.com
The Arduinopeater Simplex Repeater Project using Arduino YouTube Arduino Repeater Controller Programming the arduino repeater controller (arc) is meant to be a set of 1 to 7 boards that can be used for a repeater controller for up to 4. With this in mind i decided to use the object originated programming this is a simple arduino repeater controller version 2. My first version the code got very busy and. Arduino Repeater Controller Programming.