Lmtv Cranks But Wont Start . You can first eliminate all the above causes in this article. Just before 5:00 he gave me one more thing to try.unplug the high pressure oil pressure sensor and see if it would start. To restate what a crank/no start is, it’s when you turn the key and you can hear the engine moving but it’s just not catching and running. When my won't start lmtv from bragg got here on the drop deck, two hot batteries and she fired right up. That’s because it’s usually just a short in a relay wire,. If it has fuel and the engine. We’ve discovered an easy solution and fixed several fmtvs for less than $3. Do you have proper power to the engine computer? Now i can't get the engine to crank and the starter motor is spinning and whining full speed whenever i turn the battery switch back on. Getting our fl chassis discovery ready for a trip to find it started but kicked, bucked and idle was ruff. You can jump the starter solenoid to crank the engine. Hit the accelerator pedal and it. It’s a diesel caterpillar c7. How to troubleshoot ecm on a m1088 lmtv. Yours might be out of fuel.
from midwestmilitaryequipment.com
You can first eliminate all the above causes in this article. We’ve discovered an easy solution and fixed several fmtvs for less than $3. You can jump the starter solenoid to crank the engine. Getting our fl chassis discovery ready for a trip to find it started but kicked, bucked and idle was ruff. Now i can't get the engine to crank and the starter motor is spinning and whining full speed whenever i turn the battery switch back on. If it has fuel and the engine. How to troubleshoot ecm on a m1088 lmtv. That’s because it’s usually just a short in a relay wire,. It’s a diesel caterpillar c7. Is there a way to manually reflash a em?
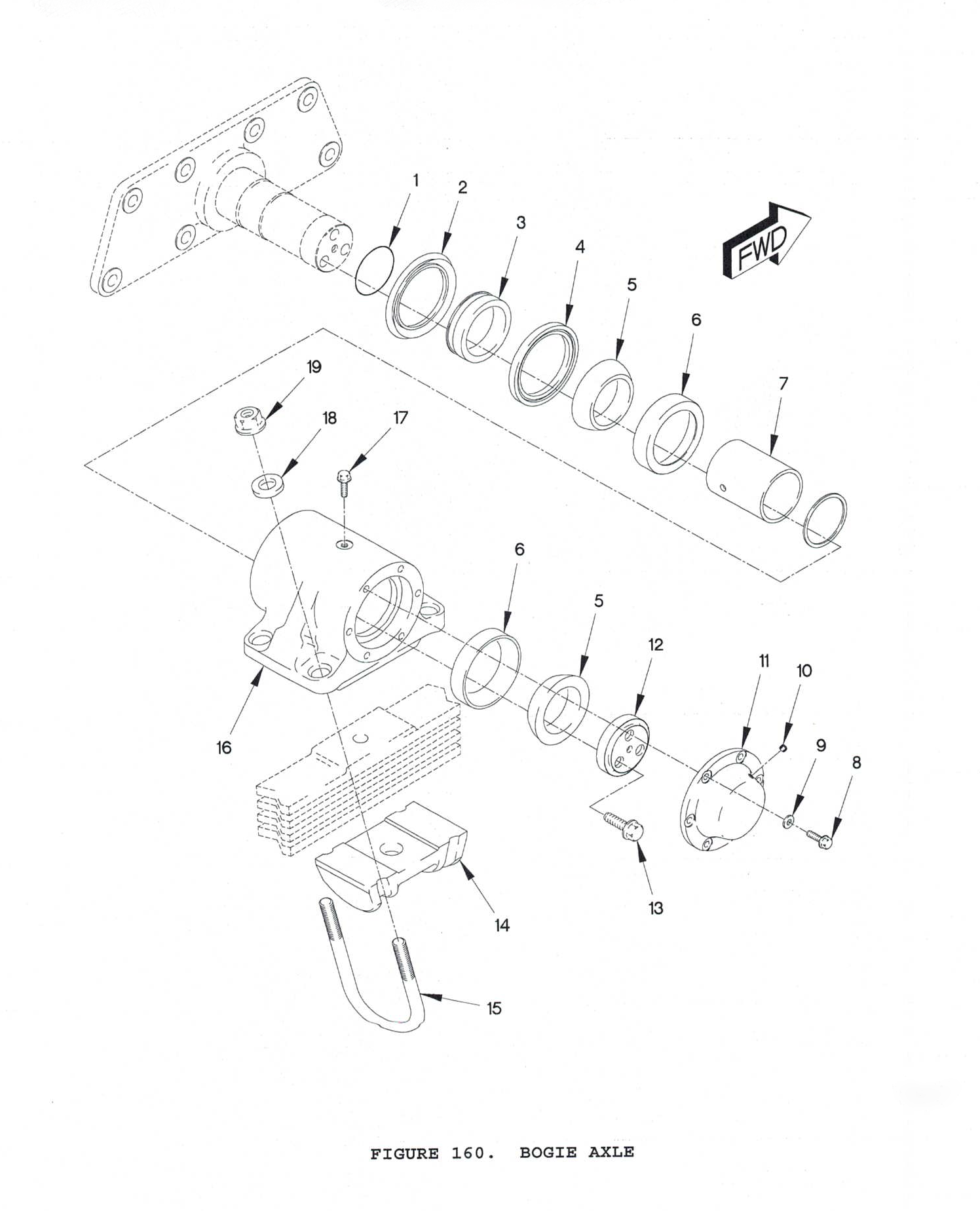
LMTV / MTV / FMTV Parts
Lmtv Cranks But Wont Start Just before 5:00 he gave me one more thing to try.unplug the high pressure oil pressure sensor and see if it would start. Just before 5:00 he gave me one more thing to try.unplug the high pressure oil pressure sensor and see if it would start. We’ve discovered an easy solution and fixed several fmtvs for less than $3. You can first eliminate all the above causes in this article. Do you have proper power to the engine computer? It’s a diesel caterpillar c7. To restate what a crank/no start is, it’s when you turn the key and you can hear the engine moving but it’s just not catching and running. Hit the accelerator pedal and it. Now i can't get the engine to crank and the starter motor is spinning and whining full speed whenever i turn the battery switch back on. Is there a way to manually reflash a em? How to troubleshoot ecm on a m1088 lmtv. If it has fuel and the engine. Getting our fl chassis discovery ready for a trip to find it started but kicked, bucked and idle was ruff. When my won't start lmtv from bragg got here on the drop deck, two hot batteries and she fired right up. That’s because it’s usually just a short in a relay wire,. Yours might be out of fuel.
From midwestmilitaryequipment.com
LMTV / MTV / FMTV Parts Lmtv Cranks But Wont Start You can jump the starter solenoid to crank the engine. Yours might be out of fuel. Now i can't get the engine to crank and the starter motor is spinning and whining full speed whenever i turn the battery switch back on. Getting our fl chassis discovery ready for a trip to find it started but kicked, bucked and idle. Lmtv Cranks But Wont Start.
From mechanicsherman55.z21.web.core.windows.net
Vehicle Cranks But Won't Start Lmtv Cranks But Wont Start When my won't start lmtv from bragg got here on the drop deck, two hot batteries and she fired right up. That’s because it’s usually just a short in a relay wire,. Getting our fl chassis discovery ready for a trip to find it started but kicked, bucked and idle was ruff. You can jump the starter solenoid to crank. Lmtv Cranks But Wont Start.
From midwestmilitaryequipment.com
LMTV / MTV / FMTV Parts Lmtv Cranks But Wont Start When my won't start lmtv from bragg got here on the drop deck, two hot batteries and she fired right up. You can jump the starter solenoid to crank the engine. We’ve discovered an easy solution and fixed several fmtvs for less than $3. You can first eliminate all the above causes in this article. Yours might be out of. Lmtv Cranks But Wont Start.
From repairfixtommqepazy.z22.web.core.windows.net
Car Cranks But Wont Start Sometimes Lmtv Cranks But Wont Start Hit the accelerator pedal and it. Now i can't get the engine to crank and the starter motor is spinning and whining full speed whenever i turn the battery switch back on. Getting our fl chassis discovery ready for a trip to find it started but kicked, bucked and idle was ruff. That’s because it’s usually just a short in. Lmtv Cranks But Wont Start.
From midwestmilitaryequipment.com
LMTV / MTV / FMTV Parts Page 2 Lmtv Cranks But Wont Start That’s because it’s usually just a short in a relay wire,. Do you have proper power to the engine computer? You can first eliminate all the above causes in this article. When my won't start lmtv from bragg got here on the drop deck, two hot batteries and she fired right up. Just before 5:00 he gave me one more. Lmtv Cranks But Wont Start.
From hollimelvin.blogspot.com
18+ How To Start An Lmtv HolliMelvin Lmtv Cranks But Wont Start It’s a diesel caterpillar c7. Yours might be out of fuel. Now i can't get the engine to crank and the starter motor is spinning and whining full speed whenever i turn the battery switch back on. You can first eliminate all the above causes in this article. If it has fuel and the engine. Hit the accelerator pedal and. Lmtv Cranks But Wont Start.
From fixenginecossile9y.z4.web.core.windows.net
Engine Cranks But Will Not Start Lmtv Cranks But Wont Start Now i can't get the engine to crank and the starter motor is spinning and whining full speed whenever i turn the battery switch back on. That’s because it’s usually just a short in a relay wire,. Yours might be out of fuel. Getting our fl chassis discovery ready for a trip to find it started but kicked, bucked and. Lmtv Cranks But Wont Start.
From www.youtube.com
LMTV M1079 Cold Start YouTube Lmtv Cranks But Wont Start You can jump the starter solenoid to crank the engine. Hit the accelerator pedal and it. We’ve discovered an easy solution and fixed several fmtvs for less than $3. Now i can't get the engine to crank and the starter motor is spinning and whining full speed whenever i turn the battery switch back on. How to troubleshoot ecm on. Lmtv Cranks But Wont Start.
From www.youtube.com
LMTV M1078 start up and test drive. YouTube Lmtv Cranks But Wont Start When my won't start lmtv from bragg got here on the drop deck, two hot batteries and she fired right up. Now i can't get the engine to crank and the starter motor is spinning and whining full speed whenever i turn the battery switch back on. Just before 5:00 he gave me one more thing to try.unplug the high. Lmtv Cranks But Wont Start.
From zebulon3037q3fixengine.z13.web.core.windows.net
2006 Toyota Camry Won't Start Not The Battery Lmtv Cranks But Wont Start Just before 5:00 he gave me one more thing to try.unplug the high pressure oil pressure sensor and see if it would start. That’s because it’s usually just a short in a relay wire,. It’s a diesel caterpillar c7. Yours might be out of fuel. Is there a way to manually reflash a em? We’ve discovered an easy solution and. Lmtv Cranks But Wont Start.
From schematicmemonradioby.z4.web.core.windows.net
Car Cranks But Will Not Start Lmtv Cranks But Wont Start It’s a diesel caterpillar c7. Yours might be out of fuel. When my won't start lmtv from bragg got here on the drop deck, two hot batteries and she fired right up. Do you have proper power to the engine computer? We’ve discovered an easy solution and fixed several fmtvs for less than $3. To restate what a crank/no start. Lmtv Cranks But Wont Start.
From www.youtube.com
How to Diagnose an Engine that Turns Over and Cranks But Does Not Start Lmtv Cranks But Wont Start It’s a diesel caterpillar c7. You can first eliminate all the above causes in this article. Yours might be out of fuel. We’ve discovered an easy solution and fixed several fmtvs for less than $3. Do you have proper power to the engine computer? That’s because it’s usually just a short in a relay wire,. Getting our fl chassis discovery. Lmtv Cranks But Wont Start.
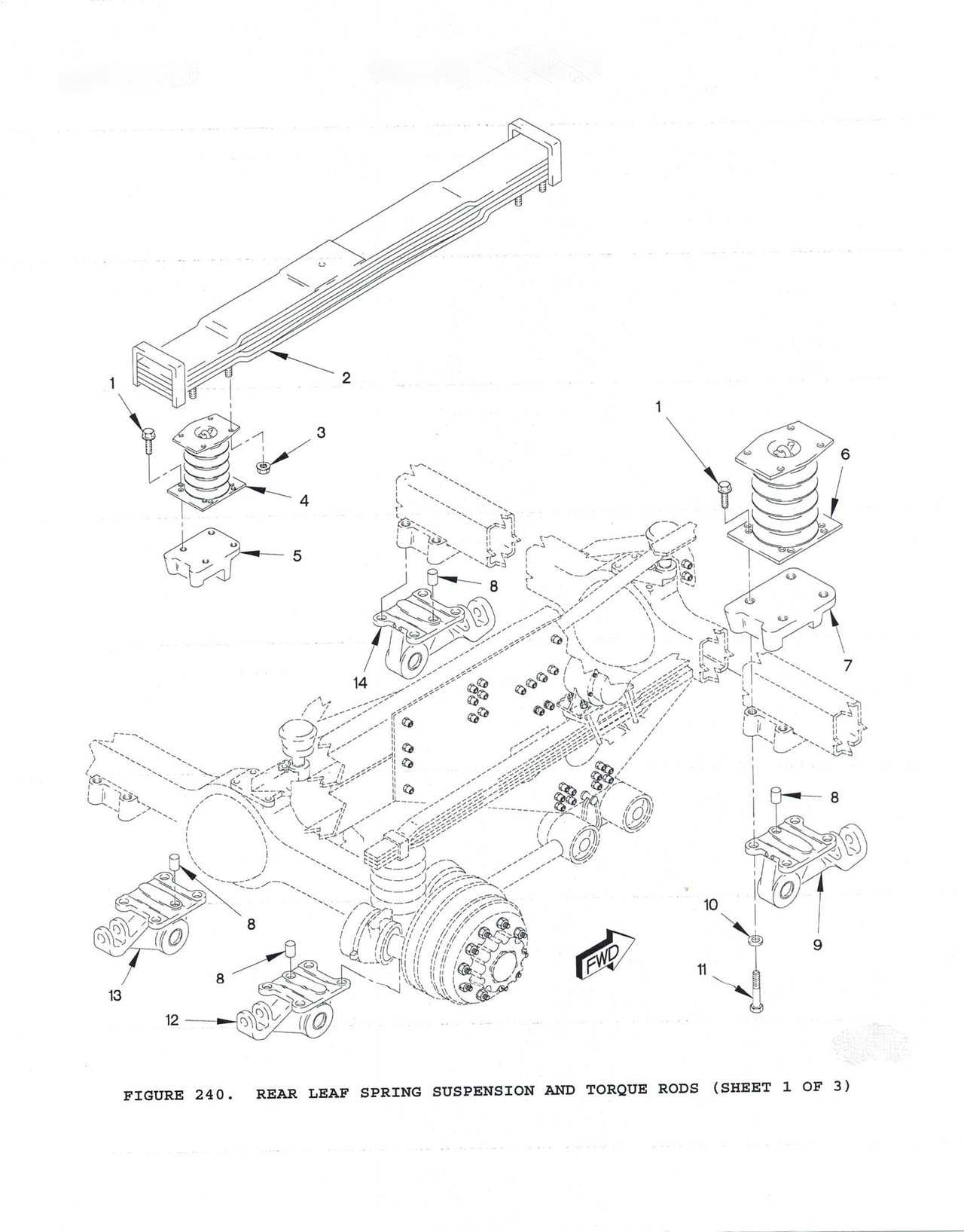
From midwestmilitaryequipment.com
LMTV / MTV / FMTV MTV 6x6 Engine Charging System Page 1 Lmtv Cranks But Wont Start We’ve discovered an easy solution and fixed several fmtvs for less than $3. You can first eliminate all the above causes in this article. When my won't start lmtv from bragg got here on the drop deck, two hot batteries and she fired right up. Is there a way to manually reflash a em? Yours might be out of fuel.. Lmtv Cranks But Wont Start.
From guidefixlissylohankh.z4.web.core.windows.net
Honda Cranking But Not Starting Lmtv Cranks But Wont Start To restate what a crank/no start is, it’s when you turn the key and you can hear the engine moving but it’s just not catching and running. We’ve discovered an easy solution and fixed several fmtvs for less than $3. Yours might be out of fuel. You can jump the starter solenoid to crank the engine. Hit the accelerator pedal. Lmtv Cranks But Wont Start.
From circuitgoniloud.z4.web.core.windows.net
Engine Cranks But Won't Start Lmtv Cranks But Wont Start When my won't start lmtv from bragg got here on the drop deck, two hot batteries and she fired right up. You can jump the starter solenoid to crank the engine. Just before 5:00 he gave me one more thing to try.unplug the high pressure oil pressure sensor and see if it would start. You can first eliminate all the. Lmtv Cranks But Wont Start.
From achievetampabay.org
How To Start An Lmtv? New Lmtv Cranks But Wont Start You can jump the starter solenoid to crank the engine. To restate what a crank/no start is, it’s when you turn the key and you can hear the engine moving but it’s just not catching and running. Is there a way to manually reflash a em? It’s a diesel caterpillar c7. If it has fuel and the engine. Do you. Lmtv Cranks But Wont Start.
From mechanicsherman55.z21.web.core.windows.net
Engine Cranks But Wont Start Lmtv Cranks But Wont Start You can first eliminate all the above causes in this article. We’ve discovered an easy solution and fixed several fmtvs for less than $3. It’s a diesel caterpillar c7. Yours might be out of fuel. You can jump the starter solenoid to crank the engine. How to troubleshoot ecm on a m1088 lmtv. Hit the accelerator pedal and it. Just. Lmtv Cranks But Wont Start.
From workshoprepairzenithal.z14.web.core.windows.net
Chevy Truck Cranks But Won T Start Lmtv Cranks But Wont Start If it has fuel and the engine. Do you have proper power to the engine computer? That’s because it’s usually just a short in a relay wire,. We’ve discovered an easy solution and fixed several fmtvs for less than $3. You can first eliminate all the above causes in this article. Just before 5:00 he gave me one more thing. Lmtv Cranks But Wont Start.
From mechanicrearmament.z14.web.core.windows.net
Bmw E36 328i Cranks But Wont Start Lmtv Cranks But Wont Start We’ve discovered an easy solution and fixed several fmtvs for less than $3. It’s a diesel caterpillar c7. Do you have proper power to the engine computer? Now i can't get the engine to crank and the starter motor is spinning and whining full speed whenever i turn the battery switch back on. Hit the accelerator pedal and it. You. Lmtv Cranks But Wont Start.
From repairmachinevolta2007wx.z22.web.core.windows.net
Chevy Truck Cranks But Wont Start Lmtv Cranks But Wont Start When my won't start lmtv from bragg got here on the drop deck, two hot batteries and she fired right up. Is there a way to manually reflash a em? It’s a diesel caterpillar c7. You can first eliminate all the above causes in this article. To restate what a crank/no start is, it’s when you turn the key and. Lmtv Cranks But Wont Start.
From www.youtube.com
LMTV M1078A1 Cold Start, Overview YouTube Lmtv Cranks But Wont Start Yours might be out of fuel. To restate what a crank/no start is, it’s when you turn the key and you can hear the engine moving but it’s just not catching and running. We’ve discovered an easy solution and fixed several fmtvs for less than $3. You can first eliminate all the above causes in this article. Getting our fl. Lmtv Cranks But Wont Start.
From schematicmemonradioby.z4.web.core.windows.net
Silverado Cranks But Won't Start Lmtv Cranks But Wont Start When my won't start lmtv from bragg got here on the drop deck, two hot batteries and she fired right up. How to troubleshoot ecm on a m1088 lmtv. You can jump the starter solenoid to crank the engine. That’s because it’s usually just a short in a relay wire,. To restate what a crank/no start is, it’s when you. Lmtv Cranks But Wont Start.
From hollimelvin.blogspot.com
18+ How To Start An Lmtv HolliMelvin Lmtv Cranks But Wont Start Now i can't get the engine to crank and the starter motor is spinning and whining full speed whenever i turn the battery switch back on. How to troubleshoot ecm on a m1088 lmtv. If it has fuel and the engine. That’s because it’s usually just a short in a relay wire,. To restate what a crank/no start is, it’s. Lmtv Cranks But Wont Start.
From exodrtmvz.blob.core.windows.net
Engine Cranks Slowly But Won't Start at Noah Queen blog Lmtv Cranks But Wont Start Getting our fl chassis discovery ready for a trip to find it started but kicked, bucked and idle was ruff. You can jump the starter solenoid to crank the engine. You can first eliminate all the above causes in this article. Is there a way to manually reflash a em? When my won't start lmtv from bragg got here on. Lmtv Cranks But Wont Start.
From www.youtube.com
LMTV Wont Start YouTube Lmtv Cranks But Wont Start We’ve discovered an easy solution and fixed several fmtvs for less than $3. Just before 5:00 he gave me one more thing to try.unplug the high pressure oil pressure sensor and see if it would start. Now i can't get the engine to crank and the starter motor is spinning and whining full speed whenever i turn the battery switch. Lmtv Cranks But Wont Start.
From schematicmemonradioby.z4.web.core.windows.net
Silverado Cranks But Won't Start Lmtv Cranks But Wont Start You can first eliminate all the above causes in this article. How to troubleshoot ecm on a m1088 lmtv. If it has fuel and the engine. It’s a diesel caterpillar c7. When my won't start lmtv from bragg got here on the drop deck, two hot batteries and she fired right up. That’s because it’s usually just a short in. Lmtv Cranks But Wont Start.
From repairfixmenyeid50.z4.web.core.windows.net
Toyota Cranks But Won't Start Lmtv Cranks But Wont Start That’s because it’s usually just a short in a relay wire,. Getting our fl chassis discovery ready for a trip to find it started but kicked, bucked and idle was ruff. Just before 5:00 he gave me one more thing to try.unplug the high pressure oil pressure sensor and see if it would start. We’ve discovered an easy solution and. Lmtv Cranks But Wont Start.
From midwestmilitaryequipment.com
LMTV / MTV / FMTV MTV 6x6 Engine Charging System Page 1 Lmtv Cranks But Wont Start Yours might be out of fuel. We’ve discovered an easy solution and fixed several fmtvs for less than $3. Is there a way to manually reflash a em? Getting our fl chassis discovery ready for a trip to find it started but kicked, bucked and idle was ruff. Do you have proper power to the engine computer? Now i can't. Lmtv Cranks But Wont Start.
From axleaddict.com
My Engine Cranks but Won't Start (6 Reasons Why) AxleAddict Lmtv Cranks But Wont Start Hit the accelerator pedal and it. How to troubleshoot ecm on a m1088 lmtv. That’s because it’s usually just a short in a relay wire,. You can first eliminate all the above causes in this article. If it has fuel and the engine. Getting our fl chassis discovery ready for a trip to find it started but kicked, bucked and. Lmtv Cranks But Wont Start.
From fixenginehenoy60.z4.web.core.windows.net
2012 Ford Focus Cranks But Wont Start Lmtv Cranks But Wont Start That’s because it’s usually just a short in a relay wire,. When my won't start lmtv from bragg got here on the drop deck, two hot batteries and she fired right up. Now i can't get the engine to crank and the starter motor is spinning and whining full speed whenever i turn the battery switch back on. How to. Lmtv Cranks But Wont Start.
From repairmachineoughts.z21.web.core.windows.net
Cranking Time Exceeded Ford Lmtv Cranks But Wont Start Getting our fl chassis discovery ready for a trip to find it started but kicked, bucked and idle was ruff. To restate what a crank/no start is, it’s when you turn the key and you can hear the engine moving but it’s just not catching and running. You can first eliminate all the above causes in this article. Hit the. Lmtv Cranks But Wont Start.
From www.tffn.net
How to Start an LMTV Research, Class, Tools and Maintenance The Lmtv Cranks But Wont Start When my won't start lmtv from bragg got here on the drop deck, two hot batteries and she fired right up. We’ve discovered an easy solution and fixed several fmtvs for less than $3. You can first eliminate all the above causes in this article. Yours might be out of fuel. Hit the accelerator pedal and it. How to troubleshoot. Lmtv Cranks But Wont Start.
From midwestmilitaryequipment.com
LMTV/MTV/FMTV CTIS Repair Kit Midwest Military Equipment Lmtv Cranks But Wont Start You can first eliminate all the above causes in this article. Getting our fl chassis discovery ready for a trip to find it started but kicked, bucked and idle was ruff. When my won't start lmtv from bragg got here on the drop deck, two hot batteries and she fired right up. How to troubleshoot ecm on a m1088 lmtv.. Lmtv Cranks But Wont Start.
From circuitlibswallets.z21.web.core.windows.net
Where Is The Crank Located Car Starter Lmtv Cranks But Wont Start Now i can't get the engine to crank and the starter motor is spinning and whining full speed whenever i turn the battery switch back on. That’s because it’s usually just a short in a relay wire,. Getting our fl chassis discovery ready for a trip to find it started but kicked, bucked and idle was ruff. If it has. Lmtv Cranks But Wont Start.
From midwestmilitaryequipment.com
LMTV / MTV / FMTV Parts Page 2 Lmtv Cranks But Wont Start Yours might be out of fuel. We’ve discovered an easy solution and fixed several fmtvs for less than $3. It’s a diesel caterpillar c7. That’s because it’s usually just a short in a relay wire,. Do you have proper power to the engine computer? You can first eliminate all the above causes in this article. If it has fuel and. Lmtv Cranks But Wont Start.