Induction Microcontroller Ic . With the advancement in the. In both cases, there is only one source that can be controlled, which is. Driving and controlling the induction motor efficiently are prime concerns in today’s energy conscious world. The induction cooking concept is designed to boost the convenience and quality of home cooking. Discover st's solutions and ics for induction cooker design, including power management, microcontrollers, sensors and touchscreen. Induction machines do not have the same key features as the dc motor. Dave wilson and bill lucas freescale semiconductor,. This application report presents a solution to control an ac induction motor using the tms320f2803x microcontrollers.
from pic-microcontroller.com
Discover st's solutions and ics for induction cooker design, including power management, microcontrollers, sensors and touchscreen. Dave wilson and bill lucas freescale semiconductor,. Driving and controlling the induction motor efficiently are prime concerns in today’s energy conscious world. In both cases, there is only one source that can be controlled, which is. This application report presents a solution to control an ac induction motor using the tms320f2803x microcontrollers. The induction cooking concept is designed to boost the convenience and quality of home cooking. Induction machines do not have the same key features as the dc motor. With the advancement in the.
Induction Heater with CKM005 Microcontroller
Induction Microcontroller Ic Dave wilson and bill lucas freescale semiconductor,. Induction machines do not have the same key features as the dc motor. The induction cooking concept is designed to boost the convenience and quality of home cooking. In both cases, there is only one source that can be controlled, which is. Driving and controlling the induction motor efficiently are prime concerns in today’s energy conscious world. Discover st's solutions and ics for induction cooker design, including power management, microcontrollers, sensors and touchscreen. With the advancement in the. Dave wilson and bill lucas freescale semiconductor,. This application report presents a solution to control an ac induction motor using the tms320f2803x microcontrollers.
From www.integrated-ic.com
Microcontroller MCU STM32F413VGJ6 32Bit SingleCore Microcontrollers IC Induction Microcontroller Ic This application report presents a solution to control an ac induction motor using the tms320f2803x microcontrollers. Driving and controlling the induction motor efficiently are prime concerns in today’s energy conscious world. With the advancement in the. Discover st's solutions and ics for induction cooker design, including power management, microcontrollers, sensors and touchscreen. Dave wilson and bill lucas freescale semiconductor,. In. Induction Microcontroller Ic.
From www.youtube.com
Induction cooktop Microcontroller ic construction working operations YouTube Induction Microcontroller Ic In both cases, there is only one source that can be controlled, which is. This application report presents a solution to control an ac induction motor using the tms320f2803x microcontrollers. Driving and controlling the induction motor efficiently are prime concerns in today’s energy conscious world. The induction cooking concept is designed to boost the convenience and quality of home cooking.. Induction Microcontroller Ic.
From www.youtube.com
Microcontroller IC & STM Microcontroller Retailer YouTube Induction Microcontroller Ic The induction cooking concept is designed to boost the convenience and quality of home cooking. Induction machines do not have the same key features as the dc motor. Driving and controlling the induction motor efficiently are prime concerns in today’s energy conscious world. Discover st's solutions and ics for induction cooker design, including power management, microcontrollers, sensors and touchscreen. Dave. Induction Microcontroller Ic.
From pic-microcontroller.com
Induction Heater with CKM005 Microcontroller Induction Microcontroller Ic Induction machines do not have the same key features as the dc motor. The induction cooking concept is designed to boost the convenience and quality of home cooking. Discover st's solutions and ics for induction cooker design, including power management, microcontrollers, sensors and touchscreen. In both cases, there is only one source that can be controlled, which is. This application. Induction Microcontroller Ic.
From www.flyrobo.in
AT89C51 Microcontroller IC Induction Microcontroller Ic With the advancement in the. Driving and controlling the induction motor efficiently are prime concerns in today’s energy conscious world. Discover st's solutions and ics for induction cooker design, including power management, microcontrollers, sensors and touchscreen. Dave wilson and bill lucas freescale semiconductor,. Induction machines do not have the same key features as the dc motor. This application report presents. Induction Microcontroller Ic.
From sosteneslekule.blogspot.com
Teardown Tuesday Induction Cooktop LEKULE Induction Microcontroller Ic Driving and controlling the induction motor efficiently are prime concerns in today’s energy conscious world. The induction cooking concept is designed to boost the convenience and quality of home cooking. With the advancement in the. Dave wilson and bill lucas freescale semiconductor,. Induction machines do not have the same key features as the dc motor. Discover st's solutions and ics. Induction Microcontroller Ic.
From www.alibaba.com
Stm32l082kbu6 New Original Ufqfpn32 Integrated Circuit Microcontroller Ic Bom Supporting Induction Microcontroller Ic The induction cooking concept is designed to boost the convenience and quality of home cooking. In both cases, there is only one source that can be controlled, which is. Discover st's solutions and ics for induction cooker design, including power management, microcontrollers, sensors and touchscreen. Dave wilson and bill lucas freescale semiconductor,. This application report presents a solution to control. Induction Microcontroller Ic.
From electronicspices.com
Buy AT89C405124PU 8bit Microcontroller DIP 20 pin IC Induction Microcontroller Ic Discover st's solutions and ics for induction cooker design, including power management, microcontrollers, sensors and touchscreen. In both cases, there is only one source that can be controlled, which is. Driving and controlling the induction motor efficiently are prime concerns in today’s energy conscious world. Dave wilson and bill lucas freescale semiconductor,. Induction machines do not have the same key. Induction Microcontroller Ic.
From www.cestore-mm.com
PIC16F84A Microcontroller IC CE Store Induction Microcontroller Ic Dave wilson and bill lucas freescale semiconductor,. Driving and controlling the induction motor efficiently are prime concerns in today’s energy conscious world. This application report presents a solution to control an ac induction motor using the tms320f2803x microcontrollers. With the advancement in the. Induction machines do not have the same key features as the dc motor. In both cases, there. Induction Microcontroller Ic.
From nevonprojects.com
ACPWM Control System for Induction Motor using AVR family Microcontroller Induction Microcontroller Ic In both cases, there is only one source that can be controlled, which is. This application report presents a solution to control an ac induction motor using the tms320f2803x microcontrollers. Induction machines do not have the same key features as the dc motor. Driving and controlling the induction motor efficiently are prime concerns in today’s energy conscious world. The induction. Induction Microcontroller Ic.
From www.youtube.com
Induction Cooktop के Micro Controller IC का Datasheet केसे निकाले Induction Data IC working Induction Microcontroller Ic This application report presents a solution to control an ac induction motor using the tms320f2803x microcontrollers. In both cases, there is only one source that can be controlled, which is. With the advancement in the. The induction cooking concept is designed to boost the convenience and quality of home cooking. Induction machines do not have the same key features as. Induction Microcontroller Ic.
From nevonprojects.com
ACPWM Control System for Induction Motor using AVR family Microcontroller Induction Microcontroller Ic Discover st's solutions and ics for induction cooker design, including power management, microcontrollers, sensors and touchscreen. Dave wilson and bill lucas freescale semiconductor,. The induction cooking concept is designed to boost the convenience and quality of home cooking. With the advancement in the. Induction machines do not have the same key features as the dc motor. Driving and controlling the. Induction Microcontroller Ic.
From microcontrollerslab.com
soft starter for 3 phase induction motor using pic microcontroller Induction Microcontroller Ic In both cases, there is only one source that can be controlled, which is. Dave wilson and bill lucas freescale semiconductor,. The induction cooking concept is designed to boost the convenience and quality of home cooking. This application report presents a solution to control an ac induction motor using the tms320f2803x microcontrollers. With the advancement in the. Induction machines do. Induction Microcontroller Ic.
From makezine.com
How to Design a Microcontroller Circuit Make Induction Microcontroller Ic In both cases, there is only one source that can be controlled, which is. Induction machines do not have the same key features as the dc motor. Discover st's solutions and ics for induction cooker design, including power management, microcontrollers, sensors and touchscreen. The induction cooking concept is designed to boost the convenience and quality of home cooking. This application. Induction Microcontroller Ic.
From www.cestore-mm.com
PIC16F887 Microcontroller IC (SMD) CE Store Induction Microcontroller Ic In both cases, there is only one source that can be controlled, which is. With the advancement in the. Induction machines do not have the same key features as the dc motor. Discover st's solutions and ics for induction cooker design, including power management, microcontrollers, sensors and touchscreen. Driving and controlling the induction motor efficiently are prime concerns in today’s. Induction Microcontroller Ic.
From www.vrogue.co
Three Phase Induction Motor Protection System Using P vrogue.co Induction Microcontroller Ic The induction cooking concept is designed to boost the convenience and quality of home cooking. Driving and controlling the induction motor efficiently are prime concerns in today’s energy conscious world. Discover st's solutions and ics for induction cooker design, including power management, microcontrollers, sensors and touchscreen. With the advancement in the. In both cases, there is only one source that. Induction Microcontroller Ic.
From www.empowerlaptop.com
Microcontroller IC chip STM32F102C4T6A STM32F102C6T6A STM32F102C4T6ATR STM32F102C6T6ATR IC MCU Induction Microcontroller Ic This application report presents a solution to control an ac induction motor using the tms320f2803x microcontrollers. Driving and controlling the induction motor efficiently are prime concerns in today’s energy conscious world. Induction machines do not have the same key features as the dc motor. Discover st's solutions and ics for induction cooker design, including power management, microcontrollers, sensors and touchscreen.. Induction Microcontroller Ic.
From pic-microcontroller.com
Induction Heater with CKM005 Microcontroller Induction Microcontroller Ic Dave wilson and bill lucas freescale semiconductor,. Driving and controlling the induction motor efficiently are prime concerns in today’s energy conscious world. This application report presents a solution to control an ac induction motor using the tms320f2803x microcontrollers. With the advancement in the. Induction machines do not have the same key features as the dc motor. Discover st's solutions and. Induction Microcontroller Ic.
From www.microcontrolleric.com
PMPB11EN Microcontroller Integrated Circuit 30V N Channel Trench Induction Microcontroller Ic This application report presents a solution to control an ac induction motor using the tms320f2803x microcontrollers. Induction machines do not have the same key features as the dc motor. With the advancement in the. Discover st's solutions and ics for induction cooker design, including power management, microcontrollers, sensors and touchscreen. The induction cooking concept is designed to boost the convenience. Induction Microcontroller Ic.
From pic-microcontroller.com
Induction Heater with CKM005 Microcontroller Induction Microcontroller Ic This application report presents a solution to control an ac induction motor using the tms320f2803x microcontrollers. Induction machines do not have the same key features as the dc motor. Dave wilson and bill lucas freescale semiconductor,. Discover st's solutions and ics for induction cooker design, including power management, microcontrollers, sensors and touchscreen. With the advancement in the. The induction cooking. Induction Microcontroller Ic.
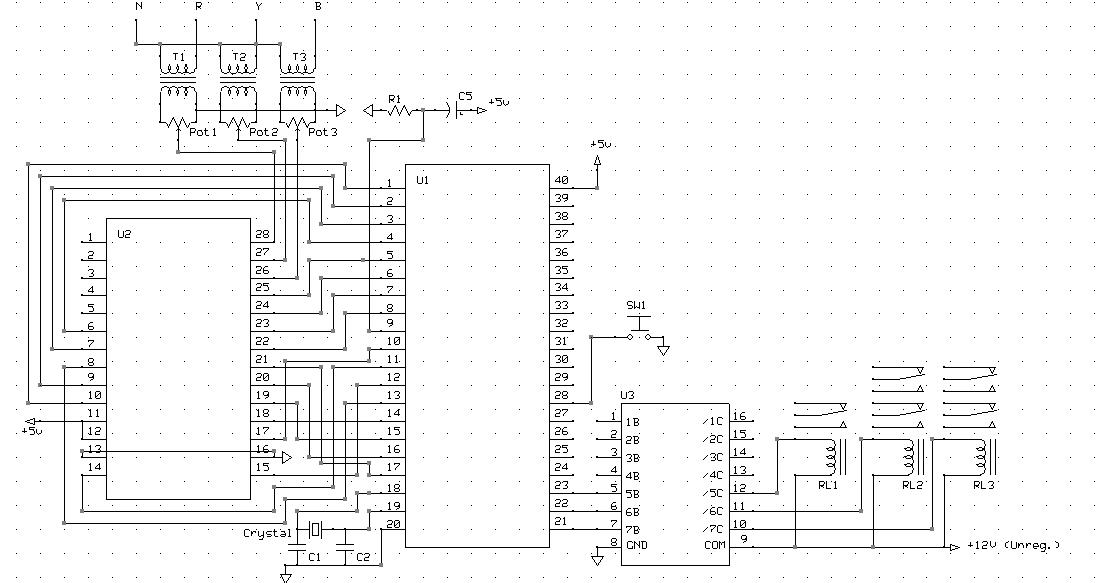
From schematicwomans.z13.web.core.windows.net
Induction Cooker Microcontroller Circuit Diagram Induction Microcontroller Ic This application report presents a solution to control an ac induction motor using the tms320f2803x microcontrollers. Driving and controlling the induction motor efficiently are prime concerns in today’s energy conscious world. In both cases, there is only one source that can be controlled, which is. Induction machines do not have the same key features as the dc motor. The induction. Induction Microcontroller Ic.
From www.circuitbasics.com
Introduction to Microcontrollers Circuit Basics Induction Microcontroller Ic Dave wilson and bill lucas freescale semiconductor,. The induction cooking concept is designed to boost the convenience and quality of home cooking. Discover st's solutions and ics for induction cooker design, including power management, microcontrollers, sensors and touchscreen. Driving and controlling the induction motor efficiently are prime concerns in today’s energy conscious world. Induction machines do not have the same. Induction Microcontroller Ic.
From www.circuitlake.com
Inductivity Meter Using IC 555 Microcontroller Project Circuit Induction Microcontroller Ic In both cases, there is only one source that can be controlled, which is. The induction cooking concept is designed to boost the convenience and quality of home cooking. Driving and controlling the induction motor efficiently are prime concerns in today’s energy conscious world. Discover st's solutions and ics for induction cooker design, including power management, microcontrollers, sensors and touchscreen.. Induction Microcontroller Ic.
From www.youtube.com
Speed Control of Induction Motor using PICMicrocontroller YouTube Induction Microcontroller Ic Discover st's solutions and ics for induction cooker design, including power management, microcontrollers, sensors and touchscreen. Dave wilson and bill lucas freescale semiconductor,. The induction cooking concept is designed to boost the convenience and quality of home cooking. In both cases, there is only one source that can be controlled, which is. Induction machines do not have the same key. Induction Microcontroller Ic.
From www.cestore-mm.com
ATMEGA328PB Microcontroller IC (SMD) CE Store Induction Microcontroller Ic Induction machines do not have the same key features as the dc motor. Dave wilson and bill lucas freescale semiconductor,. The induction cooking concept is designed to boost the convenience and quality of home cooking. Driving and controlling the induction motor efficiently are prime concerns in today’s energy conscious world. This application report presents a solution to control an ac. Induction Microcontroller Ic.
From microcontrollerslab.com
Thyristor Controlled Power for Single Phase Induction Motor using pic microcontroller Induction Microcontroller Ic Induction machines do not have the same key features as the dc motor. Driving and controlling the induction motor efficiently are prime concerns in today’s energy conscious world. With the advancement in the. Dave wilson and bill lucas freescale semiconductor,. In both cases, there is only one source that can be controlled, which is. Discover st's solutions and ics for. Induction Microcontroller Ic.
From microcontrollerslab.com
ACPWM control System for Induction Motor using pic microcontroller Induction Microcontroller Ic The induction cooking concept is designed to boost the convenience and quality of home cooking. Discover st's solutions and ics for induction cooker design, including power management, microcontrollers, sensors and touchscreen. This application report presents a solution to control an ac induction motor using the tms320f2803x microcontrollers. With the advancement in the. In both cases, there is only one source. Induction Microcontroller Ic.
From www.build-electronic-circuits.com
Microcontroller Tutorial 3/5 How To Design the Circuit Induction Microcontroller Ic Induction machines do not have the same key features as the dc motor. With the advancement in the. Dave wilson and bill lucas freescale semiconductor,. Driving and controlling the induction motor efficiently are prime concerns in today’s energy conscious world. The induction cooking concept is designed to boost the convenience and quality of home cooking. Discover st's solutions and ics. Induction Microcontroller Ic.
From microcontrollerslab.com
Bidirectional Rotation of an Induction Motor with a Remote Control Device Induction Microcontroller Ic Induction machines do not have the same key features as the dc motor. Driving and controlling the induction motor efficiently are prime concerns in today’s energy conscious world. Dave wilson and bill lucas freescale semiconductor,. This application report presents a solution to control an ac induction motor using the tms320f2803x microcontrollers. Discover st's solutions and ics for induction cooker design,. Induction Microcontroller Ic.
From embedded-lab.com
Single and multiphase AC induction motor control using the PIC16F1509 microcontroller Induction Microcontroller Ic Induction machines do not have the same key features as the dc motor. Dave wilson and bill lucas freescale semiconductor,. This application report presents a solution to control an ac induction motor using the tms320f2803x microcontrollers. Discover st's solutions and ics for induction cooker design, including power management, microcontrollers, sensors and touchscreen. Driving and controlling the induction motor efficiently are. Induction Microcontroller Ic.
From nevonprojects.com
ACPWM Control System for Induction Motor using AVR family Microcontroller Induction Microcontroller Ic The induction cooking concept is designed to boost the convenience and quality of home cooking. Induction machines do not have the same key features as the dc motor. This application report presents a solution to control an ac induction motor using the tms320f2803x microcontrollers. Dave wilson and bill lucas freescale semiconductor,. Driving and controlling the induction motor efficiently are prime. Induction Microcontroller Ic.
From www.alibaba.com
Stable Performance Microcontroller Ic Integrated Circuit Dc Motor Controllers 5cgxfc9d6f27i7n Induction Microcontroller Ic The induction cooking concept is designed to boost the convenience and quality of home cooking. In both cases, there is only one source that can be controlled, which is. Dave wilson and bill lucas freescale semiconductor,. Discover st's solutions and ics for induction cooker design, including power management, microcontrollers, sensors and touchscreen. Induction machines do not have the same key. Induction Microcontroller Ic.
From 8051microcontroller.blogspot.com
8051 MicroController Induction motor stardelta starter using microcontroller Induction Microcontroller Ic Dave wilson and bill lucas freescale semiconductor,. Discover st's solutions and ics for induction cooker design, including power management, microcontrollers, sensors and touchscreen. Driving and controlling the induction motor efficiently are prime concerns in today’s energy conscious world. Induction machines do not have the same key features as the dc motor. With the advancement in the. The induction cooking concept. Induction Microcontroller Ic.
From wiringmanualnoonan.z19.web.core.windows.net
Induction Cooker Microcontroller Circuit Diagram Induction Microcontroller Ic Dave wilson and bill lucas freescale semiconductor,. Induction machines do not have the same key features as the dc motor. This application report presents a solution to control an ac induction motor using the tms320f2803x microcontrollers. Driving and controlling the induction motor efficiently are prime concerns in today’s energy conscious world. With the advancement in the. In both cases, there. Induction Microcontroller Ic.
From pic-microcontroller.com
Induction Heater with CKM005 Microcontroller Induction Microcontroller Ic The induction cooking concept is designed to boost the convenience and quality of home cooking. In both cases, there is only one source that can be controlled, which is. Driving and controlling the induction motor efficiently are prime concerns in today’s energy conscious world. Induction machines do not have the same key features as the dc motor. Dave wilson and. Induction Microcontroller Ic.