How To Know If Your Pool Ozonator Is Working . In this article, we’ll dive into the details of oxygenated pool systems, breaking down their pros and cons so you can make an. Ozone kills microbes and helps keep your water clean. Ozonators, or ozone generators, are installed in the pool’s circulation system downstream from the operating equipment. Ozone gas is 3000 times more powerful than. Why would i install a pool ozonator? What an ozone pool does is use ozone gas to consistently shock the water as it passes through the pool equipment. If you want to reduce your chlorine demand and chlorine usage, reduce shocking and backwashing, and improve. To determine if your pool ozone generator is producing ozone, you can use an ozone test kit to measure the ozone levels in. If you don't add chlorine and the fc isn't dropping or is dropping slowly, then the ozonator is not working. How does a pool ozone generator work?
from www.sswm.info
Ozone gas is 3000 times more powerful than. If you want to reduce your chlorine demand and chlorine usage, reduce shocking and backwashing, and improve. If you don't add chlorine and the fc isn't dropping or is dropping slowly, then the ozonator is not working. How does a pool ozone generator work? Ozonators, or ozone generators, are installed in the pool’s circulation system downstream from the operating equipment. Why would i install a pool ozonator? To determine if your pool ozone generator is producing ozone, you can use an ozone test kit to measure the ozone levels in. In this article, we’ll dive into the details of oxygenated pool systems, breaking down their pros and cons so you can make an. Ozone kills microbes and helps keep your water clean. What an ozone pool does is use ozone gas to consistently shock the water as it passes through the pool equipment.
Ozonation SSWM
How To Know If Your Pool Ozonator Is Working In this article, we’ll dive into the details of oxygenated pool systems, breaking down their pros and cons so you can make an. Ozone kills microbes and helps keep your water clean. How does a pool ozone generator work? Why would i install a pool ozonator? Ozonators, or ozone generators, are installed in the pool’s circulation system downstream from the operating equipment. In this article, we’ll dive into the details of oxygenated pool systems, breaking down their pros and cons so you can make an. What an ozone pool does is use ozone gas to consistently shock the water as it passes through the pool equipment. If you want to reduce your chlorine demand and chlorine usage, reduce shocking and backwashing, and improve. If you don't add chlorine and the fc isn't dropping or is dropping slowly, then the ozonator is not working. Ozone gas is 3000 times more powerful than. To determine if your pool ozone generator is producing ozone, you can use an ozone test kit to measure the ozone levels in.
From www.inyopools.com
Ultrapure Water Quality Inc. Ultrapure Ozonator For Up To 85K Gallons How To Know If Your Pool Ozonator Is Working How does a pool ozone generator work? To determine if your pool ozone generator is producing ozone, you can use an ozone test kit to measure the ozone levels in. In this article, we’ll dive into the details of oxygenated pool systems, breaking down their pros and cons so you can make an. Why would i install a pool ozonator?. How To Know If Your Pool Ozonator Is Working.
From dolphinpools.com.au
Step 2 Ozone Swim The Natural Water Purification Dolphin Pools How To Know If Your Pool Ozonator Is Working How does a pool ozone generator work? In this article, we’ll dive into the details of oxygenated pool systems, breaking down their pros and cons so you can make an. What an ozone pool does is use ozone gas to consistently shock the water as it passes through the pool equipment. Ozone kills microbes and helps keep your water clean.. How To Know If Your Pool Ozonator Is Working.
From pusesandra.blogspot.com
how do pool ozone generators work Abbie Mortensen How To Know If Your Pool Ozonator Is Working How does a pool ozone generator work? Ozone kills microbes and helps keep your water clean. If you don't add chlorine and the fc isn't dropping or is dropping slowly, then the ozonator is not working. What an ozone pool does is use ozone gas to consistently shock the water as it passes through the pool equipment. In this article,. How To Know If Your Pool Ozonator Is Working.
From www.youtube.com
How To Replace Your Hot Tub Ozonator with the Del Ozone UO3 Ozonator How To Know If Your Pool Ozonator Is Working Why would i install a pool ozonator? To determine if your pool ozone generator is producing ozone, you can use an ozone test kit to measure the ozone levels in. If you don't add chlorine and the fc isn't dropping or is dropping slowly, then the ozonator is not working. If you want to reduce your chlorine demand and chlorine. How To Know If Your Pool Ozonator Is Working.
From www.chron.com
Ozone systems save money, option for pools, spas How To Know If Your Pool Ozonator Is Working Ozone gas is 3000 times more powerful than. If you want to reduce your chlorine demand and chlorine usage, reduce shocking and backwashing, and improve. Ozone kills microbes and helps keep your water clean. To determine if your pool ozone generator is producing ozone, you can use an ozone test kit to measure the ozone levels in. If you don't. How To Know If Your Pool Ozonator Is Working.
From norahseiler.blogspot.com
how do pool ozone generators work Norah Seiler How To Know If Your Pool Ozonator Is Working What an ozone pool does is use ozone gas to consistently shock the water as it passes through the pool equipment. To determine if your pool ozone generator is producing ozone, you can use an ozone test kit to measure the ozone levels in. Why would i install a pool ozonator? If you don't add chlorine and the fc isn't. How To Know If Your Pool Ozonator Is Working.
From yvoone8220.blogspot.com
how do spa ozone generators work Laureen Winters How To Know If Your Pool Ozonator Is Working Ozone kills microbes and helps keep your water clean. To determine if your pool ozone generator is producing ozone, you can use an ozone test kit to measure the ozone levels in. If you don't add chlorine and the fc isn't dropping or is dropping slowly, then the ozonator is not working. Ozonators, or ozone generators, are installed in the. How To Know If Your Pool Ozonator Is Working.
From www.youtube.com
Ozone Swim Pool Purification 1000 series install YouTube How To Know If Your Pool Ozonator Is Working What an ozone pool does is use ozone gas to consistently shock the water as it passes through the pool equipment. In this article, we’ll dive into the details of oxygenated pool systems, breaking down their pros and cons so you can make an. Ozone gas is 3000 times more powerful than. To determine if your pool ozone generator is. How To Know If Your Pool Ozonator Is Working.
From rusmiscam.blogspot.com
how do pool ozone generators work Illa Washburn How To Know If Your Pool Ozonator Is Working What an ozone pool does is use ozone gas to consistently shock the water as it passes through the pool equipment. To determine if your pool ozone generator is producing ozone, you can use an ozone test kit to measure the ozone levels in. Why would i install a pool ozonator? In this article, we’ll dive into the details of. How To Know If Your Pool Ozonator Is Working.
From waterandpoolsystems.co.nz
Ozone water treatment Clearwater Ozone Max OZ50 Water and Pool Systems How To Know If Your Pool Ozonator Is Working How does a pool ozone generator work? What an ozone pool does is use ozone gas to consistently shock the water as it passes through the pool equipment. To determine if your pool ozone generator is producing ozone, you can use an ozone test kit to measure the ozone levels in. Why would i install a pool ozonator? Ozonators, or. How To Know If Your Pool Ozonator Is Working.
From www.youtube.com
UV and Ozone Sanitation For Your Inground Swimming Pool YouTube How To Know If Your Pool Ozonator Is Working If you want to reduce your chlorine demand and chlorine usage, reduce shocking and backwashing, and improve. What an ozone pool does is use ozone gas to consistently shock the water as it passes through the pool equipment. Ozonators, or ozone generators, are installed in the pool’s circulation system downstream from the operating equipment. In this article, we’ll dive into. How To Know If Your Pool Ozonator Is Working.
From rusmiscam.blogspot.com
how do pool ozone generators work Illa Washburn How To Know If Your Pool Ozonator Is Working Ozone kills microbes and helps keep your water clean. Ozone gas is 3000 times more powerful than. Ozonators, or ozone generators, are installed in the pool’s circulation system downstream from the operating equipment. If you don't add chlorine and the fc isn't dropping or is dropping slowly, then the ozonator is not working. What an ozone pool does is use. How To Know If Your Pool Ozonator Is Working.
From rusmiscam.blogspot.com
how do pool ozone generators work Illa Washburn How To Know If Your Pool Ozonator Is Working If you don't add chlorine and the fc isn't dropping or is dropping slowly, then the ozonator is not working. What an ozone pool does is use ozone gas to consistently shock the water as it passes through the pool equipment. In this article, we’ll dive into the details of oxygenated pool systems, breaking down their pros and cons so. How To Know If Your Pool Ozonator Is Working.
From www.poolpiscina.com
Ozone for swimming pool Learn how ozone for swimming pool works How To Know If Your Pool Ozonator Is Working What an ozone pool does is use ozone gas to consistently shock the water as it passes through the pool equipment. How does a pool ozone generator work? Why would i install a pool ozonator? Ozone kills microbes and helps keep your water clean. If you don't add chlorine and the fc isn't dropping or is dropping slowly, then the. How To Know If Your Pool Ozonator Is Working.
From www.pinterest.com
What is Pool Ozone? How It Works, Cost, Pros, and Cons Pool, Inground How To Know If Your Pool Ozonator Is Working What an ozone pool does is use ozone gas to consistently shock the water as it passes through the pool equipment. In this article, we’ll dive into the details of oxygenated pool systems, breaking down their pros and cons so you can make an. If you don't add chlorine and the fc isn't dropping or is dropping slowly, then the. How To Know If Your Pool Ozonator Is Working.
From www.chemtronicsindia.com
Technical data sheet Water Ozonation, Ozonated water, Mumbai, India How To Know If Your Pool Ozonator Is Working If you want to reduce your chlorine demand and chlorine usage, reduce shocking and backwashing, and improve. Ozone kills microbes and helps keep your water clean. Why would i install a pool ozonator? Ozonators, or ozone generators, are installed in the pool’s circulation system downstream from the operating equipment. If you don't add chlorine and the fc isn't dropping or. How To Know If Your Pool Ozonator Is Working.
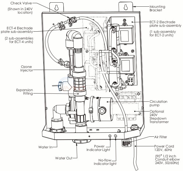
From www.inyopools.com
Del Total Eclipse Pool Ozonator Parts How To Know If Your Pool Ozonator Is Working What an ozone pool does is use ozone gas to consistently shock the water as it passes through the pool equipment. Ozone kills microbes and helps keep your water clean. How does a pool ozone generator work? If you don't add chlorine and the fc isn't dropping or is dropping slowly, then the ozonator is not working. In this article,. How To Know If Your Pool Ozonator Is Working.
From norahseiler.blogspot.com
how do pool ozone generators work Norah Seiler How To Know If Your Pool Ozonator Is Working Ozone kills microbes and helps keep your water clean. If you want to reduce your chlorine demand and chlorine usage, reduce shocking and backwashing, and improve. If you don't add chlorine and the fc isn't dropping or is dropping slowly, then the ozonator is not working. Ozone gas is 3000 times more powerful than. How does a pool ozone generator. How To Know If Your Pool Ozonator Is Working.
From www.prestwickcountryclub.net
How To Use An Ozonator In Your Spa How To Know If Your Pool Ozonator Is Working How does a pool ozone generator work? If you want to reduce your chlorine demand and chlorine usage, reduce shocking and backwashing, and improve. Ozone kills microbes and helps keep your water clean. Ozonators, or ozone generators, are installed in the pool’s circulation system downstream from the operating equipment. Why would i install a pool ozonator? If you don't add. How To Know If Your Pool Ozonator Is Working.
From norahseiler.blogspot.com
how do pool ozone generators work Norah Seiler How To Know If Your Pool Ozonator Is Working Ozone kills microbes and helps keep your water clean. How does a pool ozone generator work? What an ozone pool does is use ozone gas to consistently shock the water as it passes through the pool equipment. Why would i install a pool ozonator? If you want to reduce your chlorine demand and chlorine usage, reduce shocking and backwashing, and. How To Know If Your Pool Ozonator Is Working.
From chemtronicsindia.com
Ozonation Process Flow Diagrams, Process Flow Diagram, pfd, Mumbai, India How To Know If Your Pool Ozonator Is Working If you want to reduce your chlorine demand and chlorine usage, reduce shocking and backwashing, and improve. In this article, we’ll dive into the details of oxygenated pool systems, breaking down their pros and cons so you can make an. To determine if your pool ozone generator is producing ozone, you can use an ozone test kit to measure the. How To Know If Your Pool Ozonator Is Working.
From rusmiscam.blogspot.com
how do pool ozone generators work Illa Washburn How To Know If Your Pool Ozonator Is Working In this article, we’ll dive into the details of oxygenated pool systems, breaking down their pros and cons so you can make an. How does a pool ozone generator work? Ozonators, or ozone generators, are installed in the pool’s circulation system downstream from the operating equipment. If you don't add chlorine and the fc isn't dropping or is dropping slowly,. How To Know If Your Pool Ozonator Is Working.
From destinyrash.blogspot.com
how do pool ozone generators work Destiny Rash How To Know If Your Pool Ozonator Is Working Ozone gas is 3000 times more powerful than. If you want to reduce your chlorine demand and chlorine usage, reduce shocking and backwashing, and improve. If you don't add chlorine and the fc isn't dropping or is dropping slowly, then the ozonator is not working. How does a pool ozone generator work? Ozone kills microbes and helps keep your water. How To Know If Your Pool Ozonator Is Working.
From www.acuraspa.com
Acura Spa Systems Prozone Ozonoator The best spa water purification! How To Know If Your Pool Ozonator Is Working If you want to reduce your chlorine demand and chlorine usage, reduce shocking and backwashing, and improve. Ozone gas is 3000 times more powerful than. If you don't add chlorine and the fc isn't dropping or is dropping slowly, then the ozonator is not working. To determine if your pool ozone generator is producing ozone, you can use an ozone. How To Know If Your Pool Ozonator Is Working.
From yardlifemaster.com
How to Tell if Hot Tub Ozonator is Working? (A Guide) Yard Life Master How To Know If Your Pool Ozonator Is Working To determine if your pool ozone generator is producing ozone, you can use an ozone test kit to measure the ozone levels in. Ozone kills microbes and helps keep your water clean. If you don't add chlorine and the fc isn't dropping or is dropping slowly, then the ozonator is not working. In this article, we’ll dive into the details. How To Know If Your Pool Ozonator Is Working.
From norahseiler.blogspot.com
how do pool ozone generators work Norah Seiler How To Know If Your Pool Ozonator Is Working Ozonators, or ozone generators, are installed in the pool’s circulation system downstream from the operating equipment. To determine if your pool ozone generator is producing ozone, you can use an ozone test kit to measure the ozone levels in. What an ozone pool does is use ozone gas to consistently shock the water as it passes through the pool equipment.. How To Know If Your Pool Ozonator Is Working.
From yardlifemaster.com
How to Tell if Hot Tub Ozonator is Working? (A Guide) Yard Life Master How To Know If Your Pool Ozonator Is Working Ozone gas is 3000 times more powerful than. What an ozone pool does is use ozone gas to consistently shock the water as it passes through the pool equipment. To determine if your pool ozone generator is producing ozone, you can use an ozone test kit to measure the ozone levels in. If you want to reduce your chlorine demand. How To Know If Your Pool Ozonator Is Working.
From www.riverpoolsandspas.com
What is Pool Ozone? How It Works, Cost, Pros, and Cons How To Know If Your Pool Ozonator Is Working Ozonators, or ozone generators, are installed in the pool’s circulation system downstream from the operating equipment. To determine if your pool ozone generator is producing ozone, you can use an ozone test kit to measure the ozone levels in. How does a pool ozone generator work? What an ozone pool does is use ozone gas to consistently shock the water. How To Know If Your Pool Ozonator Is Working.
From www.sswm.info
Ozonation SSWM How To Know If Your Pool Ozonator Is Working How does a pool ozone generator work? What an ozone pool does is use ozone gas to consistently shock the water as it passes through the pool equipment. To determine if your pool ozone generator is producing ozone, you can use an ozone test kit to measure the ozone levels in. If you want to reduce your chlorine demand and. How To Know If Your Pool Ozonator Is Working.
From qlozone.com
What is Pool Ozone? How It Works, Cost? Qlozone Ozone Equipment How To Know If Your Pool Ozonator Is Working Ozone gas is 3000 times more powerful than. Why would i install a pool ozonator? Ozonators, or ozone generators, are installed in the pool’s circulation system downstream from the operating equipment. In this article, we’ll dive into the details of oxygenated pool systems, breaking down their pros and cons so you can make an. How does a pool ozone generator. How To Know If Your Pool Ozonator Is Working.
From www.maintainyourpool.com
A pool ozonator a sparkling pool saving time and money. How To Know If Your Pool Ozonator Is Working If you don't add chlorine and the fc isn't dropping or is dropping slowly, then the ozonator is not working. Ozonators, or ozone generators, are installed in the pool’s circulation system downstream from the operating equipment. How does a pool ozone generator work? What an ozone pool does is use ozone gas to consistently shock the water as it passes. How To Know If Your Pool Ozonator Is Working.
From absoluteozone.com
Selecting the Right Size Ozone Generator for your Pool How To Know If Your Pool Ozonator Is Working If you want to reduce your chlorine demand and chlorine usage, reduce shocking and backwashing, and improve. Ozonators, or ozone generators, are installed in the pool’s circulation system downstream from the operating equipment. In this article, we’ll dive into the details of oxygenated pool systems, breaking down their pros and cons so you can make an. How does a pool. How To Know If Your Pool Ozonator Is Working.
From www.poolsupplyunlimited.com
DEL OZONE 25 Ozone Generator for Residential Pools 25,000 Gallons How To Know If Your Pool Ozonator Is Working What an ozone pool does is use ozone gas to consistently shock the water as it passes through the pool equipment. Ozone kills microbes and helps keep your water clean. If you want to reduce your chlorine demand and chlorine usage, reduce shocking and backwashing, and improve. If you don't add chlorine and the fc isn't dropping or is dropping. How To Know If Your Pool Ozonator Is Working.
From rusmiscam.blogspot.com
how do pool ozone generators work Illa Washburn How To Know If Your Pool Ozonator Is Working Why would i install a pool ozonator? In this article, we’ll dive into the details of oxygenated pool systems, breaking down their pros and cons so you can make an. To determine if your pool ozone generator is producing ozone, you can use an ozone test kit to measure the ozone levels in. Ozone gas is 3000 times more powerful. How To Know If Your Pool Ozonator Is Working.
From www.youtube.com
Ozone Swim 1200 series Pool Purification in Action YouTube How To Know If Your Pool Ozonator Is Working To determine if your pool ozone generator is producing ozone, you can use an ozone test kit to measure the ozone levels in. Ozone gas is 3000 times more powerful than. How does a pool ozone generator work? In this article, we’ll dive into the details of oxygenated pool systems, breaking down their pros and cons so you can make. How To Know If Your Pool Ozonator Is Working.