Case Tractor Parts Catalog Online . Select your model and enter part number or choose component from the online. Find over 7,000 case tractor parts in stock at wengers®. Batteries, belts, bearings, engine air filters, fuel filters, seat covers & fllor mats and much more. Shop online and ship directly to you,. The complete cnhi genuine parts catalog includes parts diagrams for case ih, case construction, new holland, and new holland construction brand parts. Verified fit helps you shop with confidence. With the range of genuine parts, case ih is committed to optimizing your performance: Find and order genuine parts and accessories for case ih tractors and equipment online. Find over 30,000 unique cnh part numbers and 270,000 pieces of case ih parts in stock at messick's. Search by model, serial number, or category, and explore. Add your equipment to filter to the parts relevant to you. Shop by category, model, or part number and enjoy 24/7 access, fast delivery, and competitive. Find genuine case ih parts for your farm equipment online at mycnhstore.com. Find new and rebuilt parts for older case tractors, including radiators, carburetors, fenders, seats, gauges and more.
from spare.avspart.com
With the range of genuine parts, case ih is committed to optimizing your performance: Add your equipment to filter to the parts relevant to you. Batteries, belts, bearings, engine air filters, fuel filters, seat covers & fllor mats and much more. Shop by category, model, or part number and enjoy 24/7 access, fast delivery, and competitive. Find and order genuine parts and accessories for case ih tractors and equipment online. Shop online and ship directly to you,. Select your model and enter part number or choose component from the online. Verified fit helps you shop with confidence. Find new and rebuilt parts for older case tractors, including radiators, carburetors, fenders, seats, gauges and more. Find genuine case ih parts for your farm equipment online at mycnhstore.com.
(3230) CASE IH TRACTOR (NORTH AMERICA) (1/9412/98) (1001) 3220/3230 TRACTORS PARTS CATALOG
Case Tractor Parts Catalog Online Find genuine case ih parts for your farm equipment online at mycnhstore.com. With the range of genuine parts, case ih is committed to optimizing your performance: Shop by category, model, or part number and enjoy 24/7 access, fast delivery, and competitive. Add your equipment to filter to the parts relevant to you. Find over 30,000 unique cnh part numbers and 270,000 pieces of case ih parts in stock at messick's. Search by model, serial number, or category, and explore. The complete cnhi genuine parts catalog includes parts diagrams for case ih, case construction, new holland, and new holland construction brand parts. Select your model and enter part number or choose component from the online. Batteries, belts, bearings, engine air filters, fuel filters, seat covers & fllor mats and much more. Find genuine case ih parts for your farm equipment online at mycnhstore.com. Verified fit helps you shop with confidence. Find over 7,000 case tractor parts in stock at wengers®. Find new and rebuilt parts for older case tractors, including radiators, carburetors, fenders, seats, gauges and more. Shop online and ship directly to you,. Find and order genuine parts and accessories for case ih tractors and equipment online.
From www.epcatalogs.com
Download Case Construction Equipment CE Spare Parts Catalog Case Tractor Parts Catalog Online Verified fit helps you shop with confidence. Select your model and enter part number or choose component from the online. Shop online and ship directly to you,. Search by model, serial number, or category, and explore. Find over 30,000 unique cnh part numbers and 270,000 pieces of case ih parts in stock at messick's. Find and order genuine parts and. Case Tractor Parts Catalog Online.
From www.epcatalogs.com
CASE IH AG North America 2013 Parts Catalog Download Case Tractor Parts Catalog Online Search by model, serial number, or category, and explore. Find genuine case ih parts for your farm equipment online at mycnhstore.com. Find over 7,000 case tractor parts in stock at wengers®. The complete cnhi genuine parts catalog includes parts diagrams for case ih, case construction, new holland, and new holland construction brand parts. With the range of genuine parts, case. Case Tractor Parts Catalog Online.
From spare.avspart.com
(3230) CASE IH TRACTOR (NORTH AMERICA) (1/9412/98) (1001) 3220/3230 TRACTORS PARTS CATALOG Case Tractor Parts Catalog Online Batteries, belts, bearings, engine air filters, fuel filters, seat covers & fllor mats and much more. Verified fit helps you shop with confidence. Add your equipment to filter to the parts relevant to you. Find over 30,000 unique cnh part numbers and 270,000 pieces of case ih parts in stock at messick's. Shop online and ship directly to you,. Find. Case Tractor Parts Catalog Online.
From www.epcatalogs.com
CASE IH AG North America Spare Parts Catalog Download Case Tractor Parts Catalog Online Find genuine case ih parts for your farm equipment online at mycnhstore.com. With the range of genuine parts, case ih is committed to optimizing your performance: Add your equipment to filter to the parts relevant to you. Shop online and ship directly to you,. Verified fit helps you shop with confidence. Select your model and enter part number or choose. Case Tractor Parts Catalog Online.
From www.epcatalogs.com
Case 856XL Tractor Parts Book PDF Case Tractor Parts Catalog Online With the range of genuine parts, case ih is committed to optimizing your performance: Find genuine case ih parts for your farm equipment online at mycnhstore.com. Shop by category, model, or part number and enjoy 24/7 access, fast delivery, and competitive. Find over 7,000 case tractor parts in stock at wengers®. Add your equipment to filter to the parts relevant. Case Tractor Parts Catalog Online.
From www.slideshare.net
Magnum 335 CASE IH Tractor parts catalog Case Tractor Parts Catalog Online Find over 30,000 unique cnh part numbers and 270,000 pieces of case ih parts in stock at messick's. Shop by category, model, or part number and enjoy 24/7 access, fast delivery, and competitive. Find and order genuine parts and accessories for case ih tractors and equipment online. Batteries, belts, bearings, engine air filters, fuel filters, seat covers & fllor mats. Case Tractor Parts Catalog Online.
From servicepartmanuals.com
Case Ingersoll Compact Tractor Parts Catalog DVD Case Tractor Parts Catalog Online Verified fit helps you shop with confidence. Find over 7,000 case tractor parts in stock at wengers®. Batteries, belts, bearings, engine air filters, fuel filters, seat covers & fllor mats and much more. Find new and rebuilt parts for older case tractors, including radiators, carburetors, fenders, seats, gauges and more. Find over 30,000 unique cnh part numbers and 270,000 pieces. Case Tractor Parts Catalog Online.
From www.slideshare.net
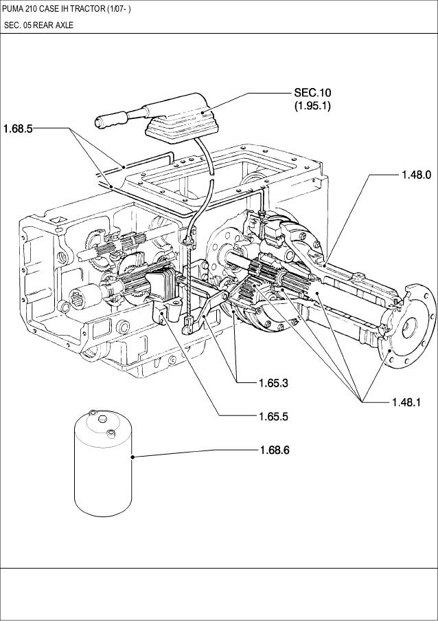
PUMA 210 CASE IH Tractor parts catalog Case Tractor Parts Catalog Online Batteries, belts, bearings, engine air filters, fuel filters, seat covers & fllor mats and much more. With the range of genuine parts, case ih is committed to optimizing your performance: Search by model, serial number, or category, and explore. Find over 30,000 unique cnh part numbers and 270,000 pieces of case ih parts in stock at messick's. Find and order. Case Tractor Parts Catalog Online.
From servicepartmanuals.com
Case 7210 7220 Diesel Tractor Parts Catalog PDF Case Tractor Parts Catalog Online Batteries, belts, bearings, engine air filters, fuel filters, seat covers & fllor mats and much more. Select your model and enter part number or choose component from the online. Find genuine case ih parts for your farm equipment online at mycnhstore.com. The complete cnhi genuine parts catalog includes parts diagrams for case ih, case construction, new holland, and new holland. Case Tractor Parts Catalog Online.
From www.epcatalogs.com
CASE IH AG North America 2013 Parts Catalog Download Case Tractor Parts Catalog Online Batteries, belts, bearings, engine air filters, fuel filters, seat covers & fllor mats and much more. Select your model and enter part number or choose component from the online. Find over 7,000 case tractor parts in stock at wengers®. Add your equipment to filter to the parts relevant to you. Find and order genuine parts and accessories for case ih. Case Tractor Parts Catalog Online.
From farmmanualsfast.com
Case "VAC" Tractor Parts Catalog Farm Manuals Fast Case Tractor Parts Catalog Online Find over 7,000 case tractor parts in stock at wengers®. Search by model, serial number, or category, and explore. Shop by category, model, or part number and enjoy 24/7 access, fast delivery, and competitive. Find genuine case ih parts for your farm equipment online at mycnhstore.com. Shop online and ship directly to you,. Find and order genuine parts and accessories. Case Tractor Parts Catalog Online.
From www.epcatalogs.com
CASE IH AG North America 2013 Parts Catalog Download Case Tractor Parts Catalog Online Find genuine case ih parts for your farm equipment online at mycnhstore.com. Shop by category, model, or part number and enjoy 24/7 access, fast delivery, and competitive. Find new and rebuilt parts for older case tractors, including radiators, carburetors, fenders, seats, gauges and more. Shop online and ship directly to you,. Find over 30,000 unique cnh part numbers and 270,000. Case Tractor Parts Catalog Online.
From www.youtube.com
How to use the Case IH online parts catalog, EPC YouTube Case Tractor Parts Catalog Online Verified fit helps you shop with confidence. Find over 30,000 unique cnh part numbers and 270,000 pieces of case ih parts in stock at messick's. Add your equipment to filter to the parts relevant to you. Find new and rebuilt parts for older case tractors, including radiators, carburetors, fenders, seats, gauges and more. Select your model and enter part number. Case Tractor Parts Catalog Online.
From www.epcatalogs.com
CASE IH Agricultural Spare Parts Catalog Case Tractor Parts Catalog Online Select your model and enter part number or choose component from the online. Batteries, belts, bearings, engine air filters, fuel filters, seat covers & fllor mats and much more. Add your equipment to filter to the parts relevant to you. Verified fit helps you shop with confidence. Find new and rebuilt parts for older case tractors, including radiators, carburetors, fenders,. Case Tractor Parts Catalog Online.
From issuu.com
Case 430ck Wheel Tractor Parts Catalog Manual by ArielleYarborough issuu Case Tractor Parts Catalog Online Find over 30,000 unique cnh part numbers and 270,000 pieces of case ih parts in stock at messick's. Verified fit helps you shop with confidence. Find genuine case ih parts for your farm equipment online at mycnhstore.com. Shop by category, model, or part number and enjoy 24/7 access, fast delivery, and competitive. The complete cnhi genuine parts catalog includes parts. Case Tractor Parts Catalog Online.
From www.epcatalogs.com
CASE IH Agriculture (AG) North America Parts Catalog 2019 Case Tractor Parts Catalog Online Shop online and ship directly to you,. Find and order genuine parts and accessories for case ih tractors and equipment online. Add your equipment to filter to the parts relevant to you. Batteries, belts, bearings, engine air filters, fuel filters, seat covers & fllor mats and much more. Verified fit helps you shop with confidence. Find over 30,000 unique cnh. Case Tractor Parts Catalog Online.
From www.epcatalogs.com
CASE IH AG North America 2013 Parts Catalog Download Case Tractor Parts Catalog Online Verified fit helps you shop with confidence. Search by model, serial number, or category, and explore. Select your model and enter part number or choose component from the online. Batteries, belts, bearings, engine air filters, fuel filters, seat covers & fllor mats and much more. Add your equipment to filter to the parts relevant to you. Find and order genuine. Case Tractor Parts Catalog Online.
From www.epcatalogs.com
CASE IH AG North America 2013 Parts Catalog Download Case Tractor Parts Catalog Online Find and order genuine parts and accessories for case ih tractors and equipment online. Find over 30,000 unique cnh part numbers and 270,000 pieces of case ih parts in stock at messick's. Shop online and ship directly to you,. Find new and rebuilt parts for older case tractors, including radiators, carburetors, fenders, seats, gauges and more. Search by model, serial. Case Tractor Parts Catalog Online.
From www.pdfprof.com
case ih parts Case Tractor Parts Catalog Online The complete cnhi genuine parts catalog includes parts diagrams for case ih, case construction, new holland, and new holland construction brand parts. Search by model, serial number, or category, and explore. Batteries, belts, bearings, engine air filters, fuel filters, seat covers & fllor mats and much more. Find over 30,000 unique cnh part numbers and 270,000 pieces of case ih. Case Tractor Parts Catalog Online.
From farmmanualsfast.com
Case 220, 222, 224 and 444 Tractor Parts Catalog Farm Manuals Fast Case Tractor Parts Catalog Online The complete cnhi genuine parts catalog includes parts diagrams for case ih, case construction, new holland, and new holland construction brand parts. Find genuine case ih parts for your farm equipment online at mycnhstore.com. With the range of genuine parts, case ih is committed to optimizing your performance: Shop online and ship directly to you,. Find and order genuine parts. Case Tractor Parts Catalog Online.
From www.ohjekirja.org
Case International 5130, 5140 diesel tractor parts catalogue Case Tractor Parts Catalog Online Shop by category, model, or part number and enjoy 24/7 access, fast delivery, and competitive. Search by model, serial number, or category, and explore. Select your model and enter part number or choose component from the online. Find new and rebuilt parts for older case tractors, including radiators, carburetors, fenders, seats, gauges and more. Find over 7,000 case tractor parts. Case Tractor Parts Catalog Online.
From heavymanuals.com
Case IH 1290, 1390 Parts Catalog Case Tractor Parts Catalog Online The complete cnhi genuine parts catalog includes parts diagrams for case ih, case construction, new holland, and new holland construction brand parts. Verified fit helps you shop with confidence. Batteries, belts, bearings, engine air filters, fuel filters, seat covers & fllor mats and much more. Find and order genuine parts and accessories for case ih tractors and equipment online. Find. Case Tractor Parts Catalog Online.
From service-workshopmanual.com
Case 685 Case Ih Tractor (1/8512/90) Parts manual catalog PDF Download Service manual Case Tractor Parts Catalog Online Find new and rebuilt parts for older case tractors, including radiators, carburetors, fenders, seats, gauges and more. The complete cnhi genuine parts catalog includes parts diagrams for case ih, case construction, new holland, and new holland construction brand parts. Shop by category, model, or part number and enjoy 24/7 access, fast delivery, and competitive. Batteries, belts, bearings, engine air filters,. Case Tractor Parts Catalog Online.
From reviewmotors.co
Case Ih Spare Parts Catalogue Reviewmotors.co Case Tractor Parts Catalog Online Verified fit helps you shop with confidence. Search by model, serial number, or category, and explore. Find and order genuine parts and accessories for case ih tractors and equipment online. Find over 7,000 case tractor parts in stock at wengers®. With the range of genuine parts, case ih is committed to optimizing your performance: Find genuine case ih parts for. Case Tractor Parts Catalog Online.
From www.ohjekirja.org
Case 1394 tractor parts catalog Case Tractor Parts Catalog Online Find over 30,000 unique cnh part numbers and 270,000 pieces of case ih parts in stock at messick's. Add your equipment to filter to the parts relevant to you. Find over 7,000 case tractor parts in stock at wengers®. Search by model, serial number, or category, and explore. Batteries, belts, bearings, engine air filters, fuel filters, seat covers & fllor. Case Tractor Parts Catalog Online.
From www.epcatalogs.com
CASE IH AG North America Spare Parts Catalog Download Case Tractor Parts Catalog Online Find new and rebuilt parts for older case tractors, including radiators, carburetors, fenders, seats, gauges and more. With the range of genuine parts, case ih is committed to optimizing your performance: Select your model and enter part number or choose component from the online. Find genuine case ih parts for your farm equipment online at mycnhstore.com. Find and order genuine. Case Tractor Parts Catalog Online.
From www.peacefulcreek.com
CASE 2294 TRACTOR SERVICE MANUAL PARTS CATALOG SHOP BOOK OVERHAUL SET Peaceful Creek Case Tractor Parts Catalog Online The complete cnhi genuine parts catalog includes parts diagrams for case ih, case construction, new holland, and new holland construction brand parts. With the range of genuine parts, case ih is committed to optimizing your performance: Find genuine case ih parts for your farm equipment online at mycnhstore.com. Shop by category, model, or part number and enjoy 24/7 access, fast. Case Tractor Parts Catalog Online.
From www.slideshare.net
9370, 9380, 9390 CASE IH 4WD tractor parts catalog Case Tractor Parts Catalog Online Add your equipment to filter to the parts relevant to you. Shop by category, model, or part number and enjoy 24/7 access, fast delivery, and competitive. Verified fit helps you shop with confidence. Search by model, serial number, or category, and explore. Shop online and ship directly to you,. Find and order genuine parts and accessories for case ih tractors. Case Tractor Parts Catalog Online.
From www.ohjekirja.org
Case MX100, MX110, MX120, MX135 diesel tractors parts catalog Case Tractor Parts Catalog Online Search by model, serial number, or category, and explore. Shop online and ship directly to you,. Find genuine case ih parts for your farm equipment online at mycnhstore.com. The complete cnhi genuine parts catalog includes parts diagrams for case ih, case construction, new holland, and new holland construction brand parts. Find new and rebuilt parts for older case tractors, including. Case Tractor Parts Catalog Online.
From www.ohjekirja.org
Case 1494 tractor parts catalog Case Tractor Parts Catalog Online Find genuine case ih parts for your farm equipment online at mycnhstore.com. The complete cnhi genuine parts catalog includes parts diagrams for case ih, case construction, new holland, and new holland construction brand parts. Find new and rebuilt parts for older case tractors, including radiators, carburetors, fenders, seats, gauges and more. With the range of genuine parts, case ih is. Case Tractor Parts Catalog Online.
From epcatalogs.com
Download Case Construction Equipment CE Spare Parts Catalog Case Tractor Parts Catalog Online Verified fit helps you shop with confidence. Find new and rebuilt parts for older case tractors, including radiators, carburetors, fenders, seats, gauges and more. Find genuine case ih parts for your farm equipment online at mycnhstore.com. Select your model and enter part number or choose component from the online. Add your equipment to filter to the parts relevant to you.. Case Tractor Parts Catalog Online.
From www.slideshare.net
8940 CASE IH Magnum tractor parts catalog Case Tractor Parts Catalog Online Verified fit helps you shop with confidence. Find new and rebuilt parts for older case tractors, including radiators, carburetors, fenders, seats, gauges and more. Find over 30,000 unique cnh part numbers and 270,000 pieces of case ih parts in stock at messick's. Shop online and ship directly to you,. Add your equipment to filter to the parts relevant to you.. Case Tractor Parts Catalog Online.
From www.slideshare.net
7220 CASE IH Magnum tractor (North America) parts catalog Case Tractor Parts Catalog Online Search by model, serial number, or category, and explore. Find over 7,000 case tractor parts in stock at wengers®. Shop online and ship directly to you,. Shop by category, model, or part number and enjoy 24/7 access, fast delivery, and competitive. With the range of genuine parts, case ih is committed to optimizing your performance: Verified fit helps you shop. Case Tractor Parts Catalog Online.
From www.ohjekirja.org
Case International 495XL and 595XL diesel tractor parts catalogue Case Tractor Parts Catalog Online Verified fit helps you shop with confidence. With the range of genuine parts, case ih is committed to optimizing your performance: The complete cnhi genuine parts catalog includes parts diagrams for case ih, case construction, new holland, and new holland construction brand parts. Find new and rebuilt parts for older case tractors, including radiators, carburetors, fenders, seats, gauges and more.. Case Tractor Parts Catalog Online.
From avspare.com
(585) CASE IH TRACTOR (1/8512/90) (001) 585 TRACTOR PARTS CATALOG Case Agriculture Case Tractor Parts Catalog Online With the range of genuine parts, case ih is committed to optimizing your performance: Find genuine case ih parts for your farm equipment online at mycnhstore.com. Find over 7,000 case tractor parts in stock at wengers®. Batteries, belts, bearings, engine air filters, fuel filters, seat covers & fllor mats and much more. Find new and rebuilt parts for older case. Case Tractor Parts Catalog Online.