Wiring Driving Lights Ve Commodore . It illustrates the wiring harnesses, connectors,. A ve commodore wiring diagram is a visual representation of the electrical connections and components in a ve commodore vehicle. Mount additional high beam driving lights such as on a nudge bar, bull bar, front number plate. Fog lights should be used independently from headlights. Ensure safe and efficient installation of your led driving lights. This video demonstrates the holden commodore's complete wiring diagrams and details of the wiring harness. The ve commodore wiring diagram provides a detailed depiction of the electrical connections and components in your vehicle. Ideally they should be used in conjunction with the parking lights (which in turn illuminates the tail lights). Simple terms mean that the switch / line have constant power so wiring up extra lights to work off the high beam in a.
from www.youtube.com
Simple terms mean that the switch / line have constant power so wiring up extra lights to work off the high beam in a. Ideally they should be used in conjunction with the parking lights (which in turn illuminates the tail lights). Ensure safe and efficient installation of your led driving lights. Mount additional high beam driving lights such as on a nudge bar, bull bar, front number plate. This video demonstrates the holden commodore's complete wiring diagrams and details of the wiring harness. Fog lights should be used independently from headlights. The ve commodore wiring diagram provides a detailed depiction of the electrical connections and components in your vehicle. It illustrates the wiring harnesses, connectors,. A ve commodore wiring diagram is a visual representation of the electrical connections and components in a ve commodore vehicle.
how to install a ebay light bar on vy commodore YouTube
Wiring Driving Lights Ve Commodore Ideally they should be used in conjunction with the parking lights (which in turn illuminates the tail lights). This video demonstrates the holden commodore's complete wiring diagrams and details of the wiring harness. A ve commodore wiring diagram is a visual representation of the electrical connections and components in a ve commodore vehicle. Mount additional high beam driving lights such as on a nudge bar, bull bar, front number plate. Simple terms mean that the switch / line have constant power so wiring up extra lights to work off the high beam in a. Fog lights should be used independently from headlights. It illustrates the wiring harnesses, connectors,. Ideally they should be used in conjunction with the parking lights (which in turn illuminates the tail lights). Ensure safe and efficient installation of your led driving lights. The ve commodore wiring diagram provides a detailed depiction of the electrical connections and components in your vehicle.
From forums.justcommodores.com.au
Headlight high beam wont work Just Commodores Wiring Driving Lights Ve Commodore It illustrates the wiring harnesses, connectors,. Ideally they should be used in conjunction with the parking lights (which in turn illuminates the tail lights). Simple terms mean that the switch / line have constant power so wiring up extra lights to work off the high beam in a. Ensure safe and efficient installation of your led driving lights. A ve. Wiring Driving Lights Ve Commodore.
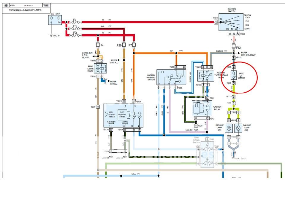
From wiringascensive.z13.web.core.windows.net
Ve Commodore Wiring Diagram Pdf Wiring Driving Lights Ve Commodore This video demonstrates the holden commodore's complete wiring diagrams and details of the wiring harness. Ideally they should be used in conjunction with the parking lights (which in turn illuminates the tail lights). Simple terms mean that the switch / line have constant power so wiring up extra lights to work off the high beam in a. Mount additional high. Wiring Driving Lights Ve Commodore.
From www.aliexpress.com
For HOLDEN COMMODORE Saloon H11 Wiring Harness Sockets Wire Connector Switch + 2 Fog Lights DRL Wiring Driving Lights Ve Commodore Ensure safe and efficient installation of your led driving lights. Simple terms mean that the switch / line have constant power so wiring up extra lights to work off the high beam in a. It illustrates the wiring harnesses, connectors,. Fog lights should be used independently from headlights. Mount additional high beam driving lights such as on a nudge bar,. Wiring Driving Lights Ve Commodore.
From forums.justcommodores.com.au
Ve headlight wiring URGENT Just Commodores Wiring Driving Lights Ve Commodore This video demonstrates the holden commodore's complete wiring diagrams and details of the wiring harness. Mount additional high beam driving lights such as on a nudge bar, bull bar, front number plate. The ve commodore wiring diagram provides a detailed depiction of the electrical connections and components in your vehicle. Ensure safe and efficient installation of your led driving lights.. Wiring Driving Lights Ve Commodore.
From elecschem.com
StepbyStep Guide Wiring Diagram for LED Driving Lights Wiring Driving Lights Ve Commodore The ve commodore wiring diagram provides a detailed depiction of the electrical connections and components in your vehicle. It illustrates the wiring harnesses, connectors,. Ideally they should be used in conjunction with the parking lights (which in turn illuminates the tail lights). A ve commodore wiring diagram is a visual representation of the electrical connections and components in a ve. Wiring Driving Lights Ve Commodore.
From forums.justcommodores.com.au
Rverse lamp problem. Just Commodores Wiring Driving Lights Ve Commodore Ensure safe and efficient installation of your led driving lights. Fog lights should be used independently from headlights. The ve commodore wiring diagram provides a detailed depiction of the electrical connections and components in your vehicle. This video demonstrates the holden commodore's complete wiring diagrams and details of the wiring harness. It illustrates the wiring harnesses, connectors,. Mount additional high. Wiring Driving Lights Ve Commodore.
From guidediagrambumfreezer.z21.web.core.windows.net
How To Wire Up Driving Lights Wiring Driving Lights Ve Commodore Fog lights should be used independently from headlights. Mount additional high beam driving lights such as on a nudge bar, bull bar, front number plate. Simple terms mean that the switch / line have constant power so wiring up extra lights to work off the high beam in a. Ideally they should be used in conjunction with the parking lights. Wiring Driving Lights Ve Commodore.
From savejews.blogspot.com
Vy Commodore Headlight Wiring Diagram Wiring Driving Lights Ve Commodore It illustrates the wiring harnesses, connectors,. A ve commodore wiring diagram is a visual representation of the electrical connections and components in a ve commodore vehicle. Ensure safe and efficient installation of your led driving lights. This video demonstrates the holden commodore's complete wiring diagrams and details of the wiring harness. Fog lights should be used independently from headlights. Mount. Wiring Driving Lights Ve Commodore.
From www.youtube.com
how to install a ebay light bar on vy commodore YouTube Wiring Driving Lights Ve Commodore It illustrates the wiring harnesses, connectors,. This video demonstrates the holden commodore's complete wiring diagrams and details of the wiring harness. Simple terms mean that the switch / line have constant power so wiring up extra lights to work off the high beam in a. A ve commodore wiring diagram is a visual representation of the electrical connections and components. Wiring Driving Lights Ve Commodore.
From forums.justcommodores.com.au
driving lights diagram Just Commodores Wiring Driving Lights Ve Commodore Ideally they should be used in conjunction with the parking lights (which in turn illuminates the tail lights). Mount additional high beam driving lights such as on a nudge bar, bull bar, front number plate. This video demonstrates the holden commodore's complete wiring diagrams and details of the wiring harness. A ve commodore wiring diagram is a visual representation of. Wiring Driving Lights Ve Commodore.
From www.kwautoparts.com.au
Fog Light Kit for Holden Commodore VE Ser.1 Omega Berlina with Wiring & Switch DLAA Wiring Driving Lights Ve Commodore A ve commodore wiring diagram is a visual representation of the electrical connections and components in a ve commodore vehicle. It illustrates the wiring harnesses, connectors,. Ideally they should be used in conjunction with the parking lights (which in turn illuminates the tail lights). Fog lights should be used independently from headlights. Mount additional high beam driving lights such as. Wiring Driving Lights Ve Commodore.
From www.flowschema.com
Wiring Diagram For Vs Commodore Wiring Flow Schema Wiring Driving Lights Ve Commodore The ve commodore wiring diagram provides a detailed depiction of the electrical connections and components in your vehicle. Simple terms mean that the switch / line have constant power so wiring up extra lights to work off the high beam in a. A ve commodore wiring diagram is a visual representation of the electrical connections and components in a ve. Wiring Driving Lights Ve Commodore.
From schematron.org
Vt Commodore Headlight Wiring Diagram Wiring Diagram Pictures Wiring Driving Lights Ve Commodore This video demonstrates the holden commodore's complete wiring diagrams and details of the wiring harness. The ve commodore wiring diagram provides a detailed depiction of the electrical connections and components in your vehicle. Mount additional high beam driving lights such as on a nudge bar, bull bar, front number plate. Ensure safe and efficient installation of your led driving lights.. Wiring Driving Lights Ve Commodore.
From support.stedi.com.au
Driving Light Smart Harness Installation Guide STEDI Wiring Driving Lights Ve Commodore Ideally they should be used in conjunction with the parking lights (which in turn illuminates the tail lights). It illustrates the wiring harnesses, connectors,. A ve commodore wiring diagram is a visual representation of the electrical connections and components in a ve commodore vehicle. Ensure safe and efficient installation of your led driving lights. Simple terms mean that the switch. Wiring Driving Lights Ve Commodore.
From forums.justcommodores.com.au
wiring foglights to highbeam Just Commodores Wiring Driving Lights Ve Commodore A ve commodore wiring diagram is a visual representation of the electrical connections and components in a ve commodore vehicle. Simple terms mean that the switch / line have constant power so wiring up extra lights to work off the high beam in a. Ensure safe and efficient installation of your led driving lights. Fog lights should be used independently. Wiring Driving Lights Ve Commodore.
From schematicdataswipes55.z4.web.core.windows.net
Ve Commodore Series 2 Drl Wiring Diagram Wiring Driving Lights Ve Commodore Mount additional high beam driving lights such as on a nudge bar, bull bar, front number plate. Ensure safe and efficient installation of your led driving lights. A ve commodore wiring diagram is a visual representation of the electrical connections and components in a ve commodore vehicle. Simple terms mean that the switch / line have constant power so wiring. Wiring Driving Lights Ve Commodore.
From faceitsalon.com
Vt Commodore Headlight Wiring Diagram Database Wiring Driving Lights Ve Commodore Mount additional high beam driving lights such as on a nudge bar, bull bar, front number plate. Ensure safe and efficient installation of your led driving lights. A ve commodore wiring diagram is a visual representation of the electrical connections and components in a ve commodore vehicle. Fog lights should be used independently from headlights. It illustrates the wiring harnesses,. Wiring Driving Lights Ve Commodore.
From schempal.com
How to Install and Wire Driving Lights with a Relay A StepbyStep Wiring Diagram Wiring Driving Lights Ve Commodore Fog lights should be used independently from headlights. It illustrates the wiring harnesses, connectors,. This video demonstrates the holden commodore's complete wiring diagrams and details of the wiring harness. Mount additional high beam driving lights such as on a nudge bar, bull bar, front number plate. Ensure safe and efficient installation of your led driving lights. A ve commodore wiring. Wiring Driving Lights Ve Commodore.
From wiringdiagramall.blogspot.com
Wiring Driving Lights To High Beam Diagram Wiring Driving Lights Ve Commodore Fog lights should be used independently from headlights. The ve commodore wiring diagram provides a detailed depiction of the electrical connections and components in your vehicle. Simple terms mean that the switch / line have constant power so wiring up extra lights to work off the high beam in a. Ideally they should be used in conjunction with the parking. Wiring Driving Lights Ve Commodore.
From sustainableried.blogspot.com
Ve Commodore Wiring Diagram Sustainableried Wiring Driving Lights Ve Commodore Ideally they should be used in conjunction with the parking lights (which in turn illuminates the tail lights). A ve commodore wiring diagram is a visual representation of the electrical connections and components in a ve commodore vehicle. Ensure safe and efficient installation of your led driving lights. It illustrates the wiring harnesses, connectors,. Fog lights should be used independently. Wiring Driving Lights Ve Commodore.
From www.creativeinstallations.com.au
Commodore 2018 Thunder 9 LED Driving Lights Creative Installations Wiring Driving Lights Ve Commodore The ve commodore wiring diagram provides a detailed depiction of the electrical connections and components in your vehicle. Ensure safe and efficient installation of your led driving lights. It illustrates the wiring harnesses, connectors,. A ve commodore wiring diagram is a visual representation of the electrical connections and components in a ve commodore vehicle. Fog lights should be used independently. Wiring Driving Lights Ve Commodore.
From schempal.com
How to Install and Wire Driving Lights with a Relay A StepbyStep Wiring Diagram Wiring Driving Lights Ve Commodore It illustrates the wiring harnesses, connectors,. A ve commodore wiring diagram is a visual representation of the electrical connections and components in a ve commodore vehicle. Fog lights should be used independently from headlights. Mount additional high beam driving lights such as on a nudge bar, bull bar, front number plate. This video demonstrates the holden commodore's complete wiring diagrams. Wiring Driving Lights Ve Commodore.
From forums.justcommodores.com.au
[General] HOW TO Wire up spot lights (VX, VY, VZ and possibly other models) Page 8 Just Wiring Driving Lights Ve Commodore A ve commodore wiring diagram is a visual representation of the electrical connections and components in a ve commodore vehicle. Ensure safe and efficient installation of your led driving lights. It illustrates the wiring harnesses, connectors,. Fog lights should be used independently from headlights. Mount additional high beam driving lights such as on a nudge bar, bull bar, front number. Wiring Driving Lights Ve Commodore.
From prsteyer.blogspot.com
Ve Commodore Wiring Diagram Wiring Driving Lights Ve Commodore A ve commodore wiring diagram is a visual representation of the electrical connections and components in a ve commodore vehicle. This video demonstrates the holden commodore's complete wiring diagrams and details of the wiring harness. Fog lights should be used independently from headlights. Ideally they should be used in conjunction with the parking lights (which in turn illuminates the tail. Wiring Driving Lights Ve Commodore.
From wiringdiagramall.blogspot.com
Wiring Diagram For Vy Ss Fog Lights Wiring Driving Lights Ve Commodore This video demonstrates the holden commodore's complete wiring diagrams and details of the wiring harness. Mount additional high beam driving lights such as on a nudge bar, bull bar, front number plate. It illustrates the wiring harnesses, connectors,. Ensure safe and efficient installation of your led driving lights. Simple terms mean that the switch / line have constant power so. Wiring Driving Lights Ve Commodore.
From www.kwautoparts.com.au
Fog Light Kit for Holden Commodore VE Ser.1 SSV SS SV6 SV8 (Use existing wiring) Wiring Driving Lights Ve Commodore This video demonstrates the holden commodore's complete wiring diagrams and details of the wiring harness. Ensure safe and efficient installation of your led driving lights. A ve commodore wiring diagram is a visual representation of the electrical connections and components in a ve commodore vehicle. Ideally they should be used in conjunction with the parking lights (which in turn illuminates. Wiring Driving Lights Ve Commodore.
From www.tankbig.com
Vt Commodore Wiring Diagram Wiring Driving Lights Ve Commodore The ve commodore wiring diagram provides a detailed depiction of the electrical connections and components in your vehicle. Ensure safe and efficient installation of your led driving lights. It illustrates the wiring harnesses, connectors,. This video demonstrates the holden commodore's complete wiring diagrams and details of the wiring harness. Ideally they should be used in conjunction with the parking lights. Wiring Driving Lights Ve Commodore.
From www.caretxdigital.com
Wiring In Driving Lights Diagram Wiring Diagram and Schematics Wiring Driving Lights Ve Commodore It illustrates the wiring harnesses, connectors,. Simple terms mean that the switch / line have constant power so wiring up extra lights to work off the high beam in a. A ve commodore wiring diagram is a visual representation of the electrical connections and components in a ve commodore vehicle. Mount additional high beam driving lights such as on a. Wiring Driving Lights Ve Commodore.
From wiringdiagram.2bitboer.com
Vt Commodore Headlight Switch Wiring Diagram Wiring Diagram Wiring Driving Lights Ve Commodore Mount additional high beam driving lights such as on a nudge bar, bull bar, front number plate. A ve commodore wiring diagram is a visual representation of the electrical connections and components in a ve commodore vehicle. It illustrates the wiring harnesses, connectors,. The ve commodore wiring diagram provides a detailed depiction of the electrical connections and components in your. Wiring Driving Lights Ve Commodore.
From www.tiger4x4.com.au
Spot / Driving / Fog Lights Lamps Kit for Holden Commodore Omega VE Series 1 Tiger 4X4 P/L Wiring Driving Lights Ve Commodore The ve commodore wiring diagram provides a detailed depiction of the electrical connections and components in your vehicle. This video demonstrates the holden commodore's complete wiring diagrams and details of the wiring harness. A ve commodore wiring diagram is a visual representation of the electrical connections and components in a ve commodore vehicle. Simple terms mean that the switch /. Wiring Driving Lights Ve Commodore.
From www.tiger4x4.com.au
Spot / Driving / Fog Lights Lamps Kit for Holden Commodore Omega VE Series 1 Tiger 4X4 P/L Wiring Driving Lights Ve Commodore Simple terms mean that the switch / line have constant power so wiring up extra lights to work off the high beam in a. Ensure safe and efficient installation of your led driving lights. Mount additional high beam driving lights such as on a nudge bar, bull bar, front number plate. Ideally they should be used in conjunction with the. Wiring Driving Lights Ve Commodore.
From forums.justcommodores.com.au
VE Foglight Wiring Just Commodores Wiring Driving Lights Ve Commodore Fog lights should be used independently from headlights. Ensure safe and efficient installation of your led driving lights. Ideally they should be used in conjunction with the parking lights (which in turn illuminates the tail lights). Simple terms mean that the switch / line have constant power so wiring up extra lights to work off the high beam in a.. Wiring Driving Lights Ve Commodore.
From www.wiringflowline.com
Wiring Diagram For Driving Lights With A Relay Wiring Flow Line Wiring Driving Lights Ve Commodore This video demonstrates the holden commodore's complete wiring diagrams and details of the wiring harness. Ensure safe and efficient installation of your led driving lights. Fog lights should be used independently from headlights. A ve commodore wiring diagram is a visual representation of the electrical connections and components in a ve commodore vehicle. Simple terms mean that the switch /. Wiring Driving Lights Ve Commodore.
From www.youtube.com
Where to find power wires in a Holden VE Commodore YouTube Wiring Driving Lights Ve Commodore It illustrates the wiring harnesses, connectors,. Ideally they should be used in conjunction with the parking lights (which in turn illuminates the tail lights). Fog lights should be used independently from headlights. The ve commodore wiring diagram provides a detailed depiction of the electrical connections and components in your vehicle. A ve commodore wiring diagram is a visual representation of. Wiring Driving Lights Ve Commodore.
From sustainableried.blogspot.com
Ve Commodore Wiring Diagram Sustainableried Wiring Driving Lights Ve Commodore Fog lights should be used independently from headlights. A ve commodore wiring diagram is a visual representation of the electrical connections and components in a ve commodore vehicle. This video demonstrates the holden commodore's complete wiring diagrams and details of the wiring harness. Ideally they should be used in conjunction with the parking lights (which in turn illuminates the tail. Wiring Driving Lights Ve Commodore.