What Is Current Transformer Method . A current transformer is a device that is used for the transformation of current from a higher value into a proportionate current to a lower value. A secondary result is that they also change current values. These transformers with low range ampere meters are used to measure the current in the high voltage circuits. It transforms the high voltage. A current transformer (ct) is defined as an instrument transformer where the secondary current is proportional to the primary current and ideally has zero phase difference. Current transformers (cts) primarily aim to change voltage values. A c.t “current transformer” is a type of instrument transformer designed to step down the current in the secondary for protection and measurement of proportional primary current. Image used courtesy of adobe stock. A current transformer is an instrument transformer, used along with measuring or protective devices, in which the.
from www.electroniclinic.com
A current transformer is an instrument transformer, used along with measuring or protective devices, in which the. These transformers with low range ampere meters are used to measure the current in the high voltage circuits. A current transformer is a device that is used for the transformation of current from a higher value into a proportionate current to a lower value. A c.t “current transformer” is a type of instrument transformer designed to step down the current in the secondary for protection and measurement of proportional primary current. A current transformer (ct) is defined as an instrument transformer where the secondary current is proportional to the primary current and ideally has zero phase difference. It transforms the high voltage. A secondary result is that they also change current values. Current transformers (cts) primarily aim to change voltage values. Image used courtesy of adobe stock.
POWER TRANSFORMER & its Types with Working Principle Explained
What Is Current Transformer Method These transformers with low range ampere meters are used to measure the current in the high voltage circuits. A secondary result is that they also change current values. These transformers with low range ampere meters are used to measure the current in the high voltage circuits. A c.t “current transformer” is a type of instrument transformer designed to step down the current in the secondary for protection and measurement of proportional primary current. A current transformer (ct) is defined as an instrument transformer where the secondary current is proportional to the primary current and ideally has zero phase difference. A current transformer is a device that is used for the transformation of current from a higher value into a proportionate current to a lower value. It transforms the high voltage. Current transformers (cts) primarily aim to change voltage values. Image used courtesy of adobe stock. A current transformer is an instrument transformer, used along with measuring or protective devices, in which the.
From schematicmanualhertz.z19.web.core.windows.net
Current Transformer Diagram What Is Current Transformer Method A secondary result is that they also change current values. A c.t “current transformer” is a type of instrument transformer designed to step down the current in the secondary for protection and measurement of proportional primary current. These transformers with low range ampere meters are used to measure the current in the high voltage circuits. A current transformer is a. What Is Current Transformer Method.
From www.linquip.com
Current Transformer Types and Applications Linquip What Is Current Transformer Method A current transformer is an instrument transformer, used along with measuring or protective devices, in which the. Image used courtesy of adobe stock. These transformers with low range ampere meters are used to measure the current in the high voltage circuits. A current transformer is a device that is used for the transformation of current from a higher value into. What Is Current Transformer Method.
From www.electroniclinic.com
POWER TRANSFORMER & its Types with Working Principle Explained What Is Current Transformer Method It transforms the high voltage. These transformers with low range ampere meters are used to measure the current in the high voltage circuits. A current transformer is an instrument transformer, used along with measuring or protective devices, in which the. Image used courtesy of adobe stock. Current transformers (cts) primarily aim to change voltage values. A secondary result is that. What Is Current Transformer Method.
From instrumentationtools.com
What is a Current Transformer? What Is Current Transformer Method A current transformer is a device that is used for the transformation of current from a higher value into a proportionate current to a lower value. Image used courtesy of adobe stock. A current transformer is an instrument transformer, used along with measuring or protective devices, in which the. A current transformer (ct) is defined as an instrument transformer where. What Is Current Transformer Method.
From control.com
Transformer Basics and Principles of Operation Basic Alternating What Is Current Transformer Method A current transformer (ct) is defined as an instrument transformer where the secondary current is proportional to the primary current and ideally has zero phase difference. These transformers with low range ampere meters are used to measure the current in the high voltage circuits. It transforms the high voltage. Current transformers (cts) primarily aim to change voltage values. A secondary. What Is Current Transformer Method.
From www.youtube.com
Current Transformer working Current Transformer Testing methods YouTube What Is Current Transformer Method A secondary result is that they also change current values. These transformers with low range ampere meters are used to measure the current in the high voltage circuits. A current transformer is an instrument transformer, used along with measuring or protective devices, in which the. Image used courtesy of adobe stock. Current transformers (cts) primarily aim to change voltage values.. What Is Current Transformer Method.
From electrical-engineering-portal.com
The Essentials Of Current Transformers In Power Circuits (Theory and What Is Current Transformer Method A secondary result is that they also change current values. A c.t “current transformer” is a type of instrument transformer designed to step down the current in the secondary for protection and measurement of proportional primary current. It transforms the high voltage. These transformers with low range ampere meters are used to measure the current in the high voltage circuits.. What Is Current Transformer Method.
From beemet.com
Ultimate Guide To Current Transformers What are Current Transformers What Is Current Transformer Method These transformers with low range ampere meters are used to measure the current in the high voltage circuits. A current transformer is a device that is used for the transformation of current from a higher value into a proportionate current to a lower value. A secondary result is that they also change current values. It transforms the high voltage. A. What Is Current Transformer Method.
From owlcation.com
Current Transformer Definition, Principle, Equivalent Circuit, Errors What Is Current Transformer Method Image used courtesy of adobe stock. These transformers with low range ampere meters are used to measure the current in the high voltage circuits. A current transformer is an instrument transformer, used along with measuring or protective devices, in which the. Current transformers (cts) primarily aim to change voltage values. It transforms the high voltage. A c.t “current transformer” is. What Is Current Transformer Method.
From www.janitza.com
Installation of current transformers What Is Current Transformer Method A current transformer is an instrument transformer, used along with measuring or protective devices, in which the. A c.t “current transformer” is a type of instrument transformer designed to step down the current in the secondary for protection and measurement of proportional primary current. A current transformer is a device that is used for the transformation of current from a. What Is Current Transformer Method.
From www.padeepz.net
Basic Equations and Applications of Single Phase Transformer What Is Current Transformer Method A current transformer is an instrument transformer, used along with measuring or protective devices, in which the. Current transformers (cts) primarily aim to change voltage values. A current transformer (ct) is defined as an instrument transformer where the secondary current is proportional to the primary current and ideally has zero phase difference. It transforms the high voltage. Image used courtesy. What Is Current Transformer Method.
From transformersmoviesmu.blogspot.com
How Transformers Work What Is Current Transformer Method A current transformer is an instrument transformer, used along with measuring or protective devices, in which the. A current transformer (ct) is defined as an instrument transformer where the secondary current is proportional to the primary current and ideally has zero phase difference. A secondary result is that they also change current values. Image used courtesy of adobe stock. A. What Is Current Transformer Method.
From www.electricalclassroom.com
Current transformers (CT) working, types and connection What Is Current Transformer Method It transforms the high voltage. A secondary result is that they also change current values. Current transformers (cts) primarily aim to change voltage values. A current transformer is an instrument transformer, used along with measuring or protective devices, in which the. A current transformer (ct) is defined as an instrument transformer where the secondary current is proportional to the primary. What Is Current Transformer Method.
From www.electricalterminology.com
Current Transformer Working Principle Understand the Concept What Is Current Transformer Method A current transformer (ct) is defined as an instrument transformer where the secondary current is proportional to the primary current and ideally has zero phase difference. A secondary result is that they also change current values. These transformers with low range ampere meters are used to measure the current in the high voltage circuits. A c.t “current transformer” is a. What Is Current Transformer Method.
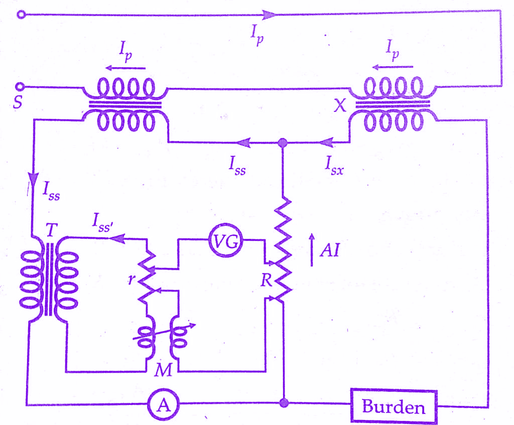
From www.electricalengineeringinfo.com
Testing of Current Transformers Silsbee's & Arnold's Method What Is Current Transformer Method Current transformers (cts) primarily aim to change voltage values. It transforms the high voltage. Image used courtesy of adobe stock. A current transformer (ct) is defined as an instrument transformer where the secondary current is proportional to the primary current and ideally has zero phase difference. A current transformer is an instrument transformer, used along with measuring or protective devices,. What Is Current Transformer Method.
From www.electricportal.info
What is Current TransformerWorking, Construction, Type What Is Current Transformer Method A current transformer (ct) is defined as an instrument transformer where the secondary current is proportional to the primary current and ideally has zero phase difference. Image used courtesy of adobe stock. A secondary result is that they also change current values. A current transformer is an instrument transformer, used along with measuring or protective devices, in which the. It. What Is Current Transformer Method.
From industrial-items.blogspot.com
GK, Current Affairs, Tutorials & Articles CURRENT TRANSFORMER What Is Current Transformer Method A current transformer is an instrument transformer, used along with measuring or protective devices, in which the. A current transformer is a device that is used for the transformation of current from a higher value into a proportionate current to a lower value. These transformers with low range ampere meters are used to measure the current in the high voltage. What Is Current Transformer Method.
From www.studyelectrical.com
Current Transformer (CT) Construction and Working Principle What Is Current Transformer Method A current transformer is a device that is used for the transformation of current from a higher value into a proportionate current to a lower value. It transforms the high voltage. A current transformer (ct) is defined as an instrument transformer where the secondary current is proportional to the primary current and ideally has zero phase difference. Current transformers (cts). What Is Current Transformer Method.
From www.studypool.com
SOLUTION Current transformer ppt Studypool What Is Current Transformer Method A c.t “current transformer” is a type of instrument transformer designed to step down the current in the secondary for protection and measurement of proportional primary current. A current transformer (ct) is defined as an instrument transformer where the secondary current is proportional to the primary current and ideally has zero phase difference. A current transformer is an instrument transformer,. What Is Current Transformer Method.
From laxmiassociates.in
Types Of Current Transformers Laxmi Associates What Is Current Transformer Method A secondary result is that they also change current values. A c.t “current transformer” is a type of instrument transformer designed to step down the current in the secondary for protection and measurement of proportional primary current. It transforms the high voltage. A current transformer (ct) is defined as an instrument transformer where the secondary current is proportional to the. What Is Current Transformer Method.
From electricalworkbook.com
What are Instrument Transformers? Definition, Types & Diagram What Is Current Transformer Method A c.t “current transformer” is a type of instrument transformer designed to step down the current in the secondary for protection and measurement of proportional primary current. A secondary result is that they also change current values. It transforms the high voltage. A current transformer (ct) is defined as an instrument transformer where the secondary current is proportional to the. What Is Current Transformer Method.
From control.com
Transformer Basics and Principles of Operation Basic Alternating What Is Current Transformer Method A current transformer (ct) is defined as an instrument transformer where the secondary current is proportional to the primary current and ideally has zero phase difference. Current transformers (cts) primarily aim to change voltage values. Image used courtesy of adobe stock. A current transformer is a device that is used for the transformation of current from a higher value into. What Is Current Transformer Method.
From imagetou.com
How To Install A Current Transformer Image to u What Is Current Transformer Method A current transformer (ct) is defined as an instrument transformer where the secondary current is proportional to the primary current and ideally has zero phase difference. A current transformer is a device that is used for the transformation of current from a higher value into a proportionate current to a lower value. Image used courtesy of adobe stock. These transformers. What Is Current Transformer Method.
From www.amprion.net
Transformer What Is Current Transformer Method A c.t “current transformer” is a type of instrument transformer designed to step down the current in the secondary for protection and measurement of proportional primary current. Image used courtesy of adobe stock. A current transformer is an instrument transformer, used along with measuring or protective devices, in which the. These transformers with low range ampere meters are used to. What Is Current Transformer Method.
From eee-resetsg.blogspot.com
Electrical and Electronics Engineering How a Transformer Works What Is Current Transformer Method A current transformer (ct) is defined as an instrument transformer where the secondary current is proportional to the primary current and ideally has zero phase difference. These transformers with low range ampere meters are used to measure the current in the high voltage circuits. A secondary result is that they also change current values. It transforms the high voltage. A. What Is Current Transformer Method.
From en.wikipedia.org
Current transformer Wikipedia What Is Current Transformer Method A current transformer (ct) is defined as an instrument transformer where the secondary current is proportional to the primary current and ideally has zero phase difference. A secondary result is that they also change current values. A c.t “current transformer” is a type of instrument transformer designed to step down the current in the secondary for protection and measurement of. What Is Current Transformer Method.
From howelectrical.com
What is a Current Transformer (CT)? Working Principle, Connection What Is Current Transformer Method A c.t “current transformer” is a type of instrument transformer designed to step down the current in the secondary for protection and measurement of proportional primary current. A current transformer is an instrument transformer, used along with measuring or protective devices, in which the. A current transformer is a device that is used for the transformation of current from a. What Is Current Transformer Method.
From atelier-yuwa.ciao.jp
Wound Type Current Transformer atelieryuwa.ciao.jp What Is Current Transformer Method A secondary result is that they also change current values. A current transformer is a device that is used for the transformation of current from a higher value into a proportionate current to a lower value. Current transformers (cts) primarily aim to change voltage values. A current transformer (ct) is defined as an instrument transformer where the secondary current is. What Is Current Transformer Method.
From www.gowanda.com
Current Transformer Theory Gowanda What Is Current Transformer Method Current transformers (cts) primarily aim to change voltage values. A current transformer is a device that is used for the transformation of current from a higher value into a proportionate current to a lower value. It transforms the high voltage. A secondary result is that they also change current values. These transformers with low range ampere meters are used to. What Is Current Transformer Method.
From mungfali.com
Basic Transformer Diagram What Is Current Transformer Method A c.t “current transformer” is a type of instrument transformer designed to step down the current in the secondary for protection and measurement of proportional primary current. A current transformer (ct) is defined as an instrument transformer where the secondary current is proportional to the primary current and ideally has zero phase difference. Image used courtesy of adobe stock. Current. What Is Current Transformer Method.
From electengmaterials.com
Current Transformers Types What Is Current Transformer Method These transformers with low range ampere meters are used to measure the current in the high voltage circuits. Current transformers (cts) primarily aim to change voltage values. A current transformer is an instrument transformer, used along with measuring or protective devices, in which the. It transforms the high voltage. A secondary result is that they also change current values. A. What Is Current Transformer Method.
From www.electricalengineeringinfo.com
Testing of Current Transformers Silsbee's & Arnold's Method What Is Current Transformer Method These transformers with low range ampere meters are used to measure the current in the high voltage circuits. Current transformers (cts) primarily aim to change voltage values. A c.t “current transformer” is a type of instrument transformer designed to step down the current in the secondary for protection and measurement of proportional primary current. Image used courtesy of adobe stock.. What Is Current Transformer Method.
From www.slideserve.com
PPT What is Current Transformer and Its Types PowerPoint Presentation What Is Current Transformer Method Current transformers (cts) primarily aim to change voltage values. It transforms the high voltage. Image used courtesy of adobe stock. A current transformer is an instrument transformer, used along with measuring or protective devices, in which the. These transformers with low range ampere meters are used to measure the current in the high voltage circuits. A current transformer (ct) is. What Is Current Transformer Method.
From www.allumiax.com
Current Transformers What Is Current Transformer Method A current transformer is an instrument transformer, used along with measuring or protective devices, in which the. Current transformers (cts) primarily aim to change voltage values. A secondary result is that they also change current values. A current transformer (ct) is defined as an instrument transformer where the secondary current is proportional to the primary current and ideally has zero. What Is Current Transformer Method.
From www.researchgate.net
Schematic structure of transformer Download Scientific Diagram What Is Current Transformer Method A c.t “current transformer” is a type of instrument transformer designed to step down the current in the secondary for protection and measurement of proportional primary current. A current transformer is an instrument transformer, used along with measuring or protective devices, in which the. Current transformers (cts) primarily aim to change voltage values. A current transformer is a device that. What Is Current Transformer Method.