Digital Esr Meter Circuit Diagram . The idea behind this esr is this: Using the well known formula u=i*r, we will pulse very shortly with a known current the cap or resistor, measuring the voltage on the. In this article we will build an esr meter and learn how to measure the esr of capacitor using 555 timer ic and transistors. In this post i have explained a simple esr meter circuit which can be used for identifying bad capacitors in an electronic. This resistance is measured in ohms, and by. An esr meter works by measuring the resistance of an unknown resistor in a circuit. An esr meter works by applying a small ac signal to the capacitor under test and measuring the voltage drop across the. This is a 5 transistor esr meter. The circuit should also work directly from 3 or 4 aa. The only ic that used is a 5v regulator. Guy fernando (m0oox) presents in this article, instructions to build an esr (equivalent series resistance) meter for testing the health of.
from www.nutsvolts.com
An esr meter works by measuring the resistance of an unknown resistor in a circuit. The idea behind this esr is this: An esr meter works by applying a small ac signal to the capacitor under test and measuring the voltage drop across the. Using the well known formula u=i*r, we will pulse very shortly with a known current the cap or resistor, measuring the voltage on the. The circuit should also work directly from 3 or 4 aa. Guy fernando (m0oox) presents in this article, instructions to build an esr (equivalent series resistance) meter for testing the health of. In this article we will build an esr meter and learn how to measure the esr of capacitor using 555 timer ic and transistors. The only ic that used is a 5v regulator. In this post i have explained a simple esr meter circuit which can be used for identifying bad capacitors in an electronic. This resistance is measured in ohms, and by.
Build an ESR Meter for Your Test Bench Nuts & Volts Magazine
Digital Esr Meter Circuit Diagram Using the well known formula u=i*r, we will pulse very shortly with a known current the cap or resistor, measuring the voltage on the. This is a 5 transistor esr meter. The idea behind this esr is this: An esr meter works by applying a small ac signal to the capacitor under test and measuring the voltage drop across the. In this post i have explained a simple esr meter circuit which can be used for identifying bad capacitors in an electronic. An esr meter works by measuring the resistance of an unknown resistor in a circuit. The circuit should also work directly from 3 or 4 aa. Using the well known formula u=i*r, we will pulse very shortly with a known current the cap or resistor, measuring the voltage on the. This resistance is measured in ohms, and by. The only ic that used is a 5v regulator. Guy fernando (m0oox) presents in this article, instructions to build an esr (equivalent series resistance) meter for testing the health of. In this article we will build an esr meter and learn how to measure the esr of capacitor using 555 timer ic and transistors.
From agenciademodelospontealta.blogspot.com
18 Beautiful Esr Meter Schematic Diagram Digital Esr Meter Circuit Diagram The idea behind this esr is this: Guy fernando (m0oox) presents in this article, instructions to build an esr (equivalent series resistance) meter for testing the health of. An esr meter works by applying a small ac signal to the capacitor under test and measuring the voltage drop across the. Using the well known formula u=i*r, we will pulse very. Digital Esr Meter Circuit Diagram.
From freecircuitdiagram.com
ESR (Equivalent Series Resistance Meter) Using 74HC14 Electronic Digital Esr Meter Circuit Diagram This is a 5 transistor esr meter. An esr meter works by measuring the resistance of an unknown resistor in a circuit. In this article we will build an esr meter and learn how to measure the esr of capacitor using 555 timer ic and transistors. The circuit should also work directly from 3 or 4 aa. Using the well. Digital Esr Meter Circuit Diagram.
From www.circuitdiagram.co
Simple Esr Meter Circuit Diagram Circuit Diagram Digital Esr Meter Circuit Diagram The circuit should also work directly from 3 or 4 aa. Using the well known formula u=i*r, we will pulse very shortly with a known current the cap or resistor, measuring the voltage on the. This is a 5 transistor esr meter. In this article we will build an esr meter and learn how to measure the esr of capacitor. Digital Esr Meter Circuit Diagram.
From en.elektronicastynus.be
ESRMeter ElektronicaStynus Digital Esr Meter Circuit Diagram The circuit should also work directly from 3 or 4 aa. In this article we will build an esr meter and learn how to measure the esr of capacitor using 555 timer ic and transistors. This resistance is measured in ohms, and by. In this post i have explained a simple esr meter circuit which can be used for identifying. Digital Esr Meter Circuit Diagram.
From teknikamania.blogspot.com
ESR Meter Digital Esr Meter Circuit Diagram In this post i have explained a simple esr meter circuit which can be used for identifying bad capacitors in an electronic. The only ic that used is a 5v regulator. Using the well known formula u=i*r, we will pulse very shortly with a known current the cap or resistor, measuring the voltage on the. The circuit should also work. Digital Esr Meter Circuit Diagram.
From usermanualupboiled.z21.web.core.windows.net
Esr Meter Schematic Digital Esr Meter Circuit Diagram An esr meter works by applying a small ac signal to the capacitor under test and measuring the voltage drop across the. An esr meter works by measuring the resistance of an unknown resistor in a circuit. In this post i have explained a simple esr meter circuit which can be used for identifying bad capacitors in an electronic. The. Digital Esr Meter Circuit Diagram.
From www.circuitdiagram.co
Digital Esr Meter Circuit Diagram Circuit Diagram Digital Esr Meter Circuit Diagram In this post i have explained a simple esr meter circuit which can be used for identifying bad capacitors in an electronic. An esr meter works by measuring the resistance of an unknown resistor in a circuit. This resistance is measured in ohms, and by. An esr meter works by applying a small ac signal to the capacitor under test. Digital Esr Meter Circuit Diagram.
From makingcircuits.com
How to Build a ESR Meter Circuit Digital Esr Meter Circuit Diagram The only ic that used is a 5v regulator. Guy fernando (m0oox) presents in this article, instructions to build an esr (equivalent series resistance) meter for testing the health of. Using the well known formula u=i*r, we will pulse very shortly with a known current the cap or resistor, measuring the voltage on the. An esr meter works by applying. Digital Esr Meter Circuit Diagram.
From jane-2109.blogspot.com
[View 18+] Schematic Diagram Esr Meter Digital Digital Esr Meter Circuit Diagram The idea behind this esr is this: Using the well known formula u=i*r, we will pulse very shortly with a known current the cap or resistor, measuring the voltage on the. The only ic that used is a 5v regulator. In this post i have explained a simple esr meter circuit which can be used for identifying bad capacitors in. Digital Esr Meter Circuit Diagram.
From www.mzentertainment.com
MZEElectroarts Entertainment Dr. ZEE Digital Esr Meter Circuit Diagram The only ic that used is a 5v regulator. This is a 5 transistor esr meter. In this post i have explained a simple esr meter circuit which can be used for identifying bad capacitors in an electronic. Guy fernando (m0oox) presents in this article, instructions to build an esr (equivalent series resistance) meter for testing the health of. An. Digital Esr Meter Circuit Diagram.
From circuitenginebeike.z19.web.core.windows.net
Diy Esr Meter Schematic Digital Esr Meter Circuit Diagram In this post i have explained a simple esr meter circuit which can be used for identifying bad capacitors in an electronic. An esr meter works by applying a small ac signal to the capacitor under test and measuring the voltage drop across the. The only ic that used is a 5v regulator. This is a 5 transistor esr meter.. Digital Esr Meter Circuit Diagram.
From jane-2109.blogspot.com
[View 18+] Schematic Diagram Esr Meter Digital Digital Esr Meter Circuit Diagram An esr meter works by applying a small ac signal to the capacitor under test and measuring the voltage drop across the. In this post i have explained a simple esr meter circuit which can be used for identifying bad capacitors in an electronic. Using the well known formula u=i*r, we will pulse very shortly with a known current the. Digital Esr Meter Circuit Diagram.
From jane-2109.blogspot.com
[View 18+] Schematic Diagram Esr Meter Digital Digital Esr Meter Circuit Diagram The circuit should also work directly from 3 or 4 aa. In this post i have explained a simple esr meter circuit which can be used for identifying bad capacitors in an electronic. In this article we will build an esr meter and learn how to measure the esr of capacitor using 555 timer ic and transistors. Guy fernando (m0oox). Digital Esr Meter Circuit Diagram.
From enginelibraryeisenhauer.z19.web.core.windows.net
Esr Meter Circuit Diagram Digital Esr Meter Circuit Diagram An esr meter works by measuring the resistance of an unknown resistor in a circuit. An esr meter works by applying a small ac signal to the capacitor under test and measuring the voltage drop across the. The idea behind this esr is this: The circuit should also work directly from 3 or 4 aa. Using the well known formula. Digital Esr Meter Circuit Diagram.
From www.pinterest.com
Pin on DIY electronic tools esr tester du1ec Digital Esr Meter Circuit Diagram An esr meter works by measuring the resistance of an unknown resistor in a circuit. In this article we will build an esr meter and learn how to measure the esr of capacitor using 555 timer ic and transistors. This resistance is measured in ohms, and by. The idea behind this esr is this: Guy fernando (m0oox) presents in this. Digital Esr Meter Circuit Diagram.
From www.electronics-diy.com
ESR Meter Digital Esr Meter Circuit Diagram The circuit should also work directly from 3 or 4 aa. An esr meter works by measuring the resistance of an unknown resistor in a circuit. Using the well known formula u=i*r, we will pulse very shortly with a known current the cap or resistor, measuring the voltage on the. In this post i have explained a simple esr meter. Digital Esr Meter Circuit Diagram.
From www.stylesgurus.com
Esr Meter Schematic Diagram Science and Education Digital Esr Meter Circuit Diagram The only ic that used is a 5v regulator. This resistance is measured in ohms, and by. In this article we will build an esr meter and learn how to measure the esr of capacitor using 555 timer ic and transistors. The circuit should also work directly from 3 or 4 aa. An esr meter works by applying a small. Digital Esr Meter Circuit Diagram.
From manchester-1323.blogspot.com
[Get 34+] Schematic Diagram Esr Meter Digital Digital Esr Meter Circuit Diagram This resistance is measured in ohms, and by. Guy fernando (m0oox) presents in this article, instructions to build an esr (equivalent series resistance) meter for testing the health of. An esr meter works by measuring the resistance of an unknown resistor in a circuit. The idea behind this esr is this: In this post i have explained a simple esr. Digital Esr Meter Circuit Diagram.
From www.eevblog.com
Digital ESR meter design Page 1 Digital Esr Meter Circuit Diagram The only ic that used is a 5v regulator. The circuit should also work directly from 3 or 4 aa. This is a 5 transistor esr meter. The idea behind this esr is this: Guy fernando (m0oox) presents in this article, instructions to build an esr (equivalent series resistance) meter for testing the health of. In this article we will. Digital Esr Meter Circuit Diagram.
From electronics-diy.com
ESR Meter / Low Resistance Meter Digital Esr Meter Circuit Diagram In this post i have explained a simple esr meter circuit which can be used for identifying bad capacitors in an electronic. In this article we will build an esr meter and learn how to measure the esr of capacitor using 555 timer ic and transistors. Using the well known formula u=i*r, we will pulse very shortly with a known. Digital Esr Meter Circuit Diagram.
From jane-2109.blogspot.com
[View 18+] Schematic Diagram Esr Meter Digital Digital Esr Meter Circuit Diagram The idea behind this esr is this: In this article we will build an esr meter and learn how to measure the esr of capacitor using 555 timer ic and transistors. In this post i have explained a simple esr meter circuit which can be used for identifying bad capacitors in an electronic. The circuit should also work directly from. Digital Esr Meter Circuit Diagram.
From www.homemade-circuits.com
Simple ESR Meter Circuit Homemade Circuit Projects Digital Esr Meter Circuit Diagram The circuit should also work directly from 3 or 4 aa. In this article we will build an esr meter and learn how to measure the esr of capacitor using 555 timer ic and transistors. The idea behind this esr is this: An esr meter works by applying a small ac signal to the capacitor under test and measuring the. Digital Esr Meter Circuit Diagram.
From www.circuitdiagram.co
esr meter schematic diagram Circuit Diagram Digital Esr Meter Circuit Diagram This resistance is measured in ohms, and by. Guy fernando (m0oox) presents in this article, instructions to build an esr (equivalent series resistance) meter for testing the health of. In this post i have explained a simple esr meter circuit which can be used for identifying bad capacitors in an electronic. The idea behind this esr is this: An esr. Digital Esr Meter Circuit Diagram.
From wiringdiagrampup.z13.web.core.windows.net
Diy Esr Meter Schematic Digital Esr Meter Circuit Diagram Using the well known formula u=i*r, we will pulse very shortly with a known current the cap or resistor, measuring the voltage on the. This resistance is measured in ohms, and by. In this post i have explained a simple esr meter circuit which can be used for identifying bad capacitors in an electronic. An esr meter works by measuring. Digital Esr Meter Circuit Diagram.
From www.schripsema.org
ESR meter Digital Esr Meter Circuit Diagram Guy fernando (m0oox) presents in this article, instructions to build an esr (equivalent series resistance) meter for testing the health of. An esr meter works by applying a small ac signal to the capacitor under test and measuring the voltage drop across the. This is a 5 transistor esr meter. The only ic that used is a 5v regulator. An. Digital Esr Meter Circuit Diagram.
From www.circuitdiagram.co
Esr Tester Schematic Diagram Circuit Diagram Digital Esr Meter Circuit Diagram In this article we will build an esr meter and learn how to measure the esr of capacitor using 555 timer ic and transistors. This resistance is measured in ohms, and by. The circuit should also work directly from 3 or 4 aa. In this post i have explained a simple esr meter circuit which can be used for identifying. Digital Esr Meter Circuit Diagram.
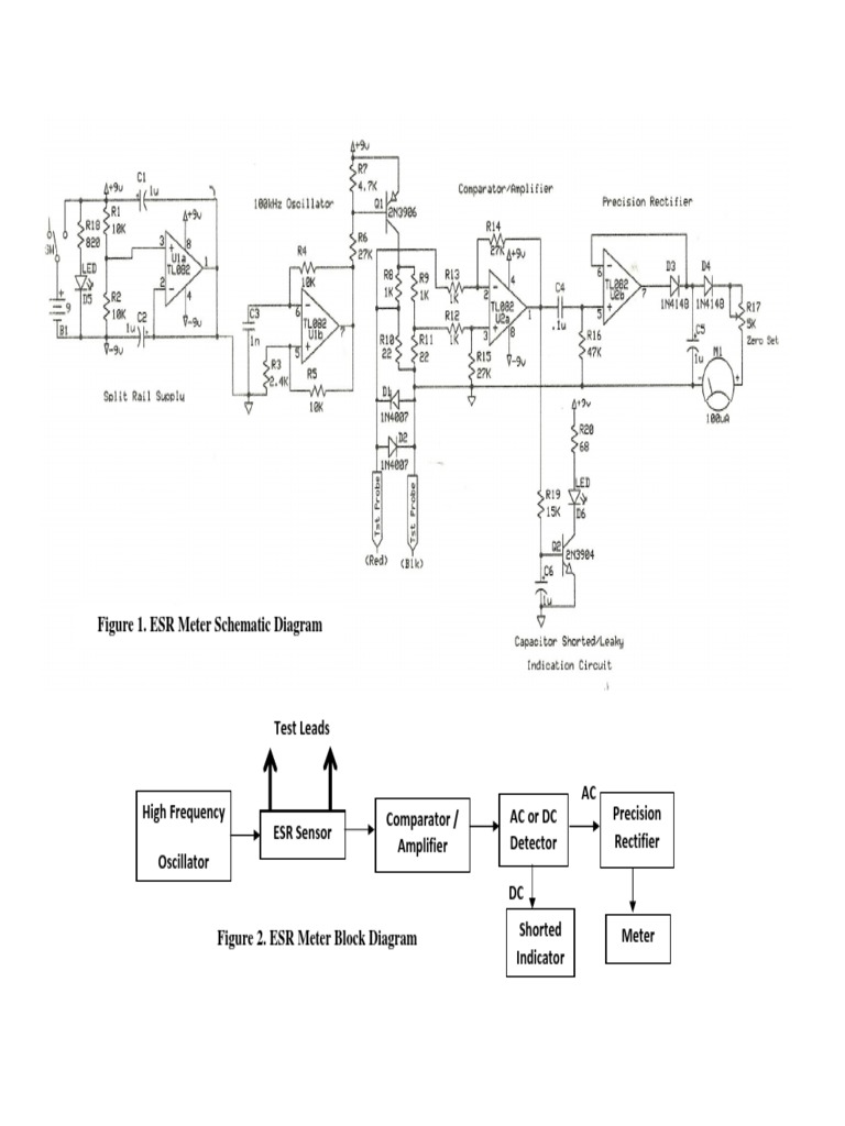
From www.scribd.com
Figure 1. ESR Meter Schematic Diagram PDF Digital Esr Meter Circuit Diagram Guy fernando (m0oox) presents in this article, instructions to build an esr (equivalent series resistance) meter for testing the health of. Using the well known formula u=i*r, we will pulse very shortly with a known current the cap or resistor, measuring the voltage on the. The circuit should also work directly from 3 or 4 aa. In this article we. Digital Esr Meter Circuit Diagram.
From oshwlab.com
Blue ESR Meter OSHWLab Digital Esr Meter Circuit Diagram Guy fernando (m0oox) presents in this article, instructions to build an esr (equivalent series resistance) meter for testing the health of. The idea behind this esr is this: The only ic that used is a 5v regulator. Using the well known formula u=i*r, we will pulse very shortly with a known current the cap or resistor, measuring the voltage on. Digital Esr Meter Circuit Diagram.
From jane-2109.blogspot.com
[View 18+] Schematic Diagram Esr Meter Digital Digital Esr Meter Circuit Diagram Guy fernando (m0oox) presents in this article, instructions to build an esr (equivalent series resistance) meter for testing the health of. Using the well known formula u=i*r, we will pulse very shortly with a known current the cap or resistor, measuring the voltage on the. The circuit should also work directly from 3 or 4 aa. In this article we. Digital Esr Meter Circuit Diagram.
From www.stylesgurus.com
Esr Meter Schematic Diagram Science and Education Digital Esr Meter Circuit Diagram This is a 5 transistor esr meter. In this post i have explained a simple esr meter circuit which can be used for identifying bad capacitors in an electronic. The only ic that used is a 5v regulator. Using the well known formula u=i*r, we will pulse very shortly with a known current the cap or resistor, measuring the voltage. Digital Esr Meter Circuit Diagram.
From www.nutsvolts.com
Build an ESR Meter for Your Test Bench Nuts & Volts Magazine Digital Esr Meter Circuit Diagram The circuit should also work directly from 3 or 4 aa. Using the well known formula u=i*r, we will pulse very shortly with a known current the cap or resistor, measuring the voltage on the. The idea behind this esr is this: Guy fernando (m0oox) presents in this article, instructions to build an esr (equivalent series resistance) meter for testing. Digital Esr Meter Circuit Diagram.
From schem849.blogspot.com
[View 31+] Schematic Diagram Esr Meter Digital Digital Esr Meter Circuit Diagram Guy fernando (m0oox) presents in this article, instructions to build an esr (equivalent series resistance) meter for testing the health of. The circuit should also work directly from 3 or 4 aa. The idea behind this esr is this: This is a 5 transistor esr meter. This resistance is measured in ohms, and by. In this post i have explained. Digital Esr Meter Circuit Diagram.
From jane-2109.blogspot.com
[View 18+] Schematic Diagram Esr Meter Digital Digital Esr Meter Circuit Diagram This resistance is measured in ohms, and by. Using the well known formula u=i*r, we will pulse very shortly with a known current the cap or resistor, measuring the voltage on the. This is a 5 transistor esr meter. The circuit should also work directly from 3 or 4 aa. Guy fernando (m0oox) presents in this article, instructions to build. Digital Esr Meter Circuit Diagram.
From www.electronics-diy.com
ESR Meter Digital Esr Meter Circuit Diagram The idea behind this esr is this: Guy fernando (m0oox) presents in this article, instructions to build an esr (equivalent series resistance) meter for testing the health of. In this article we will build an esr meter and learn how to measure the esr of capacitor using 555 timer ic and transistors. An esr meter works by applying a small. Digital Esr Meter Circuit Diagram.
From jane-2109.blogspot.com
[View 18+] Schematic Diagram Esr Meter Digital Digital Esr Meter Circuit Diagram The only ic that used is a 5v regulator. An esr meter works by applying a small ac signal to the capacitor under test and measuring the voltage drop across the. Using the well known formula u=i*r, we will pulse very shortly with a known current the cap or resistor, measuring the voltage on the. The circuit should also work. Digital Esr Meter Circuit Diagram.