Servo Brake System Diagram . the vacuum booster is a metal canister that contains a clever valve and a diaphragm. These diagrams provide a visual representation of how the. Brake servo (or booster) these act with the master cylinder to increase the force applied by the brake pedal via either vacuum from the engine (or from a vacuum pump on diesels) or via a hydraulic pump. The brake servo, also known as the brake booster, plays a pivotal role in reducing the physical effort needed to apply the vehicle's brakes. A rod going through the center of the canister connects to. Brake servos reduce the force required to apply the brakes, rendering a vehicle’s braking system more responsive and efficient. Thanks to this part, drivers are able to stop their vehicles easily and in a controlled manner, even in emergencies. The brake pedal pushes a rod that in turn pushes the master. Brake system parts diagrams are essential tools for understanding the complex mechanisms that make up a vehicle’s braking system.
from www.carparts.com
The brake pedal pushes a rod that in turn pushes the master. Brake servo (or booster) these act with the master cylinder to increase the force applied by the brake pedal via either vacuum from the engine (or from a vacuum pump on diesels) or via a hydraulic pump. The brake servo, also known as the brake booster, plays a pivotal role in reducing the physical effort needed to apply the vehicle's brakes. A rod going through the center of the canister connects to. These diagrams provide a visual representation of how the. Brake system parts diagrams are essential tools for understanding the complex mechanisms that make up a vehicle’s braking system. Brake servos reduce the force required to apply the brakes, rendering a vehicle’s braking system more responsive and efficient. Thanks to this part, drivers are able to stop their vehicles easily and in a controlled manner, even in emergencies. the vacuum booster is a metal canister that contains a clever valve and a diaphragm.
Good Brakes vs. Bad Brakes In The Garage with
Servo Brake System Diagram Brake servo (or booster) these act with the master cylinder to increase the force applied by the brake pedal via either vacuum from the engine (or from a vacuum pump on diesels) or via a hydraulic pump. The brake pedal pushes a rod that in turn pushes the master. the vacuum booster is a metal canister that contains a clever valve and a diaphragm. These diagrams provide a visual representation of how the. Brake servos reduce the force required to apply the brakes, rendering a vehicle’s braking system more responsive and efficient. Brake system parts diagrams are essential tools for understanding the complex mechanisms that make up a vehicle’s braking system. Brake servo (or booster) these act with the master cylinder to increase the force applied by the brake pedal via either vacuum from the engine (or from a vacuum pump on diesels) or via a hydraulic pump. A rod going through the center of the canister connects to. Thanks to this part, drivers are able to stop their vehicles easily and in a controlled manner, even in emergencies. The brake servo, also known as the brake booster, plays a pivotal role in reducing the physical effort needed to apply the vehicle's brakes.
From www.howacarworks.com
Replacing a master cylinder and servo unit How a Car Works Servo Brake System Diagram A rod going through the center of the canister connects to. The brake servo, also known as the brake booster, plays a pivotal role in reducing the physical effort needed to apply the vehicle's brakes. Brake system parts diagrams are essential tools for understanding the complex mechanisms that make up a vehicle’s braking system. The brake pedal pushes a rod. Servo Brake System Diagram.
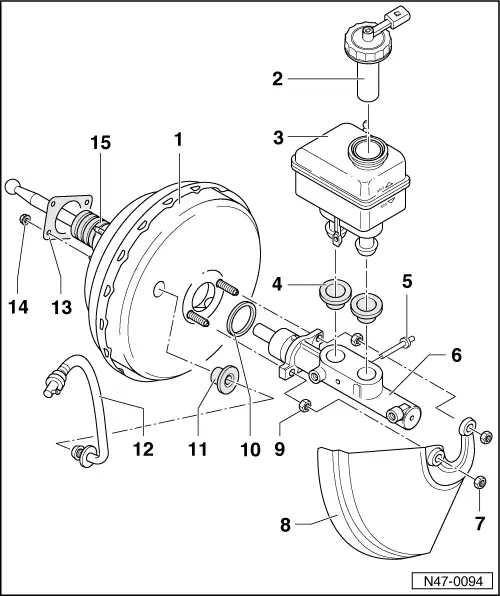
From vwts.ru
VW ID.4 Electromechanical Brake Servo (eBKV) Volkswagen Technical Site Servo Brake System Diagram Thanks to this part, drivers are able to stop their vehicles easily and in a controlled manner, even in emergencies. The brake servo, also known as the brake booster, plays a pivotal role in reducing the physical effort needed to apply the vehicle's brakes. Brake servos reduce the force required to apply the brakes, rendering a vehicle’s braking system more. Servo Brake System Diagram.
From workshop-manuals.com
Volkswagen Service and Repair Manuals > Golf Mk4 > Brake systems Brakes, hydraulics Servo Brake System Diagram Brake system parts diagrams are essential tools for understanding the complex mechanisms that make up a vehicle’s braking system. Brake servo (or booster) these act with the master cylinder to increase the force applied by the brake pedal via either vacuum from the engine (or from a vacuum pump on diesels) or via a hydraulic pump. the vacuum booster. Servo Brake System Diagram.
From www.mgb-stuff.org.uk
Remote Brake Servo Servo Brake System Diagram Brake servos reduce the force required to apply the brakes, rendering a vehicle’s braking system more responsive and efficient. These diagrams provide a visual representation of how the. Thanks to this part, drivers are able to stop their vehicles easily and in a controlled manner, even in emergencies. the vacuum booster is a metal canister that contains a clever. Servo Brake System Diagram.
From www.autozone.com
Repair Guides Drum Brakes Brake Shoes Servo Brake System Diagram the vacuum booster is a metal canister that contains a clever valve and a diaphragm. Brake servo (or booster) these act with the master cylinder to increase the force applied by the brake pedal via either vacuum from the engine (or from a vacuum pump on diesels) or via a hydraulic pump. These diagrams provide a visual representation of. Servo Brake System Diagram.
From automotivesafetybrakingsystem.blogspot.com
BRAKING SYSTEM FUNDAMENTAL OF BRAKING SYSTEM Servo Brake System Diagram Thanks to this part, drivers are able to stop their vehicles easily and in a controlled manner, even in emergencies. Brake servos reduce the force required to apply the brakes, rendering a vehicle’s braking system more responsive and efficient. Brake servo (or booster) these act with the master cylinder to increase the force applied by the brake pedal via either. Servo Brake System Diagram.
From www.mgb-stuff.org.uk
Remote Brake Servo Servo Brake System Diagram the vacuum booster is a metal canister that contains a clever valve and a diaphragm. Thanks to this part, drivers are able to stop their vehicles easily and in a controlled manner, even in emergencies. A rod going through the center of the canister connects to. These diagrams provide a visual representation of how the. Brake system parts diagrams. Servo Brake System Diagram.
From www.carparts.com
Good Brakes vs. Bad Brakes In The Garage with Servo Brake System Diagram the vacuum booster is a metal canister that contains a clever valve and a diaphragm. The brake servo, also known as the brake booster, plays a pivotal role in reducing the physical effort needed to apply the vehicle's brakes. These diagrams provide a visual representation of how the. Brake system parts diagrams are essential tools for understanding the complex. Servo Brake System Diagram.
From www.scuderiacarparts.com
Servo Brake System parts for Ferrari F12 TDF Scuderia Car Parts Servo Brake System Diagram The brake servo, also known as the brake booster, plays a pivotal role in reducing the physical effort needed to apply the vehicle's brakes. the vacuum booster is a metal canister that contains a clever valve and a diaphragm. Brake servo (or booster) these act with the master cylinder to increase the force applied by the brake pedal via. Servo Brake System Diagram.
From www.gtopartsshop.com
Servo Brake System Classic Ferrari Parts Schematics Servo Brake System Diagram Brake system parts diagrams are essential tools for understanding the complex mechanisms that make up a vehicle’s braking system. A rod going through the center of the canister connects to. The brake pedal pushes a rod that in turn pushes the master. Thanks to this part, drivers are able to stop their vehicles easily and in a controlled manner, even. Servo Brake System Diagram.
From autotech111.blogspot.com
utotech November 2011 Servo Brake System Diagram Brake servo (or booster) these act with the master cylinder to increase the force applied by the brake pedal via either vacuum from the engine (or from a vacuum pump on diesels) or via a hydraulic pump. These diagrams provide a visual representation of how the. Brake servos reduce the force required to apply the brakes, rendering a vehicle’s braking. Servo Brake System Diagram.
From flavored.ph
Brake Servos Land Rover Series 2 & 3 Brake Servo STC1816 Brakes & Brake Parts Servo Brake System Diagram Brake servo (or booster) these act with the master cylinder to increase the force applied by the brake pedal via either vacuum from the engine (or from a vacuum pump on diesels) or via a hydraulic pump. The brake pedal pushes a rod that in turn pushes the master. Brake system parts diagrams are essential tools for understanding the complex. Servo Brake System Diagram.
From exyfyasvv.blob.core.windows.net
How Does A Servo Brake System Work at Karen Nasser blog Servo Brake System Diagram These diagrams provide a visual representation of how the. The brake pedal pushes a rod that in turn pushes the master. the vacuum booster is a metal canister that contains a clever valve and a diaphragm. A rod going through the center of the canister connects to. Thanks to this part, drivers are able to stop their vehicles easily. Servo Brake System Diagram.
From www.eurospares.co.uk
812 Superfast (Europe) SERVO BRAKE SYSTEM Diagram (0025) Servo Brake System Diagram The brake servo, also known as the brake booster, plays a pivotal role in reducing the physical effort needed to apply the vehicle's brakes. the vacuum booster is a metal canister that contains a clever valve and a diaphragm. Brake system parts diagrams are essential tools for understanding the complex mechanisms that make up a vehicle’s braking system. The. Servo Brake System Diagram.
From circuitwiringgear.z21.web.core.windows.net
Brake Servo Diagram Servo Brake System Diagram Brake system parts diagrams are essential tools for understanding the complex mechanisms that make up a vehicle’s braking system. Thanks to this part, drivers are able to stop their vehicles easily and in a controlled manner, even in emergencies. Brake servo (or booster) these act with the master cylinder to increase the force applied by the brake pedal via either. Servo Brake System Diagram.
From www.slideserve.com
PPT CHAPTER 10 Drum Brakes PowerPoint Presentation, free download ID9203660 Servo Brake System Diagram These diagrams provide a visual representation of how the. The brake pedal pushes a rod that in turn pushes the master. Brake servos reduce the force required to apply the brakes, rendering a vehicle’s braking system more responsive and efficient. Thanks to this part, drivers are able to stop their vehicles easily and in a controlled manner, even in emergencies.. Servo Brake System Diagram.
From workshop-manuals.com
Audi Manuals > A4 Mk3 > Brake system > Brakes, hydraulics, regulator, servo > Brake Servo Brake System Diagram the vacuum booster is a metal canister that contains a clever valve and a diaphragm. Brake servos reduce the force required to apply the brakes, rendering a vehicle’s braking system more responsive and efficient. The brake pedal pushes a rod that in turn pushes the master. These diagrams provide a visual representation of how the. The brake servo, also. Servo Brake System Diagram.
From www.s-v-c.co.uk
DUALSERVO Dual Circuit Remote Servo Servos Brake System Components Store Stafford Servo Brake System Diagram These diagrams provide a visual representation of how the. Thanks to this part, drivers are able to stop their vehicles easily and in a controlled manner, even in emergencies. Brake system parts diagrams are essential tools for understanding the complex mechanisms that make up a vehicle’s braking system. The brake servo, also known as the brake booster, plays a pivotal. Servo Brake System Diagram.
From circuitwiringgear.z21.web.core.windows.net
Brake Servo Diagram Servo Brake System Diagram the vacuum booster is a metal canister that contains a clever valve and a diaphragm. The brake pedal pushes a rod that in turn pushes the master. Brake servo (or booster) these act with the master cylinder to increase the force applied by the brake pedal via either vacuum from the engine (or from a vacuum pump on diesels). Servo Brake System Diagram.
From www.vividracing.com
Guide To Brakes and Braking Systems Vivid Racing News Servo Brake System Diagram Brake servos reduce the force required to apply the brakes, rendering a vehicle’s braking system more responsive and efficient. Brake system parts diagrams are essential tools for understanding the complex mechanisms that make up a vehicle’s braking system. The brake pedal pushes a rod that in turn pushes the master. These diagrams provide a visual representation of how the. Thanks. Servo Brake System Diagram.
From www.slideserve.com
PPT Drum Brakes PowerPoint Presentation, free download ID2916646 Servo Brake System Diagram The brake pedal pushes a rod that in turn pushes the master. The brake servo, also known as the brake booster, plays a pivotal role in reducing the physical effort needed to apply the vehicle's brakes. Brake servo (or booster) these act with the master cylinder to increase the force applied by the brake pedal via either vacuum from the. Servo Brake System Diagram.
From www.iam-bristol.org.uk
Brake Servo Unit Servo Brake System Diagram A rod going through the center of the canister connects to. The brake pedal pushes a rod that in turn pushes the master. Brake servo (or booster) these act with the master cylinder to increase the force applied by the brake pedal via either vacuum from the engine (or from a vacuum pump on diesels) or via a hydraulic pump.. Servo Brake System Diagram.
From 777parts.net
BRAKE SYSTEM, SERVO CONSTRUCTION JCB 9304WD RTFL PARTS CATALOGUE, 9812/9000 BRAKES BRAKES Servo Brake System Diagram Brake servo (or booster) these act with the master cylinder to increase the force applied by the brake pedal via either vacuum from the engine (or from a vacuum pump on diesels) or via a hydraulic pump. These diagrams provide a visual representation of how the. Brake servos reduce the force required to apply the brakes, rendering a vehicle’s braking. Servo Brake System Diagram.
From www.lrworkshop.com
Brake Master Cylinder and Servo Unit Dual Line System Find Land Rover parts at LR Servo Brake System Diagram Thanks to this part, drivers are able to stop their vehicles easily and in a controlled manner, even in emergencies. The brake pedal pushes a rod that in turn pushes the master. Brake servos reduce the force required to apply the brakes, rendering a vehicle’s braking system more responsive and efficient. A rod going through the center of the canister. Servo Brake System Diagram.
From acurazine.com
"Electro Servo Brakes" a harbinger for a Sport Hybrid variant? AcuraZine Acura Enthusiast Servo Brake System Diagram Brake system parts diagrams are essential tools for understanding the complex mechanisms that make up a vehicle’s braking system. Thanks to this part, drivers are able to stop their vehicles easily and in a controlled manner, even in emergencies. Brake servos reduce the force required to apply the brakes, rendering a vehicle’s braking system more responsive and efficient. These diagrams. Servo Brake System Diagram.
From workshop-manuals.com
Audi Service and Repair Manuals > A3 Mk1 > Brake system Brakes, hydraulics, regulator Servo Brake System Diagram Brake system parts diagrams are essential tools for understanding the complex mechanisms that make up a vehicle’s braking system. the vacuum booster is a metal canister that contains a clever valve and a diaphragm. These diagrams provide a visual representation of how the. The brake pedal pushes a rod that in turn pushes the master. Brake servo (or booster). Servo Brake System Diagram.
From 777parts.net
PIPEWORK, SERVO BRAKE SYSTEM CONSTRUCTION JCB 3CX4TT MILITARY REGULAR BACKHOE LOADER (TOW Servo Brake System Diagram These diagrams provide a visual representation of how the. the vacuum booster is a metal canister that contains a clever valve and a diaphragm. The brake pedal pushes a rod that in turn pushes the master. Brake servos reduce the force required to apply the brakes, rendering a vehicle’s braking system more responsive and efficient. A rod going through. Servo Brake System Diagram.
From www.scuderiacarparts.com
Servo Brake System parts for Ferrari GTC4Lusso Scuderia Car Parts Servo Brake System Diagram The brake servo, also known as the brake booster, plays a pivotal role in reducing the physical effort needed to apply the vehicle's brakes. Thanks to this part, drivers are able to stop their vehicles easily and in a controlled manner, even in emergencies. A rod going through the center of the canister connects to. Brake servo (or booster) these. Servo Brake System Diagram.
From www.scuderiacarparts.com
Servo Brake System parts for Ferrari GTC4Lusso T Scuderia Car Parts Servo Brake System Diagram The brake servo, also known as the brake booster, plays a pivotal role in reducing the physical effort needed to apply the vehicle's brakes. These diagrams provide a visual representation of how the. Brake servo (or booster) these act with the master cylinder to increase the force applied by the brake pedal via either vacuum from the engine (or from. Servo Brake System Diagram.
From www.s-v-c.co.uk
DUALSERVO Dual Circuit Remote Servo Servos Brake System Components Store Stafford Servo Brake System Diagram Brake servo (or booster) these act with the master cylinder to increase the force applied by the brake pedal via either vacuum from the engine (or from a vacuum pump on diesels) or via a hydraulic pump. Thanks to this part, drivers are able to stop their vehicles easily and in a controlled manner, even in emergencies. A rod going. Servo Brake System Diagram.
From lessonmagicassoluta.z13.web.core.windows.net
Car Brake System Diagram Servo Brake System Diagram the vacuum booster is a metal canister that contains a clever valve and a diaphragm. These diagrams provide a visual representation of how the. Brake servo (or booster) these act with the master cylinder to increase the force applied by the brake pedal via either vacuum from the engine (or from a vacuum pump on diesels) or via a. Servo Brake System Diagram.
From www.scuderiacarparts.com
Servo Brake System parts for Ferrari California T Scuderia Car Parts Servo Brake System Diagram the vacuum booster is a metal canister that contains a clever valve and a diaphragm. Brake servos reduce the force required to apply the brakes, rendering a vehicle’s braking system more responsive and efficient. The brake pedal pushes a rod that in turn pushes the master. Brake system parts diagrams are essential tools for understanding the complex mechanisms that. Servo Brake System Diagram.
From autotechnician.co.uk
Brake servo fault finding guide autotechnician servicing the independent Servo Brake System Diagram the vacuum booster is a metal canister that contains a clever valve and a diaphragm. Brake servos reduce the force required to apply the brakes, rendering a vehicle’s braking system more responsive and efficient. The brake pedal pushes a rod that in turn pushes the master. Brake servo (or booster) these act with the master cylinder to increase the. Servo Brake System Diagram.
From workshop-manuals.com
Audi Service and Repair Manuals > A4 Mk1 > Brake system Brakes, hydraulics, regulator Servo Brake System Diagram The brake servo, also known as the brake booster, plays a pivotal role in reducing the physical effort needed to apply the vehicle's brakes. Brake servo (or booster) these act with the master cylinder to increase the force applied by the brake pedal via either vacuum from the engine (or from a vacuum pump on diesels) or via a hydraulic. Servo Brake System Diagram.
From www.pearltrees.com
Brake servo Pearltrees Servo Brake System Diagram These diagrams provide a visual representation of how the. Brake servos reduce the force required to apply the brakes, rendering a vehicle’s braking system more responsive and efficient. Brake servo (or booster) these act with the master cylinder to increase the force applied by the brake pedal via either vacuum from the engine (or from a vacuum pump on diesels). Servo Brake System Diagram.