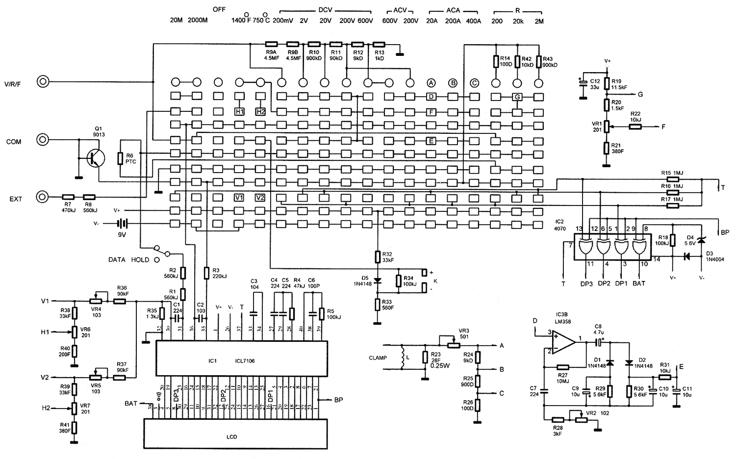
Multimeter Dt9208A Schematics . The diagram includes inputs for dc voltage, ac voltage, resistance, continuity, diode testing, and more. It can also be used to measure frequency and capacitance values. Digital multimeter dt9208a schematic diagram. It boasts a large lcd display with a backlight, making it easy to read even in dimly lit areas. The dt9208a schematic diagram is a complex network of components that allow the user to measure a variety of electrical values. In this article, we will take a closer look at the schematic diagram of the dt9208a digital multimeter and explore its various. The dt9208a is a digital multimeter (dmm) that measures voltage,. The dt9208a is a digital multimeter (dmm) that measures ac and dc voltage, current, resistance, capacitance, and temperature. Download multimeter dt9208 sch service manual & repair info for electronics experts This multimeter offers a range of features that make it ideal for a variety of applications. The schematic is the graphical representation of the multimeter's circuitry, which allows you to identify the electrical components within it.
from www.wiringdigital.com
The dt9208a schematic diagram is a complex network of components that allow the user to measure a variety of electrical values. The diagram includes inputs for dc voltage, ac voltage, resistance, continuity, diode testing, and more. This multimeter offers a range of features that make it ideal for a variety of applications. The dt9208a is a digital multimeter (dmm) that measures ac and dc voltage, current, resistance, capacitance, and temperature. It can also be used to measure frequency and capacitance values. Download multimeter dt9208 sch service manual & repair info for electronics experts The dt9208a is a digital multimeter (dmm) that measures voltage,. In this article, we will take a closer look at the schematic diagram of the dt9208a digital multimeter and explore its various. The schematic is the graphical representation of the multimeter's circuitry, which allows you to identify the electrical components within it. It boasts a large lcd display with a backlight, making it easy to read even in dimly lit areas.
dt9208a multimeter schematic Wiring Digital and Schematic
Multimeter Dt9208A Schematics This multimeter offers a range of features that make it ideal for a variety of applications. The dt9208a is a digital multimeter (dmm) that measures ac and dc voltage, current, resistance, capacitance, and temperature. It boasts a large lcd display with a backlight, making it easy to read even in dimly lit areas. The schematic is the graphical representation of the multimeter's circuitry, which allows you to identify the electrical components within it. Download multimeter dt9208 sch service manual & repair info for electronics experts It can also be used to measure frequency and capacitance values. In this article, we will take a closer look at the schematic diagram of the dt9208a digital multimeter and explore its various. The dt9208a schematic diagram is a complex network of components that allow the user to measure a variety of electrical values. Digital multimeter dt9208a schematic diagram. This multimeter offers a range of features that make it ideal for a variety of applications. The dt9208a is a digital multimeter (dmm) that measures voltage,. The diagram includes inputs for dc voltage, ac voltage, resistance, continuity, diode testing, and more.
From www.wiringdraw.com
Multimeter Dt9208a Schematics » Wiring Draw And Schematic Multimeter Dt9208A Schematics The diagram includes inputs for dc voltage, ac voltage, resistance, continuity, diode testing, and more. This multimeter offers a range of features that make it ideal for a variety of applications. The dt9208a is a digital multimeter (dmm) that measures voltage,. It boasts a large lcd display with a backlight, making it easy to read even in dimly lit areas.. Multimeter Dt9208A Schematics.
From wiringdiagram.2bitboer.com
Digital Multimeter Dt9208a Schematic Diagram Wiring Diagram Multimeter Dt9208A Schematics Download multimeter dt9208 sch service manual & repair info for electronics experts The dt9208a is a digital multimeter (dmm) that measures voltage,. It can also be used to measure frequency and capacitance values. Digital multimeter dt9208a schematic diagram. The schematic is the graphical representation of the multimeter's circuitry, which allows you to identify the electrical components within it. This multimeter. Multimeter Dt9208A Schematics.
From www.wiringdigital.com
Multimeter Dt9208a Schematics Wiring Digital and Schematic Multimeter Dt9208A Schematics It boasts a large lcd display with a backlight, making it easy to read even in dimly lit areas. It can also be used to measure frequency and capacitance values. The schematic is the graphical representation of the multimeter's circuitry, which allows you to identify the electrical components within it. Digital multimeter dt9208a schematic diagram. The diagram includes inputs for. Multimeter Dt9208A Schematics.
From www.diagramcircuit.com
Multimeter Dt9208a Schematics Diagram Circuit Multimeter Dt9208A Schematics The schematic is the graphical representation of the multimeter's circuitry, which allows you to identify the electrical components within it. The diagram includes inputs for dc voltage, ac voltage, resistance, continuity, diode testing, and more. Download multimeter dt9208 sch service manual & repair info for electronics experts In this article, we will take a closer look at the schematic diagram. Multimeter Dt9208A Schematics.
From www.wiringdraw.com
Digital Multimeter Dt9208a Schematic Diagram Multimeter Dt9208A Schematics The dt9208a is a digital multimeter (dmm) that measures voltage,. Digital multimeter dt9208a schematic diagram. Download multimeter dt9208 sch service manual & repair info for electronics experts It can also be used to measure frequency and capacitance values. The diagram includes inputs for dc voltage, ac voltage, resistance, continuity, diode testing, and more. The dt9208a schematic diagram is a complex. Multimeter Dt9208A Schematics.
From www.wiringdigital.com
Multimeter Dt9208a Schematics Pdf Wiring Digital and Schematic Multimeter Dt9208A Schematics The dt9208a is a digital multimeter (dmm) that measures ac and dc voltage, current, resistance, capacitance, and temperature. The dt9208a schematic diagram is a complex network of components that allow the user to measure a variety of electrical values. Digital multimeter dt9208a schematic diagram. The diagram includes inputs for dc voltage, ac voltage, resistance, continuity, diode testing, and more. The. Multimeter Dt9208A Schematics.
From www.wiringdraw.com
Multimeter Dt9208a Schematics Wiring Draw And Schematic Multimeter Dt9208A Schematics Download multimeter dt9208 sch service manual & repair info for electronics experts In this article, we will take a closer look at the schematic diagram of the dt9208a digital multimeter and explore its various. The dt9208a is a digital multimeter (dmm) that measures ac and dc voltage, current, resistance, capacitance, and temperature. This multimeter offers a range of features that. Multimeter Dt9208A Schematics.
From www.wiringdigital.com
dt9208a multimeter schematic Wiring Digital and Schematic Multimeter Dt9208A Schematics The diagram includes inputs for dc voltage, ac voltage, resistance, continuity, diode testing, and more. The dt9208a schematic diagram is a complex network of components that allow the user to measure a variety of electrical values. This multimeter offers a range of features that make it ideal for a variety of applications. The schematic is the graphical representation of the. Multimeter Dt9208A Schematics.
From www.wiringdigital.com
Multimeter Dt9208a Schematics Wiring Digital and Schematic Multimeter Dt9208A Schematics It can also be used to measure frequency and capacitance values. The dt9208a is a digital multimeter (dmm) that measures voltage,. This multimeter offers a range of features that make it ideal for a variety of applications. The dt9208a is a digital multimeter (dmm) that measures ac and dc voltage, current, resistance, capacitance, and temperature. Download multimeter dt9208 sch service. Multimeter Dt9208A Schematics.
From www.wiringdigital.com
dt9208a multimeter schematic Wiring Digital and Schematic Multimeter Dt9208A Schematics The dt9208a is a digital multimeter (dmm) that measures ac and dc voltage, current, resistance, capacitance, and temperature. This multimeter offers a range of features that make it ideal for a variety of applications. The schematic is the graphical representation of the multimeter's circuitry, which allows you to identify the electrical components within it. The dt9208a schematic diagram is a. Multimeter Dt9208A Schematics.
From www.wiringboards.com
Digital Multimeter Dt9208a Schematic Diagram » Wiring Boards Multimeter Dt9208A Schematics Download multimeter dt9208 sch service manual & repair info for electronics experts The dt9208a is a digital multimeter (dmm) that measures ac and dc voltage, current, resistance, capacitance, and temperature. The schematic is the graphical representation of the multimeter's circuitry, which allows you to identify the electrical components within it. It can also be used to measure frequency and capacitance. Multimeter Dt9208A Schematics.
From www.schemadigital.com
dt9208a multimeter schematic Schema Digital Multimeter Dt9208A Schematics The diagram includes inputs for dc voltage, ac voltage, resistance, continuity, diode testing, and more. The dt9208a schematic diagram is a complex network of components that allow the user to measure a variety of electrical values. Download multimeter dt9208 sch service manual & repair info for electronics experts This multimeter offers a range of features that make it ideal for. Multimeter Dt9208A Schematics.
From wiringdiagram.2bitboer.com
Digital Multimeter Dt9208a Schematic Diagram Wiring Diagram Multimeter Dt9208A Schematics Download multimeter dt9208 sch service manual & repair info for electronics experts Digital multimeter dt9208a schematic diagram. This multimeter offers a range of features that make it ideal for a variety of applications. The schematic is the graphical representation of the multimeter's circuitry, which allows you to identify the electrical components within it. The diagram includes inputs for dc voltage,. Multimeter Dt9208A Schematics.
From www.wiringdraw.com
Multimeter Dt9208a Schematics Pdf » Wiring Draw And Schematic Multimeter Dt9208A Schematics The dt9208a is a digital multimeter (dmm) that measures ac and dc voltage, current, resistance, capacitance, and temperature. Digital multimeter dt9208a schematic diagram. The schematic is the graphical representation of the multimeter's circuitry, which allows you to identify the electrical components within it. Download multimeter dt9208 sch service manual & repair info for electronics experts The diagram includes inputs for. Multimeter Dt9208A Schematics.
From www.wiringstech.com
Digital Multimeter Dt9208a Schematic Diagram Wiring Technology Multimeter Dt9208A Schematics Digital multimeter dt9208a schematic diagram. The dt9208a schematic diagram is a complex network of components that allow the user to measure a variety of electrical values. In this article, we will take a closer look at the schematic diagram of the dt9208a digital multimeter and explore its various. The dt9208a is a digital multimeter (dmm) that measures voltage,. It boasts. Multimeter Dt9208A Schematics.
From wiringdiagram.2bitboer.com
Digital Multimeter Dt9208a Schematic Diagram Wiring Diagram Multimeter Dt9208A Schematics In this article, we will take a closer look at the schematic diagram of the dt9208a digital multimeter and explore its various. Download multimeter dt9208 sch service manual & repair info for electronics experts The dt9208a is a digital multimeter (dmm) that measures voltage,. The dt9208a schematic diagram is a complex network of components that allow the user to measure. Multimeter Dt9208A Schematics.
From www.wiringboards.com
dt9208a multimeter schematic Wiring Boards Multimeter Dt9208A Schematics The dt9208a is a digital multimeter (dmm) that measures ac and dc voltage, current, resistance, capacitance, and temperature. Download multimeter dt9208 sch service manual & repair info for electronics experts In this article, we will take a closer look at the schematic diagram of the dt9208a digital multimeter and explore its various. Digital multimeter dt9208a schematic diagram. The dt9208a is. Multimeter Dt9208A Schematics.
From wiringdiagram.2bitboer.com
Digital Multimeter Dt9208a Schematic Diagram Wiring Diagram Multimeter Dt9208A Schematics The schematic is the graphical representation of the multimeter's circuitry, which allows you to identify the electrical components within it. The dt9208a is a digital multimeter (dmm) that measures voltage,. The diagram includes inputs for dc voltage, ac voltage, resistance, continuity, diode testing, and more. Download multimeter dt9208 sch service manual & repair info for electronics experts It can also. Multimeter Dt9208A Schematics.
From www.wiringdigital.com
Multimeter Dt9208a Schematics » Wiring Digital And Schematic Multimeter Dt9208A Schematics This multimeter offers a range of features that make it ideal for a variety of applications. The schematic is the graphical representation of the multimeter's circuitry, which allows you to identify the electrical components within it. In this article, we will take a closer look at the schematic diagram of the dt9208a digital multimeter and explore its various. The diagram. Multimeter Dt9208A Schematics.
From wiringdiagram.2bitboer.com
Digital Multimeter Dt9208a Schematic Diagram Wiring Diagram Multimeter Dt9208A Schematics It can also be used to measure frequency and capacitance values. The diagram includes inputs for dc voltage, ac voltage, resistance, continuity, diode testing, and more. The dt9208a schematic diagram is a complex network of components that allow the user to measure a variety of electrical values. In this article, we will take a closer look at the schematic diagram. Multimeter Dt9208A Schematics.
From www.wiringdraw.com
Multimeter Dt9208a Schematics Multimeter Dt9208A Schematics The schematic is the graphical representation of the multimeter's circuitry, which allows you to identify the electrical components within it. The diagram includes inputs for dc voltage, ac voltage, resistance, continuity, diode testing, and more. The dt9208a is a digital multimeter (dmm) that measures voltage,. The dt9208a schematic diagram is a complex network of components that allow the user to. Multimeter Dt9208A Schematics.
From wiringdiagram.2bitboer.com
Digital Multimeter Dt9208a Schematic Diagram Wiring Diagram Multimeter Dt9208A Schematics The schematic is the graphical representation of the multimeter's circuitry, which allows you to identify the electrical components within it. The dt9208a schematic diagram is a complex network of components that allow the user to measure a variety of electrical values. The diagram includes inputs for dc voltage, ac voltage, resistance, continuity, diode testing, and more. It boasts a large. Multimeter Dt9208A Schematics.
From www.wiringdigital.com
Multimeter Dt9208a Schematics » Wiring Digital And Schematic Multimeter Dt9208A Schematics Download multimeter dt9208 sch service manual & repair info for electronics experts Digital multimeter dt9208a schematic diagram. The schematic is the graphical representation of the multimeter's circuitry, which allows you to identify the electrical components within it. It can also be used to measure frequency and capacitance values. The dt9208a is a digital multimeter (dmm) that measures ac and dc. Multimeter Dt9208A Schematics.
From wiringdiagram.2bitboer.com
Digital Multimeter Dt9208a Schematic Diagram Wiring Diagram Multimeter Dt9208A Schematics The schematic is the graphical representation of the multimeter's circuitry, which allows you to identify the electrical components within it. The dt9208a is a digital multimeter (dmm) that measures voltage,. It boasts a large lcd display with a backlight, making it easy to read even in dimly lit areas. Download multimeter dt9208 sch service manual & repair info for electronics. Multimeter Dt9208A Schematics.
From wiringdiagram.2bitboer.com
Digital Multimeter Dt9208a Schematic Diagram Wiring Diagram Multimeter Dt9208A Schematics The dt9208a is a digital multimeter (dmm) that measures ac and dc voltage, current, resistance, capacitance, and temperature. The dt9208a schematic diagram is a complex network of components that allow the user to measure a variety of electrical values. It boasts a large lcd display with a backlight, making it easy to read even in dimly lit areas. The dt9208a. Multimeter Dt9208A Schematics.
From www.wiringdraw.com
Multimeter Dt9208a Schematics Multimeter Dt9208A Schematics Download multimeter dt9208 sch service manual & repair info for electronics experts This multimeter offers a range of features that make it ideal for a variety of applications. The diagram includes inputs for dc voltage, ac voltage, resistance, continuity, diode testing, and more. Digital multimeter dt9208a schematic diagram. It boasts a large lcd display with a backlight, making it easy. Multimeter Dt9208A Schematics.
From www.wiringdraw.com
dt9208a multimeter schematic Wiring Draw And Schematic Multimeter Dt9208A Schematics It can also be used to measure frequency and capacitance values. This multimeter offers a range of features that make it ideal for a variety of applications. The diagram includes inputs for dc voltage, ac voltage, resistance, continuity, diode testing, and more. The dt9208a schematic diagram is a complex network of components that allow the user to measure a variety. Multimeter Dt9208A Schematics.
From wiringdiagram.2bitboer.com
Digital Multimeter Dt9208a Schematic Diagram Wiring Diagram Multimeter Dt9208A Schematics This multimeter offers a range of features that make it ideal for a variety of applications. The diagram includes inputs for dc voltage, ac voltage, resistance, continuity, diode testing, and more. The dt9208a is a digital multimeter (dmm) that measures ac and dc voltage, current, resistance, capacitance, and temperature. In this article, we will take a closer look at the. Multimeter Dt9208A Schematics.
From www.wiringdraw.com
Digital Multimeter Dt9208a Schematic Diagram » Wiring Draw And Schematic Multimeter Dt9208A Schematics The schematic is the graphical representation of the multimeter's circuitry, which allows you to identify the electrical components within it. This multimeter offers a range of features that make it ideal for a variety of applications. Download multimeter dt9208 sch service manual & repair info for electronics experts It boasts a large lcd display with a backlight, making it easy. Multimeter Dt9208A Schematics.
From www.wiringdraw.com
Multimeter Dt9208a Schematics Multimeter Dt9208A Schematics Digital multimeter dt9208a schematic diagram. This multimeter offers a range of features that make it ideal for a variety of applications. The dt9208a is a digital multimeter (dmm) that measures ac and dc voltage, current, resistance, capacitance, and temperature. The dt9208a schematic diagram is a complex network of components that allow the user to measure a variety of electrical values.. Multimeter Dt9208A Schematics.
From www.wiringdigital.com
Dt9208a Multimeter Schematic » Wiring Digital And Schematic Multimeter Dt9208A Schematics It boasts a large lcd display with a backlight, making it easy to read even in dimly lit areas. The dt9208a is a digital multimeter (dmm) that measures voltage,. It can also be used to measure frequency and capacitance values. Digital multimeter dt9208a schematic diagram. Download multimeter dt9208 sch service manual & repair info for electronics experts The dt9208a schematic. Multimeter Dt9208A Schematics.
From www.wiringdraw.com
Multimeter Dt9208a Schematics Multimeter Dt9208A Schematics The dt9208a schematic diagram is a complex network of components that allow the user to measure a variety of electrical values. The dt9208a is a digital multimeter (dmm) that measures voltage,. Digital multimeter dt9208a schematic diagram. The diagram includes inputs for dc voltage, ac voltage, resistance, continuity, diode testing, and more. It boasts a large lcd display with a backlight,. Multimeter Dt9208A Schematics.
From wiringdiagram.2bitboer.com
Digital Multimeter Dt9208a Schematic Diagram Wiring Diagram Multimeter Dt9208A Schematics The dt9208a is a digital multimeter (dmm) that measures voltage,. This multimeter offers a range of features that make it ideal for a variety of applications. Digital multimeter dt9208a schematic diagram. The dt9208a schematic diagram is a complex network of components that allow the user to measure a variety of electrical values. The diagram includes inputs for dc voltage, ac. Multimeter Dt9208A Schematics.
From www.wiringboards.com
Digital Multimeter Dt9208a Schematic Diagram Wiring Boards Multimeter Dt9208A Schematics In this article, we will take a closer look at the schematic diagram of the dt9208a digital multimeter and explore its various. The dt9208a is a digital multimeter (dmm) that measures ac and dc voltage, current, resistance, capacitance, and temperature. The dt9208a schematic diagram is a complex network of components that allow the user to measure a variety of electrical. Multimeter Dt9208A Schematics.
From wiringdiagram.2bitboer.com
Digital Multimeter Dt9208a Schematic Diagram Wiring Diagram Multimeter Dt9208A Schematics It can also be used to measure frequency and capacitance values. It boasts a large lcd display with a backlight, making it easy to read even in dimly lit areas. In this article, we will take a closer look at the schematic diagram of the dt9208a digital multimeter and explore its various. The dt9208a is a digital multimeter (dmm) that. Multimeter Dt9208A Schematics.