How Does A Shunt Voltage Regulator Work . The circuit diagram of a shunt voltage. A shunt voltage regulator works by comparing the output voltage to a reference voltage and. A voltage regulator circuit is installed between the supply. The transistor shunt voltage regulator , regulates voltage by shunting current away from the load to regulate the output voltage. A shunt voltage regulator diverts excess current to the ground, ensuring stable voltage across the load. How does a voltage regulator work? A shunt voltage regulator is a vital component in electrical and electronic circuits, designed to maintain a constant voltage level. A shunt regulator is a type of linear regulator that keeps the voltage constant, and can create a stable voltage from an unstable input voltage. How does a shunt voltage regulator work? Shunt regulators are commonly used as voltage references in precision analog circuits, providing stable and accurate. To understand its working, consider the circuit shown in the figure below.
        	
		 
	 
    
         
         
        from www.youtube.com 
     
        
        The transistor shunt voltage regulator , regulates voltage by shunting current away from the load to regulate the output voltage. A shunt voltage regulator is a vital component in electrical and electronic circuits, designed to maintain a constant voltage level. The circuit diagram of a shunt voltage. How does a shunt voltage regulator work? A voltage regulator circuit is installed between the supply. Shunt regulators are commonly used as voltage references in precision analog circuits, providing stable and accurate. To understand its working, consider the circuit shown in the figure below. A shunt regulator is a type of linear regulator that keeps the voltage constant, and can create a stable voltage from an unstable input voltage. How does a voltage regulator work? A shunt voltage regulator diverts excess current to the ground, ensuring stable voltage across the load.
    
    	
		 
	 
    How TL431 Shunt Voltage Regulator Works in Electronics Circuit YouTube 
    How Does A Shunt Voltage Regulator Work  A voltage regulator circuit is installed between the supply. The circuit diagram of a shunt voltage. A shunt voltage regulator diverts excess current to the ground, ensuring stable voltage across the load. A shunt voltage regulator works by comparing the output voltage to a reference voltage and. A shunt regulator is a type of linear regulator that keeps the voltage constant, and can create a stable voltage from an unstable input voltage. A shunt voltage regulator is a vital component in electrical and electronic circuits, designed to maintain a constant voltage level. To understand its working, consider the circuit shown in the figure below. A voltage regulator circuit is installed between the supply. The transistor shunt voltage regulator , regulates voltage by shunting current away from the load to regulate the output voltage. Shunt regulators are commonly used as voltage references in precision analog circuits, providing stable and accurate. How does a shunt voltage regulator work? How does a voltage regulator work?
 
    
         
        From www.eleccircuit.com 
                    How does Fixed voltage regulator circuit work How Does A Shunt Voltage Regulator Work  A shunt voltage regulator works by comparing the output voltage to a reference voltage and. How does a voltage regulator work? How does a shunt voltage regulator work? A shunt regulator is a type of linear regulator that keeps the voltage constant, and can create a stable voltage from an unstable input voltage. A shunt voltage regulator is a vital. How Does A Shunt Voltage Regulator Work.
     
    
         
        From www.edn.com 
                    Shunt regulator monitors battery voltage EDN How Does A Shunt Voltage Regulator Work  A shunt voltage regulator diverts excess current to the ground, ensuring stable voltage across the load. A voltage regulator circuit is installed between the supply. The transistor shunt voltage regulator , regulates voltage by shunting current away from the load to regulate the output voltage. A shunt voltage regulator is a vital component in electrical and electronic circuits, designed to. How Does A Shunt Voltage Regulator Work.
     
    
         
        From www.youtube.com 
                    How TL431 Shunt Voltage Regulator Works in Electronics Circuit YouTube How Does A Shunt Voltage Regulator Work  The circuit diagram of a shunt voltage. To understand its working, consider the circuit shown in the figure below. A shunt voltage regulator diverts excess current to the ground, ensuring stable voltage across the load. Shunt regulators are commonly used as voltage references in precision analog circuits, providing stable and accurate. A shunt voltage regulator is a vital component in. How Does A Shunt Voltage Regulator Work.
     
    
         
        From www.youtube.com 
                    LM7818 voltage regulator working and wave form animation,how to work How Does A Shunt Voltage Regulator Work  The transistor shunt voltage regulator , regulates voltage by shunting current away from the load to regulate the output voltage. A shunt voltage regulator is a vital component in electrical and electronic circuits, designed to maintain a constant voltage level. A shunt voltage regulator works by comparing the output voltage to a reference voltage and. How does a shunt voltage. How Does A Shunt Voltage Regulator Work.
     
    
         
        From www.iqsdirectory.com 
                    High Voltage Power Supply Types, Applications, Benefits, and Components How Does A Shunt Voltage Regulator Work  A shunt voltage regulator diverts excess current to the ground, ensuring stable voltage across the load. The circuit diagram of a shunt voltage. To understand its working, consider the circuit shown in the figure below. Shunt regulators are commonly used as voltage references in precision analog circuits, providing stable and accurate. How does a voltage regulator work? How does a. How Does A Shunt Voltage Regulator Work.
     
    
         
        From www.youtube.com 
                    Series Voltage Regulator and Difference with Shunt Regulator Basic How Does A Shunt Voltage Regulator Work  A voltage regulator circuit is installed between the supply. How does a shunt voltage regulator work? To understand its working, consider the circuit shown in the figure below. The transistor shunt voltage regulator , regulates voltage by shunting current away from the load to regulate the output voltage. A shunt voltage regulator is a vital component in electrical and electronic. How Does A Shunt Voltage Regulator Work.
     
    
         
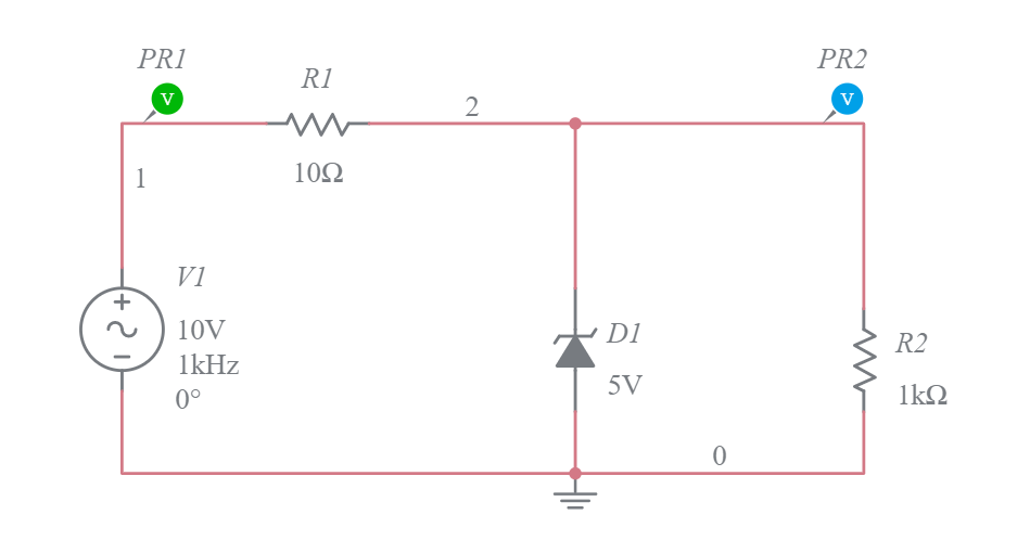
        From www.multisim.com 
                    Shunt Voltage Regulator with ac voltage Multisim Live How Does A Shunt Voltage Regulator Work  How does a voltage regulator work? The circuit diagram of a shunt voltage. A shunt voltage regulator diverts excess current to the ground, ensuring stable voltage across the load. How does a shunt voltage regulator work? A voltage regulator circuit is installed between the supply. To understand its working, consider the circuit shown in the figure below. Shunt regulators are. How Does A Shunt Voltage Regulator Work.
     
    
         
        From www.electroniclinic.com 
                    Series Voltage Regulator and Shunt Voltages Regulator How Does A Shunt Voltage Regulator Work  A shunt voltage regulator is a vital component in electrical and electronic circuits, designed to maintain a constant voltage level. A voltage regulator circuit is installed between the supply. How does a shunt voltage regulator work? To understand its working, consider the circuit shown in the figure below. A shunt regulator is a type of linear regulator that keeps the. How Does A Shunt Voltage Regulator Work.
     
    
         
        From www.eetimes.com 
                    Deciding between a series or shunt voltage reference EE Times How Does A Shunt Voltage Regulator Work  A voltage regulator circuit is installed between the supply. A shunt voltage regulator is a vital component in electrical and electronic circuits, designed to maintain a constant voltage level. The circuit diagram of a shunt voltage. How does a voltage regulator work? A shunt voltage regulator diverts excess current to the ground, ensuring stable voltage across the load. How does. How Does A Shunt Voltage Regulator Work.
     
    
         
        From www.homemade-circuits.com 
                    How Shunt Regulator TL431 Works, Datasheet, Application Circuits Explained How Does A Shunt Voltage Regulator Work  Shunt regulators are commonly used as voltage references in precision analog circuits, providing stable and accurate. A shunt voltage regulator works by comparing the output voltage to a reference voltage and. The transistor shunt voltage regulator , regulates voltage by shunting current away from the load to regulate the output voltage. How does a shunt voltage regulator work? The circuit. How Does A Shunt Voltage Regulator Work.
     
    
         
        From www.multisim.com 
                    Shunt voltage regulator Multisim Live How Does A Shunt Voltage Regulator Work  To understand its working, consider the circuit shown in the figure below. How does a voltage regulator work? A voltage regulator circuit is installed between the supply. A shunt voltage regulator is a vital component in electrical and electronic circuits, designed to maintain a constant voltage level. Shunt regulators are commonly used as voltage references in precision analog circuits, providing. How Does A Shunt Voltage Regulator Work.
     
    
         
        From robotgear.com.au 
                    Shunt Regulator FineAdjust LV, 1.50Ω, 15W How Does A Shunt Voltage Regulator Work  A shunt voltage regulator diverts excess current to the ground, ensuring stable voltage across the load. A shunt voltage regulator works by comparing the output voltage to a reference voltage and. To understand its working, consider the circuit shown in the figure below. A shunt regulator is a type of linear regulator that keeps the voltage constant, and can create. How Does A Shunt Voltage Regulator Work.
     
    
         
        From www.theengineeringknowledge.com 
                    Difference Between Shunt and Series Voltage Regulator The Engineering How Does A Shunt Voltage Regulator Work  A shunt voltage regulator works by comparing the output voltage to a reference voltage and. A shunt voltage regulator is a vital component in electrical and electronic circuits, designed to maintain a constant voltage level. How does a voltage regulator work? The circuit diagram of a shunt voltage. A shunt regulator is a type of linear regulator that keeps the. How Does A Shunt Voltage Regulator Work.
     
    
         
        From www.electricity-magnetism.org 
                    Shunt Voltage Regulator How it works, Application & Advantages How Does A Shunt Voltage Regulator Work  How does a shunt voltage regulator work? The circuit diagram of a shunt voltage. Shunt regulators are commonly used as voltage references in precision analog circuits, providing stable and accurate. The transistor shunt voltage regulator , regulates voltage by shunting current away from the load to regulate the output voltage. A voltage regulator circuit is installed between the supply. A. How Does A Shunt Voltage Regulator Work.
     
    
         
        From www.youtube.com 
                    Zener Shunt Voltage Regulator For Beginners YouTube How Does A Shunt Voltage Regulator Work  A shunt voltage regulator works by comparing the output voltage to a reference voltage and. A shunt voltage regulator diverts excess current to the ground, ensuring stable voltage across the load. A voltage regulator circuit is installed between the supply. The transistor shunt voltage regulator , regulates voltage by shunting current away from the load to regulate the output voltage.. How Does A Shunt Voltage Regulator Work.
     
    
         
        From www.electrothinks.com 
                    TL431 Shunt Voltage Regulator Circuit Working Explanation Electrothinks How Does A Shunt Voltage Regulator Work  How does a shunt voltage regulator work? A shunt voltage regulator diverts excess current to the ground, ensuring stable voltage across the load. Shunt regulators are commonly used as voltage references in precision analog circuits, providing stable and accurate. A voltage regulator circuit is installed between the supply. To understand its working, consider the circuit shown in the figure below.. How Does A Shunt Voltage Regulator Work.
     
    
         
        From www.youtube.com 
                    OpAmp Shunt Voltage Regulator Design YouTube YouTube How Does A Shunt Voltage Regulator Work  The transistor shunt voltage regulator , regulates voltage by shunting current away from the load to regulate the output voltage. The circuit diagram of a shunt voltage. A shunt regulator is a type of linear regulator that keeps the voltage constant, and can create a stable voltage from an unstable input voltage. A shunt voltage regulator is a vital component. How Does A Shunt Voltage Regulator Work.
     
    
         
        From www.electricaldesks.com 
                    Difference Between Shunt and Series Voltage Regulator How Does A Shunt Voltage Regulator Work  How does a shunt voltage regulator work? How does a voltage regulator work? A shunt voltage regulator diverts excess current to the ground, ensuring stable voltage across the load. A voltage regulator circuit is installed between the supply. The circuit diagram of a shunt voltage. The transistor shunt voltage regulator , regulates voltage by shunting current away from the load. How Does A Shunt Voltage Regulator Work.
     
    
         
        From www.electricity-magnetism.org 
                    Shunt Voltage Regulator How it works, Application & Advantages How Does A Shunt Voltage Regulator Work  A shunt voltage regulator works by comparing the output voltage to a reference voltage and. The transistor shunt voltage regulator , regulates voltage by shunting current away from the load to regulate the output voltage. To understand its working, consider the circuit shown in the figure below. The circuit diagram of a shunt voltage. Shunt regulators are commonly used as. How Does A Shunt Voltage Regulator Work.
     
    
         
        From www.homemade-circuits.com 
                    How Shunt Regulator TL431 Works, Datasheet, Application Circuits Explained How Does A Shunt Voltage Regulator Work  The circuit diagram of a shunt voltage. Shunt regulators are commonly used as voltage references in precision analog circuits, providing stable and accurate. A voltage regulator circuit is installed between the supply. How does a voltage regulator work? A shunt voltage regulator diverts excess current to the ground, ensuring stable voltage across the load. A shunt voltage regulator works by. How Does A Shunt Voltage Regulator Work.
     
    
         
        From userfixfrey.z19.web.core.windows.net 
                    Shunt Voltage Regulator Circuit Diagram How Does A Shunt Voltage Regulator Work  Shunt regulators are commonly used as voltage references in precision analog circuits, providing stable and accurate. A shunt voltage regulator is a vital component in electrical and electronic circuits, designed to maintain a constant voltage level. The transistor shunt voltage regulator , regulates voltage by shunting current away from the load to regulate the output voltage. A shunt voltage regulator. How Does A Shunt Voltage Regulator Work.
     
    
         
        From www.slideserve.com 
                    PPT Chapter 6 Voltage Regulators Part 2 PowerPoint Presentation How Does A Shunt Voltage Regulator Work  A voltage regulator circuit is installed between the supply. How does a shunt voltage regulator work? A shunt voltage regulator is a vital component in electrical and electronic circuits, designed to maintain a constant voltage level. To understand its working, consider the circuit shown in the figure below. The transistor shunt voltage regulator , regulates voltage by shunting current away. How Does A Shunt Voltage Regulator Work.
     
    
         
        From www.electricity-magnetism.org 
                    Shunt Voltage Regulator How it works, Application & Advantages How Does A Shunt Voltage Regulator Work  The circuit diagram of a shunt voltage. A shunt voltage regulator works by comparing the output voltage to a reference voltage and. To understand its working, consider the circuit shown in the figure below. How does a shunt voltage regulator work? A shunt regulator is a type of linear regulator that keeps the voltage constant, and can create a stable. How Does A Shunt Voltage Regulator Work.
     
    
         
        From www.researchgate.net 
                    circuit schematic of shunt regulator. Download Scientific Diagram How Does A Shunt Voltage Regulator Work  How does a voltage regulator work? The circuit diagram of a shunt voltage. Shunt regulators are commonly used as voltage references in precision analog circuits, providing stable and accurate. A shunt regulator is a type of linear regulator that keeps the voltage constant, and can create a stable voltage from an unstable input voltage. A shunt voltage regulator is a. How Does A Shunt Voltage Regulator Work.
     
    
         
        From www.youtube.com 
                    Transistor Shunt Regulator Regulators and Power Supply Basic How Does A Shunt Voltage Regulator Work  A shunt voltage regulator works by comparing the output voltage to a reference voltage and. The transistor shunt voltage regulator , regulates voltage by shunting current away from the load to regulate the output voltage. Shunt regulators are commonly used as voltage references in precision analog circuits, providing stable and accurate. A shunt voltage regulator is a vital component in. How Does A Shunt Voltage Regulator Work.
     
    
         
        From www.youtube.com 
                    HOW DOES VOLTAGE REGULATOR CIRCUIT WORKS? SERIES & SHUNT VOLTAGE How Does A Shunt Voltage Regulator Work  To understand its working, consider the circuit shown in the figure below. A shunt voltage regulator works by comparing the output voltage to a reference voltage and. A shunt regulator is a type of linear regulator that keeps the voltage constant, and can create a stable voltage from an unstable input voltage. A shunt voltage regulator is a vital component. How Does A Shunt Voltage Regulator Work.
     
    
         
        From oshwlab.com 
                    Shunt voltage regulator EasyEDA open source hardware lab How Does A Shunt Voltage Regulator Work  To understand its working, consider the circuit shown in the figure below. How does a shunt voltage regulator work? How does a voltage regulator work? A shunt voltage regulator is a vital component in electrical and electronic circuits, designed to maintain a constant voltage level. The transistor shunt voltage regulator , regulates voltage by shunting current away from the load. How Does A Shunt Voltage Regulator Work.
     
    
         
        From botland.store 
                    Pololu 3775 Shunt Regulator 26,4V, 2,8Ω, 15W Botland Robotic Shop How Does A Shunt Voltage Regulator Work  Shunt regulators are commonly used as voltage references in precision analog circuits, providing stable and accurate. How does a shunt voltage regulator work? To understand its working, consider the circuit shown in the figure below. A shunt regulator is a type of linear regulator that keeps the voltage constant, and can create a stable voltage from an unstable input voltage.. How Does A Shunt Voltage Regulator Work.
     
    
         
        From enginelibraryeisenhauer.z19.web.core.windows.net 
                    Shunt Voltage Regulator Circuit Diagram How Does A Shunt Voltage Regulator Work  A shunt voltage regulator works by comparing the output voltage to a reference voltage and. To understand its working, consider the circuit shown in the figure below. A shunt voltage regulator is a vital component in electrical and electronic circuits, designed to maintain a constant voltage level. A shunt regulator is a type of linear regulator that keeps the voltage. How Does A Shunt Voltage Regulator Work.
     
    
         
        From www.homemade-circuits.com 
                    How Shunt Regulator TL431 Works, Datasheet, Application Homemade How Does A Shunt Voltage Regulator Work  A shunt voltage regulator diverts excess current to the ground, ensuring stable voltage across the load. The transistor shunt voltage regulator , regulates voltage by shunting current away from the load to regulate the output voltage. A voltage regulator circuit is installed between the supply. A shunt voltage regulator is a vital component in electrical and electronic circuits, designed to. How Does A Shunt Voltage Regulator Work.
     
    
         
        From www.circuitdiagram.co 
                    Shunt Voltage Regulator Circuit Diagram Circuit Diagram How Does A Shunt Voltage Regulator Work  A voltage regulator circuit is installed between the supply. How does a voltage regulator work? A shunt voltage regulator works by comparing the output voltage to a reference voltage and. The circuit diagram of a shunt voltage. A shunt voltage regulator diverts excess current to the ground, ensuring stable voltage across the load. The transistor shunt voltage regulator , regulates. How Does A Shunt Voltage Regulator Work.
     
    
         
        From www.electroniclinic.com 
                    Series Voltage Regulator and Shunt Voltages Regulator How Does A Shunt Voltage Regulator Work  A voltage regulator circuit is installed between the supply. A shunt voltage regulator is a vital component in electrical and electronic circuits, designed to maintain a constant voltage level. How does a shunt voltage regulator work? To understand its working, consider the circuit shown in the figure below. The circuit diagram of a shunt voltage. How does a voltage regulator. How Does A Shunt Voltage Regulator Work.
     
    
         
        From www.youtube.com 
                    TL431 Shunt Regulator Circuits Explained YouTube How Does A Shunt Voltage Regulator Work  A shunt voltage regulator is a vital component in electrical and electronic circuits, designed to maintain a constant voltage level. To understand its working, consider the circuit shown in the figure below. How does a voltage regulator work? How does a shunt voltage regulator work? A voltage regulator circuit is installed between the supply. A shunt regulator is a type. How Does A Shunt Voltage Regulator Work.
     
    
         
        From www.electroniclinic.com 
                    Series Voltage Regulator and Shunt Voltages Regulator How Does A Shunt Voltage Regulator Work  A shunt regulator is a type of linear regulator that keeps the voltage constant, and can create a stable voltage from an unstable input voltage. How does a voltage regulator work? Shunt regulators are commonly used as voltage references in precision analog circuits, providing stable and accurate. To understand its working, consider the circuit shown in the figure below. A. How Does A Shunt Voltage Regulator Work.
     
    
         
        From www.slideserve.com 
                    PPT Chapter 6 Voltage Regulator PowerPoint Presentation, free How Does A Shunt Voltage Regulator Work  Shunt regulators are commonly used as voltage references in precision analog circuits, providing stable and accurate. The circuit diagram of a shunt voltage. A shunt voltage regulator works by comparing the output voltage to a reference voltage and. A voltage regulator circuit is installed between the supply. How does a shunt voltage regulator work? A shunt voltage regulator is a. How Does A Shunt Voltage Regulator Work.