Bad Hall Sensor . Effectively troubleshooting and diagnosing hall effect sensor issues is critical for maintaining the optimal performance and reliability of automotive systems. Power loss, loud noise, and a feeling that the motor is somehow blocked are signs that you may have a dead controller or the hall effect crank sensor inside your motor has an issue. Effectively the hall effect sensor is a crankshaft position sensor. The predictable effect caused by the introduction of a magnetic field to a current flowing through a conductor has been harnessed to create a. This article shows how to test a vehicle’s hall effect sensor using a multimeter, primarily the sensor’s voltage. Most modern engines have one in some shape or form. Troubleshooting common problems with hall effect sensors requires a systematic approach and careful analysis of sensor behavior. To diagnose and fix hall sensor issues, start by checking the wiring and connectors for any loose connections or.
from www.pishop.ca
The predictable effect caused by the introduction of a magnetic field to a current flowing through a conductor has been harnessed to create a. This article shows how to test a vehicle’s hall effect sensor using a multimeter, primarily the sensor’s voltage. Power loss, loud noise, and a feeling that the motor is somehow blocked are signs that you may have a dead controller or the hall effect crank sensor inside your motor has an issue. Effectively the hall effect sensor is a crankshaft position sensor. Effectively troubleshooting and diagnosing hall effect sensor issues is critical for maintaining the optimal performance and reliability of automotive systems. To diagnose and fix hall sensor issues, start by checking the wiring and connectors for any loose connections or. Most modern engines have one in some shape or form. Troubleshooting common problems with hall effect sensors requires a systematic approach and careful analysis of sensor behavior.
Hall Sensor
Bad Hall Sensor Effectively the hall effect sensor is a crankshaft position sensor. Effectively troubleshooting and diagnosing hall effect sensor issues is critical for maintaining the optimal performance and reliability of automotive systems. The predictable effect caused by the introduction of a magnetic field to a current flowing through a conductor has been harnessed to create a. Troubleshooting common problems with hall effect sensors requires a systematic approach and careful analysis of sensor behavior. To diagnose and fix hall sensor issues, start by checking the wiring and connectors for any loose connections or. Effectively the hall effect sensor is a crankshaft position sensor. Power loss, loud noise, and a feeling that the motor is somehow blocked are signs that you may have a dead controller or the hall effect crank sensor inside your motor has an issue. Most modern engines have one in some shape or form. This article shows how to test a vehicle’s hall effect sensor using a multimeter, primarily the sensor’s voltage.
From www.ep-mediastore-ab.de
Roborock S7 MaxV Dock 1x Hall Sensor (auf Lager) kaufen PCMediaStore Bad Hall Sensor This article shows how to test a vehicle’s hall effect sensor using a multimeter, primarily the sensor’s voltage. The predictable effect caused by the introduction of a magnetic field to a current flowing through a conductor has been harnessed to create a. Effectively troubleshooting and diagnosing hall effect sensor issues is critical for maintaining the optimal performance and reliability of. Bad Hall Sensor.
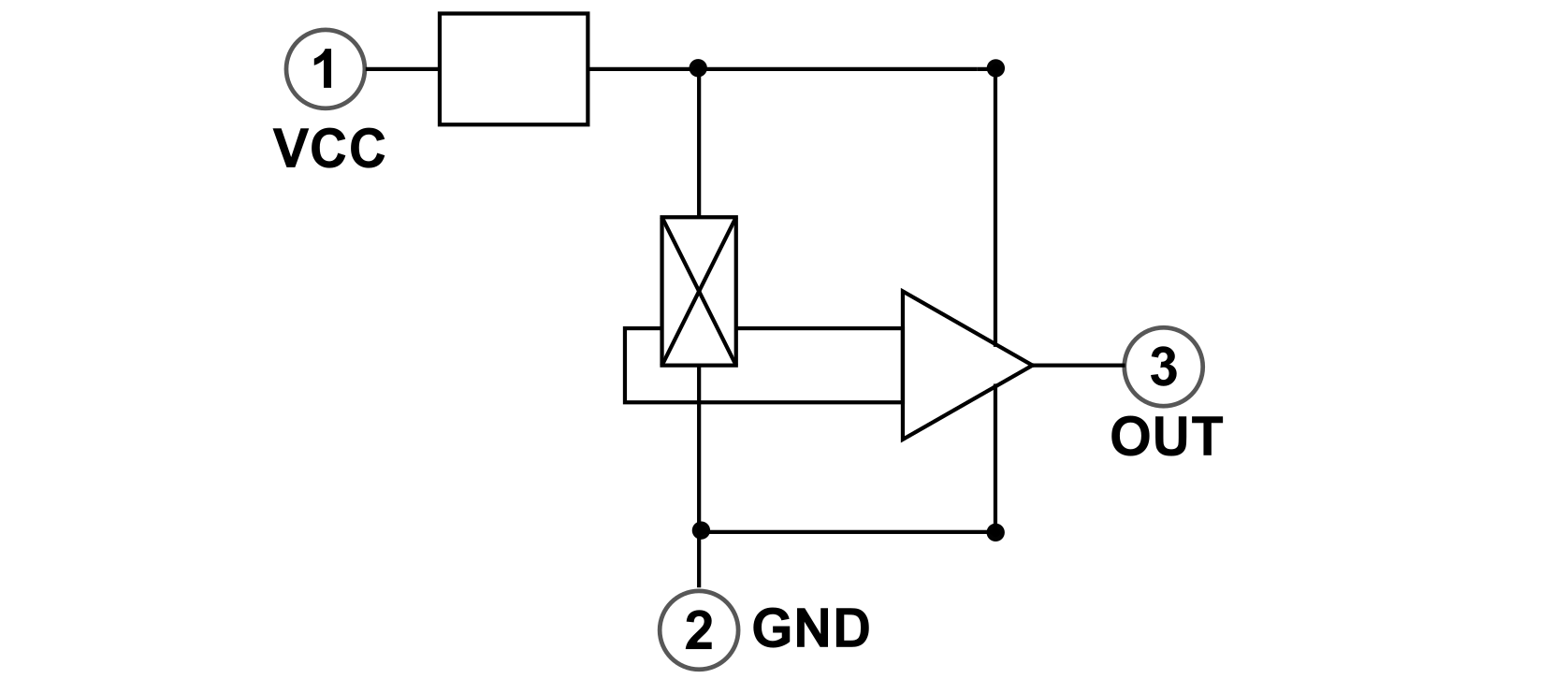
From nanjingahest.en.made-in-china.com
Hall Effect Sensor (AH3134) , Hall IC, Contactless Switch, Speed Sensor Bad Hall Sensor This article shows how to test a vehicle’s hall effect sensor using a multimeter, primarily the sensor’s voltage. Effectively the hall effect sensor is a crankshaft position sensor. Effectively troubleshooting and diagnosing hall effect sensor issues is critical for maintaining the optimal performance and reliability of automotive systems. Most modern engines have one in some shape or form. The predictable. Bad Hall Sensor.
From theinstrumentguru.com
Hall effect sensor Hall Sensor THE INSTRUMENT GURU Bad Hall Sensor The predictable effect caused by the introduction of a magnetic field to a current flowing through a conductor has been harnessed to create a. To diagnose and fix hall sensor issues, start by checking the wiring and connectors for any loose connections or. This article shows how to test a vehicle’s hall effect sensor using a multimeter, primarily the sensor’s. Bad Hall Sensor.
From www.ep-mediastore-ab.de
Roborock Empty Wash Fill Dock 1x Hall Sensor für Schwimmer (auf Lager Bad Hall Sensor Effectively troubleshooting and diagnosing hall effect sensor issues is critical for maintaining the optimal performance and reliability of automotive systems. This article shows how to test a vehicle’s hall effect sensor using a multimeter, primarily the sensor’s voltage. The predictable effect caused by the introduction of a magnetic field to a current flowing through a conductor has been harnessed to. Bad Hall Sensor.
From www.aliexpress.com
DRV5055A4QDBZRDRV5055A4QDBZTDRV5055SOT233SENSORHALLANALOGNew Bad Hall Sensor This article shows how to test a vehicle’s hall effect sensor using a multimeter, primarily the sensor’s voltage. To diagnose and fix hall sensor issues, start by checking the wiring and connectors for any loose connections or. Effectively troubleshooting and diagnosing hall effect sensor issues is critical for maintaining the optimal performance and reliability of automotive systems. Power loss, loud. Bad Hall Sensor.
From www.acrel.us
Experienced supplier of DC Current Transforrmer,hall effect sensor,hall Bad Hall Sensor To diagnose and fix hall sensor issues, start by checking the wiring and connectors for any loose connections or. Effectively troubleshooting and diagnosing hall effect sensor issues is critical for maintaining the optimal performance and reliability of automotive systems. Troubleshooting common problems with hall effect sensors requires a systematic approach and careful analysis of sensor behavior. Effectively the hall effect. Bad Hall Sensor.
From www.konstruktionspraxis.vogel.de
HallEffektSensoren für genaue Positionsbestimmungen in rauem Umfeld Bad Hall Sensor Effectively the hall effect sensor is a crankshaft position sensor. Power loss, loud noise, and a feeling that the motor is somehow blocked are signs that you may have a dead controller or the hall effect crank sensor inside your motor has an issue. The predictable effect caused by the introduction of a magnetic field to a current flowing through. Bad Hall Sensor.
From theinstrumentguru.com
Hall effect sensor Hall Sensor THE INSTRUMENT GURU Bad Hall Sensor This article shows how to test a vehicle’s hall effect sensor using a multimeter, primarily the sensor’s voltage. Troubleshooting common problems with hall effect sensors requires a systematic approach and careful analysis of sensor behavior. To diagnose and fix hall sensor issues, start by checking the wiring and connectors for any loose connections or. Most modern engines have one in. Bad Hall Sensor.
From www.youtube.com
What is Hall Effect and How Hall Effect Sensors Work YouTube Bad Hall Sensor The predictable effect caused by the introduction of a magnetic field to a current flowing through a conductor has been harnessed to create a. Effectively troubleshooting and diagnosing hall effect sensor issues is critical for maintaining the optimal performance and reliability of automotive systems. Troubleshooting common problems with hall effect sensors requires a systematic approach and careful analysis of sensor. Bad Hall Sensor.
From endless-sphere.com
Bad hall sensor and throttle voltages Endless Sphere Bad Hall Sensor To diagnose and fix hall sensor issues, start by checking the wiring and connectors for any loose connections or. This article shows how to test a vehicle’s hall effect sensor using a multimeter, primarily the sensor’s voltage. Power loss, loud noise, and a feeling that the motor is somehow blocked are signs that you may have a dead controller or. Bad Hall Sensor.
From www.alibaba.com
Taidacent Lm393 3144 Hall Sensor Module Hall Effect Sensor For Speed Bad Hall Sensor Effectively troubleshooting and diagnosing hall effect sensor issues is critical for maintaining the optimal performance and reliability of automotive systems. To diagnose and fix hall sensor issues, start by checking the wiring and connectors for any loose connections or. This article shows how to test a vehicle’s hall effect sensor using a multimeter, primarily the sensor’s voltage. Most modern engines. Bad Hall Sensor.
From www.mdpi.com
Sensors Free FullText FaultDiagnosis and FaultRecovery System of Bad Hall Sensor The predictable effect caused by the introduction of a magnetic field to a current flowing through a conductor has been harnessed to create a. Effectively the hall effect sensor is a crankshaft position sensor. Power loss, loud noise, and a feeling that the motor is somehow blocked are signs that you may have a dead controller or the hall effect. Bad Hall Sensor.
From www.presseagentur.com
Infineon bietet mit TLE496x hochpräzise und sehr energieeffiziente Hall Bad Hall Sensor Most modern engines have one in some shape or form. Troubleshooting common problems with hall effect sensors requires a systematic approach and careful analysis of sensor behavior. Effectively the hall effect sensor is a crankshaft position sensor. To diagnose and fix hall sensor issues, start by checking the wiring and connectors for any loose connections or. This article shows how. Bad Hall Sensor.
From www.youtube.com
WHAT IS HALL SENSOR HOW TO WORK HALL SENSOR IN LAPTOP WHAT IS LID Bad Hall Sensor Effectively troubleshooting and diagnosing hall effect sensor issues is critical for maintaining the optimal performance and reliability of automotive systems. The predictable effect caused by the introduction of a magnetic field to a current flowing through a conductor has been harnessed to create a. This article shows how to test a vehicle’s hall effect sensor using a multimeter, primarily the. Bad Hall Sensor.
From www.youtube.com
Bafang BBSHD ebike Error 8 Hall Sensor repair howto. YouTube Bad Hall Sensor Effectively troubleshooting and diagnosing hall effect sensor issues is critical for maintaining the optimal performance and reliability of automotive systems. Most modern engines have one in some shape or form. Power loss, loud noise, and a feeling that the motor is somehow blocked are signs that you may have a dead controller or the hall effect crank sensor inside your. Bad Hall Sensor.
From www.mdpi.com
Sensors Free FullText FaultDiagnosis and FaultRecovery System of Bad Hall Sensor Effectively troubleshooting and diagnosing hall effect sensor issues is critical for maintaining the optimal performance and reliability of automotive systems. Effectively the hall effect sensor is a crankshaft position sensor. Troubleshooting common problems with hall effect sensors requires a systematic approach and careful analysis of sensor behavior. To diagnose and fix hall sensor issues, start by checking the wiring and. Bad Hall Sensor.
From www.youtube.com
Hall Effect Sensor Working.Hall Effect Proximity Sensor Working.Hall Bad Hall Sensor Power loss, loud noise, and a feeling that the motor is somehow blocked are signs that you may have a dead controller or the hall effect crank sensor inside your motor has an issue. Most modern engines have one in some shape or form. Effectively the hall effect sensor is a crankshaft position sensor. Effectively troubleshooting and diagnosing hall effect. Bad Hall Sensor.
From www.youtube.com
How to test the Hall Effect Sensor or position sensor in a washer Bad Hall Sensor This article shows how to test a vehicle’s hall effect sensor using a multimeter, primarily the sensor’s voltage. Effectively troubleshooting and diagnosing hall effect sensor issues is critical for maintaining the optimal performance and reliability of automotive systems. Most modern engines have one in some shape or form. The predictable effect caused by the introduction of a magnetic field to. Bad Hall Sensor.
From www.alibaba.com
Hall Sensor Waterproof With High Performance Buy Hall Sensor Bad Hall Sensor To diagnose and fix hall sensor issues, start by checking the wiring and connectors for any loose connections or. This article shows how to test a vehicle’s hall effect sensor using a multimeter, primarily the sensor’s voltage. Effectively the hall effect sensor is a crankshaft position sensor. Power loss, loud noise, and a feeling that the motor is somehow blocked. Bad Hall Sensor.
From pspowers.com
what is a hall sensor? PsPowers Bad Hall Sensor Effectively the hall effect sensor is a crankshaft position sensor. Troubleshooting common problems with hall effect sensors requires a systematic approach and careful analysis of sensor behavior. Effectively troubleshooting and diagnosing hall effect sensor issues is critical for maintaining the optimal performance and reliability of automotive systems. To diagnose and fix hall sensor issues, start by checking the wiring and. Bad Hall Sensor.
From endless-sphere.com
Bad hall sensor and throttle voltages Endless Sphere DIY EV Forum Bad Hall Sensor Effectively troubleshooting and diagnosing hall effect sensor issues is critical for maintaining the optimal performance and reliability of automotive systems. Troubleshooting common problems with hall effect sensors requires a systematic approach and careful analysis of sensor behavior. To diagnose and fix hall sensor issues, start by checking the wiring and connectors for any loose connections or. Effectively the hall effect. Bad Hall Sensor.
From www.youtube.com
ESP 32 Hall Sensor Example with Code YouTube Bad Hall Sensor The predictable effect caused by the introduction of a magnetic field to a current flowing through a conductor has been harnessed to create a. Troubleshooting common problems with hall effect sensors requires a systematic approach and careful analysis of sensor behavior. Effectively troubleshooting and diagnosing hall effect sensor issues is critical for maintaining the optimal performance and reliability of automotive. Bad Hall Sensor.
From www.benselectronics.nl
Hall sensor 12mm 530VCD Ben's electronics Bad Hall Sensor Power loss, loud noise, and a feeling that the motor is somehow blocked are signs that you may have a dead controller or the hall effect crank sensor inside your motor has an issue. Effectively the hall effect sensor is a crankshaft position sensor. The predictable effect caused by the introduction of a magnetic field to a current flowing through. Bad Hall Sensor.
From www.pishop.ca
Hall Sensor Bad Hall Sensor Troubleshooting common problems with hall effect sensors requires a systematic approach and careful analysis of sensor behavior. This article shows how to test a vehicle’s hall effect sensor using a multimeter, primarily the sensor’s voltage. Effectively the hall effect sensor is a crankshaft position sensor. Most modern engines have one in some shape or form. Effectively troubleshooting and diagnosing hall. Bad Hall Sensor.
From www.alibaba.com
Taidacent Lm393 3144 Hall Sensor Module Hall Effect Sensor For Speed Bad Hall Sensor Power loss, loud noise, and a feeling that the motor is somehow blocked are signs that you may have a dead controller or the hall effect crank sensor inside your motor has an issue. Troubleshooting common problems with hall effect sensors requires a systematic approach and careful analysis of sensor behavior. This article shows how to test a vehicle’s hall. Bad Hall Sensor.
From www.embeddinator.com
A3144 Hall Effect Sensor Bad Hall Sensor Effectively troubleshooting and diagnosing hall effect sensor issues is critical for maintaining the optimal performance and reliability of automotive systems. This article shows how to test a vehicle’s hall effect sensor using a multimeter, primarily the sensor’s voltage. To diagnose and fix hall sensor issues, start by checking the wiring and connectors for any loose connections or. The predictable effect. Bad Hall Sensor.
From wolles-elektronikkiste.de
HallSensoren und ReedSchalter • Wolles Elektronikkiste Bad Hall Sensor Effectively troubleshooting and diagnosing hall effect sensor issues is critical for maintaining the optimal performance and reliability of automotive systems. To diagnose and fix hall sensor issues, start by checking the wiring and connectors for any loose connections or. The predictable effect caused by the introduction of a magnetic field to a current flowing through a conductor has been harnessed. Bad Hall Sensor.
From wolles-elektronikkiste.de
HallSensoren und ReedSchalter • Wolles Elektronikkiste Bad Hall Sensor The predictable effect caused by the introduction of a magnetic field to a current flowing through a conductor has been harnessed to create a. Power loss, loud noise, and a feeling that the motor is somehow blocked are signs that you may have a dead controller or the hall effect crank sensor inside your motor has an issue. Most modern. Bad Hall Sensor.
From www.aliexpress.com
50PCS Hall Effect Sensor 3144/TO923Pins A3144E OH3144E TO92 100 Bad Hall Sensor This article shows how to test a vehicle’s hall effect sensor using a multimeter, primarily the sensor’s voltage. Troubleshooting common problems with hall effect sensors requires a systematic approach and careful analysis of sensor behavior. Most modern engines have one in some shape or form. To diagnose and fix hall sensor issues, start by checking the wiring and connectors for. Bad Hall Sensor.
From mungfali.com
49E Hall Sensor Pinout Bad Hall Sensor Most modern engines have one in some shape or form. Effectively troubleshooting and diagnosing hall effect sensor issues is critical for maintaining the optimal performance and reliability of automotive systems. Effectively the hall effect sensor is a crankshaft position sensor. The predictable effect caused by the introduction of a magnetic field to a current flowing through a conductor has been. Bad Hall Sensor.
From www.reddit.com
Is this hall sensor bad? r/ebikes Bad Hall Sensor Power loss, loud noise, and a feeling that the motor is somehow blocked are signs that you may have a dead controller or the hall effect crank sensor inside your motor has an issue. The predictable effect caused by the introduction of a magnetic field to a current flowing through a conductor has been harnessed to create a. Effectively troubleshooting. Bad Hall Sensor.
From jsmithmoore.com
Hall effect sensor module Bad Hall Sensor Effectively the hall effect sensor is a crankshaft position sensor. The predictable effect caused by the introduction of a magnetic field to a current flowing through a conductor has been harnessed to create a. Troubleshooting common problems with hall effect sensors requires a systematic approach and careful analysis of sensor behavior. Most modern engines have one in some shape or. Bad Hall Sensor.
From www.lazada.co.th
ปลั๊ก Hall Sensor ปลั๊กแปลงมอเตอร์ ปลั๊กแปลง Hall Sensor สาย Hall Bad Hall Sensor This article shows how to test a vehicle’s hall effect sensor using a multimeter, primarily the sensor’s voltage. The predictable effect caused by the introduction of a magnetic field to a current flowing through a conductor has been harnessed to create a. Power loss, loud noise, and a feeling that the motor is somehow blocked are signs that you may. Bad Hall Sensor.
From www.electronics-lab.com
ACS711 Hall Effect Linear Current Sensor Bad Hall Sensor The predictable effect caused by the introduction of a magnetic field to a current flowing through a conductor has been harnessed to create a. This article shows how to test a vehicle’s hall effect sensor using a multimeter, primarily the sensor’s voltage. To diagnose and fix hall sensor issues, start by checking the wiring and connectors for any loose connections. Bad Hall Sensor.
From www.explainthatstuff.com
How Hall effect sensors work Explain that Stuff Bad Hall Sensor Power loss, loud noise, and a feeling that the motor is somehow blocked are signs that you may have a dead controller or the hall effect crank sensor inside your motor has an issue. Troubleshooting common problems with hall effect sensors requires a systematic approach and careful analysis of sensor behavior. To diagnose and fix hall sensor issues, start by. Bad Hall Sensor.