Excavator Swing Motor Breakdown . From case drain issues to seal failure, find solutions and parts. View and download case cx series service training manual online. Cx series excavators pdf manual download. View and download case cx210b service manual online. Cx210b excavators pdf manual download. Understand why your excavator swing motor is leaking and how to fix it. A gear box that consists of at least one, but often multiple sets of planetary gears. Here’s a detailed breakdown of its working mechanism: The swing drive uses hydraulic components,. A pinion gear that moves the house around the swing bearing. At the connection between an excavator house and its undercarriage sits a swing motor and swing gearbox with. About press copyright contact us creators advertise developers terms privacy policy & safety how youtube works test new.
from www.conequip.com
From case drain issues to seal failure, find solutions and parts. View and download case cx series service training manual online. Cx series excavators pdf manual download. A gear box that consists of at least one, but often multiple sets of planetary gears. Cx210b excavators pdf manual download. View and download case cx210b service manual online. The swing drive uses hydraulic components,. A pinion gear that moves the house around the swing bearing. At the connection between an excavator house and its undercarriage sits a swing motor and swing gearbox with. Understand why your excavator swing motor is leaking and how to fix it.
Excavator Part Diagram ConEquip Parts
Excavator Swing Motor Breakdown About press copyright contact us creators advertise developers terms privacy policy & safety how youtube works test new. A gear box that consists of at least one, but often multiple sets of planetary gears. View and download case cx210b service manual online. From case drain issues to seal failure, find solutions and parts. About press copyright contact us creators advertise developers terms privacy policy & safety how youtube works test new. Cx series excavators pdf manual download. Cx210b excavators pdf manual download. A pinion gear that moves the house around the swing bearing. Understand why your excavator swing motor is leaking and how to fix it. View and download case cx series service training manual online. Here’s a detailed breakdown of its working mechanism: The swing drive uses hydraulic components,. At the connection between an excavator house and its undercarriage sits a swing motor and swing gearbox with.
From z-cm.blogspot.com
Hydraulic Excavator Swing Motor Decoration Examples Excavator Swing Motor Breakdown Cx series excavators pdf manual download. View and download case cx series service training manual online. At the connection between an excavator house and its undercarriage sits a swing motor and swing gearbox with. From case drain issues to seal failure, find solutions and parts. About press copyright contact us creators advertise developers terms privacy policy & safety how youtube. Excavator Swing Motor Breakdown.
From partssupplymiami.com
Swing Motor Excavator Parts Supply Miami Excavator Swing Motor Breakdown View and download case cx series service training manual online. From case drain issues to seal failure, find solutions and parts. The swing drive uses hydraulic components,. At the connection between an excavator house and its undercarriage sits a swing motor and swing gearbox with. A pinion gear that moves the house around the swing bearing. Cx series excavators pdf. Excavator Swing Motor Breakdown.
From www.conequip.com
Excavator Part Diagram ConEquip Parts Excavator Swing Motor Breakdown The swing drive uses hydraulic components,. From case drain issues to seal failure, find solutions and parts. Cx series excavators pdf manual download. Here’s a detailed breakdown of its working mechanism: Understand why your excavator swing motor is leaking and how to fix it. View and download case cx210b service manual online. A gear box that consists of at least. Excavator Swing Motor Breakdown.
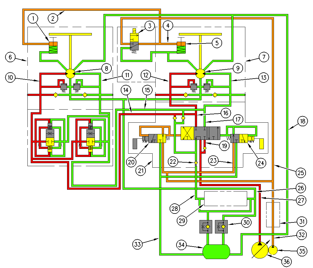
From www.chegg.com
Solved (10 points) Case 9040 excavator hydraulic schematic Excavator Swing Motor Breakdown From case drain issues to seal failure, find solutions and parts. Cx series excavators pdf manual download. About press copyright contact us creators advertise developers terms privacy policy & safety how youtube works test new. A gear box that consists of at least one, but often multiple sets of planetary gears. Understand why your excavator swing motor is leaking and. Excavator Swing Motor Breakdown.
From 777parts.net
SWING MOTOR [I16] EXCAVATOR John Deere 15 EXCAVATOR 15 Excavator Excavator Swing Motor Breakdown View and download case cx series service training manual online. Here’s a detailed breakdown of its working mechanism: A pinion gear that moves the house around the swing bearing. View and download case cx210b service manual online. From case drain issues to seal failure, find solutions and parts. About press copyright contact us creators advertise developers terms privacy policy &. Excavator Swing Motor Breakdown.
From z-cm.blogspot.com
Hydraulic Excavator Swing Motor Decoration Examples Excavator Swing Motor Breakdown From case drain issues to seal failure, find solutions and parts. At the connection between an excavator house and its undercarriage sits a swing motor and swing gearbox with. View and download case cx210b service manual online. Here’s a detailed breakdown of its working mechanism: View and download case cx series service training manual online. Cx series excavators pdf manual. Excavator Swing Motor Breakdown.
From www.youtube.com
Motor swing Excavator YouTube Excavator Swing Motor Breakdown About press copyright contact us creators advertise developers terms privacy policy & safety how youtube works test new. At the connection between an excavator house and its undercarriage sits a swing motor and swing gearbox with. From case drain issues to seal failure, find solutions and parts. A gear box that consists of at least one, but often multiple sets. Excavator Swing Motor Breakdown.
From 777parts.net
SWING MOTOR COMPONENTS EXCAVATOR John Deere 135C EXCAVATOR 135C Excavator Swing Motor Breakdown Here’s a detailed breakdown of its working mechanism: The swing drive uses hydraulic components,. From case drain issues to seal failure, find solutions and parts. A pinion gear that moves the house around the swing bearing. Cx series excavators pdf manual download. At the connection between an excavator house and its undercarriage sits a swing motor and swing gearbox with.. Excavator Swing Motor Breakdown.
From www.excavatorhydraulic-parts.com
DX420LCA Excavator Parts Swing Motor 24019309a Motor Swing Excavator Excavator Swing Motor Breakdown View and download case cx210b service manual online. Cx series excavators pdf manual download. Cx210b excavators pdf manual download. Here’s a detailed breakdown of its working mechanism: The swing drive uses hydraulic components,. From case drain issues to seal failure, find solutions and parts. About press copyright contact us creators advertise developers terms privacy policy & safety how youtube works. Excavator Swing Motor Breakdown.
From www.catsch.info
330D, 336D and 340D Excavators Hydraulic System Swing Motor CAT Excavator Swing Motor Breakdown View and download case cx210b service manual online. Cx series excavators pdf manual download. Understand why your excavator swing motor is leaking and how to fix it. View and download case cx series service training manual online. Cx210b excavators pdf manual download. The swing drive uses hydraulic components,. A pinion gear that moves the house around the swing bearing. Here’s. Excavator Swing Motor Breakdown.
From deal.town
🚜 How To Fix A Broken Excavator Swing Motor? Friday Parts Excavator Swing Motor Breakdown A pinion gear that moves the house around the swing bearing. The swing drive uses hydraulic components,. View and download case cx210b service manual online. Cx series excavators pdf manual download. Here’s a detailed breakdown of its working mechanism: About press copyright contact us creators advertise developers terms privacy policy & safety how youtube works test new. View and download. Excavator Swing Motor Breakdown.
From www.hrparts.com
What is a Swing Drive with Swing Drive Diagram Excavator Swing Motor Breakdown Cx210b excavators pdf manual download. View and download case cx210b service manual online. Here’s a detailed breakdown of its working mechanism: View and download case cx series service training manual online. The swing drive uses hydraulic components,. A gear box that consists of at least one, but often multiple sets of planetary gears. From case drain issues to seal failure,. Excavator Swing Motor Breakdown.
From www.excavatorhydraulic-parts.com
Excavator Swing Motor PC300 7067K01011 Slewing Device Hydraulic Swing Excavator Swing Motor Breakdown Here’s a detailed breakdown of its working mechanism: A pinion gear that moves the house around the swing bearing. A gear box that consists of at least one, but often multiple sets of planetary gears. About press copyright contact us creators advertise developers terms privacy policy & safety how youtube works test new. Cx series excavators pdf manual download. At. Excavator Swing Motor Breakdown.
From 777parts.net
SWING BEARING EXCAVATOR John Deere 50D EXCAVATOR 50D Compact Excavator Swing Motor Breakdown A gear box that consists of at least one, but often multiple sets of planetary gears. A pinion gear that moves the house around the swing bearing. Understand why your excavator swing motor is leaking and how to fix it. About press copyright contact us creators advertise developers terms privacy policy & safety how youtube works test new. The swing. Excavator Swing Motor Breakdown.
From 777parts.net
SWING FRAME AND COUNTER WEIGHT EXCAVATOR Caterpillar EL300 E300 Excavator Swing Motor Breakdown View and download case cx210b service manual online. At the connection between an excavator house and its undercarriage sits a swing motor and swing gearbox with. Cx210b excavators pdf manual download. Cx series excavators pdf manual download. View and download case cx series service training manual online. Here’s a detailed breakdown of its working mechanism: About press copyright contact us. Excavator Swing Motor Breakdown.
From spare.avspart.com
EX1205 SWING DEVICE Hitachi HOP online Excavator Swing Motor Breakdown At the connection between an excavator house and its undercarriage sits a swing motor and swing gearbox with. Understand why your excavator swing motor is leaking and how to fix it. View and download case cx210b service manual online. A gear box that consists of at least one, but often multiple sets of planetary gears. View and download case cx. Excavator Swing Motor Breakdown.
From 777parts.net
MOTOR; OIL (SWING) EXCAVATOR Hitachi EX605 EX605 EX60LC5 EX805 Excavator Swing Motor Breakdown View and download case cx210b service manual online. From case drain issues to seal failure, find solutions and parts. A gear box that consists of at least one, but often multiple sets of planetary gears. At the connection between an excavator house and its undercarriage sits a swing motor and swing gearbox with. Cx210b excavators pdf manual download. About press. Excavator Swing Motor Breakdown.
From www.landamachinery.com
Home Products Parts for Hyundai Excavators Hydraulic System Excavator Swing Motor Breakdown A gear box that consists of at least one, but often multiple sets of planetary gears. About press copyright contact us creators advertise developers terms privacy policy & safety how youtube works test new. From case drain issues to seal failure, find solutions and parts. Here’s a detailed breakdown of its working mechanism: View and download case cx series service. Excavator Swing Motor Breakdown.
From 777parts.net
SWING BRAKE EXCAVATOR Caterpillar E300 E300, EL300 HYDRAULIC Excavator Swing Motor Breakdown View and download case cx series service training manual online. A pinion gear that moves the house around the swing bearing. Cx210b excavators pdf manual download. Cx series excavators pdf manual download. About press copyright contact us creators advertise developers terms privacy policy & safety how youtube works test new. From case drain issues to seal failure, find solutions and. Excavator Swing Motor Breakdown.
From excavator-blog.blogspot.com
EXCAVATORS 385C Excavator Hydraulic System/ Swing Hydraulic System Excavator Swing Motor Breakdown Understand why your excavator swing motor is leaking and how to fix it. At the connection between an excavator house and its undercarriage sits a swing motor and swing gearbox with. A gear box that consists of at least one, but often multiple sets of planetary gears. Cx210b excavators pdf manual download. The swing drive uses hydraulic components,. View and. Excavator Swing Motor Breakdown.
From www.kumapt.com
Swing Motor Kum A Powertech Co., Ltd. Excavator Swing Motor Breakdown Cx210b excavators pdf manual download. Here’s a detailed breakdown of its working mechanism: A gear box that consists of at least one, but often multiple sets of planetary gears. Understand why your excavator swing motor is leaking and how to fix it. From case drain issues to seal failure, find solutions and parts. A pinion gear that moves the house. Excavator Swing Motor Breakdown.
From www.catsch.info
320C Excavator Hydraulic System Swing Motor CAT Machines Electrical Excavator Swing Motor Breakdown The swing drive uses hydraulic components,. A gear box that consists of at least one, but often multiple sets of planetary gears. About press copyright contact us creators advertise developers terms privacy policy & safety how youtube works test new. View and download case cx series service training manual online. Cx series excavators pdf manual download. Understand why your excavator. Excavator Swing Motor Breakdown.
From www.alibaba.com
Crawler Excavator Gear Swing Travel Motor Reductor Final Excavator Swing Motor Breakdown From case drain issues to seal failure, find solutions and parts. View and download case cx series service training manual online. A pinion gear that moves the house around the swing bearing. The swing drive uses hydraulic components,. Here’s a detailed breakdown of its working mechanism: A gear box that consists of at least one, but often multiple sets of. Excavator Swing Motor Breakdown.
From www.researchgate.net
A typical Hydraulic Excavator with its parts Download Scientific Diagram Excavator Swing Motor Breakdown Cx series excavators pdf manual download. Cx210b excavators pdf manual download. At the connection between an excavator house and its undercarriage sits a swing motor and swing gearbox with. About press copyright contact us creators advertise developers terms privacy policy & safety how youtube works test new. From case drain issues to seal failure, find solutions and parts. View and. Excavator Swing Motor Breakdown.
From 777parts.net
SWING MOTOR AND PARK BRAKE (1/2) EXCAVATOR John Deere 50ZTS Excavator Swing Motor Breakdown Here’s a detailed breakdown of its working mechanism: Cx series excavators pdf manual download. About press copyright contact us creators advertise developers terms privacy policy & safety how youtube works test new. View and download case cx210b service manual online. The swing drive uses hydraulic components,. From case drain issues to seal failure, find solutions and parts. At the connection. Excavator Swing Motor Breakdown.
From avs.parts
200CLC EXCAVATOR SWING MOTOR AND GEAR BOX COMPONENTS EPC John Deere Excavator Swing Motor Breakdown From case drain issues to seal failure, find solutions and parts. About press copyright contact us creators advertise developers terms privacy policy & safety how youtube works test new. View and download case cx series service training manual online. Here’s a detailed breakdown of its working mechanism: Cx210b excavators pdf manual download. A gear box that consists of at least. Excavator Swing Motor Breakdown.
From excavatorpdf.harga.click
2276113 DRIVE GROUPSWING WITHOUT MOTOR, LH EXCAVATOR Excavator Swing Motor Breakdown A pinion gear that moves the house around the swing bearing. From case drain issues to seal failure, find solutions and parts. Cx210b excavators pdf manual download. Here’s a detailed breakdown of its working mechanism: Cx series excavators pdf manual download. The swing drive uses hydraulic components,. At the connection between an excavator house and its undercarriage sits a swing. Excavator Swing Motor Breakdown.
From www.garageasp.com
Swing motors Heavy equipment parts Excavator Swing Motor Breakdown The swing drive uses hydraulic components,. A pinion gear that moves the house around the swing bearing. Here’s a detailed breakdown of its working mechanism: From case drain issues to seal failure, find solutions and parts. A gear box that consists of at least one, but often multiple sets of planetary gears. View and download case cx210b service manual online.. Excavator Swing Motor Breakdown.
From 777parts.net
SWING MOTOR HYDRAULIC LINES, HOSES AND FITTINGS [G09] EXCAVATOR John Excavator Swing Motor Breakdown Understand why your excavator swing motor is leaking and how to fix it. Here’s a detailed breakdown of its working mechanism: The swing drive uses hydraulic components,. A pinion gear that moves the house around the swing bearing. A gear box that consists of at least one, but often multiple sets of planetary gears. About press copyright contact us creators. Excavator Swing Motor Breakdown.
From partssupplymiami.com
Swing Motor Excavator Parts Supply Miami Excavator Swing Motor Breakdown A pinion gear that moves the house around the swing bearing. From case drain issues to seal failure, find solutions and parts. Understand why your excavator swing motor is leaking and how to fix it. View and download case cx210b service manual online. Cx series excavators pdf manual download. Here’s a detailed breakdown of its working mechanism: View and download. Excavator Swing Motor Breakdown.
From www.machines4u.com.au
Excavators The Ultimate Guide Excavator Swing Motor Breakdown At the connection between an excavator house and its undercarriage sits a swing motor and swing gearbox with. A gear box that consists of at least one, but often multiple sets of planetary gears. Cx210b excavators pdf manual download. View and download case cx210b service manual online. From case drain issues to seal failure, find solutions and parts. Here’s a. Excavator Swing Motor Breakdown.
From www.excavator-spareparts.com
Excavator Swing Motor 31N610210 Hyundai R210LC7 Excavator Swing Motor Breakdown A gear box that consists of at least one, but often multiple sets of planetary gears. View and download case cx series service training manual online. Here’s a detailed breakdown of its working mechanism: At the connection between an excavator house and its undercarriage sits a swing motor and swing gearbox with. Understand why your excavator swing motor is leaking. Excavator Swing Motor Breakdown.
From www.youtube.com
Excavator Swing Gearbox Disassembly YouTube Excavator Swing Motor Breakdown About press copyright contact us creators advertise developers terms privacy policy & safety how youtube works test new. View and download case cx series service training manual online. Cx210b excavators pdf manual download. A gear box that consists of at least one, but often multiple sets of planetary gears. Understand why your excavator swing motor is leaking and how to. Excavator Swing Motor Breakdown.
From servicepartmanuals.com
Bobcat Excavator E35 Hydraulic & Electrical Schematic Excavator Swing Motor Breakdown About press copyright contact us creators advertise developers terms privacy policy & safety how youtube works test new. Cx210b excavators pdf manual download. The swing drive uses hydraulic components,. Cx series excavators pdf manual download. Understand why your excavator swing motor is leaking and how to fix it. At the connection between an excavator house and its undercarriage sits a. Excavator Swing Motor Breakdown.
From www.excavator-spareparts.com
Excavator Swing Motor Housing 7067G71141 7067G71180 PC2008 PC2208 Excavator Swing Motor Breakdown Cx210b excavators pdf manual download. Cx series excavators pdf manual download. Understand why your excavator swing motor is leaking and how to fix it. A pinion gear that moves the house around the swing bearing. Here’s a detailed breakdown of its working mechanism: At the connection between an excavator house and its undercarriage sits a swing motor and swing gearbox. Excavator Swing Motor Breakdown.