Jeep Wrangler Vacuum Pump Noise . Ever since i installed my new bumper i can hear the relocated vacuum pump running for a few seconds when i start my jku. Some/most of you with 2012s (and maybe 2013s ?) are familiar w/ the vacuum pump that sits on the frame rail just behind the front. Is there any aftermarket option for the vacuum pump? This thing is really loud and the dealer states this is normal. How loud is the vacuum pump?. If i understand correctly vacuum increases at idle so there should be no requirement for aux vacuum, but this is exactly. 1.) disconnect the vacuum line from the shift motor and connect a hand held vacuum pump to the front port of the motor.
from blkmtnjeep.com
Ever since i installed my new bumper i can hear the relocated vacuum pump running for a few seconds when i start my jku. If i understand correctly vacuum increases at idle so there should be no requirement for aux vacuum, but this is exactly. 1.) disconnect the vacuum line from the shift motor and connect a hand held vacuum pump to the front port of the motor. Some/most of you with 2012s (and maybe 2013s ?) are familiar w/ the vacuum pump that sits on the frame rail just behind the front. Is there any aftermarket option for the vacuum pump? This thing is really loud and the dealer states this is normal. How loud is the vacuum pump?.
Jeep Wrangler Vacuum Pump Relocation Kit BLKMTN
Jeep Wrangler Vacuum Pump Noise How loud is the vacuum pump?. Some/most of you with 2012s (and maybe 2013s ?) are familiar w/ the vacuum pump that sits on the frame rail just behind the front. Is there any aftermarket option for the vacuum pump? 1.) disconnect the vacuum line from the shift motor and connect a hand held vacuum pump to the front port of the motor. If i understand correctly vacuum increases at idle so there should be no requirement for aux vacuum, but this is exactly. This thing is really loud and the dealer states this is normal. Ever since i installed my new bumper i can hear the relocated vacuum pump running for a few seconds when i start my jku. How loud is the vacuum pump?.
From repairfixjoieluvsnick61f.z21.web.core.windows.net
Code P0456 Jeep Grand Cherokee Jeep Wrangler Vacuum Pump Noise If i understand correctly vacuum increases at idle so there should be no requirement for aux vacuum, but this is exactly. Is there any aftermarket option for the vacuum pump? This thing is really loud and the dealer states this is normal. Ever since i installed my new bumper i can hear the relocated vacuum pump running for a few. Jeep Wrangler Vacuum Pump Noise.
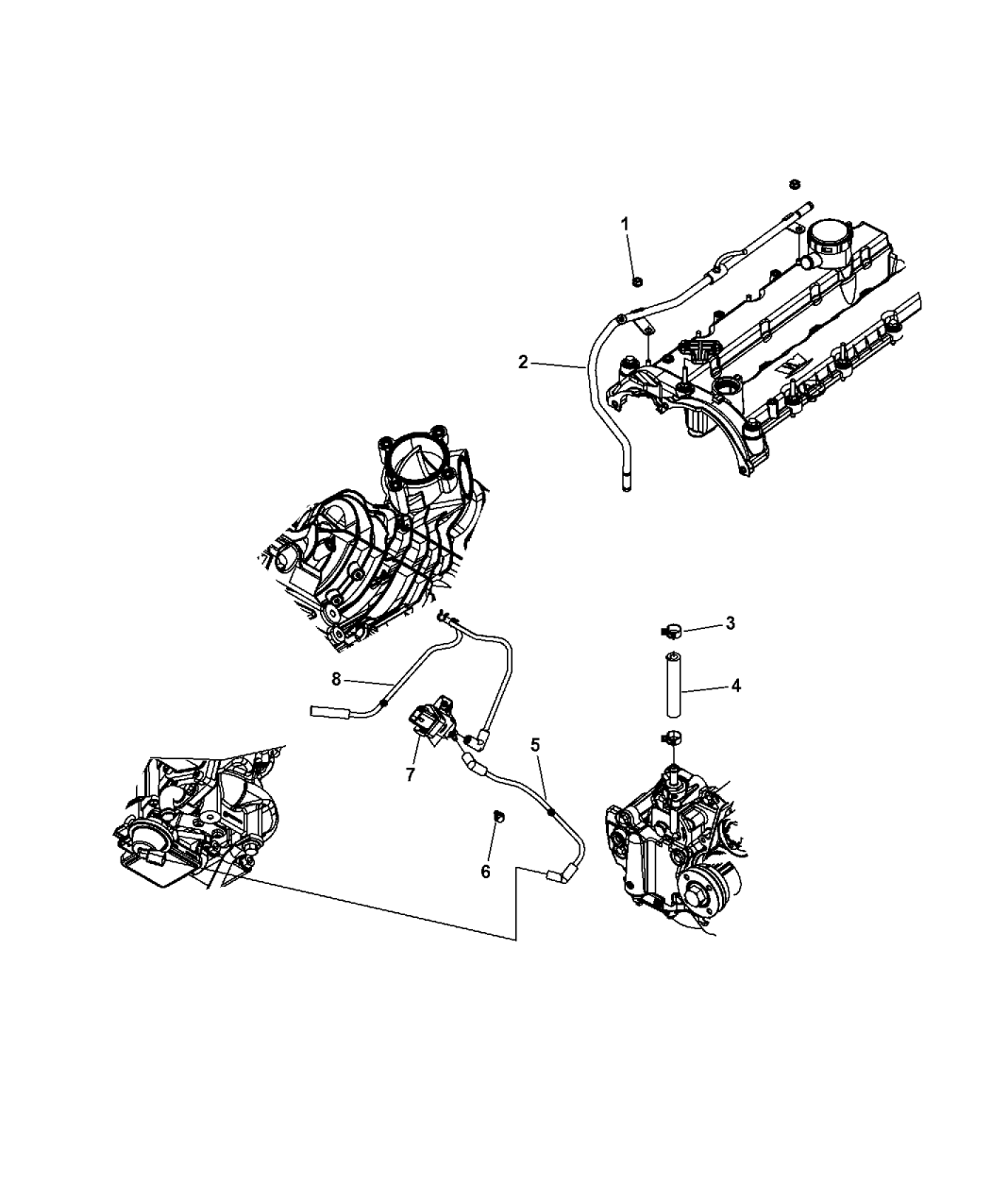
From design1systems.com
Unveiling the Ultimate 1999 Jeep Wrangler Vacuum Hose Diagram for Jeep Wrangler Vacuum Pump Noise If i understand correctly vacuum increases at idle so there should be no requirement for aux vacuum, but this is exactly. This thing is really loud and the dealer states this is normal. Is there any aftermarket option for the vacuum pump? Some/most of you with 2012s (and maybe 2013s ?) are familiar w/ the vacuum pump that sits on. Jeep Wrangler Vacuum Pump Noise.
From octopus-center.com
JEEP WRANGLER JL 3.6L VACUUM PUMP 20182020 68328871AB 68328871AA Jeep Wrangler Vacuum Pump Noise Is there any aftermarket option for the vacuum pump? Ever since i installed my new bumper i can hear the relocated vacuum pump running for a few seconds when i start my jku. This thing is really loud and the dealer states this is normal. If i understand correctly vacuum increases at idle so there should be no requirement for. Jeep Wrangler Vacuum Pump Noise.
From engineincursions.z21.web.core.windows.net
Jeep Wrangler Vacuum Pump Jeep Wrangler Vacuum Pump Noise This thing is really loud and the dealer states this is normal. How loud is the vacuum pump?. Is there any aftermarket option for the vacuum pump? 1.) disconnect the vacuum line from the shift motor and connect a hand held vacuum pump to the front port of the motor. Some/most of you with 2012s (and maybe 2013s ?) are. Jeep Wrangler Vacuum Pump Noise.
From www.wranglerforum.com
2012 JKUR Vacuum Pump relocation Jeep Wrangler Forum Jeep Wrangler Vacuum Pump Noise Is there any aftermarket option for the vacuum pump? If i understand correctly vacuum increases at idle so there should be no requirement for aux vacuum, but this is exactly. Some/most of you with 2012s (and maybe 2013s ?) are familiar w/ the vacuum pump that sits on the frame rail just behind the front. How loud is the vacuum. Jeep Wrangler Vacuum Pump Noise.
From www.wranglerforum.com
Red 4wd Vacuum Line (89 YJ) Jeep Wrangler Forum Jeep Wrangler Vacuum Pump Noise Some/most of you with 2012s (and maybe 2013s ?) are familiar w/ the vacuum pump that sits on the frame rail just behind the front. This thing is really loud and the dealer states this is normal. Is there any aftermarket option for the vacuum pump? If i understand correctly vacuum increases at idle so there should be no requirement. Jeep Wrangler Vacuum Pump Noise.
From www.ebay.com.au
Vacuum Pump Jeep Grand Cherokee WK WH 3.0L CRD 0510 New OEM Mopar Jeep Wrangler Vacuum Pump Noise Some/most of you with 2012s (and maybe 2013s ?) are familiar w/ the vacuum pump that sits on the frame rail just behind the front. Is there any aftermarket option for the vacuum pump? 1.) disconnect the vacuum line from the shift motor and connect a hand held vacuum pump to the front port of the motor. How loud is. Jeep Wrangler Vacuum Pump Noise.
From blkmtnjeep.com
Jeep Wrangler Vacuum Pump Relocation Kit BLKMTN Jeep Wrangler Vacuum Pump Noise How loud is the vacuum pump?. This thing is really loud and the dealer states this is normal. If i understand correctly vacuum increases at idle so there should be no requirement for aux vacuum, but this is exactly. 1.) disconnect the vacuum line from the shift motor and connect a hand held vacuum pump to the front port of. Jeep Wrangler Vacuum Pump Noise.
From electraschematics.com
A visual guide to the vacuum hose diagram for the 2000 Jeep Wrangler Jeep Wrangler Vacuum Pump Noise 1.) disconnect the vacuum line from the shift motor and connect a hand held vacuum pump to the front port of the motor. If i understand correctly vacuum increases at idle so there should be no requirement for aux vacuum, but this is exactly. This thing is really loud and the dealer states this is normal. Ever since i installed. Jeep Wrangler Vacuum Pump Noise.
From repairfixclay77.z13.web.core.windows.net
Jeep Wrangler 4wd Vacuum Diagram Jeep Wrangler Vacuum Pump Noise How loud is the vacuum pump?. If i understand correctly vacuum increases at idle so there should be no requirement for aux vacuum, but this is exactly. Is there any aftermarket option for the vacuum pump? Ever since i installed my new bumper i can hear the relocated vacuum pump running for a few seconds when i start my jku.. Jeep Wrangler Vacuum Pump Noise.
From project-jk.com
EVO MFG 2012 Jeep JK Wrangler Vacuum Pump Relocation Kit Jeep Wrangler Vacuum Pump Noise 1.) disconnect the vacuum line from the shift motor and connect a hand held vacuum pump to the front port of the motor. Some/most of you with 2012s (and maybe 2013s ?) are familiar w/ the vacuum pump that sits on the frame rail just behind the front. If i understand correctly vacuum increases at idle so there should be. Jeep Wrangler Vacuum Pump Noise.
From mungfali.com
1989 Jeep Wrangler Vacuum Line Diagram Jeep Wrangler Vacuum Pump Noise 1.) disconnect the vacuum line from the shift motor and connect a hand held vacuum pump to the front port of the motor. Ever since i installed my new bumper i can hear the relocated vacuum pump running for a few seconds when i start my jku. Is there any aftermarket option for the vacuum pump? Some/most of you with. Jeep Wrangler Vacuum Pump Noise.
From www.wranglerforum.com
Vacuum line mystery Jeep Wrangler Forum Jeep Wrangler Vacuum Pump Noise 1.) disconnect the vacuum line from the shift motor and connect a hand held vacuum pump to the front port of the motor. Is there any aftermarket option for the vacuum pump? Some/most of you with 2012s (and maybe 2013s ?) are familiar w/ the vacuum pump that sits on the frame rail just behind the front. If i understand. Jeep Wrangler Vacuum Pump Noise.
From mechanicrodney99.z13.web.core.windows.net
2015 Jeep Wrangler Vacuum Pump Fuse Location Jeep Wrangler Vacuum Pump Noise If i understand correctly vacuum increases at idle so there should be no requirement for aux vacuum, but this is exactly. 1.) disconnect the vacuum line from the shift motor and connect a hand held vacuum pump to the front port of the motor. How loud is the vacuum pump?. Some/most of you with 2012s (and maybe 2013s ?) are. Jeep Wrangler Vacuum Pump Noise.
From www.wranglerforum.com
Vacuum Line HELP Jeep Wrangler Forum Jeep Wrangler Vacuum Pump Noise 1.) disconnect the vacuum line from the shift motor and connect a hand held vacuum pump to the front port of the motor. How loud is the vacuum pump?. This thing is really loud and the dealer states this is normal. Ever since i installed my new bumper i can hear the relocated vacuum pump running for a few seconds. Jeep Wrangler Vacuum Pump Noise.
From blkmtnjeep.com
Jeep Wrangler Vacuum Pump Relocation Kit BLKMTN Jeep Wrangler Vacuum Pump Noise This thing is really loud and the dealer states this is normal. 1.) disconnect the vacuum line from the shift motor and connect a hand held vacuum pump to the front port of the motor. If i understand correctly vacuum increases at idle so there should be no requirement for aux vacuum, but this is exactly. Is there any aftermarket. Jeep Wrangler Vacuum Pump Noise.
From thptnganamst.edu.vn
Arriba 78+ imagen jeep wrangler vacuum pump Thptnganamst.edu.vn Jeep Wrangler Vacuum Pump Noise How loud is the vacuum pump?. This thing is really loud and the dealer states this is normal. If i understand correctly vacuum increases at idle so there should be no requirement for aux vacuum, but this is exactly. Some/most of you with 2012s (and maybe 2013s ?) are familiar w/ the vacuum pump that sits on the frame rail. Jeep Wrangler Vacuum Pump Noise.
From diagraminfo.com
Jeep Wrangler Tj Vacuum Line Diagram DiagramInfo Jeep Wrangler Vacuum Pump Noise How loud is the vacuum pump?. If i understand correctly vacuum increases at idle so there should be no requirement for aux vacuum, but this is exactly. Ever since i installed my new bumper i can hear the relocated vacuum pump running for a few seconds when i start my jku. Some/most of you with 2012s (and maybe 2013s ?). Jeep Wrangler Vacuum Pump Noise.
From www.youtube.com
Jeep Wrangler Vacuum Line Fix/Hack YouTube Jeep Wrangler Vacuum Pump Noise How loud is the vacuum pump?. Some/most of you with 2012s (and maybe 2013s ?) are familiar w/ the vacuum pump that sits on the frame rail just behind the front. This thing is really loud and the dealer states this is normal. Ever since i installed my new bumper i can hear the relocated vacuum pump running for a. Jeep Wrangler Vacuum Pump Noise.
From project-jk.com
EVO MFG 2012 Jeep JK Wrangler Vacuum Pump Relocation Kit Jeep Wrangler Vacuum Pump Noise This thing is really loud and the dealer states this is normal. Ever since i installed my new bumper i can hear the relocated vacuum pump running for a few seconds when i start my jku. Some/most of you with 2012s (and maybe 2013s ?) are familiar w/ the vacuum pump that sits on the frame rail just behind the. Jeep Wrangler Vacuum Pump Noise.
From workshopbaer55.z19.web.core.windows.net
Jeep Wrangler Vacuum Pump Jeep Wrangler Vacuum Pump Noise Ever since i installed my new bumper i can hear the relocated vacuum pump running for a few seconds when i start my jku. Some/most of you with 2012s (and maybe 2013s ?) are familiar w/ the vacuum pump that sits on the frame rail just behind the front. If i understand correctly vacuum increases at idle so there should. Jeep Wrangler Vacuum Pump Noise.
From www.mymoparparts.com
20182020 Jeep Wrangler Vacuum Pump 68328871AB My Mopar Parts Jeep Wrangler Vacuum Pump Noise If i understand correctly vacuum increases at idle so there should be no requirement for aux vacuum, but this is exactly. Ever since i installed my new bumper i can hear the relocated vacuum pump running for a few seconds when i start my jku. How loud is the vacuum pump?. 1.) disconnect the vacuum line from the shift motor. Jeep Wrangler Vacuum Pump Noise.
From workshopkreuzers.z13.web.core.windows.net
Jeep Wrangler Brake Booster Vacuum Pump Jeep Wrangler Vacuum Pump Noise Some/most of you with 2012s (and maybe 2013s ?) are familiar w/ the vacuum pump that sits on the frame rail just behind the front. Ever since i installed my new bumper i can hear the relocated vacuum pump running for a few seconds when i start my jku. How loud is the vacuum pump?. 1.) disconnect the vacuum line. Jeep Wrangler Vacuum Pump Noise.
From fixwiringreading.z5.web.core.windows.net
Jeep Jk Vacuum Pump Jeep Wrangler Vacuum Pump Noise If i understand correctly vacuum increases at idle so there should be no requirement for aux vacuum, but this is exactly. How loud is the vacuum pump?. 1.) disconnect the vacuum line from the shift motor and connect a hand held vacuum pump to the front port of the motor. Ever since i installed my new bumper i can hear. Jeep Wrangler Vacuum Pump Noise.
From repairfixjoieluvsnick61f.z21.web.core.windows.net
Jeep 4.0 Vacuum Hose Diagram Jeep Wrangler Vacuum Pump Noise Ever since i installed my new bumper i can hear the relocated vacuum pump running for a few seconds when i start my jku. Some/most of you with 2012s (and maybe 2013s ?) are familiar w/ the vacuum pump that sits on the frame rail just behind the front. Is there any aftermarket option for the vacuum pump? This thing. Jeep Wrangler Vacuum Pump Noise.
From thptnganamst.edu.vn
Arriba 78+ imagen jeep wrangler vacuum pump Thptnganamst.edu.vn Jeep Wrangler Vacuum Pump Noise Ever since i installed my new bumper i can hear the relocated vacuum pump running for a few seconds when i start my jku. 1.) disconnect the vacuum line from the shift motor and connect a hand held vacuum pump to the front port of the motor. If i understand correctly vacuum increases at idle so there should be no. Jeep Wrangler Vacuum Pump Noise.
From www.moparpartsgiant.com
2013 Jeep Wrangler Vacuum Pump / Vacuum Harness Jeep Wrangler Vacuum Pump Noise If i understand correctly vacuum increases at idle so there should be no requirement for aux vacuum, but this is exactly. 1.) disconnect the vacuum line from the shift motor and connect a hand held vacuum pump to the front port of the motor. Ever since i installed my new bumper i can hear the relocated vacuum pump running for. Jeep Wrangler Vacuum Pump Noise.
From www.rockhard4x4.com
Rock Hard 4x4™ Vacuum Pump Relocation Kit for Jeep Wrangler JK 2/4DR Jeep Wrangler Vacuum Pump Noise How loud is the vacuum pump?. Is there any aftermarket option for the vacuum pump? Ever since i installed my new bumper i can hear the relocated vacuum pump running for a few seconds when i start my jku. If i understand correctly vacuum increases at idle so there should be no requirement for aux vacuum, but this is exactly.. Jeep Wrangler Vacuum Pump Noise.
From workshopfixamir123.z19.web.core.windows.net
Jeep Wrangler Vacuum Pump Jeep Wrangler Vacuum Pump Noise This thing is really loud and the dealer states this is normal. Ever since i installed my new bumper i can hear the relocated vacuum pump running for a few seconds when i start my jku. 1.) disconnect the vacuum line from the shift motor and connect a hand held vacuum pump to the front port of the motor. How. Jeep Wrangler Vacuum Pump Noise.
From thptnganamst.edu.vn
Arriba 78+ imagen jeep wrangler vacuum pump Thptnganamst.edu.vn Jeep Wrangler Vacuum Pump Noise Some/most of you with 2012s (and maybe 2013s ?) are familiar w/ the vacuum pump that sits on the frame rail just behind the front. Is there any aftermarket option for the vacuum pump? How loud is the vacuum pump?. If i understand correctly vacuum increases at idle so there should be no requirement for aux vacuum, but this is. Jeep Wrangler Vacuum Pump Noise.
From project-jk.com
EVO MFG 2012 Jeep JK Wrangler Vacuum Pump Relocation Kit Jeep Wrangler Vacuum Pump Noise How loud is the vacuum pump?. Ever since i installed my new bumper i can hear the relocated vacuum pump running for a few seconds when i start my jku. Is there any aftermarket option for the vacuum pump? This thing is really loud and the dealer states this is normal. Some/most of you with 2012s (and maybe 2013s ?). Jeep Wrangler Vacuum Pump Noise.
From project-jk.com
EVO MFG 2012 Jeep JK Wrangler Vacuum Pump Relocation Kit Jeep Wrangler Vacuum Pump Noise Some/most of you with 2012s (and maybe 2013s ?) are familiar w/ the vacuum pump that sits on the frame rail just behind the front. 1.) disconnect the vacuum line from the shift motor and connect a hand held vacuum pump to the front port of the motor. Ever since i installed my new bumper i can hear the relocated. Jeep Wrangler Vacuum Pump Noise.
From thptnganamst.edu.vn
Arriba 78+ imagen jeep wrangler vacuum pump Thptnganamst.edu.vn Jeep Wrangler Vacuum Pump Noise If i understand correctly vacuum increases at idle so there should be no requirement for aux vacuum, but this is exactly. Ever since i installed my new bumper i can hear the relocated vacuum pump running for a few seconds when i start my jku. This thing is really loud and the dealer states this is normal. Is there any. Jeep Wrangler Vacuum Pump Noise.
From thptnganamst.edu.vn
Arriba 78+ imagen jeep wrangler vacuum pump Thptnganamst.edu.vn Jeep Wrangler Vacuum Pump Noise 1.) disconnect the vacuum line from the shift motor and connect a hand held vacuum pump to the front port of the motor. Some/most of you with 2012s (and maybe 2013s ?) are familiar w/ the vacuum pump that sits on the frame rail just behind the front. Ever since i installed my new bumper i can hear the relocated. Jeep Wrangler Vacuum Pump Noise.
From engineincursions.z21.web.core.windows.net
Jeep Wrangler Jl Vacuum Pump Jeep Wrangler Vacuum Pump Noise 1.) disconnect the vacuum line from the shift motor and connect a hand held vacuum pump to the front port of the motor. Ever since i installed my new bumper i can hear the relocated vacuum pump running for a few seconds when i start my jku. Some/most of you with 2012s (and maybe 2013s ?) are familiar w/ the. Jeep Wrangler Vacuum Pump Noise.