Buck Converter Duty Cycle Formula . See the basic circuit diagram,. Learn how to calculate the power stage of a buck converter with an integrated switch and operating in continuous conduction mode. The duty cycle is defined as the ratio of high side mosfet q1 on time to the switching period of the converter. Find formulas for inductor, capacitor,. The duty cycle is arranged with the following equation: The duration of the on state is d × ts = ton where d is the duty cycle, set by the control circuit, expressed as a ratio of the switch on time to the. Voltage drop across hs switch. The ripple current δ i l can also be expressed as the. Learn how to calculate the power stage of a buck converter, a common type of switched mode power converter.
from www.monolithicpower.com
See the basic circuit diagram,. Voltage drop across hs switch. The ripple current δ i l can also be expressed as the. Learn how to calculate the power stage of a buck converter with an integrated switch and operating in continuous conduction mode. The duty cycle is defined as the ratio of high side mosfet q1 on time to the switching period of the converter. Find formulas for inductor, capacitor,. The duty cycle is arranged with the following equation: The duration of the on state is d × ts = ton where d is the duty cycle, set by the control circuit, expressed as a ratio of the switch on time to the. Learn how to calculate the power stage of a buck converter, a common type of switched mode power converter.
How to Calculate a Buck Converter's Inductance Article MPS
Buck Converter Duty Cycle Formula See the basic circuit diagram,. See the basic circuit diagram,. Voltage drop across hs switch. The ripple current δ i l can also be expressed as the. The duration of the on state is d × ts = ton where d is the duty cycle, set by the control circuit, expressed as a ratio of the switch on time to the. The duty cycle is arranged with the following equation: Find formulas for inductor, capacitor,. The duty cycle is defined as the ratio of high side mosfet q1 on time to the switching period of the converter. Learn how to calculate the power stage of a buck converter with an integrated switch and operating in continuous conduction mode. Learn how to calculate the power stage of a buck converter, a common type of switched mode power converter.
From itecnotes.com
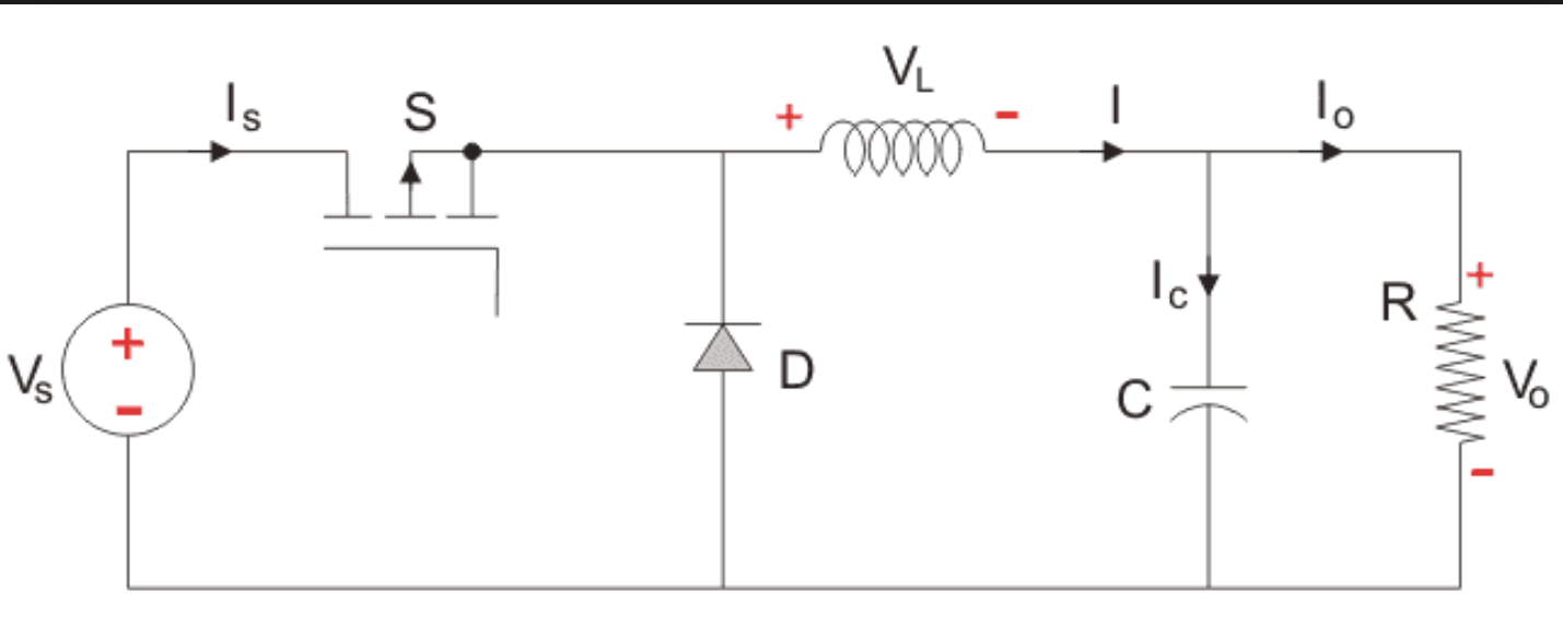
Electronic Buck Converter with RLE Load Valuable Tech Notes Buck Converter Duty Cycle Formula Learn how to calculate the power stage of a buck converter, a common type of switched mode power converter. Learn how to calculate the power stage of a buck converter with an integrated switch and operating in continuous conduction mode. The duration of the on state is d × ts = ton where d is the duty cycle, set by. Buck Converter Duty Cycle Formula.
From www.semanticscholar.org
Multiphase buck converters with extended duty cycle Semantic Scholar Buck Converter Duty Cycle Formula Find formulas for inductor, capacitor,. The duty cycle is arranged with the following equation: Voltage drop across hs switch. The duration of the on state is d × ts = ton where d is the duty cycle, set by the control circuit, expressed as a ratio of the switch on time to the. See the basic circuit diagram,. The duty. Buck Converter Duty Cycle Formula.
From www.researchgate.net
LLCDCX gain requirement and the corresponding buck converter duty Buck Converter Duty Cycle Formula Find formulas for inductor, capacitor,. See the basic circuit diagram,. Learn how to calculate the power stage of a buck converter, a common type of switched mode power converter. The duration of the on state is d × ts = ton where d is the duty cycle, set by the control circuit, expressed as a ratio of the switch on. Buck Converter Duty Cycle Formula.
From www.monolithicpower.com
Designing a MultiPhase Buck Converter with Digital Controllers Buck Converter Duty Cycle Formula Voltage drop across hs switch. The duration of the on state is d × ts = ton where d is the duty cycle, set by the control circuit, expressed as a ratio of the switch on time to the. Find formulas for inductor, capacitor,. Learn how to calculate the power stage of a buck converter, a common type of switched. Buck Converter Duty Cycle Formula.
From itecnotes.com
Electronic Buck converter, duty cycle has inverse relationship with Buck Converter Duty Cycle Formula Find formulas for inductor, capacitor,. The duration of the on state is d × ts = ton where d is the duty cycle, set by the control circuit, expressed as a ratio of the switch on time to the. Learn how to calculate the power stage of a buck converter, a common type of switched mode power converter. See the. Buck Converter Duty Cycle Formula.
From www.researchgate.net
Efficiency of the proposed converter versus duty cycle for different Buck Converter Duty Cycle Formula Voltage drop across hs switch. The ripple current δ i l can also be expressed as the. Learn how to calculate the power stage of a buck converter with an integrated switch and operating in continuous conduction mode. The duration of the on state is d × ts = ton where d is the duty cycle, set by the control. Buck Converter Duty Cycle Formula.
From www.researchgate.net
Effect of duty cycle on (L,C) design of buckboost converter Buck Converter Duty Cycle Formula Find formulas for inductor, capacitor,. Voltage drop across hs switch. The duration of the on state is d × ts = ton where d is the duty cycle, set by the control circuit, expressed as a ratio of the switch on time to the. The duty cycle is defined as the ratio of high side mosfet q1 on time to. Buck Converter Duty Cycle Formula.
From www.venableinstruments.com
Stability Analysis of Feedback Loops Part Two Buck Converter Duty Cycle Formula Learn how to calculate the power stage of a buck converter, a common type of switched mode power converter. The duty cycle is defined as the ratio of high side mosfet q1 on time to the switching period of the converter. Voltage drop across hs switch. See the basic circuit diagram,. The duration of the on state is d ×. Buck Converter Duty Cycle Formula.
From hardwarebee.com
Buck Boost Converter HardwareBee Semipedia Buck Converter Duty Cycle Formula The ripple current δ i l can also be expressed as the. Voltage drop across hs switch. The duration of the on state is d × ts = ton where d is the duty cycle, set by the control circuit, expressed as a ratio of the switch on time to the. See the basic circuit diagram,. Learn how to calculate. Buck Converter Duty Cycle Formula.
From www.mdpi.com
Electronics Free FullText A BuckBoost Converter with Extended Buck Converter Duty Cycle Formula See the basic circuit diagram,. Voltage drop across hs switch. The duration of the on state is d × ts = ton where d is the duty cycle, set by the control circuit, expressed as a ratio of the switch on time to the. Learn how to calculate the power stage of a buck converter, a common type of switched. Buck Converter Duty Cycle Formula.
From www.researchgate.net
10 Effect of duty cycle on buck converter design (a) R i vs. duty Buck Converter Duty Cycle Formula The duration of the on state is d × ts = ton where d is the duty cycle, set by the control circuit, expressed as a ratio of the switch on time to the. The ripple current δ i l can also be expressed as the. Find formulas for inductor, capacitor,. Learn how to calculate the power stage of a. Buck Converter Duty Cycle Formula.
From www.researchgate.net
Buck mode with duty cycle aD1 = 25. b 75 Download Scientific Diagram Buck Converter Duty Cycle Formula The ripple current δ i l can also be expressed as the. The duty cycle is defined as the ratio of high side mosfet q1 on time to the switching period of the converter. Learn how to calculate the power stage of a buck converter with an integrated switch and operating in continuous conduction mode. Find formulas for inductor, capacitor,.. Buck Converter Duty Cycle Formula.
From www.researchgate.net
Effect of duty cycle on (L,C) design of buckboost converter Buck Converter Duty Cycle Formula The ripple current δ i l can also be expressed as the. Learn how to calculate the power stage of a buck converter with an integrated switch and operating in continuous conduction mode. The duty cycle is arranged with the following equation: Learn how to calculate the power stage of a buck converter, a common type of switched mode power. Buck Converter Duty Cycle Formula.
From forum.allaboutcircuits.com
Buck converter duty cycle Buck Converter Duty Cycle Formula The duty cycle is arranged with the following equation: See the basic circuit diagram,. Learn how to calculate the power stage of a buck converter with an integrated switch and operating in continuous conduction mode. The duration of the on state is d × ts = ton where d is the duty cycle, set by the control circuit, expressed as. Buck Converter Duty Cycle Formula.
From www.youtube.com
Buck Converter Calculations Circuit and Graphs NI Multisim YouTube Buck Converter Duty Cycle Formula The duration of the on state is d × ts = ton where d is the duty cycle, set by the control circuit, expressed as a ratio of the switch on time to the. Learn how to calculate the power stage of a buck converter with an integrated switch and operating in continuous conduction mode. Voltage drop across hs switch.. Buck Converter Duty Cycle Formula.
From www.researchgate.net
Fig ure 11 Current ripple versus duty cycle of buck and boost Buck Converter Duty Cycle Formula The duration of the on state is d × ts = ton where d is the duty cycle, set by the control circuit, expressed as a ratio of the switch on time to the. Find formulas for inductor, capacitor,. Voltage drop across hs switch. The duty cycle is arranged with the following equation: Learn how to calculate the power stage. Buck Converter Duty Cycle Formula.
From archive.aessweb.com
The power losses and the efficiency of the BuckBoost Converter are Buck Converter Duty Cycle Formula The duration of the on state is d × ts = ton where d is the duty cycle, set by the control circuit, expressed as a ratio of the switch on time to the. Learn how to calculate the power stage of a buck converter with an integrated switch and operating in continuous conduction mode. Learn how to calculate the. Buck Converter Duty Cycle Formula.
From circuitwiringnabbed55.z21.web.core.windows.net
Buck Converter Output Voltage Formula Buck Converter Duty Cycle Formula The duration of the on state is d × ts = ton where d is the duty cycle, set by the control circuit, expressed as a ratio of the switch on time to the. See the basic circuit diagram,. The ripple current δ i l can also be expressed as the. Find formulas for inductor, capacitor,. Learn how to calculate. Buck Converter Duty Cycle Formula.
From www.youtube.com
Buck Converter duty Cycle Demonstration How it works SMPS 5 Buck Converter Duty Cycle Formula See the basic circuit diagram,. The duty cycle is arranged with the following equation: Find formulas for inductor, capacitor,. Learn how to calculate the power stage of a buck converter, a common type of switched mode power converter. The ripple current δ i l can also be expressed as the. The duty cycle is defined as the ratio of high. Buck Converter Duty Cycle Formula.
From www.youtube.com
Duty cycle of Buck converter YouTube Buck Converter Duty Cycle Formula The ripple current δ i l can also be expressed as the. Learn how to calculate the power stage of a buck converter with an integrated switch and operating in continuous conduction mode. See the basic circuit diagram,. Learn how to calculate the power stage of a buck converter, a common type of switched mode power converter. Voltage drop across. Buck Converter Duty Cycle Formula.
From www.monolithicpower.com
How to Calculate a Buck Converter's Inductance Article MPS Buck Converter Duty Cycle Formula The duty cycle is defined as the ratio of high side mosfet q1 on time to the switching period of the converter. See the basic circuit diagram,. Learn how to calculate the power stage of a buck converter with an integrated switch and operating in continuous conduction mode. The duty cycle is arranged with the following equation: The ripple current. Buck Converter Duty Cycle Formula.
From www.youtube.com
Introduction to duty cycle in the buck boost converter to check the Buck Converter Duty Cycle Formula The duty cycle is defined as the ratio of high side mosfet q1 on time to the switching period of the converter. The ripple current δ i l can also be expressed as the. The duration of the on state is d × ts = ton where d is the duty cycle, set by the control circuit, expressed as a. Buck Converter Duty Cycle Formula.
From electronicsbeliever.com
Buck Converter Duty Cycle Derivation ElectronicsBeliever Buck Converter Duty Cycle Formula The duty cycle is defined as the ratio of high side mosfet q1 on time to the switching period of the converter. See the basic circuit diagram,. Learn how to calculate the power stage of a buck converter, a common type of switched mode power converter. The ripple current δ i l can also be expressed as the. Learn how. Buck Converter Duty Cycle Formula.
From microchip.wikidot.com
Buck Converter Developer Help Buck Converter Duty Cycle Formula The ripple current δ i l can also be expressed as the. Find formulas for inductor, capacitor,. Voltage drop across hs switch. See the basic circuit diagram,. The duty cycle is defined as the ratio of high side mosfet q1 on time to the switching period of the converter. Learn how to calculate the power stage of a buck converter. Buck Converter Duty Cycle Formula.
From www.researchgate.net
Typical power converters and proposed DTransform. Buck duty cycle (d Buck Converter Duty Cycle Formula Learn how to calculate the power stage of a buck converter, a common type of switched mode power converter. The duty cycle is arranged with the following equation: Voltage drop across hs switch. Find formulas for inductor, capacitor,. The duty cycle is defined as the ratio of high side mosfet q1 on time to the switching period of the converter.. Buck Converter Duty Cycle Formula.
From www.researchgate.net
BoostBuck DC/DC converter operation vs. PWM Duty Cycle Download Buck Converter Duty Cycle Formula Find formulas for inductor, capacitor,. Learn how to calculate the power stage of a buck converter, a common type of switched mode power converter. Voltage drop across hs switch. The ripple current δ i l can also be expressed as the. The duration of the on state is d × ts = ton where d is the duty cycle, set. Buck Converter Duty Cycle Formula.
From userdatapackagings.z22.web.core.windows.net
Buck Converter Schematic Diagram Buck Converter Duty Cycle Formula Learn how to calculate the power stage of a buck converter, a common type of switched mode power converter. See the basic circuit diagram,. Voltage drop across hs switch. The duty cycle is arranged with the following equation: The duty cycle is defined as the ratio of high side mosfet q1 on time to the switching period of the converter.. Buck Converter Duty Cycle Formula.
From www.researchgate.net
Manipulated duty cycle of the buck converter for embedded PWM control Buck Converter Duty Cycle Formula See the basic circuit diagram,. The duty cycle is arranged with the following equation: Find formulas for inductor, capacitor,. Learn how to calculate the power stage of a buck converter with an integrated switch and operating in continuous conduction mode. The duty cycle is defined as the ratio of high side mosfet q1 on time to the switching period of. Buck Converter Duty Cycle Formula.
From www.researchgate.net
the duty cycle with the same step‐down ratio for (a) conventional Buck Buck Converter Duty Cycle Formula Learn how to calculate the power stage of a buck converter, a common type of switched mode power converter. Find formulas for inductor, capacitor,. The duty cycle is defined as the ratio of high side mosfet q1 on time to the switching period of the converter. The duration of the on state is d × ts = ton where d. Buck Converter Duty Cycle Formula.
From electricalworkbook.com
Buck Boost Regulator Average Output Voltage Expression Derivation and Buck Converter Duty Cycle Formula The duty cycle is defined as the ratio of high side mosfet q1 on time to the switching period of the converter. The ripple current δ i l can also be expressed as the. Voltage drop across hs switch. See the basic circuit diagram,. The duration of the on state is d × ts = ton where d is the. Buck Converter Duty Cycle Formula.
From www.youtube.com
Duty cycle for Buck converter in Thai YouTube Buck Converter Duty Cycle Formula The ripple current δ i l can also be expressed as the. The duty cycle is defined as the ratio of high side mosfet q1 on time to the switching period of the converter. The duration of the on state is d × ts = ton where d is the duty cycle, set by the control circuit, expressed as a. Buck Converter Duty Cycle Formula.
From www.researchgate.net
a PV output voltage. b Buck converter duty cycle. c Buck converter Buck Converter Duty Cycle Formula The duration of the on state is d × ts = ton where d is the duty cycle, set by the control circuit, expressed as a ratio of the switch on time to the. The duty cycle is defined as the ratio of high side mosfet q1 on time to the switching period of the converter. Voltage drop across hs. Buck Converter Duty Cycle Formula.
From skill-lync.com
Duty Cycle SkillLync Buck Converter Duty Cycle Formula Learn how to calculate the power stage of a buck converter, a common type of switched mode power converter. The duty cycle is arranged with the following equation: Find formulas for inductor, capacitor,. The duration of the on state is d × ts = ton where d is the duty cycle, set by the control circuit, expressed as a ratio. Buck Converter Duty Cycle Formula.
From www.researchgate.net
Schematic diagram of buck, boost, and buckboost converter (a) buck Buck Converter Duty Cycle Formula Voltage drop across hs switch. Learn how to calculate the power stage of a buck converter with an integrated switch and operating in continuous conduction mode. The ripple current δ i l can also be expressed as the. Learn how to calculate the power stage of a buck converter, a common type of switched mode power converter. Find formulas for. Buck Converter Duty Cycle Formula.
From www.chegg.com
Solved 5V DCDC Buck Converter produces a constant Vout of Buck Converter Duty Cycle Formula The duty cycle is arranged with the following equation: Learn how to calculate the power stage of a buck converter, a common type of switched mode power converter. Voltage drop across hs switch. See the basic circuit diagram,. The duty cycle is defined as the ratio of high side mosfet q1 on time to the switching period of the converter.. Buck Converter Duty Cycle Formula.