Coat Hanger Plant Hook . Clothing rack with hook plant hangers. Set of 4 macrame plant hanger / cup hook holder / coat hanger shelf bracket cast iron hanging hooks | finished in black includes fixings (1.7k) sale. Vertical hanger via i heart naptime. Check out our plant coat hook selection for the very best in unique or custom, handmade pieces from our hooks & fixtures shops. Metal clothing rack with shelves. This is a terrific way to. browse unique and decorative hooks, coat racks, key racks, and plant hangers. This plant hanger is literally just a bracket that mounts to your wall and cleverly hooks the rim of your clay plant pots. Key holder, coat hook,strong suction hooks. 50+ bought in past month.
from www.litfad.com
Metal clothing rack with shelves. This is a terrific way to. Clothing rack with hook plant hangers. 50+ bought in past month. Key holder, coat hook,strong suction hooks. browse unique and decorative hooks, coat racks, key racks, and plant hangers. This plant hanger is literally just a bracket that mounts to your wall and cleverly hooks the rim of your clay plant pots. Set of 4 macrame plant hanger / cup hook holder / coat hanger shelf bracket cast iron hanging hooks | finished in black includes fixings (1.7k) sale. Vertical hanger via i heart naptime. Check out our plant coat hook selection for the very best in unique or custom, handmade pieces from our hooks & fixtures shops.
Luxurious Metallic Round Coat Hanger Free Standing Hooks Design Coat
Coat Hanger Plant Hook 50+ bought in past month. 50+ bought in past month. Check out our plant coat hook selection for the very best in unique or custom, handmade pieces from our hooks & fixtures shops. This plant hanger is literally just a bracket that mounts to your wall and cleverly hooks the rim of your clay plant pots. This is a terrific way to. Metal clothing rack with shelves. Vertical hanger via i heart naptime. Set of 4 macrame plant hanger / cup hook holder / coat hanger shelf bracket cast iron hanging hooks | finished in black includes fixings (1.7k) sale. Key holder, coat hook,strong suction hooks. browse unique and decorative hooks, coat racks, key racks, and plant hangers. Clothing rack with hook plant hangers.
From www.eurekafurniture.com.au
Farmhouse Coat Hanger 2 Hook Eureka Furniture Coat Hanger Plant Hook Clothing rack with hook plant hangers. Key holder, coat hook,strong suction hooks. 50+ bought in past month. Metal clothing rack with shelves. Check out our plant coat hook selection for the very best in unique or custom, handmade pieces from our hooks & fixtures shops. This is a terrific way to. This plant hanger is literally just a bracket that. Coat Hanger Plant Hook.
From www.walmart.com
Wall Mounted Hook 2 Hooks Foldable Rack Bamboo Coat Handbags Hanger Coat Hanger Plant Hook Metal clothing rack with shelves. Check out our plant coat hook selection for the very best in unique or custom, handmade pieces from our hooks & fixtures shops. 50+ bought in past month. This is a terrific way to. Set of 4 macrame plant hanger / cup hook holder / coat hanger shelf bracket cast iron hanging hooks | finished. Coat Hanger Plant Hook.
From www.aliexpress.com
Creative Natural wood hooks wall coat hanger coat rack clothes hanger Coat Hanger Plant Hook browse unique and decorative hooks, coat racks, key racks, and plant hangers. Vertical hanger via i heart naptime. 50+ bought in past month. This plant hanger is literally just a bracket that mounts to your wall and cleverly hooks the rim of your clay plant pots. Check out our plant coat hook selection for the very best in unique or. Coat Hanger Plant Hook.
From www.amazon.ca
100 Pcs Clothes Hanger Connector Hooks, Space Saving Cascading Clothes Coat Hanger Plant Hook Vertical hanger via i heart naptime. Check out our plant coat hook selection for the very best in unique or custom, handmade pieces from our hooks & fixtures shops. browse unique and decorative hooks, coat racks, key racks, and plant hangers. This plant hanger is literally just a bracket that mounts to your wall and cleverly hooks the rim of. Coat Hanger Plant Hook.
From www.ebay.com
Wooden Coat Rack 4 Hook Wall Mounted Folding Clothes Hanger Hooks Coat Hanger Plant Hook Key holder, coat hook,strong suction hooks. Metal clothing rack with shelves. Set of 4 macrame plant hanger / cup hook holder / coat hanger shelf bracket cast iron hanging hooks | finished in black includes fixings (1.7k) sale. This plant hanger is literally just a bracket that mounts to your wall and cleverly hooks the rim of your clay plant. Coat Hanger Plant Hook.
From www.amazon.ca
Dseap Coat Rack Wall Mounted 5 Tri Hooks, Heavy Duty, Stainless Steel Coat Hanger Plant Hook Set of 4 macrame plant hanger / cup hook holder / coat hanger shelf bracket cast iron hanging hooks | finished in black includes fixings (1.7k) sale. Clothing rack with hook plant hangers. Vertical hanger via i heart naptime. browse unique and decorative hooks, coat racks, key racks, and plant hangers. This plant hanger is literally just a bracket that. Coat Hanger Plant Hook.
From www.pinterest.com
6pcs Clothes Hanger Connect Hook Clothes hanger, Clothes hanger hooks Coat Hanger Plant Hook Set of 4 macrame plant hanger / cup hook holder / coat hanger shelf bracket cast iron hanging hooks | finished in black includes fixings (1.7k) sale. This plant hanger is literally just a bracket that mounts to your wall and cleverly hooks the rim of your clay plant pots. 50+ bought in past month. Metal clothing rack with shelves.. Coat Hanger Plant Hook.
From www.pinterest.com
Knitting Pattern for Coat Hanger This is a really easy way to Coat Hanger Plant Hook This is a terrific way to. Check out our plant coat hook selection for the very best in unique or custom, handmade pieces from our hooks & fixtures shops. browse unique and decorative hooks, coat racks, key racks, and plant hangers. Vertical hanger via i heart naptime. Metal clothing rack with shelves. Set of 4 macrame plant hanger / cup. Coat Hanger Plant Hook.
From teammost16.gitlab.io
Fantastic Plant Hook Stand Best Garden Basket Coat Hanger Plant Hook Clothing rack with hook plant hangers. Key holder, coat hook,strong suction hooks. This plant hanger is literally just a bracket that mounts to your wall and cleverly hooks the rim of your clay plant pots. Vertical hanger via i heart naptime. 50+ bought in past month. Metal clothing rack with shelves. browse unique and decorative hooks, coat racks, key racks,. Coat Hanger Plant Hook.
From www.thespruce.com
The 12 Best Coat Hooks of 2022 Coat Hanger Plant Hook Metal clothing rack with shelves. Clothing rack with hook plant hangers. Vertical hanger via i heart naptime. 50+ bought in past month. Check out our plant coat hook selection for the very best in unique or custom, handmade pieces from our hooks & fixtures shops. Set of 4 macrame plant hanger / cup hook holder / coat hanger shelf bracket. Coat Hanger Plant Hook.
From www.taiwantrade.com
Metal Vertical Coat Hanger Hooks Coat Hanger Plant Hook Key holder, coat hook,strong suction hooks. This plant hanger is literally just a bracket that mounts to your wall and cleverly hooks the rim of your clay plant pots. Vertical hanger via i heart naptime. Set of 4 macrame plant hanger / cup hook holder / coat hanger shelf bracket cast iron hanging hooks | finished in black includes fixings. Coat Hanger Plant Hook.
From www.litfad.com
Luxurious Metallic Round Coat Hanger Free Standing Hooks Design Coat Coat Hanger Plant Hook Metal clothing rack with shelves. This plant hanger is literally just a bracket that mounts to your wall and cleverly hooks the rim of your clay plant pots. 50+ bought in past month. This is a terrific way to. Set of 4 macrame plant hanger / cup hook holder / coat hanger shelf bracket cast iron hanging hooks | finished. Coat Hanger Plant Hook.
From www.walmart.com
10Pcs Wall Mounted Hook Robe Hooks Single Coat Hanger Hanging, Zinc Coat Hanger Plant Hook browse unique and decorative hooks, coat racks, key racks, and plant hangers. Metal clothing rack with shelves. Clothing rack with hook plant hangers. Check out our plant coat hook selection for the very best in unique or custom, handmade pieces from our hooks & fixtures shops. This plant hanger is literally just a bracket that mounts to your wall and. Coat Hanger Plant Hook.
From www.walmart.com
VECELO Modern Free Standing Coat Rack Tree with Hooks & Shelf & Basket Coat Hanger Plant Hook Vertical hanger via i heart naptime. Check out our plant coat hook selection for the very best in unique or custom, handmade pieces from our hooks & fixtures shops. Set of 4 macrame plant hanger / cup hook holder / coat hanger shelf bracket cast iron hanging hooks | finished in black includes fixings (1.7k) sale. 50+ bought in past. Coat Hanger Plant Hook.
From www.ebay.co.uk
Double Coat Hanger Hook Door Wall Bath BK24 Chrome Multi Pack eBay Coat Hanger Plant Hook Clothing rack with hook plant hangers. Key holder, coat hook,strong suction hooks. This is a terrific way to. Metal clothing rack with shelves. 50+ bought in past month. browse unique and decorative hooks, coat racks, key racks, and plant hangers. Check out our plant coat hook selection for the very best in unique or custom, handmade pieces from our hooks. Coat Hanger Plant Hook.
From www.lightplanlighting.com
Coat Hanger Geneva 5 Hook Buy from Lightplan Coat Hanger Plant Hook This is a terrific way to. This plant hanger is literally just a bracket that mounts to your wall and cleverly hooks the rim of your clay plant pots. Clothing rack with hook plant hangers. Set of 4 macrame plant hanger / cup hook holder / coat hanger shelf bracket cast iron hanging hooks | finished in black includes fixings. Coat Hanger Plant Hook.
From www.pinterest.com
Propagating a Hydrangeas With a Wire Coat Hanger! Wire coat hangers Coat Hanger Plant Hook Metal clothing rack with shelves. Set of 4 macrame plant hanger / cup hook holder / coat hanger shelf bracket cast iron hanging hooks | finished in black includes fixings (1.7k) sale. Check out our plant coat hook selection for the very best in unique or custom, handmade pieces from our hooks & fixtures shops. This plant hanger is literally. Coat Hanger Plant Hook.
From www.homesdirect365.co.uk
Teak Branch Coat Hanger Teak Coat Hanger Wooden Coat Hanger Coat Hanger Plant Hook Metal clothing rack with shelves. Check out our plant coat hook selection for the very best in unique or custom, handmade pieces from our hooks & fixtures shops. 50+ bought in past month. Set of 4 macrame plant hanger / cup hook holder / coat hanger shelf bracket cast iron hanging hooks | finished in black includes fixings (1.7k) sale.. Coat Hanger Plant Hook.
From www.etsy.com
Hand metal plant hanger Decorative indoor outdoor fancy Etsy Coat Hanger Plant Hook browse unique and decorative hooks, coat racks, key racks, and plant hangers. Vertical hanger via i heart naptime. Set of 4 macrame plant hanger / cup hook holder / coat hanger shelf bracket cast iron hanging hooks | finished in black includes fixings (1.7k) sale. Check out our plant coat hook selection for the very best in unique or custom,. Coat Hanger Plant Hook.
From www.pricepulse.app
YourGift 30 Pack Heavy Duty S Hooks Black S Shaped Hooks Hanging Coat Hanger Plant Hook Check out our plant coat hook selection for the very best in unique or custom, handmade pieces from our hooks & fixtures shops. 50+ bought in past month. Vertical hanger via i heart naptime. This plant hanger is literally just a bracket that mounts to your wall and cleverly hooks the rim of your clay plant pots. Key holder, coat. Coat Hanger Plant Hook.
From www.aliexpress.com
2pcs Wooden Hangers Camphor Wood Durable Widen Clothes Hanger Luxury Coat Hanger Plant Hook browse unique and decorative hooks, coat racks, key racks, and plant hangers. 50+ bought in past month. Metal clothing rack with shelves. Set of 4 macrame plant hanger / cup hook holder / coat hanger shelf bracket cast iron hanging hooks | finished in black includes fixings (1.7k) sale. This is a terrific way to. Clothing rack with hook plant. Coat Hanger Plant Hook.
From www.takealot.com
5 Pin Cloth or Key Wall Hook Coat Hanger Holder Stainless Steel Buy Coat Hanger Plant Hook Check out our plant coat hook selection for the very best in unique or custom, handmade pieces from our hooks & fixtures shops. Metal clothing rack with shelves. 50+ bought in past month. This is a terrific way to. Clothing rack with hook plant hangers. browse unique and decorative hooks, coat racks, key racks, and plant hangers. This plant hanger. Coat Hanger Plant Hook.
From www.pinterest.com
Round Wooden Coat Hook by TOMAZIN modern coat hanger, round wooden Coat Hanger Plant Hook Vertical hanger via i heart naptime. Set of 4 macrame plant hanger / cup hook holder / coat hanger shelf bracket cast iron hanging hooks | finished in black includes fixings (1.7k) sale. 50+ bought in past month. browse unique and decorative hooks, coat racks, key racks, and plant hangers. Key holder, coat hook,strong suction hooks. This plant hanger is. Coat Hanger Plant Hook.
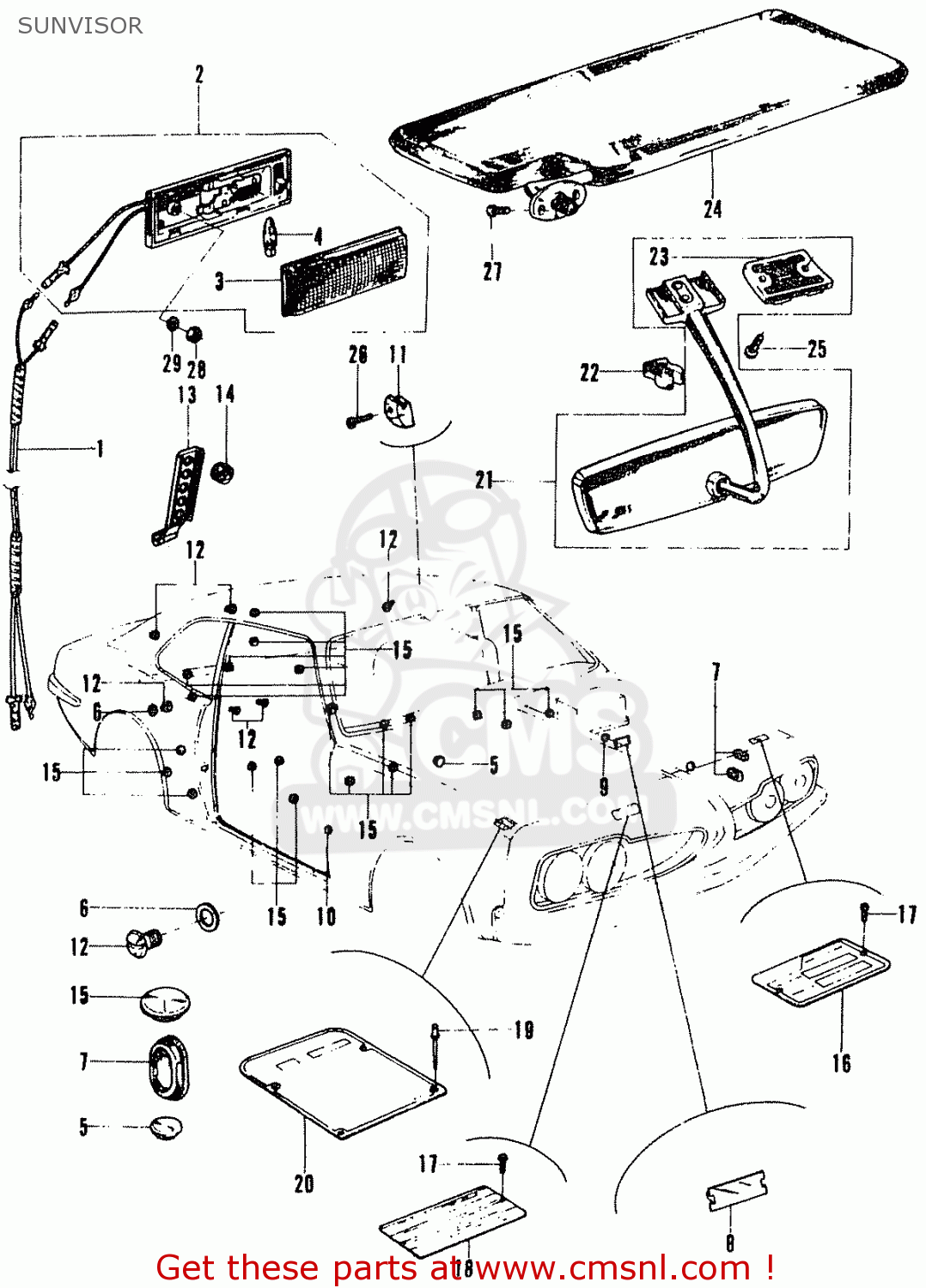
From www.cmsnl.com
71855594910CA Hook, Coat Hanger Honda buy the 71855594910CA at CMSNL Coat Hanger Plant Hook Set of 4 macrame plant hanger / cup hook holder / coat hanger shelf bracket cast iron hanging hooks | finished in black includes fixings (1.7k) sale. Clothing rack with hook plant hangers. 50+ bought in past month. Key holder, coat hook,strong suction hooks. Check out our plant coat hook selection for the very best in unique or custom, handmade. Coat Hanger Plant Hook.
From www.carid.com
OER® MB4121 Coat Hanger Hook Coat Hanger Plant Hook Key holder, coat hook,strong suction hooks. This plant hanger is literally just a bracket that mounts to your wall and cleverly hooks the rim of your clay plant pots. Vertical hanger via i heart naptime. This is a terrific way to. Metal clothing rack with shelves. Check out our plant coat hook selection for the very best in unique or. Coat Hanger Plant Hook.
From www.pinterest.com.mx
Hangers for plants Macrame Plant Hanger, Hangers, Plants, Home Decor Coat Hanger Plant Hook Clothing rack with hook plant hangers. Key holder, coat hook,strong suction hooks. Vertical hanger via i heart naptime. browse unique and decorative hooks, coat racks, key racks, and plant hangers. 50+ bought in past month. Check out our plant coat hook selection for the very best in unique or custom, handmade pieces from our hooks & fixtures shops. Metal clothing. Coat Hanger Plant Hook.
From www.amazon.co.uk
susswiff Wood Coat Hooks Wall Mounted, 4 Pack Oval Coat Hangers for Coat Hanger Plant Hook This plant hanger is literally just a bracket that mounts to your wall and cleverly hooks the rim of your clay plant pots. Check out our plant coat hook selection for the very best in unique or custom, handmade pieces from our hooks & fixtures shops. Metal clothing rack with shelves. Vertical hanger via i heart naptime. This is a. Coat Hanger Plant Hook.
From www.pinterest.com
Black Tree Coat Hanger Diy coat rack, Hokku designs, Coat rack Coat Hanger Plant Hook Vertical hanger via i heart naptime. This plant hanger is literally just a bracket that mounts to your wall and cleverly hooks the rim of your clay plant pots. Set of 4 macrame plant hanger / cup hook holder / coat hanger shelf bracket cast iron hanging hooks | finished in black includes fixings (1.7k) sale. This is a terrific. Coat Hanger Plant Hook.
From poshpennies.com
The Best 9 Indoor Hanging Plants Even A Beginner Won't Kill Posh Pennies Coat Hanger Plant Hook Vertical hanger via i heart naptime. This is a terrific way to. Set of 4 macrame plant hanger / cup hook holder / coat hanger shelf bracket cast iron hanging hooks | finished in black includes fixings (1.7k) sale. browse unique and decorative hooks, coat racks, key racks, and plant hangers. 50+ bought in past month. Key holder, coat hook,strong. Coat Hanger Plant Hook.
From jchangers.com
WS40DELUXE WOOD COAT HANGERS JARED HANGERS Coat Hanger Plant Hook 50+ bought in past month. This is a terrific way to. browse unique and decorative hooks, coat racks, key racks, and plant hangers. Vertical hanger via i heart naptime. Set of 4 macrame plant hanger / cup hook holder / coat hanger shelf bracket cast iron hanging hooks | finished in black includes fixings (1.7k) sale. Key holder, coat hook,strong. Coat Hanger Plant Hook.
From www.pinterest.com
DIY Projects Using Hangers Diy Projects To Try, Crafts To Make, Fun Coat Hanger Plant Hook Check out our plant coat hook selection for the very best in unique or custom, handmade pieces from our hooks & fixtures shops. Clothing rack with hook plant hangers. This plant hanger is literally just a bracket that mounts to your wall and cleverly hooks the rim of your clay plant pots. Key holder, coat hook,strong suction hooks. Vertical hanger. Coat Hanger Plant Hook.
From www.macumba.mu
PATER Coat Hanging W/Hooks 72 Cm Macumba Coat Hanger Plant Hook Vertical hanger via i heart naptime. browse unique and decorative hooks, coat racks, key racks, and plant hangers. Check out our plant coat hook selection for the very best in unique or custom, handmade pieces from our hooks & fixtures shops. 50+ bought in past month. Clothing rack with hook plant hangers. Set of 4 macrame plant hanger / cup. Coat Hanger Plant Hook.
From www.ebay.com
Wooden Coat Rack Wall Mount W/ 37Movable Metal Hooks Mudroom Bathroom Coat Hanger Plant Hook Check out our plant coat hook selection for the very best in unique or custom, handmade pieces from our hooks & fixtures shops. Vertical hanger via i heart naptime. Clothing rack with hook plant hangers. Key holder, coat hook,strong suction hooks. This plant hanger is literally just a bracket that mounts to your wall and cleverly hooks the rim of. Coat Hanger Plant Hook.
From www.walmart.com
LANGRIA Folding Hook Coat Rack Hanger Wall Mounted EcoFriendly Coat Hanger Plant Hook Key holder, coat hook,strong suction hooks. Vertical hanger via i heart naptime. This is a terrific way to. Check out our plant coat hook selection for the very best in unique or custom, handmade pieces from our hooks & fixtures shops. Clothing rack with hook plant hangers. 50+ bought in past month. This plant hanger is literally just a bracket. Coat Hanger Plant Hook.
From deavita.net
Be unusual 20 wall mounted funky coat hooks that make you smile Coat Hanger Plant Hook Vertical hanger via i heart naptime. Clothing rack with hook plant hangers. Metal clothing rack with shelves. Set of 4 macrame plant hanger / cup hook holder / coat hanger shelf bracket cast iron hanging hooks | finished in black includes fixings (1.7k) sale. This is a terrific way to. Key holder, coat hook,strong suction hooks. Check out our plant. Coat Hanger Plant Hook.