Mercury Outboard Oil Injection Problems . Since the cap has the float. Let's see if i understand this. A beeping signal is going off.  i have a 1995 115 mercury outboard. 1996 mercury 200 oil injection troubleshooting with pics and video. Some system provides air pressure through a check valve into the main oil tank.  i have a 1995 115 mercury ou. I obtained this boat/motor about 2 years ago. The oil injection did not work. 1994 3 cyl 50hp merc 2 stroke w/ oil injection. Remove all the oil injection stuff.both tanks, pump, disconnect and remove sensor (right above pump), disconnect oil line from fuel pump, disconnect pulse line from crankcase (the. Mercury's oil injection system is excellent, one of the best, unless you are consistently running the engine over 6500 rpm in racing conditions.
        
        from schematicellsegbert.z21.web.core.windows.net 
     
        
        A beeping signal is going off. 1994 3 cyl 50hp merc 2 stroke w/ oil injection. Some system provides air pressure through a check valve into the main oil tank.  i have a 1995 115 mercury outboard. The oil injection did not work. 1996 mercury 200 oil injection troubleshooting with pics and video. I obtained this boat/motor about 2 years ago. Remove all the oil injection stuff.both tanks, pump, disconnect and remove sensor (right above pump), disconnect oil line from fuel pump, disconnect pulse line from crankcase (the. Mercury's oil injection system is excellent, one of the best, unless you are consistently running the engine over 6500 rpm in racing conditions. Let's see if i understand this.
    
    	
            
	
		 
         
    Mercury 150 Efi Outboard Problems 
    Mercury Outboard Oil Injection Problems  Let's see if i understand this. Let's see if i understand this. A beeping signal is going off.  i have a 1995 115 mercury ou. Remove all the oil injection stuff.both tanks, pump, disconnect and remove sensor (right above pump), disconnect oil line from fuel pump, disconnect pulse line from crankcase (the. 1996 mercury 200 oil injection troubleshooting with pics and video.  i have a 1995 115 mercury outboard. Mercury's oil injection system is excellent, one of the best, unless you are consistently running the engine over 6500 rpm in racing conditions. 1994 3 cyl 50hp merc 2 stroke w/ oil injection. Since the cap has the float. Some system provides air pressure through a check valve into the main oil tank. The oil injection did not work. I obtained this boat/motor about 2 years ago.
            
	
		 
         
 
    
        From www.gumtree.com 
                    Mercury 60hp Oil Injection Two Stroke Outboard Longshaft 1999/2000 Mercury Outboard Oil Injection Problems   i have a 1995 115 mercury ou. The oil injection did not work. Some system provides air pressure through a check valve into the main oil tank. Remove all the oil injection stuff.both tanks, pump, disconnect and remove sensor (right above pump), disconnect oil line from fuel pump, disconnect pulse line from crankcase (the. 1994 3 cyl 50hp merc 2. Mercury Outboard Oil Injection Problems.
     
    
        From schematicellsegbert.z21.web.core.windows.net 
                    Mercury 150 Efi Outboard Problems Mercury Outboard Oil Injection Problems  Some system provides air pressure through a check valve into the main oil tank.  i have a 1995 115 mercury outboard. The oil injection did not work. A beeping signal is going off. Let's see if i understand this.  i have a 1995 115 mercury ou. I obtained this boat/motor about 2 years ago. 1994 3 cyl 50hp merc 2. Mercury Outboard Oil Injection Problems.
     
    
        From www.youtube.com 
                    Mercury Oil Tank Level Sensor 4 Beeps Every 2 Minutes YouTube Mercury Outboard Oil Injection Problems   i have a 1995 115 mercury outboard. The oil injection did not work. Since the cap has the float. Let's see if i understand this. 1996 mercury 200 oil injection troubleshooting with pics and video. A beeping signal is going off.  i have a 1995 115 mercury ou. Remove all the oil injection stuff.both tanks, pump, disconnect and remove sensor. Mercury Outboard Oil Injection Problems.
     
    
        From guidemanualsonce.z21.web.core.windows.net 
                    Mercury 90 Hp Outboard Engine Mercury Outboard Oil Injection Problems  Since the cap has the float. Mercury's oil injection system is excellent, one of the best, unless you are consistently running the engine over 6500 rpm in racing conditions. I obtained this boat/motor about 2 years ago.  i have a 1995 115 mercury outboard.  i have a 1995 115 mercury ou. Remove all the oil injection stuff.both tanks, pump, disconnect. Mercury Outboard Oil Injection Problems.
     
    
        From www.boats.net 
                    Mercury Outboard 40HP OEM Parts Diagram for Oil Injection Components Mercury Outboard Oil Injection Problems  A beeping signal is going off. Mercury's oil injection system is excellent, one of the best, unless you are consistently running the engine over 6500 rpm in racing conditions. 1996 mercury 200 oil injection troubleshooting with pics and video. Remove all the oil injection stuff.both tanks, pump, disconnect and remove sensor (right above pump), disconnect oil line from fuel pump,. Mercury Outboard Oil Injection Problems.
     
    
        From schematicellsegbert.z21.web.core.windows.net 
                    Mercury 90 Hp Elpto Outboard Parts Mercury Outboard Oil Injection Problems   i have a 1995 115 mercury outboard.  i have a 1995 115 mercury ou. 1994 3 cyl 50hp merc 2 stroke w/ oil injection. The oil injection did not work. Some system provides air pressure through a check valve into the main oil tank. Let's see if i understand this. 1996 mercury 200 oil injection troubleshooting with pics and video.. Mercury Outboard Oil Injection Problems.
     
    
        From escooterhaven.com 
                    How to Disable Oil Injection on Mercury Outboard Mercury Outboard Oil Injection Problems  1994 3 cyl 50hp merc 2 stroke w/ oil injection. Some system provides air pressure through a check valve into the main oil tank.  i have a 1995 115 mercury outboard. Remove all the oil injection stuff.both tanks, pump, disconnect and remove sensor (right above pump), disconnect oil line from fuel pump, disconnect pulse line from crankcase (the. I obtained. Mercury Outboard Oil Injection Problems.
     
    
        From enginedatanichered.z21.web.core.windows.net 
                    Mercury Outboard Oil Injection System Diagram Mercury Outboard Oil Injection Problems  Let's see if i understand this. Since the cap has the float. A beeping signal is going off. I obtained this boat/motor about 2 years ago. Some system provides air pressure through a check valve into the main oil tank. 1996 mercury 200 oil injection troubleshooting with pics and video. Mercury's oil injection system is excellent, one of the best,. Mercury Outboard Oil Injection Problems.
     
    
        From www.justanswer.com 
                    Q&A Mercury Outboard Oil Injection System Diagram & Troubleshooting Mercury Outboard Oil Injection Problems  Let's see if i understand this. Since the cap has the float. I obtained this boat/motor about 2 years ago. A beeping signal is going off. 1996 mercury 200 oil injection troubleshooting with pics and video. Mercury's oil injection system is excellent, one of the best, unless you are consistently running the engine over 6500 rpm in racing conditions.  i. Mercury Outboard Oil Injection Problems.
     
    
        From tarannae0schematic.z4.web.core.windows.net 
                    Mercury Outboard Oil Injection System Diagram Mercury Outboard Oil Injection Problems  The oil injection did not work. Let's see if i understand this. 1996 mercury 200 oil injection troubleshooting with pics and video. 1994 3 cyl 50hp merc 2 stroke w/ oil injection. Mercury's oil injection system is excellent, one of the best, unless you are consistently running the engine over 6500 rpm in racing conditions.  i have a 1995 115. Mercury Outboard Oil Injection Problems.
     
    
        From www.youtube.com 
                    How to fix a Mercury 2 stroke Oil Injection Alarm YouTube Mercury Outboard Oil Injection Problems  1994 3 cyl 50hp merc 2 stroke w/ oil injection. Some system provides air pressure through a check valve into the main oil tank.  i have a 1995 115 mercury outboard. Remove all the oil injection stuff.both tanks, pump, disconnect and remove sensor (right above pump), disconnect oil line from fuel pump, disconnect pulse line from crankcase (the.  i have. Mercury Outboard Oil Injection Problems.
     
    
        From www.boats.net 
                    How to Rebuild Mercury 40 Outboard Fuel Pump Mercury Outboard Oil Injection Problems  A beeping signal is going off. Some system provides air pressure through a check valve into the main oil tank. Mercury's oil injection system is excellent, one of the best, unless you are consistently running the engine over 6500 rpm in racing conditions. 1996 mercury 200 oil injection troubleshooting with pics and video.  i have a 1995 115 mercury outboard.. Mercury Outboard Oil Injection Problems.
     
    
        From www.youtube.com 
                    Mercury Outboard problems YouTube Mercury Outboard Oil Injection Problems   i have a 1995 115 mercury ou. Remove all the oil injection stuff.both tanks, pump, disconnect and remove sensor (right above pump), disconnect oil line from fuel pump, disconnect pulse line from crankcase (the. Let's see if i understand this. A beeping signal is going off. Since the cap has the float. The oil injection did not work. I obtained. Mercury Outboard Oil Injection Problems.
     
    
        From www.youtube.com 
                    How To Disable/Bypass A 2 Stroke OutBoard Oil Injection System YouTube Mercury Outboard Oil Injection Problems  Mercury's oil injection system is excellent, one of the best, unless you are consistently running the engine over 6500 rpm in racing conditions. I obtained this boat/motor about 2 years ago. Some system provides air pressure through a check valve into the main oil tank. 1994 3 cyl 50hp merc 2 stroke w/ oil injection. The oil injection did not. Mercury Outboard Oil Injection Problems.
     
    
        From www.youtube.com 
                    Idle on Mercury 115hp 2Stroke OIl Injected Outboard Motor YouTube Mercury Outboard Oil Injection Problems  I obtained this boat/motor about 2 years ago. A beeping signal is going off. 1994 3 cyl 50hp merc 2 stroke w/ oil injection. 1996 mercury 200 oil injection troubleshooting with pics and video.  i have a 1995 115 mercury ou. Mercury's oil injection system is excellent, one of the best, unless you are consistently running the engine over 6500. Mercury Outboard Oil Injection Problems.
     
    
        From wiringfixisomuranw.z13.web.core.windows.net 
                    Mercury Outboard Motors Parts Diagrams Mercury Outboard Oil Injection Problems  Remove all the oil injection stuff.both tanks, pump, disconnect and remove sensor (right above pump), disconnect oil line from fuel pump, disconnect pulse line from crankcase (the. Since the cap has the float. Let's see if i understand this. 1994 3 cyl 50hp merc 2 stroke w/ oil injection. The oil injection did not work. A beeping signal is going. Mercury Outboard Oil Injection Problems.
     
    
        From repairmachinemetope.z21.web.core.windows.net 
                    How To Rebuild An Outboard Motor Mercury Outboard Oil Injection Problems   i have a 1995 115 mercury ou. The oil injection did not work.  i have a 1995 115 mercury outboard. Mercury's oil injection system is excellent, one of the best, unless you are consistently running the engine over 6500 rpm in racing conditions. Remove all the oil injection stuff.both tanks, pump, disconnect and remove sensor (right above pump), disconnect oil. Mercury Outboard Oil Injection Problems.
     
    
        From www.vansoutboardparts.com 
                    Mercury MARINER 90 (3 CYL.) 0A996142 THRU 0B240450 OIL Mercury Outboard Oil Injection Problems  Let's see if i understand this. Some system provides air pressure through a check valve into the main oil tank. 1994 3 cyl 50hp merc 2 stroke w/ oil injection. Since the cap has the float. The oil injection did not work. I obtained this boat/motor about 2 years ago.  i have a 1995 115 mercury ou. 1996 mercury 200. Mercury Outboard Oil Injection Problems.
     
    
        From www.youtube.com 
                    Two Stroke Engine Oil Injectors Explained YouTube Mercury Outboard Oil Injection Problems  The oil injection did not work. Mercury's oil injection system is excellent, one of the best, unless you are consistently running the engine over 6500 rpm in racing conditions. 1996 mercury 200 oil injection troubleshooting with pics and video. Some system provides air pressure through a check valve into the main oil tank. A beeping signal is going off. I. Mercury Outboard Oil Injection Problems.
     
    
        From marinebattery.netlify.app 
                    Mercury outboard air filter problems Mercury Outboard Oil Injection Problems  The oil injection did not work. A beeping signal is going off.  i have a 1995 115 mercury ou. 1994 3 cyl 50hp merc 2 stroke w/ oil injection. 1996 mercury 200 oil injection troubleshooting with pics and video. Let's see if i understand this.  i have a 1995 115 mercury outboard. Remove all the oil injection stuff.both tanks, pump,. Mercury Outboard Oil Injection Problems.
     
    
        From tofua61gguidediagram.z14.web.core.windows.net 
                    Mercury Outboard Ignition Switch Diagram Mercury Outboard Oil Injection Problems   i have a 1995 115 mercury outboard. A beeping signal is going off. Let's see if i understand this. Some system provides air pressure through a check valve into the main oil tank. Mercury's oil injection system is excellent, one of the best, unless you are consistently running the engine over 6500 rpm in racing conditions. Since the cap has. Mercury Outboard Oil Injection Problems.
     
    
        From gionoxqni.blob.core.windows.net 
                    Oil Injectors Engine at David Starr blog Mercury Outboard Oil Injection Problems  Some system provides air pressure through a check valve into the main oil tank.  i have a 1995 115 mercury ou. The oil injection did not work. 1994 3 cyl 50hp merc 2 stroke w/ oil injection. Since the cap has the float. I obtained this boat/motor about 2 years ago. Remove all the oil injection stuff.both tanks, pump, disconnect. Mercury Outboard Oil Injection Problems.
     
    
        From www.youtube.com 
                    Mercury 90hp ELPTO constant buzzing YouTube Mercury Outboard Oil Injection Problems  1996 mercury 200 oil injection troubleshooting with pics and video.  i have a 1995 115 mercury ou.  i have a 1995 115 mercury outboard. Remove all the oil injection stuff.both tanks, pump, disconnect and remove sensor (right above pump), disconnect oil line from fuel pump, disconnect pulse line from crankcase (the. Some system provides air pressure through a check valve. Mercury Outboard Oil Injection Problems.
     
    
        From manualwiringhypalgia.z14.web.core.windows.net 
                    Mercury Outboard Shift Linkage Diagram Mercury Outboard Oil Injection Problems  Some system provides air pressure through a check valve into the main oil tank.  i have a 1995 115 mercury outboard. 1996 mercury 200 oil injection troubleshooting with pics and video. I obtained this boat/motor about 2 years ago. Let's see if i understand this. A beeping signal is going off.  i have a 1995 115 mercury ou. 1994 3. Mercury Outboard Oil Injection Problems.
     
    
        From storyquipo.blogspot.com 
                    Mercury Outboard Oil Injection System storyquipo Mercury Outboard Oil Injection Problems  Let's see if i understand this.  i have a 1995 115 mercury ou. I obtained this boat/motor about 2 years ago.  i have a 1995 115 mercury outboard. Mercury's oil injection system is excellent, one of the best, unless you are consistently running the engine over 6500 rpm in racing conditions. Remove all the oil injection stuff.both tanks, pump, disconnect. Mercury Outboard Oil Injection Problems.
     
    
        From www.southcentraloutboards.com 
                    Mercury Outboard Oil Injection Pump 818903A2 2001 75 90 100 115 HP Mercury Outboard Oil Injection Problems  Since the cap has the float. 1996 mercury 200 oil injection troubleshooting with pics and video. Some system provides air pressure through a check valve into the main oil tank.  i have a 1995 115 mercury outboard. 1994 3 cyl 50hp merc 2 stroke w/ oil injection. I obtained this boat/motor about 2 years ago. Remove all the oil injection. Mercury Outboard Oil Injection Problems.
     
    
        From wiredataiseckanv9.z21.web.core.windows.net 
                    Mercury Outboard 90hp 4 Stroke Mercury Outboard Oil Injection Problems  A beeping signal is going off. Remove all the oil injection stuff.both tanks, pump, disconnect and remove sensor (right above pump), disconnect oil line from fuel pump, disconnect pulse line from crankcase (the.  i have a 1995 115 mercury outboard. I obtained this boat/motor about 2 years ago. Let's see if i understand this. Since the cap has the float.. Mercury Outboard Oil Injection Problems.
     
    
        From greenbayprop.com 
                    818902A1 Mercury Mariner 3060 Hp Outboard Oil Injection Pump 8189021 Mercury Outboard Oil Injection Problems  Remove all the oil injection stuff.both tanks, pump, disconnect and remove sensor (right above pump), disconnect oil line from fuel pump, disconnect pulse line from crankcase (the. I obtained this boat/motor about 2 years ago. 1996 mercury 200 oil injection troubleshooting with pics and video. 1994 3 cyl 50hp merc 2 stroke w/ oil injection. A beeping signal is going. Mercury Outboard Oil Injection Problems.
     
    
        From dbcarnahanvitellines.z21.web.core.windows.net 
                    25 Hp Mercury Outboard Parts Diagram Mercury Outboard Oil Injection Problems  Some system provides air pressure through a check valve into the main oil tank. 1994 3 cyl 50hp merc 2 stroke w/ oil injection. Mercury's oil injection system is excellent, one of the best, unless you are consistently running the engine over 6500 rpm in racing conditions. Since the cap has the float. The oil injection did not work. A. Mercury Outboard Oil Injection Problems.
     
    
        From www.youtube.com 
                    Outboard Fuel Injectors YouTube Mercury Outboard Oil Injection Problems  1994 3 cyl 50hp merc 2 stroke w/ oil injection. Let's see if i understand this. Since the cap has the float. A beeping signal is going off.  i have a 1995 115 mercury ou.  i have a 1995 115 mercury outboard. The oil injection did not work. Remove all the oil injection stuff.both tanks, pump, disconnect and remove sensor. Mercury Outboard Oil Injection Problems.
     
    
        From www.crowleymarine.com 
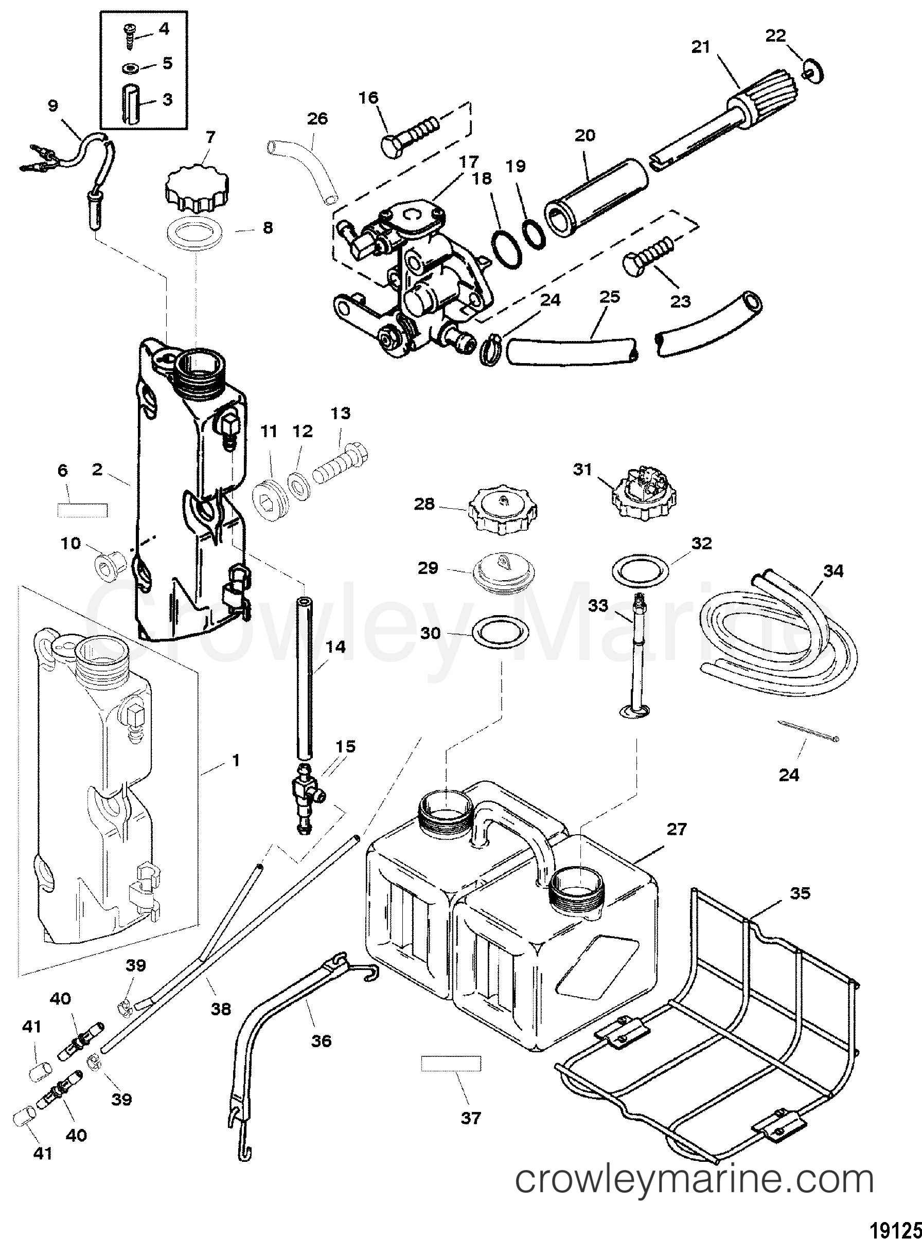
                    OIL INJECTION COMPONENTS 2000 Mercury Outboard 250 [XXL EFI SW Mercury Outboard Oil Injection Problems  A beeping signal is going off. 1994 3 cyl 50hp merc 2 stroke w/ oil injection. 1996 mercury 200 oil injection troubleshooting with pics and video. Let's see if i understand this. Remove all the oil injection stuff.both tanks, pump, disconnect and remove sensor (right above pump), disconnect oil line from fuel pump, disconnect pulse line from crankcase (the. Mercury's. Mercury Outboard Oil Injection Problems.
     
    
        From schematicfixunshared.z22.web.core.windows.net 
                    Mercury Outboard Oil Injection System Diagram Mercury Outboard Oil Injection Problems  I obtained this boat/motor about 2 years ago. Since the cap has the float. The oil injection did not work. A beeping signal is going off. 1996 mercury 200 oil injection troubleshooting with pics and video.  i have a 1995 115 mercury outboard. 1994 3 cyl 50hp merc 2 stroke w/ oil injection. Mercury's oil injection system is excellent, one. Mercury Outboard Oil Injection Problems.
     
    
        From userdatacommingles.z21.web.core.windows.net 
                    Mercury Outboard 90hp 4 Stroke Mercury Outboard Oil Injection Problems  I obtained this boat/motor about 2 years ago. Let's see if i understand this.  i have a 1995 115 mercury ou. Mercury's oil injection system is excellent, one of the best, unless you are consistently running the engine over 6500 rpm in racing conditions. The oil injection did not work.  i have a 1995 115 mercury outboard. 1994 3 cyl. Mercury Outboard Oil Injection Problems.
     
    
        From pepelaylaah.blogspot.com 
                    mercury outboard oil injection system diagram PepeLaylaah Mercury Outboard Oil Injection Problems  1994 3 cyl 50hp merc 2 stroke w/ oil injection.  i have a 1995 115 mercury outboard. I obtained this boat/motor about 2 years ago. Remove all the oil injection stuff.both tanks, pump, disconnect and remove sensor (right above pump), disconnect oil line from fuel pump, disconnect pulse line from crankcase (the. Let's see if i understand this. 1996 mercury. Mercury Outboard Oil Injection Problems.
     
    
        From escooterhaven.com 
                    How to Disable Oil Injection on Mercury Outboard Mercury Outboard Oil Injection Problems  Since the cap has the float. Mercury's oil injection system is excellent, one of the best, unless you are consistently running the engine over 6500 rpm in racing conditions. Let's see if i understand this. The oil injection did not work.  i have a 1995 115 mercury outboard. 1994 3 cyl 50hp merc 2 stroke w/ oil injection. I obtained. Mercury Outboard Oil Injection Problems.