Condenser Fan Cycling On And Off . It fires up fine and then cycles through the fan working and not working [while the compressor is still on]. I am serving on a >10 years old, 7 ton rooftop r22 unit when customer complains no cooling when ambient temp goes above 93f at. Air conditioner condenser unit short cycling. Insufficient and excessive refrigerant pressure in the car ac system are the most possible causes of compressor cycling on and off every 5 seconds. Diagnose ac compressor cycling on and off: What causes the a/c or heat pump fan condenser unit to keep cycling on and off rapidly. If the compressor and/or fan motor in your outdoor ac condensing unit is turning on for a few seconds and then off for a few seconds,. Check refrigerant levels, clean condenser coils, inspect for leaks, examine electrical connections, and ensure proper airflow. Is your central air turning on and off and not cooling the. If it's not the capacitor,. If the pressure is too.
from www.odyclub.com
Diagnose ac compressor cycling on and off: Is your central air turning on and off and not cooling the. It fires up fine and then cycles through the fan working and not working [while the compressor is still on]. If the compressor and/or fan motor in your outdoor ac condensing unit is turning on for a few seconds and then off for a few seconds,. Check refrigerant levels, clean condenser coils, inspect for leaks, examine electrical connections, and ensure proper airflow. If the pressure is too. What causes the a/c or heat pump fan condenser unit to keep cycling on and off rapidly. Insufficient and excessive refrigerant pressure in the car ac system are the most possible causes of compressor cycling on and off every 5 seconds. I am serving on a >10 years old, 7 ton rooftop r22 unit when customer complains no cooling when ambient temp goes above 93f at. If it's not the capacitor,.
Condenser Fan cycling every second, Compressor stays on and cycles correctly Honda Odyssey Forum
Condenser Fan Cycling On And Off I am serving on a >10 years old, 7 ton rooftop r22 unit when customer complains no cooling when ambient temp goes above 93f at. Check refrigerant levels, clean condenser coils, inspect for leaks, examine electrical connections, and ensure proper airflow. If it's not the capacitor,. Is your central air turning on and off and not cooling the. If the compressor and/or fan motor in your outdoor ac condensing unit is turning on for a few seconds and then off for a few seconds,. Air conditioner condenser unit short cycling. Diagnose ac compressor cycling on and off: If the pressure is too. It fires up fine and then cycles through the fan working and not working [while the compressor is still on]. Insufficient and excessive refrigerant pressure in the car ac system are the most possible causes of compressor cycling on and off every 5 seconds. What causes the a/c or heat pump fan condenser unit to keep cycling on and off rapidly. I am serving on a >10 years old, 7 ton rooftop r22 unit when customer complains no cooling when ambient temp goes above 93f at.
From www.contactsandcoils.com
0102054 RANCO, CONDENSER FAN, CYCLING CONTROL / THE MOTOR CONTROL CENTER Condenser Fan Cycling On And Off What causes the a/c or heat pump fan condenser unit to keep cycling on and off rapidly. I am serving on a >10 years old, 7 ton rooftop r22 unit when customer complains no cooling when ambient temp goes above 93f at. Insufficient and excessive refrigerant pressure in the car ac system are the most possible causes of compressor cycling. Condenser Fan Cycling On And Off.
From techno-tek.com
Johnson Controls P70AA118C High Pressure/Condenser Fan Cycling Control Condenser Fan Cycling On And Off If the compressor and/or fan motor in your outdoor ac condensing unit is turning on for a few seconds and then off for a few seconds,. What causes the a/c or heat pump fan condenser unit to keep cycling on and off rapidly. It fires up fine and then cycles through the fan working and not working [while the compressor. Condenser Fan Cycling On And Off.
From www.supplyhouse.com
43305MARS MARS 43305MARS SPST Condenser Fan Cycling Switch (190 PSI Cut Out, 275 PSI Cut In) Condenser Fan Cycling On And Off Check refrigerant levels, clean condenser coils, inspect for leaks, examine electrical connections, and ensure proper airflow. Air conditioner condenser unit short cycling. If the compressor and/or fan motor in your outdoor ac condensing unit is turning on for a few seconds and then off for a few seconds,. What causes the a/c or heat pump fan condenser unit to keep. Condenser Fan Cycling On And Off.
From www.youtube.com
HVAC fan cycling switch wiring diagram YouTube Condenser Fan Cycling On And Off Diagnose ac compressor cycling on and off: What causes the a/c or heat pump fan condenser unit to keep cycling on and off rapidly. Check refrigerant levels, clean condenser coils, inspect for leaks, examine electrical connections, and ensure proper airflow. Insufficient and excessive refrigerant pressure in the car ac system are the most possible causes of compressor cycling on and. Condenser Fan Cycling On And Off.
From www.stoversliquidation.com
RANCO 0102054 Condenser Fan Cycling Control Switch Condenser Fan Cycling On And Off If the pressure is too. Is your central air turning on and off and not cooling the. If the compressor and/or fan motor in your outdoor ac condensing unit is turning on for a few seconds and then off for a few seconds,. Insufficient and excessive refrigerant pressure in the car ac system are the most possible causes of compressor. Condenser Fan Cycling On And Off.
From www.supplyhouse.com
43307MARS MARS 43307MARS SPST Condenser Fan Cycling Switch (400 PSI Cut In, 300 PSI Cut Out) Condenser Fan Cycling On And Off If the compressor and/or fan motor in your outdoor ac condensing unit is turning on for a few seconds and then off for a few seconds,. It fires up fine and then cycles through the fan working and not working [while the compressor is still on]. If it's not the capacitor,. Insufficient and excessive refrigerant pressure in the car ac. Condenser Fan Cycling On And Off.
From www.youtube.com
Condenser head pressure fan cycle control YouTube Condenser Fan Cycling On And Off What causes the a/c or heat pump fan condenser unit to keep cycling on and off rapidly. I am serving on a >10 years old, 7 ton rooftop r22 unit when customer complains no cooling when ambient temp goes above 93f at. Insufficient and excessive refrigerant pressure in the car ac system are the most possible causes of compressor cycling. Condenser Fan Cycling On And Off.
From ventureslasopa846.weebly.com
Refrigerator Troubleshooting Condenser Fan Cycles On And Off Between Compressor Cycles Condenser Fan Cycling On And Off Diagnose ac compressor cycling on and off: Insufficient and excessive refrigerant pressure in the car ac system are the most possible causes of compressor cycling on and off every 5 seconds. It fires up fine and then cycles through the fan working and not working [while the compressor is still on]. If the compressor and/or fan motor in your outdoor. Condenser Fan Cycling On And Off.
From techno-tek.com
Johnson Controls P70AA118C High Pressure/Condenser Fan Cycling Control Condenser Fan Cycling On And Off I am serving on a >10 years old, 7 ton rooftop r22 unit when customer complains no cooling when ambient temp goes above 93f at. What causes the a/c or heat pump fan condenser unit to keep cycling on and off rapidly. Diagnose ac compressor cycling on and off: Air conditioner condenser unit short cycling. Is your central air turning. Condenser Fan Cycling On And Off.
From www.reddit.com
First fan cycle switch install r/refrigeration Condenser Fan Cycling On And Off If the compressor and/or fan motor in your outdoor ac condensing unit is turning on for a few seconds and then off for a few seconds,. Insufficient and excessive refrigerant pressure in the car ac system are the most possible causes of compressor cycling on and off every 5 seconds. Is your central air turning on and off and not. Condenser Fan Cycling On And Off.
From www.justanswer.com
York affinity 8T series ECM condenser motor cycles on and off while compressor continues to run Condenser Fan Cycling On And Off Check refrigerant levels, clean condenser coils, inspect for leaks, examine electrical connections, and ensure proper airflow. If the pressure is too. If the compressor and/or fan motor in your outdoor ac condensing unit is turning on for a few seconds and then off for a few seconds,. I am serving on a >10 years old, 7 ton rooftop r22 unit. Condenser Fan Cycling On And Off.
From www.youtube.com
Condenser fan cycling control operation YouTube Condenser Fan Cycling On And Off If it's not the capacitor,. Air conditioner condenser unit short cycling. It fires up fine and then cycles through the fan working and not working [while the compressor is still on]. If the compressor and/or fan motor in your outdoor ac condensing unit is turning on for a few seconds and then off for a few seconds,. I am serving. Condenser Fan Cycling On And Off.
From techno-tek.com
Johnson Controls P70AA118C High Pressure/Condenser Fan Cycling Control Condenser Fan Cycling On And Off Is your central air turning on and off and not cooling the. Diagnose ac compressor cycling on and off: Insufficient and excessive refrigerant pressure in the car ac system are the most possible causes of compressor cycling on and off every 5 seconds. It fires up fine and then cycles through the fan working and not working [while the compressor. Condenser Fan Cycling On And Off.
From www.amazon.com
RANCO O102054 CONDENSER FAN CYCLING CONTROL 100400PSI D615639 Industrial & Scientific Condenser Fan Cycling On And Off What causes the a/c or heat pump fan condenser unit to keep cycling on and off rapidly. If it's not the capacitor,. Air conditioner condenser unit short cycling. Check refrigerant levels, clean condenser coils, inspect for leaks, examine electrical connections, and ensure proper airflow. Insufficient and excessive refrigerant pressure in the car ac system are the most possible causes of. Condenser Fan Cycling On And Off.
From life-improver.com
Hvac fan runs and shuts off in a cycle when in heat mode Love & Improve Life Condenser Fan Cycling On And Off If it's not the capacitor,. I am serving on a >10 years old, 7 ton rooftop r22 unit when customer complains no cooling when ambient temp goes above 93f at. Insufficient and excessive refrigerant pressure in the car ac system are the most possible causes of compressor cycling on and off every 5 seconds. If the pressure is too. Air. Condenser Fan Cycling On And Off.
From www.stoversliquidation.com
RANCO 0102054 Condenser Fan Cycling Control Switch Condenser Fan Cycling On And Off Diagnose ac compressor cycling on and off: Air conditioner condenser unit short cycling. If the pressure is too. It fires up fine and then cycles through the fan working and not working [while the compressor is still on]. What causes the a/c or heat pump fan condenser unit to keep cycling on and off rapidly. If it's not the capacitor,.. Condenser Fan Cycling On And Off.
From www.supplyhouse.com
43307MARS MARS 43307MARS SPST Condenser Fan Cycling Switch (400 PSI Cut In, 300 PSI Cut Out) Condenser Fan Cycling On And Off If it's not the capacitor,. Diagnose ac compressor cycling on and off: Air conditioner condenser unit short cycling. If the compressor and/or fan motor in your outdoor ac condensing unit is turning on for a few seconds and then off for a few seconds,. Is your central air turning on and off and not cooling the. It fires up fine. Condenser Fan Cycling On And Off.
From www.youtube.com
LOW OUTDOOR AMBIENT COOLING FAN CYCLE SWITCH INSTALLATION & OPERATION YouTube Condenser Fan Cycling On And Off It fires up fine and then cycles through the fan working and not working [while the compressor is still on]. Is your central air turning on and off and not cooling the. Air conditioner condenser unit short cycling. Check refrigerant levels, clean condenser coils, inspect for leaks, examine electrical connections, and ensure proper airflow. Diagnose ac compressor cycling on and. Condenser Fan Cycling On And Off.
From www.reddit.com
ComfortPack condenser fan cycling on and off r/hvacadvice Condenser Fan Cycling On And Off Diagnose ac compressor cycling on and off: Insufficient and excessive refrigerant pressure in the car ac system are the most possible causes of compressor cycling on and off every 5 seconds. Check refrigerant levels, clean condenser coils, inspect for leaks, examine electrical connections, and ensure proper airflow. What causes the a/c or heat pump fan condenser unit to keep cycling. Condenser Fan Cycling On And Off.
From acandb.com
43344 MARS Condenser Fan Cycling Switches, 15/35 LP Open on Fall — American Copper & Brass Condenser Fan Cycling On And Off If the compressor and/or fan motor in your outdoor ac condensing unit is turning on for a few seconds and then off for a few seconds,. Air conditioner condenser unit short cycling. If the pressure is too. Diagnose ac compressor cycling on and off: Is your central air turning on and off and not cooling the. I am serving on. Condenser Fan Cycling On And Off.
From www.cool-info.co.uk
Regulating the condensing pressure Condenser Fan Cycling On And Off Is your central air turning on and off and not cooling the. Air conditioner condenser unit short cycling. Insufficient and excessive refrigerant pressure in the car ac system are the most possible causes of compressor cycling on and off every 5 seconds. It fires up fine and then cycles through the fan working and not working [while the compressor is. Condenser Fan Cycling On And Off.
From www.youtube.com
Fan cycling switch function and wiring, R22, R134a, R410a, R407c Venus Tech YouTube Condenser Fan Cycling On And Off Air conditioner condenser unit short cycling. I am serving on a >10 years old, 7 ton rooftop r22 unit when customer complains no cooling when ambient temp goes above 93f at. Diagnose ac compressor cycling on and off: It fires up fine and then cycles through the fan working and not working [while the compressor is still on]. If the. Condenser Fan Cycling On And Off.
From www.pinterest.com
Refrigeration cycle vector illustration diagram Refrigeration and air conditioning, Homeschool Condenser Fan Cycling On And Off Is your central air turning on and off and not cooling the. If the compressor and/or fan motor in your outdoor ac condensing unit is turning on for a few seconds and then off for a few seconds,. Check refrigerant levels, clean condenser coils, inspect for leaks, examine electrical connections, and ensure proper airflow. Diagnose ac compressor cycling on and. Condenser Fan Cycling On And Off.
From www.youtube.com
Condenser Short Cycling 10 Possible Causes YouTube Condenser Fan Cycling On And Off Diagnose ac compressor cycling on and off: Air conditioner condenser unit short cycling. If the compressor and/or fan motor in your outdoor ac condensing unit is turning on for a few seconds and then off for a few seconds,. If the pressure is too. It fires up fine and then cycles through the fan working and not working [while the. Condenser Fan Cycling On And Off.
From www.odyclub.com
Condenser Fan cycling every second, Compressor stays on and cycles correctly Honda Odyssey Forum Condenser Fan Cycling On And Off Diagnose ac compressor cycling on and off: Air conditioner condenser unit short cycling. Insufficient and excessive refrigerant pressure in the car ac system are the most possible causes of compressor cycling on and off every 5 seconds. Check refrigerant levels, clean condenser coils, inspect for leaks, examine electrical connections, and ensure proper airflow. What causes the a/c or heat pump. Condenser Fan Cycling On And Off.
From www.evomart.co.uk
Vol 28 Head Pressure Control of Water Cooled Systems Evomart Condenser Fan Cycling On And Off What causes the a/c or heat pump fan condenser unit to keep cycling on and off rapidly. Diagnose ac compressor cycling on and off: If it's not the capacitor,. Insufficient and excessive refrigerant pressure in the car ac system are the most possible causes of compressor cycling on and off every 5 seconds. It fires up fine and then cycles. Condenser Fan Cycling On And Off.
From www.scribd.com
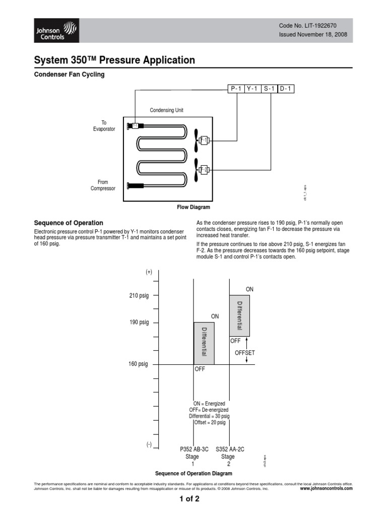
System 350™ Pressure Application Condenser Fan Cycling PDF Pressure Manufactured Goods Condenser Fan Cycling On And Off It fires up fine and then cycles through the fan working and not working [while the compressor is still on]. Check refrigerant levels, clean condenser coils, inspect for leaks, examine electrical connections, and ensure proper airflow. If the pressure is too. What causes the a/c or heat pump fan condenser unit to keep cycling on and off rapidly. Diagnose ac. Condenser Fan Cycling On And Off.
From rokoservice.com
Air Conditioning Roko Service Ltd. Condenser Fan Cycling On And Off What causes the a/c or heat pump fan condenser unit to keep cycling on and off rapidly. Air conditioner condenser unit short cycling. Is your central air turning on and off and not cooling the. Diagnose ac compressor cycling on and off: If the pressure is too. I am serving on a >10 years old, 7 ton rooftop r22 unit. Condenser Fan Cycling On And Off.
From www.plumbersstock.com
Mars 43315 29PSP00248 Condenser Fan Cycling Switch, Manual Reset, Open on Rise Condenser Fan Cycling On And Off It fires up fine and then cycles through the fan working and not working [while the compressor is still on]. What causes the a/c or heat pump fan condenser unit to keep cycling on and off rapidly. Insufficient and excessive refrigerant pressure in the car ac system are the most possible causes of compressor cycling on and off every 5. Condenser Fan Cycling On And Off.
From schematicfixlankier.z21.web.core.windows.net
Wiring For Ac Condenser Condenser Fan Cycling On And Off Diagnose ac compressor cycling on and off: What causes the a/c or heat pump fan condenser unit to keep cycling on and off rapidly. It fires up fine and then cycles through the fan working and not working [while the compressor is still on]. Is your central air turning on and off and not cooling the. Insufficient and excessive refrigerant. Condenser Fan Cycling On And Off.
From www.meadowair.com
Condenser Fan Not Running? StepbyStep Troubleshooting Guide Meadow Air Condenser Fan Cycling On And Off Check refrigerant levels, clean condenser coils, inspect for leaks, examine electrical connections, and ensure proper airflow. Insufficient and excessive refrigerant pressure in the car ac system are the most possible causes of compressor cycling on and off every 5 seconds. Diagnose ac compressor cycling on and off: Is your central air turning on and off and not cooling the. Air. Condenser Fan Cycling On And Off.
From www.hhaircon.com.au
What Is Air Conditioner Refrigerant & How Does It Work Condenser Fan Cycling On And Off It fires up fine and then cycles through the fan working and not working [while the compressor is still on]. I am serving on a >10 years old, 7 ton rooftop r22 unit when customer complains no cooling when ambient temp goes above 93f at. Air conditioner condenser unit short cycling. Check refrigerant levels, clean condenser coils, inspect for leaks,. Condenser Fan Cycling On And Off.
From www.achrnews.com
How to Safely and Accurately Replace a Condenser Fan Motor ACHR News Condenser Fan Cycling On And Off What causes the a/c or heat pump fan condenser unit to keep cycling on and off rapidly. I am serving on a >10 years old, 7 ton rooftop r22 unit when customer complains no cooling when ambient temp goes above 93f at. Air conditioner condenser unit short cycling. Is your central air turning on and off and not cooling the.. Condenser Fan Cycling On And Off.
From www.youtube.com
1998 Jeep Grand Cherokee Electric Cooling Fan Tips and Fix 5.9 Limited YouTube Condenser Fan Cycling On And Off What causes the a/c or heat pump fan condenser unit to keep cycling on and off rapidly. If the compressor and/or fan motor in your outdoor ac condensing unit is turning on for a few seconds and then off for a few seconds,. If it's not the capacitor,. If the pressure is too. Insufficient and excessive refrigerant pressure in the. Condenser Fan Cycling On And Off.
From www.youtube.com
AC condenser short cycling YouTube Condenser Fan Cycling On And Off Is your central air turning on and off and not cooling the. Diagnose ac compressor cycling on and off: What causes the a/c or heat pump fan condenser unit to keep cycling on and off rapidly. Check refrigerant levels, clean condenser coils, inspect for leaks, examine electrical connections, and ensure proper airflow. I am serving on a >10 years old,. Condenser Fan Cycling On And Off.