Square Headed Bolt Diagram . A typical drawing for square head bolt manufactured to asme b18.2.1. When tightening or loosening the bolt, the square head provides more grip and leverage. The square head bolt can be designated as the following example: This bolt is commonly used in bearings for the shaft. This prevents the rotation of the bolt. Compared to standard hex nuts, square nuts have a greater surface in contact with the part being fastened,. Aft fasteners provides a helpful resource on. * click on the nominal size to find products.
from www.starwdh.com
This bolt is commonly used in bearings for the shaft. A typical drawing for square head bolt manufactured to asme b18.2.1. Compared to standard hex nuts, square nuts have a greater surface in contact with the part being fastened,. This prevents the rotation of the bolt. * click on the nominal size to find products. The square head bolt can be designated as the following example: Aft fasteners provides a helpful resource on. When tightening or loosening the bolt, the square head provides more grip and leverage.
Square Bolt STARWDH Complete range of materials
Square Headed Bolt Diagram Compared to standard hex nuts, square nuts have a greater surface in contact with the part being fastened,. Aft fasteners provides a helpful resource on. This prevents the rotation of the bolt. The square head bolt can be designated as the following example: When tightening or loosening the bolt, the square head provides more grip and leverage. Compared to standard hex nuts, square nuts have a greater surface in contact with the part being fastened,. A typical drawing for square head bolt manufactured to asme b18.2.1. * click on the nominal size to find products. This bolt is commonly used in bearings for the shaft.
From www.youtube.com
SQUARE HEADED BOLT DRAWING YouTube Square Headed Bolt Diagram Aft fasteners provides a helpful resource on. * click on the nominal size to find products. This bolt is commonly used in bearings for the shaft. Compared to standard hex nuts, square nuts have a greater surface in contact with the part being fastened,. This prevents the rotation of the bolt. When tightening or loosening the bolt, the square head. Square Headed Bolt Diagram.
From www.hanshin-neji.com
Square Head Bolt JIS B1182 l Hanshin Neji hanshinneji Square Headed Bolt Diagram This bolt is commonly used in bearings for the shaft. * click on the nominal size to find products. Aft fasteners provides a helpful resource on. This prevents the rotation of the bolt. When tightening or loosening the bolt, the square head provides more grip and leverage. The square head bolt can be designated as the following example: A typical. Square Headed Bolt Diagram.
From www.chegg.com
Solved 2.2. Question Two The following figure illustrates Square Headed Bolt Diagram * click on the nominal size to find products. When tightening or loosening the bolt, the square head provides more grip and leverage. Aft fasteners provides a helpful resource on. The square head bolt can be designated as the following example: This bolt is commonly used in bearings for the shaft. A typical drawing for square head bolt manufactured to. Square Headed Bolt Diagram.
From www.meridiangrupa.com
Cup Head Square Neck Bolts Meridian Group Square Headed Bolt Diagram The square head bolt can be designated as the following example: Aft fasteners provides a helpful resource on. This prevents the rotation of the bolt. A typical drawing for square head bolt manufactured to asme b18.2.1. This bolt is commonly used in bearings for the shaft. Compared to standard hex nuts, square nuts have a greater surface in contact with. Square Headed Bolt Diagram.
From www.youtube.com
Machine Drawing / Square Headed bolt with a square neck YouTube Square Headed Bolt Diagram * click on the nominal size to find products. Compared to standard hex nuts, square nuts have a greater surface in contact with the part being fastened,. When tightening or loosening the bolt, the square head provides more grip and leverage. This prevents the rotation of the bolt. A typical drawing for square head bolt manufactured to asme b18.2.1. Aft. Square Headed Bolt Diagram.
From blog.thepipingmart.com
What is Square Head Bolts? Dimensions, Properties and Uses Square Headed Bolt Diagram This prevents the rotation of the bolt. A typical drawing for square head bolt manufactured to asme b18.2.1. The square head bolt can be designated as the following example: Aft fasteners provides a helpful resource on. When tightening or loosening the bolt, the square head provides more grip and leverage. * click on the nominal size to find products. This. Square Headed Bolt Diagram.
From engineeringlearn.com
8 Types of Bolts and Their Uses [with Pictures & Names] Engineering Learn Square Headed Bolt Diagram This bolt is commonly used in bearings for the shaft. When tightening or loosening the bolt, the square head provides more grip and leverage. The square head bolt can be designated as the following example: This prevents the rotation of the bolt. * click on the nominal size to find products. Aft fasteners provides a helpful resource on. A typical. Square Headed Bolt Diagram.
From bhavyaindustriesldh.com
T Bolts and Square Head Bolts Differences between them Square Headed Bolt Diagram A typical drawing for square head bolt manufactured to asme b18.2.1. The square head bolt can be designated as the following example: * click on the nominal size to find products. When tightening or loosening the bolt, the square head provides more grip and leverage. This bolt is commonly used in bearings for the shaft. This prevents the rotation of. Square Headed Bolt Diagram.
From www.hbjinyong.com
Square Head Machine Bolt, Square Head Bolt Manufacturer and Supplier Rax Industry Square Headed Bolt Diagram Aft fasteners provides a helpful resource on. * click on the nominal size to find products. The square head bolt can be designated as the following example: This prevents the rotation of the bolt. When tightening or loosening the bolt, the square head provides more grip and leverage. This bolt is commonly used in bearings for the shaft. Compared to. Square Headed Bolt Diagram.
From www.youtube.com
How to draw a square headed bolt (technical drawing)engineeringdrawing YouTube Square Headed Bolt Diagram A typical drawing for square head bolt manufactured to asme b18.2.1. When tightening or loosening the bolt, the square head provides more grip and leverage. The square head bolt can be designated as the following example: This bolt is commonly used in bearings for the shaft. Compared to standard hex nuts, square nuts have a greater surface in contact with. Square Headed Bolt Diagram.
From www.worldfastener.com
JIS B1182 Square Head Bolts Fasteners, Bolt, Nut, Screw Square Headed Bolt Diagram When tightening or loosening the bolt, the square head provides more grip and leverage. Compared to standard hex nuts, square nuts have a greater surface in contact with the part being fastened,. Aft fasteners provides a helpful resource on. The square head bolt can be designated as the following example: * click on the nominal size to find products. This. Square Headed Bolt Diagram.
From www.worldfastener.com
Q 194 Small Square Head Bolts Fasteners, Bolt, Nut, Screw Square Headed Bolt Diagram This bolt is commonly used in bearings for the shaft. Aft fasteners provides a helpful resource on. When tightening or loosening the bolt, the square head provides more grip and leverage. Compared to standard hex nuts, square nuts have a greater surface in contact with the part being fastened,. A typical drawing for square head bolt manufactured to asme b18.2.1.. Square Headed Bolt Diagram.
From www.youtube.com
Modeling and Assembly of Square Head Bolt and Nut using Solid Edge ST5 YouTube Square Headed Bolt Diagram Compared to standard hex nuts, square nuts have a greater surface in contact with the part being fastened,. * click on the nominal size to find products. A typical drawing for square head bolt manufactured to asme b18.2.1. This bolt is commonly used in bearings for the shaft. The square head bolt can be designated as the following example: When. Square Headed Bolt Diagram.
From www.edugeek.net
Know Your Bolts Square Headed Bolt Diagram This bolt is commonly used in bearings for the shaft. Compared to standard hex nuts, square nuts have a greater surface in contact with the part being fastened,. * click on the nominal size to find products. A typical drawing for square head bolt manufactured to asme b18.2.1. Aft fasteners provides a helpful resource on. The square head bolt can. Square Headed Bolt Diagram.
From www.youtube.com
SQUARE HEADED BOLT AND NUT WHEN VIEW ACROSS CORNER square headed bolt and nut YouTube Square Headed Bolt Diagram The square head bolt can be designated as the following example: This bolt is commonly used in bearings for the shaft. This prevents the rotation of the bolt. When tightening or loosening the bolt, the square head provides more grip and leverage. * click on the nominal size to find products. A typical drawing for square head bolt manufactured to. Square Headed Bolt Diagram.
From alliedboltinc.com
3/4" X 16" SQUARE HEAD MACHINE BOLT WITH NUT 316SS Allied Bolt Products LLC Square Headed Bolt Diagram This prevents the rotation of the bolt. A typical drawing for square head bolt manufactured to asme b18.2.1. Compared to standard hex nuts, square nuts have a greater surface in contact with the part being fastened,. When tightening or loosening the bolt, the square head provides more grip and leverage. This bolt is commonly used in bearings for the shaft.. Square Headed Bolt Diagram.
From www.worldfastener.com
Square Head Bolts Archives Fasteners, Bolt, Nut, Screw Square Headed Bolt Diagram Compared to standard hex nuts, square nuts have a greater surface in contact with the part being fastened,. The square head bolt can be designated as the following example: When tightening or loosening the bolt, the square head provides more grip and leverage. This bolt is commonly used in bearings for the shaft. Aft fasteners provides a helpful resource on.. Square Headed Bolt Diagram.
From www.generationrobots.com
MakerBeam square headed 25mm M3 bolt with hex hole (x25) Square Headed Bolt Diagram A typical drawing for square head bolt manufactured to asme b18.2.1. Aft fasteners provides a helpful resource on. When tightening or loosening the bolt, the square head provides more grip and leverage. This bolt is commonly used in bearings for the shaft. The square head bolt can be designated as the following example: This prevents the rotation of the bolt.. Square Headed Bolt Diagram.
From www.globalfastener.com
UNI 5729 1965Large square head bolts and bolts with square nut metric coarse thread Finish C Square Headed Bolt Diagram A typical drawing for square head bolt manufactured to asme b18.2.1. The square head bolt can be designated as the following example: * click on the nominal size to find products. Aft fasteners provides a helpful resource on. This bolt is commonly used in bearings for the shaft. When tightening or loosening the bolt, the square head provides more grip. Square Headed Bolt Diagram.
From blog.thepipingmart.com
What is Square Head Bolt? Uses, Dimensions and Properties Square Headed Bolt Diagram When tightening or loosening the bolt, the square head provides more grip and leverage. A typical drawing for square head bolt manufactured to asme b18.2.1. The square head bolt can be designated as the following example: Compared to standard hex nuts, square nuts have a greater surface in contact with the part being fastened,. This prevents the rotation of the. Square Headed Bolt Diagram.
From ecoursesonline.iasri.res.in
D&CG LESSON 8. Nuts and bolts square headed, hexagonal, types of lock nuts, studs, machine Square Headed Bolt Diagram This bolt is commonly used in bearings for the shaft. Compared to standard hex nuts, square nuts have a greater surface in contact with the part being fastened,. This prevents the rotation of the bolt. A typical drawing for square head bolt manufactured to asme b18.2.1. The square head bolt can be designated as the following example: When tightening or. Square Headed Bolt Diagram.
From www.starwdh.com
Square Bolt STARWDH Complete range of materials Square Headed Bolt Diagram The square head bolt can be designated as the following example: A typical drawing for square head bolt manufactured to asme b18.2.1. This bolt is commonly used in bearings for the shaft. Compared to standard hex nuts, square nuts have a greater surface in contact with the part being fastened,. When tightening or loosening the bolt, the square head provides. Square Headed Bolt Diagram.
From www.educationalstuffs.in
ENGINEERING DRAWING Types of Bolts Square Headed Bolt Diagram A typical drawing for square head bolt manufactured to asme b18.2.1. This prevents the rotation of the bolt. Compared to standard hex nuts, square nuts have a greater surface in contact with the part being fastened,. The square head bolt can be designated as the following example: Aft fasteners provides a helpful resource on. When tightening or loosening the bolt,. Square Headed Bolt Diagram.
From www.youtube.com
What is a Square Head Bolt? YouTube Square Headed Bolt Diagram The square head bolt can be designated as the following example: This bolt is commonly used in bearings for the shaft. * click on the nominal size to find products. A typical drawing for square head bolt manufactured to asme b18.2.1. This prevents the rotation of the bolt. Compared to standard hex nuts, square nuts have a greater surface in. Square Headed Bolt Diagram.
From www.youtube.com
Create flat square headed bolt by Autodesk Inventor 2017 Tutorial YouTube Square Headed Bolt Diagram When tightening or loosening the bolt, the square head provides more grip and leverage. The square head bolt can be designated as the following example: Aft fasteners provides a helpful resource on. This prevents the rotation of the bolt. Compared to standard hex nuts, square nuts have a greater surface in contact with the part being fastened,. A typical drawing. Square Headed Bolt Diagram.
From www.youtube.com
Square headed bolt with square nut assembly drawing Engineering and poetry YouTube Square Headed Bolt Diagram Compared to standard hex nuts, square nuts have a greater surface in contact with the part being fastened,. Aft fasteners provides a helpful resource on. The square head bolt can be designated as the following example: * click on the nominal size to find products. A typical drawing for square head bolt manufactured to asme b18.2.1. This prevents the rotation. Square Headed Bolt Diagram.
From www.fastenerdata.co.uk
Fastenerdata Metric Coarse Square Head Bolt Steel DIN21346 Fastener Specifications Square Headed Bolt Diagram This bolt is commonly used in bearings for the shaft. * click on the nominal size to find products. The square head bolt can be designated as the following example: This prevents the rotation of the bolt. Compared to standard hex nuts, square nuts have a greater surface in contact with the part being fastened,. Aft fasteners provides a helpful. Square Headed Bolt Diagram.
From ecoursesonline.iasri.res.in
CAD/CAM Machine Drawing and Computer Graphics LESSON 8. Nuts and bolts square headed Square Headed Bolt Diagram When tightening or loosening the bolt, the square head provides more grip and leverage. This bolt is commonly used in bearings for the shaft. Aft fasteners provides a helpful resource on. The square head bolt can be designated as the following example: A typical drawing for square head bolt manufactured to asme b18.2.1. Compared to standard hex nuts, square nuts. Square Headed Bolt Diagram.
From www.youtube.com
HOW TO DRAW SQUARE HEADED BOLT IN HINDI YouTube Square Headed Bolt Diagram This bolt is commonly used in bearings for the shaft. * click on the nominal size to find products. Compared to standard hex nuts, square nuts have a greater surface in contact with the part being fastened,. This prevents the rotation of the bolt. When tightening or loosening the bolt, the square head provides more grip and leverage. A typical. Square Headed Bolt Diagram.
From savree.com
Flange Nuts and Bolts Explained (Fasteners) saVRee Square Headed Bolt Diagram The square head bolt can be designated as the following example: * click on the nominal size to find products. This bolt is commonly used in bearings for the shaft. When tightening or loosening the bolt, the square head provides more grip and leverage. Aft fasteners provides a helpful resource on. Compared to standard hex nuts, square nuts have a. Square Headed Bolt Diagram.
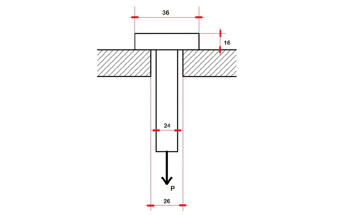
From www.chegg.com
Solved In the figure, a 24mm diameter squareheaded bolt Square Headed Bolt Diagram Aft fasteners provides a helpful resource on. * click on the nominal size to find products. A typical drawing for square head bolt manufactured to asme b18.2.1. The square head bolt can be designated as the following example: When tightening or loosening the bolt, the square head provides more grip and leverage. This bolt is commonly used in bearings for. Square Headed Bolt Diagram.
From www.iqsdirectory.com
Types of Bolts Types, Components, and Fastener Terms Square Headed Bolt Diagram The square head bolt can be designated as the following example: Compared to standard hex nuts, square nuts have a greater surface in contact with the part being fastened,. This prevents the rotation of the bolt. Aft fasteners provides a helpful resource on. A typical drawing for square head bolt manufactured to asme b18.2.1. * click on the nominal size. Square Headed Bolt Diagram.
From mx.misumi-ec.com
SPNSQSTM1030 Square Bolt, Fully Threaded JIS B 1182 Sunco MISUMI MEXICO Square Headed Bolt Diagram When tightening or loosening the bolt, the square head provides more grip and leverage. Aft fasteners provides a helpful resource on. Compared to standard hex nuts, square nuts have a greater surface in contact with the part being fastened,. A typical drawing for square head bolt manufactured to asme b18.2.1. This prevents the rotation of the bolt. This bolt is. Square Headed Bolt Diagram.
From www.fastenerdata.co.uk
Fastenerdata BSF Square Head Bolt Black BS916 Fastener Specifications Square Headed Bolt Diagram * click on the nominal size to find products. The square head bolt can be designated as the following example: This bolt is commonly used in bearings for the shaft. Aft fasteners provides a helpful resource on. A typical drawing for square head bolt manufactured to asme b18.2.1. This prevents the rotation of the bolt. When tightening or loosening the. Square Headed Bolt Diagram.
From www.youtube.com
Square Headed Bolt and Nut (Flat) YouTube Square Headed Bolt Diagram This prevents the rotation of the bolt. * click on the nominal size to find products. The square head bolt can be designated as the following example: This bolt is commonly used in bearings for the shaft. Aft fasteners provides a helpful resource on. Compared to standard hex nuts, square nuts have a greater surface in contact with the part. Square Headed Bolt Diagram.