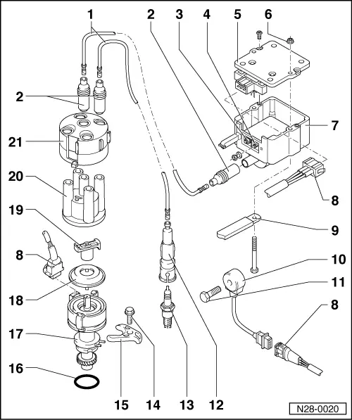
Mk3 Golf Ignition Wiring Diagram . Anyone have any idea what colour wires these are on the mk3 gti ignition barrel area or even at the fuse board? Download pdf files for free or use online viewer to access. Find wiring diagrams for volkswagen golf models from 1974 to 2017, including mk2, mk3, mk4, mk5, mk6, mk7, mk8 and gti. ‒ connect multimeter using aux. ‒ pull 3 pin plug off ignition transformer. ‒ connect multimeter using aux. Cables from v.a.g 1594 to measure voltage at contacts 1+3 of. By understanding the specific wiring diagram on your mk3, you will be able to recognize any potential electrical issues and get the problem resolved in no time. ∞ω ‒ set multimeter to. Cables from v.a.g 1594 to measure resistance at test box sockets 01+40 and check wiring for short to earth.
from wiringdiagram.2bitboer.com
Cables from v.a.g 1594 to measure resistance at test box sockets 01+40 and check wiring for short to earth. ‒ connect multimeter using aux. ‒ pull 3 pin plug off ignition transformer. Download pdf files for free or use online viewer to access. ∞ω ‒ set multimeter to. ‒ connect multimeter using aux. Cables from v.a.g 1594 to measure voltage at contacts 1+3 of. Find wiring diagrams for volkswagen golf models from 1974 to 2017, including mk2, mk3, mk4, mk5, mk6, mk7, mk8 and gti. By understanding the specific wiring diagram on your mk3, you will be able to recognize any potential electrical issues and get the problem resolved in no time. Anyone have any idea what colour wires these are on the mk3 gti ignition barrel area or even at the fuse board?
Golf Mk3 Ecu Wiring Diagram Wiring Diagram
Mk3 Golf Ignition Wiring Diagram Cables from v.a.g 1594 to measure resistance at test box sockets 01+40 and check wiring for short to earth. ∞ω ‒ set multimeter to. Cables from v.a.g 1594 to measure voltage at contacts 1+3 of. ‒ connect multimeter using aux. ‒ connect multimeter using aux. Cables from v.a.g 1594 to measure resistance at test box sockets 01+40 and check wiring for short to earth. By understanding the specific wiring diagram on your mk3, you will be able to recognize any potential electrical issues and get the problem resolved in no time. ‒ pull 3 pin plug off ignition transformer. Download pdf files for free or use online viewer to access. Anyone have any idea what colour wires these are on the mk3 gti ignition barrel area or even at the fuse board? Find wiring diagrams for volkswagen golf models from 1974 to 2017, including mk2, mk3, mk4, mk5, mk6, mk7, mk8 and gti.
From wiringdiagram.2bitboer.com
Golf Mk3 Ecu Wiring Diagram Wiring Diagram Mk3 Golf Ignition Wiring Diagram ‒ pull 3 pin plug off ignition transformer. Find wiring diagrams for volkswagen golf models from 1974 to 2017, including mk2, mk3, mk4, mk5, mk6, mk7, mk8 and gti. Download pdf files for free or use online viewer to access. By understanding the specific wiring diagram on your mk3, you will be able to recognize any potential electrical issues and. Mk3 Golf Ignition Wiring Diagram.
From nscuritibanorte.blogspot.com
Mk3 Golf Wiring Diagram Mk3 Golf Ignition Wiring Diagram Find wiring diagrams for volkswagen golf models from 1974 to 2017, including mk2, mk3, mk4, mk5, mk6, mk7, mk8 and gti. Anyone have any idea what colour wires these are on the mk3 gti ignition barrel area or even at the fuse board? Download pdf files for free or use online viewer to access. By understanding the specific wiring diagram. Mk3 Golf Ignition Wiring Diagram.
From www.schemadigital.com
Golf Gti Mk3 Wiring Diagram » Schema Digital Mk3 Golf Ignition Wiring Diagram Cables from v.a.g 1594 to measure resistance at test box sockets 01+40 and check wiring for short to earth. ‒ connect multimeter using aux. By understanding the specific wiring diagram on your mk3, you will be able to recognize any potential electrical issues and get the problem resolved in no time. Anyone have any idea what colour wires these are. Mk3 Golf Ignition Wiring Diagram.
From nscuritibanorte.blogspot.com
Mk3 Golf Wiring Diagram Mk3 Golf Ignition Wiring Diagram Download pdf files for free or use online viewer to access. ‒ connect multimeter using aux. Cables from v.a.g 1594 to measure resistance at test box sockets 01+40 and check wiring for short to earth. By understanding the specific wiring diagram on your mk3, you will be able to recognize any potential electrical issues and get the problem resolved in. Mk3 Golf Ignition Wiring Diagram.
From schematicwiringakin.z5.web.core.windows.net
Mk3 Golf Wiring Diagram Mk3 Golf Ignition Wiring Diagram Find wiring diagrams for volkswagen golf models from 1974 to 2017, including mk2, mk3, mk4, mk5, mk6, mk7, mk8 and gti. ‒ connect multimeter using aux. Anyone have any idea what colour wires these are on the mk3 gti ignition barrel area or even at the fuse board? Download pdf files for free or use online viewer to access. Cables. Mk3 Golf Ignition Wiring Diagram.
From workshop-manuals.com
Volkswagen Manuals > Golf Mk3 > Power unit > Simos injection Mk3 Golf Ignition Wiring Diagram ∞ω ‒ set multimeter to. ‒ connect multimeter using aux. Anyone have any idea what colour wires these are on the mk3 gti ignition barrel area or even at the fuse board? Find wiring diagrams for volkswagen golf models from 1974 to 2017, including mk2, mk3, mk4, mk5, mk6, mk7, mk8 and gti. By understanding the specific wiring diagram on. Mk3 Golf Ignition Wiring Diagram.
From es.scribd.com
Manual Wiring Diagrams Golf Mk3 Mk3 Golf Ignition Wiring Diagram ∞ω ‒ set multimeter to. ‒ connect multimeter using aux. Find wiring diagrams for volkswagen golf models from 1974 to 2017, including mk2, mk3, mk4, mk5, mk6, mk7, mk8 and gti. Cables from v.a.g 1594 to measure voltage at contacts 1+3 of. By understanding the specific wiring diagram on your mk3, you will be able to recognize any potential electrical. Mk3 Golf Ignition Wiring Diagram.
From www.diagramboard.com
electric diagram of golf mk3 Diagram Board Mk3 Golf Ignition Wiring Diagram ∞ω ‒ set multimeter to. Download pdf files for free or use online viewer to access. ‒ connect multimeter using aux. ‒ pull 3 pin plug off ignition transformer. Anyone have any idea what colour wires these are on the mk3 gti ignition barrel area or even at the fuse board? Find wiring diagrams for volkswagen golf models from 1974. Mk3 Golf Ignition Wiring Diagram.
From wiringdiagram.2bitboer.com
mk3 golf wiring diagram Wiring Diagram Mk3 Golf Ignition Wiring Diagram Cables from v.a.g 1594 to measure resistance at test box sockets 01+40 and check wiring for short to earth. ‒ pull 3 pin plug off ignition transformer. ∞ω ‒ set multimeter to. ‒ connect multimeter using aux. Anyone have any idea what colour wires these are on the mk3 gti ignition barrel area or even at the fuse board? Cables. Mk3 Golf Ignition Wiring Diagram.
From wiringdiagram.2bitboer.com
Mk3 Golf Vr6 Wiring Diagram Wiring Diagram Mk3 Golf Ignition Wiring Diagram Find wiring diagrams for volkswagen golf models from 1974 to 2017, including mk2, mk3, mk4, mk5, mk6, mk7, mk8 and gti. ∞ω ‒ set multimeter to. ‒ connect multimeter using aux. ‒ pull 3 pin plug off ignition transformer. Cables from v.a.g 1594 to measure resistance at test box sockets 01+40 and check wiring for short to earth. ‒ connect. Mk3 Golf Ignition Wiring Diagram.
From wiringdiagram.2bitboer.com
Golf Mk3 Ecu Wiring Diagram Wiring Diagram Mk3 Golf Ignition Wiring Diagram Cables from v.a.g 1594 to measure resistance at test box sockets 01+40 and check wiring for short to earth. Find wiring diagrams for volkswagen golf models from 1974 to 2017, including mk2, mk3, mk4, mk5, mk6, mk7, mk8 and gti. ‒ connect multimeter using aux. ∞ω ‒ set multimeter to. ‒ pull 3 pin plug off ignition transformer. Download pdf. Mk3 Golf Ignition Wiring Diagram.
From wiringmanualcasteel.z5.web.core.windows.net
Vw Golf Mk3 Wiring Diagram Pdf Mk3 Golf Ignition Wiring Diagram ‒ pull 3 pin plug off ignition transformer. ‒ connect multimeter using aux. Anyone have any idea what colour wires these are on the mk3 gti ignition barrel area or even at the fuse board? Find wiring diagrams for volkswagen golf models from 1974 to 2017, including mk2, mk3, mk4, mk5, mk6, mk7, mk8 and gti. Cables from v.a.g 1594. Mk3 Golf Ignition Wiring Diagram.
From workshop-manuals.com
Volkswagen Manuals > Golf Mk3 > Power unit > Mono Motronic Mk3 Golf Ignition Wiring Diagram ‒ connect multimeter using aux. ‒ pull 3 pin plug off ignition transformer. By understanding the specific wiring diagram on your mk3, you will be able to recognize any potential electrical issues and get the problem resolved in no time. ‒ connect multimeter using aux. Cables from v.a.g 1594 to measure resistance at test box sockets 01+40 and check wiring. Mk3 Golf Ignition Wiring Diagram.
From fab-labs.blogspot.com
Mk3 Golf Headlight Wiring Diagram Fab Lab Mk3 Golf Ignition Wiring Diagram Cables from v.a.g 1594 to measure voltage at contacts 1+3 of. ∞ω ‒ set multimeter to. Anyone have any idea what colour wires these are on the mk3 gti ignition barrel area or even at the fuse board? Find wiring diagrams for volkswagen golf models from 1974 to 2017, including mk2, mk3, mk4, mk5, mk6, mk7, mk8 and gti. ‒. Mk3 Golf Ignition Wiring Diagram.
From workshop-manuals.com
Volkswagen Manuals > Golf Mk3 > Power unit > Simos injection Mk3 Golf Ignition Wiring Diagram Cables from v.a.g 1594 to measure resistance at test box sockets 01+40 and check wiring for short to earth. ‒ connect multimeter using aux. Anyone have any idea what colour wires these are on the mk3 gti ignition barrel area or even at the fuse board? ∞ω ‒ set multimeter to. ‒ connect multimeter using aux. Cables from v.a.g 1594. Mk3 Golf Ignition Wiring Diagram.
From enginediagramhoch.z6.web.core.windows.net
Vw Golf Mk3 Wiring Diagram Pdf Mk3 Golf Ignition Wiring Diagram Cables from v.a.g 1594 to measure voltage at contacts 1+3 of. Cables from v.a.g 1594 to measure resistance at test box sockets 01+40 and check wiring for short to earth. ‒ connect multimeter using aux. By understanding the specific wiring diagram on your mk3, you will be able to recognize any potential electrical issues and get the problem resolved in. Mk3 Golf Ignition Wiring Diagram.
From wiringdiagram.2bitboer.com
mk3 golf wiring diagram Wiring Diagram Mk3 Golf Ignition Wiring Diagram By understanding the specific wiring diagram on your mk3, you will be able to recognize any potential electrical issues and get the problem resolved in no time. Anyone have any idea what colour wires these are on the mk3 gti ignition barrel area or even at the fuse board? ‒ connect multimeter using aux. Cables from v.a.g 1594 to measure. Mk3 Golf Ignition Wiring Diagram.
From easywiring.info
Mk3 Golf Headlight Wiring Diagram Easy Wiring Mk3 Golf Ignition Wiring Diagram ‒ pull 3 pin plug off ignition transformer. Anyone have any idea what colour wires these are on the mk3 gti ignition barrel area or even at the fuse board? Cables from v.a.g 1594 to measure resistance at test box sockets 01+40 and check wiring for short to earth. Find wiring diagrams for volkswagen golf models from 1974 to 2017,. Mk3 Golf Ignition Wiring Diagram.
From wiringdiagram.2bitboer.com
Vw Golf Mk3 Ecu Wiring Diagram Wiring Diagram Mk3 Golf Ignition Wiring Diagram Cables from v.a.g 1594 to measure resistance at test box sockets 01+40 and check wiring for short to earth. ‒ connect multimeter using aux. Anyone have any idea what colour wires these are on the mk3 gti ignition barrel area or even at the fuse board? ‒ pull 3 pin plug off ignition transformer. ‒ connect multimeter using aux. ∞ω. Mk3 Golf Ignition Wiring Diagram.
From workshop-manuals.com
Volkswagen Service and Repair Manuals > Golf Mk3 > Power unit Mk3 Golf Ignition Wiring Diagram By understanding the specific wiring diagram on your mk3, you will be able to recognize any potential electrical issues and get the problem resolved in no time. Anyone have any idea what colour wires these are on the mk3 gti ignition barrel area or even at the fuse board? ‒ connect multimeter using aux. ‒ connect multimeter using aux. Cables. Mk3 Golf Ignition Wiring Diagram.
From workshop-manuals.com
Volkswagen Service and Repair Manuals > Golf Mk3 > Vehicle Mk3 Golf Ignition Wiring Diagram ‒ connect multimeter using aux. Find wiring diagrams for volkswagen golf models from 1974 to 2017, including mk2, mk3, mk4, mk5, mk6, mk7, mk8 and gti. By understanding the specific wiring diagram on your mk3, you will be able to recognize any potential electrical issues and get the problem resolved in no time. Anyone have any idea what colour wires. Mk3 Golf Ignition Wiring Diagram.
From atelier-yuwa.ciao.jp
Mk3 Golf Ignition Coil Wiring atelieryuwa.ciao.jp Mk3 Golf Ignition Wiring Diagram Download pdf files for free or use online viewer to access. Anyone have any idea what colour wires these are on the mk3 gti ignition barrel area or even at the fuse board? Cables from v.a.g 1594 to measure voltage at contacts 1+3 of. Find wiring diagrams for volkswagen golf models from 1974 to 2017, including mk2, mk3, mk4, mk5,. Mk3 Golf Ignition Wiring Diagram.
From wiring.hpricorpcom.com
Mk3 Supra Ignition Wiring Diagram Wiring Diagram and Schematic Mk3 Golf Ignition Wiring Diagram By understanding the specific wiring diagram on your mk3, you will be able to recognize any potential electrical issues and get the problem resolved in no time. Find wiring diagrams for volkswagen golf models from 1974 to 2017, including mk2, mk3, mk4, mk5, mk6, mk7, mk8 and gti. Download pdf files for free or use online viewer to access. Cables. Mk3 Golf Ignition Wiring Diagram.
From fab-labs.blogspot.com
Mk3 Golf Headlight Wiring Diagram Fab Lab Mk3 Golf Ignition Wiring Diagram ∞ω ‒ set multimeter to. ‒ connect multimeter using aux. By understanding the specific wiring diagram on your mk3, you will be able to recognize any potential electrical issues and get the problem resolved in no time. ‒ connect multimeter using aux. Anyone have any idea what colour wires these are on the mk3 gti ignition barrel area or even. Mk3 Golf Ignition Wiring Diagram.
From wiringdiagram.2bitboer.com
mk3 golf wiring diagram Wiring Diagram Mk3 Golf Ignition Wiring Diagram Download pdf files for free or use online viewer to access. Cables from v.a.g 1594 to measure resistance at test box sockets 01+40 and check wiring for short to earth. Cables from v.a.g 1594 to measure voltage at contacts 1+3 of. Find wiring diagrams for volkswagen golf models from 1974 to 2017, including mk2, mk3, mk4, mk5, mk6, mk7, mk8. Mk3 Golf Ignition Wiring Diagram.
From wiringfixnymphish.z14.web.core.windows.net
Vw Golf Mk3 Wiring Diagram Pdf Mk3 Golf Ignition Wiring Diagram ‒ connect multimeter using aux. Download pdf files for free or use online viewer to access. ‒ connect multimeter using aux. Anyone have any idea what colour wires these are on the mk3 gti ignition barrel area or even at the fuse board? By understanding the specific wiring diagram on your mk3, you will be able to recognize any potential. Mk3 Golf Ignition Wiring Diagram.
From wiringdiagramall.blogspot.com
Volkswagen Engine Wiring Diagram Mk3 Golf Ignition Wiring Diagram ∞ω ‒ set multimeter to. Download pdf files for free or use online viewer to access. Anyone have any idea what colour wires these are on the mk3 gti ignition barrel area or even at the fuse board? ‒ connect multimeter using aux. Cables from v.a.g 1594 to measure resistance at test box sockets 01+40 and check wiring for short. Mk3 Golf Ignition Wiring Diagram.
From wiringdiagram.2bitboer.com
Volkswagen Golf Mk3 Wiring Diagram Wiring Diagram Mk3 Golf Ignition Wiring Diagram ∞ω ‒ set multimeter to. ‒ pull 3 pin plug off ignition transformer. Cables from v.a.g 1594 to measure resistance at test box sockets 01+40 and check wiring for short to earth. Anyone have any idea what colour wires these are on the mk3 gti ignition barrel area or even at the fuse board? Find wiring diagrams for volkswagen golf. Mk3 Golf Ignition Wiring Diagram.
From fab-labs.blogspot.com
Mk3 Golf Headlight Wiring Diagram Fab Lab Mk3 Golf Ignition Wiring Diagram Find wiring diagrams for volkswagen golf models from 1974 to 2017, including mk2, mk3, mk4, mk5, mk6, mk7, mk8 and gti. By understanding the specific wiring diagram on your mk3, you will be able to recognize any potential electrical issues and get the problem resolved in no time. ∞ω ‒ set multimeter to. ‒ pull 3 pin plug off ignition. Mk3 Golf Ignition Wiring Diagram.
From www.heydownloads.com
VOLKSWAGEN VW golf JETTA MK3 A3 WIRING DIAGRAM MANUAL PDF DOWNLOAD Mk3 Golf Ignition Wiring Diagram Cables from v.a.g 1594 to measure resistance at test box sockets 01+40 and check wiring for short to earth. ‒ connect multimeter using aux. Anyone have any idea what colour wires these are on the mk3 gti ignition barrel area or even at the fuse board? Download pdf files for free or use online viewer to access. By understanding the. Mk3 Golf Ignition Wiring Diagram.
From workshop-manuals.com
Volkswagen Service and Repair Manuals > Golf Mk3 > Power unit Mk3 Golf Ignition Wiring Diagram Cables from v.a.g 1594 to measure resistance at test box sockets 01+40 and check wiring for short to earth. ‒ pull 3 pin plug off ignition transformer. ‒ connect multimeter using aux. Download pdf files for free or use online viewer to access. By understanding the specific wiring diagram on your mk3, you will be able to recognize any potential. Mk3 Golf Ignition Wiring Diagram.
From workshop-manuals.com
Volkswagen Service and Repair Manuals > Golf Mk3 > Power unit Mk3 Golf Ignition Wiring Diagram ‒ connect multimeter using aux. ∞ω ‒ set multimeter to. Cables from v.a.g 1594 to measure resistance at test box sockets 01+40 and check wiring for short to earth. Anyone have any idea what colour wires these are on the mk3 gti ignition barrel area or even at the fuse board? By understanding the specific wiring diagram on your mk3,. Mk3 Golf Ignition Wiring Diagram.
From wiringdiagram.2bitboer.com
Vw Golf Mk3 Gti Wiring Diagram Wiring Diagram Mk3 Golf Ignition Wiring Diagram Find wiring diagrams for volkswagen golf models from 1974 to 2017, including mk2, mk3, mk4, mk5, mk6, mk7, mk8 and gti. Cables from v.a.g 1594 to measure voltage at contacts 1+3 of. Anyone have any idea what colour wires these are on the mk3 gti ignition barrel area or even at the fuse board? Cables from v.a.g 1594 to measure. Mk3 Golf Ignition Wiring Diagram.
From workshop-manuals.com
Volkswagen Manuals > Golf Mk3 > Vehicle electrics > Electrical Mk3 Golf Ignition Wiring Diagram ‒ connect multimeter using aux. Anyone have any idea what colour wires these are on the mk3 gti ignition barrel area or even at the fuse board? Cables from v.a.g 1594 to measure resistance at test box sockets 01+40 and check wiring for short to earth. Download pdf files for free or use online viewer to access. ‒ pull 3. Mk3 Golf Ignition Wiring Diagram.
From wiringdiagram.2bitboer.com
Mk3 Golf Vr6 Wiring Diagram Wiring Diagram Mk3 Golf Ignition Wiring Diagram Cables from v.a.g 1594 to measure resistance at test box sockets 01+40 and check wiring for short to earth. By understanding the specific wiring diagram on your mk3, you will be able to recognize any potential electrical issues and get the problem resolved in no time. ‒ connect multimeter using aux. Download pdf files for free or use online viewer. Mk3 Golf Ignition Wiring Diagram.