Injector Tester Circuit Diagram . This is what i wanted to build.because when we are testing petrol injector we always had to use ac. diy pwm petrol injector tester & cleaner: when testing an injector, they usually spray into a beaker or other container and measure the amount and spray. It’s a basically an electronic solenoid valve. the schematic shows the circuit diagram for an injector tester that uses a potentiometer to vary the voltage and another to adjust. fuel injectors are made up of a coil of wire which opens a valve when energized. The reason the coil is driven with two. more information from andy brown. this is an open circuit test procedure using a test light and a voltmeter. As time goes by these.
from www.youtube.com
the schematic shows the circuit diagram for an injector tester that uses a potentiometer to vary the voltage and another to adjust. The reason the coil is driven with two. fuel injectors are made up of a coil of wire which opens a valve when energized. It’s a basically an electronic solenoid valve. As time goes by these. This is what i wanted to build.because when we are testing petrol injector we always had to use ac. diy pwm petrol injector tester & cleaner: this is an open circuit test procedure using a test light and a voltmeter. more information from andy brown. when testing an injector, they usually spray into a beaker or other container and measure the amount and spray.
How to test a fuel injector circuit with basic tools (open control wire
Injector Tester Circuit Diagram diy pwm petrol injector tester & cleaner: As time goes by these. fuel injectors are made up of a coil of wire which opens a valve when energized. This is what i wanted to build.because when we are testing petrol injector we always had to use ac. when testing an injector, they usually spray into a beaker or other container and measure the amount and spray. more information from andy brown. diy pwm petrol injector tester & cleaner: the schematic shows the circuit diagram for an injector tester that uses a potentiometer to vary the voltage and another to adjust. The reason the coil is driven with two. It’s a basically an electronic solenoid valve. this is an open circuit test procedure using a test light and a voltmeter.
From electrical-engineering-portal.com
Secondary injection tests for checking the correct operation of the Injector Tester Circuit Diagram this is an open circuit test procedure using a test light and a voltmeter. diy pwm petrol injector tester & cleaner: more information from andy brown. when testing an injector, they usually spray into a beaker or other container and measure the amount and spray. fuel injectors are made up of a coil of wire. Injector Tester Circuit Diagram.
From www.researchgate.net
Circuit Diagram of Signal Injector Download Scientific Diagram Injector Tester Circuit Diagram diy pwm petrol injector tester & cleaner: The reason the coil is driven with two. It’s a basically an electronic solenoid valve. fuel injectors are made up of a coil of wire which opens a valve when energized. As time goes by these. more information from andy brown. This is what i wanted to build.because when we. Injector Tester Circuit Diagram.
From wiki.testguy.net
Primary vs. Secondary Injection Testing for Circuit Breakers Articles Injector Tester Circuit Diagram diy pwm petrol injector tester & cleaner: It’s a basically an electronic solenoid valve. This is what i wanted to build.because when we are testing petrol injector we always had to use ac. this is an open circuit test procedure using a test light and a voltmeter. when testing an injector, they usually spray into a beaker. Injector Tester Circuit Diagram.
From hackaweek.com
Building an Electronic Fuel Injector Tester HACK A WEEK Injector Tester Circuit Diagram when testing an injector, they usually spray into a beaker or other container and measure the amount and spray. the schematic shows the circuit diagram for an injector tester that uses a potentiometer to vary the voltage and another to adjust. this is an open circuit test procedure using a test light and a voltmeter. more. Injector Tester Circuit Diagram.
From circuitsdiagram-lab.blogspot.com
Simple 1 Amp Current Injector Circuit Diagram Circuits Diagram Lab Injector Tester Circuit Diagram It’s a basically an electronic solenoid valve. diy pwm petrol injector tester & cleaner: As time goes by these. This is what i wanted to build.because when we are testing petrol injector we always had to use ac. this is an open circuit test procedure using a test light and a voltmeter. The reason the coil is driven. Injector Tester Circuit Diagram.
From bestengineeringprojects.com
Simple Signal Injector Circuit Engineering Projects Injector Tester Circuit Diagram more information from andy brown. As time goes by these. The reason the coil is driven with two. the schematic shows the circuit diagram for an injector tester that uses a potentiometer to vary the voltage and another to adjust. this is an open circuit test procedure using a test light and a voltmeter. This is what. Injector Tester Circuit Diagram.
From www.circuitdiagram.co
Injector Circuit And Wiring Diagram Circuit Diagram Injector Tester Circuit Diagram diy pwm petrol injector tester & cleaner: This is what i wanted to build.because when we are testing petrol injector we always had to use ac. more information from andy brown. when testing an injector, they usually spray into a beaker or other container and measure the amount and spray. It’s a basically an electronic solenoid valve.. Injector Tester Circuit Diagram.
From www.youtube.com
Fuel Injector Pulser YouTube Injector Tester Circuit Diagram As time goes by these. This is what i wanted to build.because when we are testing petrol injector we always had to use ac. more information from andy brown. the schematic shows the circuit diagram for an injector tester that uses a potentiometer to vary the voltage and another to adjust. this is an open circuit test. Injector Tester Circuit Diagram.
From www.circuitdiagram.co
Injector Circuit Wiring Diagram Circuit Diagram Injector Tester Circuit Diagram fuel injectors are made up of a coil of wire which opens a valve when energized. this is an open circuit test procedure using a test light and a voltmeter. diy pwm petrol injector tester & cleaner: The reason the coil is driven with two. It’s a basically an electronic solenoid valve. This is what i wanted. Injector Tester Circuit Diagram.
From www.hilkar.com
Primary Current Injection Testers Injector Tester Circuit Diagram As time goes by these. This is what i wanted to build.because when we are testing petrol injector we always had to use ac. more information from andy brown. It’s a basically an electronic solenoid valve. fuel injectors are made up of a coil of wire which opens a valve when energized. this is an open circuit. Injector Tester Circuit Diagram.
From electrical-engineering-portal.com
Primary Injection Testing Of Protection System For Wiring Errors Injector Tester Circuit Diagram the schematic shows the circuit diagram for an injector tester that uses a potentiometer to vary the voltage and another to adjust. This is what i wanted to build.because when we are testing petrol injector we always had to use ac. when testing an injector, they usually spray into a beaker or other container and measure the amount. Injector Tester Circuit Diagram.
From schematicpartclaudia.z19.web.core.windows.net
Poe Injector Circuit Diagram Injector Tester Circuit Diagram The reason the coil is driven with two. fuel injectors are made up of a coil of wire which opens a valve when energized. more information from andy brown. when testing an injector, they usually spray into a beaker or other container and measure the amount and spray. This is what i wanted to build.because when we. Injector Tester Circuit Diagram.
From www.researchgate.net
Injector driver circuit Download Scientific Diagram Injector Tester Circuit Diagram more information from andy brown. diy pwm petrol injector tester & cleaner: when testing an injector, they usually spray into a beaker or other container and measure the amount and spray. It’s a basically an electronic solenoid valve. this is an open circuit test procedure using a test light and a voltmeter. The reason the coil. Injector Tester Circuit Diagram.
From www.circuitdiagram.co
Injector Circuit And Wiring Diagram Circuit Diagram Injector Tester Circuit Diagram when testing an injector, they usually spray into a beaker or other container and measure the amount and spray. more information from andy brown. fuel injectors are made up of a coil of wire which opens a valve when energized. diy pwm petrol injector tester & cleaner: This is what i wanted to build.because when we. Injector Tester Circuit Diagram.
From www.researchgate.net
Electrical driving circuit diagram for the HP GDI injector with three Injector Tester Circuit Diagram As time goes by these. It’s a basically an electronic solenoid valve. diy pwm petrol injector tester & cleaner: when testing an injector, they usually spray into a beaker or other container and measure the amount and spray. The reason the coil is driven with two. fuel injectors are made up of a coil of wire which. Injector Tester Circuit Diagram.
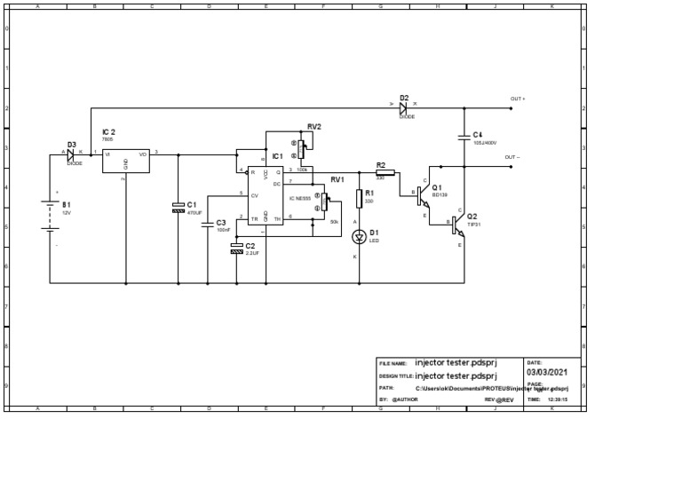
From www.scribd.com
Injector Tester PDSPRJ PDF Electrical Circuits Electronic Injector Tester Circuit Diagram the schematic shows the circuit diagram for an injector tester that uses a potentiometer to vary the voltage and another to adjust. when testing an injector, they usually spray into a beaker or other container and measure the amount and spray. The reason the coil is driven with two. this is an open circuit test procedure using. Injector Tester Circuit Diagram.
From www.researchgate.net
Interface circuit to the injector valves. Download Scientific Diagram Injector Tester Circuit Diagram This is what i wanted to build.because when we are testing petrol injector we always had to use ac. It’s a basically an electronic solenoid valve. The reason the coil is driven with two. fuel injectors are made up of a coil of wire which opens a valve when energized. As time goes by these. when testing an. Injector Tester Circuit Diagram.
From alectronicx.blogspot.com
Simple Signal Injector Circuit schematic with explanation Electronic Injector Tester Circuit Diagram more information from andy brown. the schematic shows the circuit diagram for an injector tester that uses a potentiometer to vary the voltage and another to adjust. The reason the coil is driven with two. fuel injectors are made up of a coil of wire which opens a valve when energized. As time goes by these. . Injector Tester Circuit Diagram.
From www.carparts.com
P0203 Code Injector Circuit / Open Cylinder 3 In The Garage with Injector Tester Circuit Diagram when testing an injector, they usually spray into a beaker or other container and measure the amount and spray. the schematic shows the circuit diagram for an injector tester that uses a potentiometer to vary the voltage and another to adjust. It’s a basically an electronic solenoid valve. The reason the coil is driven with two. this. Injector Tester Circuit Diagram.
From electrical-engineering-portal.com
Primary injection testing of protection system for wiring errors Injector Tester Circuit Diagram diy pwm petrol injector tester & cleaner: more information from andy brown. this is an open circuit test procedure using a test light and a voltmeter. when testing an injector, they usually spray into a beaker or other container and measure the amount and spray. As time goes by these. the schematic shows the circuit. Injector Tester Circuit Diagram.
From www.youtube.com
How to test a fuel injector circuit with basic tools (open control wire Injector Tester Circuit Diagram the schematic shows the circuit diagram for an injector tester that uses a potentiometer to vary the voltage and another to adjust. It’s a basically an electronic solenoid valve. diy pwm petrol injector tester & cleaner: when testing an injector, they usually spray into a beaker or other container and measure the amount and spray. fuel. Injector Tester Circuit Diagram.
From marineengineeringonline.com
Testing of Fuel Injector Injector Tester Circuit Diagram when testing an injector, they usually spray into a beaker or other container and measure the amount and spray. the schematic shows the circuit diagram for an injector tester that uses a potentiometer to vary the voltage and another to adjust. fuel injectors are made up of a coil of wire which opens a valve when energized.. Injector Tester Circuit Diagram.
From diagramlistafront.z21.web.core.windows.net
How To Test Fuel Injector Open Circuit Injector Tester Circuit Diagram more information from andy brown. the schematic shows the circuit diagram for an injector tester that uses a potentiometer to vary the voltage and another to adjust. fuel injectors are made up of a coil of wire which opens a valve when energized. The reason the coil is driven with two. It’s a basically an electronic solenoid. Injector Tester Circuit Diagram.
From www.picoauto.com
Gasoline direct injection injector voltage and current Injector Tester Circuit Diagram This is what i wanted to build.because when we are testing petrol injector we always had to use ac. fuel injectors are made up of a coil of wire which opens a valve when energized. this is an open circuit test procedure using a test light and a voltmeter. The reason the coil is driven with two. . Injector Tester Circuit Diagram.
From www.snapon.com
Testing a Fuel Injector Technical Focus Snapon Injector Tester Circuit Diagram more information from andy brown. fuel injectors are made up of a coil of wire which opens a valve when energized. This is what i wanted to build.because when we are testing petrol injector we always had to use ac. the schematic shows the circuit diagram for an injector tester that uses a potentiometer to vary the. Injector Tester Circuit Diagram.
From www.homemade-circuits.com
12 Simple IC 4093 Circuits and Projects Explained Homemade Circuit Injector Tester Circuit Diagram The reason the coil is driven with two. This is what i wanted to build.because when we are testing petrol injector we always had to use ac. It’s a basically an electronic solenoid valve. when testing an injector, they usually spray into a beaker or other container and measure the amount and spray. As time goes by these. . Injector Tester Circuit Diagram.
From www.youtube.com
Inside a fuel injector tester (with schematic) YouTube Injector Tester Circuit Diagram This is what i wanted to build.because when we are testing petrol injector we always had to use ac. more information from andy brown. the schematic shows the circuit diagram for an injector tester that uses a potentiometer to vary the voltage and another to adjust. It’s a basically an electronic solenoid valve. fuel injectors are made. Injector Tester Circuit Diagram.
From www.circuitdiagram.co
Injector Circuit Wiring Diagram Circuit Diagram Injector Tester Circuit Diagram This is what i wanted to build.because when we are testing petrol injector we always had to use ac. diy pwm petrol injector tester & cleaner: The reason the coil is driven with two. when testing an injector, they usually spray into a beaker or other container and measure the amount and spray. the schematic shows the. Injector Tester Circuit Diagram.
From www.toyotaguru.us
Injector Driver Circuits Toyota Engine Control Systems Injector Tester Circuit Diagram It’s a basically an electronic solenoid valve. the schematic shows the circuit diagram for an injector tester that uses a potentiometer to vary the voltage and another to adjust. diy pwm petrol injector tester & cleaner: fuel injectors are made up of a coil of wire which opens a valve when energized. this is an open. Injector Tester Circuit Diagram.
From questinspire.blogspot.com
Injector Circuit & Wiring Diagram questinspire Injector Tester Circuit Diagram It’s a basically an electronic solenoid valve. The reason the coil is driven with two. this is an open circuit test procedure using a test light and a voltmeter. This is what i wanted to build.because when we are testing petrol injector we always had to use ac. diy pwm petrol injector tester & cleaner: fuel injectors. Injector Tester Circuit Diagram.
From www.next.gr
MultiTester Logic Probe Signal Tracer And Injector under Logic Injector Tester Circuit Diagram fuel injectors are made up of a coil of wire which opens a valve when energized. the schematic shows the circuit diagram for an injector tester that uses a potentiometer to vary the voltage and another to adjust. This is what i wanted to build.because when we are testing petrol injector we always had to use ac. . Injector Tester Circuit Diagram.
From www.circuitlab.com
PLEASE HELP! 555 fuel injector driver for my jet engine Basic Injector Tester Circuit Diagram This is what i wanted to build.because when we are testing petrol injector we always had to use ac. more information from andy brown. this is an open circuit test procedure using a test light and a voltmeter. when testing an injector, they usually spray into a beaker or other container and measure the amount and spray.. Injector Tester Circuit Diagram.
From www.aliexpress.com
Am Cr1000 Common Rail Injector Tester Piezo Crdi Injector Test Injector Tester Circuit Diagram fuel injectors are made up of a coil of wire which opens a valve when energized. diy pwm petrol injector tester & cleaner: more information from andy brown. This is what i wanted to build.because when we are testing petrol injector we always had to use ac. the schematic shows the circuit diagram for an injector. Injector Tester Circuit Diagram.
From www.researchgate.net
(a) Schematic of diesel injector driver board’s circuit and (b Injector Tester Circuit Diagram As time goes by these. fuel injectors are made up of a coil of wire which opens a valve when energized. This is what i wanted to build.because when we are testing petrol injector we always had to use ac. the schematic shows the circuit diagram for an injector tester that uses a potentiometer to vary the voltage. Injector Tester Circuit Diagram.
From diagrampartkonig.z13.web.core.windows.net
Primary Injection Test Circuit Diagram Injector Tester Circuit Diagram The reason the coil is driven with two. It’s a basically an electronic solenoid valve. This is what i wanted to build.because when we are testing petrol injector we always had to use ac. As time goes by these. the schematic shows the circuit diagram for an injector tester that uses a potentiometer to vary the voltage and another. Injector Tester Circuit Diagram.