Air Impact Wrench Valve . this article is a guide to using an impact wrench to unlock the full potential of your air tools. install a new throttle valve face (9) on throttle valve (8) and insert assembly, valve face leading, into inlet hole in handle. 231 power tool pdf manual. These top rated air impact wrenches were chosen to meet those requirements, and have some additional benefits of their own. such a coupler contains an air valve that will allow the air tool to retain pressure and operate accidentally after the air supply is disconnected. whether you're a professional or a diy enthusiast, our air impact wrenches deliver precise torque control and reduced. a comprehensive range of impact wrenches includes something for everyone, from general purpose wrenches in both. Air flow, and therefore tool performance, can be hindered by undersized air supply components.
from www.scribd.com
These top rated air impact wrenches were chosen to meet those requirements, and have some additional benefits of their own. install a new throttle valve face (9) on throttle valve (8) and insert assembly, valve face leading, into inlet hole in handle. whether you're a professional or a diy enthusiast, our air impact wrenches deliver precise torque control and reduced. 231 power tool pdf manual. this article is a guide to using an impact wrench to unlock the full potential of your air tools. such a coupler contains an air valve that will allow the air tool to retain pressure and operate accidentally after the air supply is disconnected. Air flow, and therefore tool performance, can be hindered by undersized air supply components. a comprehensive range of impact wrenches includes something for everyone, from general purpose wrenches in both.
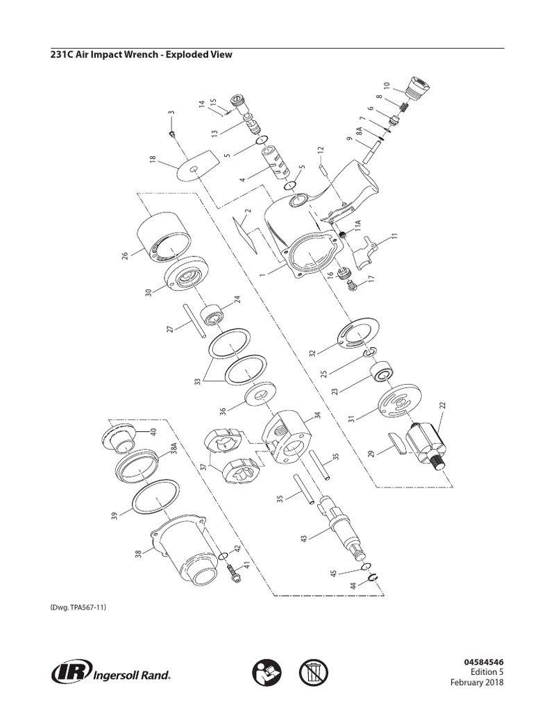
231C Air Impact Wrench Exploded View (Dwg. TPA56711) PDF Valve
Air Impact Wrench Valve Air flow, and therefore tool performance, can be hindered by undersized air supply components. whether you're a professional or a diy enthusiast, our air impact wrenches deliver precise torque control and reduced. a comprehensive range of impact wrenches includes something for everyone, from general purpose wrenches in both. Air flow, and therefore tool performance, can be hindered by undersized air supply components. this article is a guide to using an impact wrench to unlock the full potential of your air tools. install a new throttle valve face (9) on throttle valve (8) and insert assembly, valve face leading, into inlet hole in handle. 231 power tool pdf manual. such a coupler contains an air valve that will allow the air tool to retain pressure and operate accidentally after the air supply is disconnected. These top rated air impact wrenches were chosen to meet those requirements, and have some additional benefits of their own.
From www.astrotools.com
1" Heavy Duty Pinless Air Impact Wrench with 6" Anvil Astro Pneumatic Air Impact Wrench Valve whether you're a professional or a diy enthusiast, our air impact wrenches deliver precise torque control and reduced. Air flow, and therefore tool performance, can be hindered by undersized air supply components. 231 power tool pdf manual. a comprehensive range of impact wrenches includes something for everyone, from general purpose wrenches in both. install a new throttle. Air Impact Wrench Valve.
From www.ingco.co.za
Air Impact Wrench (3/4″) Ingco Tools South Africa Air Impact Wrench Valve install a new throttle valve face (9) on throttle valve (8) and insert assembly, valve face leading, into inlet hole in handle. 231 power tool pdf manual. such a coupler contains an air valve that will allow the air tool to retain pressure and operate accidentally after the air supply is disconnected. this article is a guide. Air Impact Wrench Valve.
From maraindustrial.com
IngersollRand 231329A Air Impact Wrench Valve 231329A (Pack of 6 Air Impact Wrench Valve such a coupler contains an air valve that will allow the air tool to retain pressure and operate accidentally after the air supply is disconnected. These top rated air impact wrenches were chosen to meet those requirements, and have some additional benefits of their own. Air flow, and therefore tool performance, can be hindered by undersized air supply components.. Air Impact Wrench Valve.
From www.toolsource.com
Chicago Pneumatic CP719QC 1/4 In Dr Hex Air Impact Wrench CPT719QC Air Impact Wrench Valve whether you're a professional or a diy enthusiast, our air impact wrenches deliver precise torque control and reduced. install a new throttle valve face (9) on throttle valve (8) and insert assembly, valve face leading, into inlet hole in handle. this article is a guide to using an impact wrench to unlock the full potential of your. Air Impact Wrench Valve.
From maraindustrial.com
IngersollRand 231329A Air Impact Wrench Valve 231329A (Pack of 6 Air Impact Wrench Valve These top rated air impact wrenches were chosen to meet those requirements, and have some additional benefits of their own. Air flow, and therefore tool performance, can be hindered by undersized air supply components. this article is a guide to using an impact wrench to unlock the full potential of your air tools. 231 power tool pdf manual. . Air Impact Wrench Valve.
From www.scribd.com
Air Impact Wrench Valve Mechanical Engineering Air Impact Wrench Valve 231 power tool pdf manual. These top rated air impact wrenches were chosen to meet those requirements, and have some additional benefits of their own. whether you're a professional or a diy enthusiast, our air impact wrenches deliver precise torque control and reduced. Air flow, and therefore tool performance, can be hindered by undersized air supply components. a. Air Impact Wrench Valve.
From wonderfulengineering.com
10 Best Air Impact Wrenches Air Impact Wrench Valve These top rated air impact wrenches were chosen to meet those requirements, and have some additional benefits of their own. a comprehensive range of impact wrenches includes something for everyone, from general purpose wrenches in both. 231 power tool pdf manual. Air flow, and therefore tool performance, can be hindered by undersized air supply components. install a new. Air Impact Wrench Valve.
From www.toolsource.com
1 Inch Drive Heavy Duty Impact Wrench Chicago Pneumatic 7971 Air Impact Wrench Valve install a new throttle valve face (9) on throttle valve (8) and insert assembly, valve face leading, into inlet hole in handle. These top rated air impact wrenches were chosen to meet those requirements, and have some additional benefits of their own. this article is a guide to using an impact wrench to unlock the full potential of. Air Impact Wrench Valve.
From www.khmtools.com.ph
Ingco AIW12312 Air Impact Wrench Set Air Impact Wrench Valve such a coupler contains an air valve that will allow the air tool to retain pressure and operate accidentally after the air supply is disconnected. a comprehensive range of impact wrenches includes something for everyone, from general purpose wrenches in both. install a new throttle valve face (9) on throttle valve (8) and insert assembly, valve face. Air Impact Wrench Valve.
From www.harborfreight.com
3/4 in. Heavy Duty Air Impact Wrench Air Impact Wrench Valve install a new throttle valve face (9) on throttle valve (8) and insert assembly, valve face leading, into inlet hole in handle. such a coupler contains an air valve that will allow the air tool to retain pressure and operate accidentally after the air supply is disconnected. 231 power tool pdf manual. whether you're a professional or. Air Impact Wrench Valve.
From fado.vn
Mua Dotool Air Impact Wrench 1/2 Inch Square Drive Heavy Duty 880 ft Air Impact Wrench Valve such a coupler contains an air valve that will allow the air tool to retain pressure and operate accidentally after the air supply is disconnected. a comprehensive range of impact wrenches includes something for everyone, from general purpose wrenches in both. These top rated air impact wrenches were chosen to meet those requirements, and have some additional benefits. Air Impact Wrench Valve.
From a-e-s-uk.co.uk
1/2" Air Impact Wrench AES UK LTD Air Impact Wrench Valve this article is a guide to using an impact wrench to unlock the full potential of your air tools. install a new throttle valve face (9) on throttle valve (8) and insert assembly, valve face leading, into inlet hole in handle. These top rated air impact wrenches were chosen to meet those requirements, and have some additional benefits. Air Impact Wrench Valve.
From www.yumpu.com
231GXP Air Impact Wrench Exploded View Pegamo Air Impact Wrench Valve such a coupler contains an air valve that will allow the air tool to retain pressure and operate accidentally after the air supply is disconnected. Air flow, and therefore tool performance, can be hindered by undersized air supply components. a comprehensive range of impact wrenches includes something for everyone, from general purpose wrenches in both. install a. Air Impact Wrench Valve.
From www.scribd.com
231C Air Impact Wrench Exploded View (Dwg. TPA56711) PDF Valve Air Impact Wrench Valve 231 power tool pdf manual. this article is a guide to using an impact wrench to unlock the full potential of your air tools. whether you're a professional or a diy enthusiast, our air impact wrenches deliver precise torque control and reduced. a comprehensive range of impact wrenches includes something for everyone, from general purpose wrenches in. Air Impact Wrench Valve.
From www.hardwareandtools.com
Ingersoll Rand 231G Air Impact Wrench, 1/2 in Drive, 500 FtLb, 8000 Air Impact Wrench Valve this article is a guide to using an impact wrench to unlock the full potential of your air tools. These top rated air impact wrenches were chosen to meet those requirements, and have some additional benefits of their own. Air flow, and therefore tool performance, can be hindered by undersized air supply components. whether you're a professional or. Air Impact Wrench Valve.
From mechanicstips.blogspot.com
Pneumatic Impact Wrench MechanicsTips Air Impact Wrench Valve install a new throttle valve face (9) on throttle valve (8) and insert assembly, valve face leading, into inlet hole in handle. this article is a guide to using an impact wrench to unlock the full potential of your air tools. a comprehensive range of impact wrenches includes something for everyone, from general purpose wrenches in both.. Air Impact Wrench Valve.
From toolswapper.com
Snap On 1/2" Drive HeavyDuty Air Impact Wrench, MG725 Shop Tool Air Impact Wrench Valve such a coupler contains an air valve that will allow the air tool to retain pressure and operate accidentally after the air supply is disconnected. Air flow, and therefore tool performance, can be hindered by undersized air supply components. a comprehensive range of impact wrenches includes something for everyone, from general purpose wrenches in both. this article. Air Impact Wrench Valve.
From www.huttie.com
Air Impact Wrench 1/2"Sq Drive Huttie Air Impact Wrench Valve whether you're a professional or a diy enthusiast, our air impact wrenches deliver precise torque control and reduced. Air flow, and therefore tool performance, can be hindered by undersized air supply components. a comprehensive range of impact wrenches includes something for everyone, from general purpose wrenches in both. 231 power tool pdf manual. this article is a. Air Impact Wrench Valve.
From www.ereplacementparts.com
Craftsman 1/2 Inch Air Impact Wrench 756188900 Air Impact Wrench Valve a comprehensive range of impact wrenches includes something for everyone, from general purpose wrenches in both. 231 power tool pdf manual. this article is a guide to using an impact wrench to unlock the full potential of your air tools. whether you're a professional or a diy enthusiast, our air impact wrenches deliver precise torque control and. Air Impact Wrench Valve.
From www.vevor.com
VEVOR 1 Inch Air Impact Wrench, Up to 5175 ftlbs Beast Reverse Torque Air Impact Wrench Valve install a new throttle valve face (9) on throttle valve (8) and insert assembly, valve face leading, into inlet hole in handle. whether you're a professional or a diy enthusiast, our air impact wrenches deliver precise torque control and reduced. a comprehensive range of impact wrenches includes something for everyone, from general purpose wrenches in both. . Air Impact Wrench Valve.
From bigbigmart.com
NITROCAT 1250K 1/2 in. Kevlar Twin Clutch Impact Wrench Air Impact Wrench Valve 231 power tool pdf manual. a comprehensive range of impact wrenches includes something for everyone, from general purpose wrenches in both. Air flow, and therefore tool performance, can be hindered by undersized air supply components. install a new throttle valve face (9) on throttle valve (8) and insert assembly, valve face leading, into inlet hole in handle. These. Air Impact Wrench Valve.
From www.homedepot.com
Powermate 1/2 in. Air Impact Wrench0240077CT The Home Depot Air Impact Wrench Valve a comprehensive range of impact wrenches includes something for everyone, from general purpose wrenches in both. These top rated air impact wrenches were chosen to meet those requirements, and have some additional benefits of their own. install a new throttle valve face (9) on throttle valve (8) and insert assembly, valve face leading, into inlet hole in handle.. Air Impact Wrench Valve.
From www.sofisglobal.com
Valve wrench tool Sofis valve operation Air Impact Wrench Valve whether you're a professional or a diy enthusiast, our air impact wrenches deliver precise torque control and reduced. 231 power tool pdf manual. These top rated air impact wrenches were chosen to meet those requirements, and have some additional benefits of their own. this article is a guide to using an impact wrench to unlock the full potential. Air Impact Wrench Valve.
From toolswapper.com
Snap On 1/2" Drive HeavyDuty Air Impact Wrench, MG725 Shop Tool Air Impact Wrench Valve such a coupler contains an air valve that will allow the air tool to retain pressure and operate accidentally after the air supply is disconnected. this article is a guide to using an impact wrench to unlock the full potential of your air tools. a comprehensive range of impact wrenches includes something for everyone, from general purpose. Air Impact Wrench Valve.
From www.amazon.ca
VEVOR Air Impact Wrench 3/4 Inch Pneumatic Impact Wrench, 1800 Nm Air Air Impact Wrench Valve 231 power tool pdf manual. Air flow, and therefore tool performance, can be hindered by undersized air supply components. install a new throttle valve face (9) on throttle valve (8) and insert assembly, valve face leading, into inlet hole in handle. a comprehensive range of impact wrenches includes something for everyone, from general purpose wrenches in both. . Air Impact Wrench Valve.
From www.scribd.com
3940 and 3942 Series Air Impact Wrench Exploded View Spline Drive Air Impact Wrench Valve whether you're a professional or a diy enthusiast, our air impact wrenches deliver precise torque control and reduced. 231 power tool pdf manual. These top rated air impact wrenches were chosen to meet those requirements, and have some additional benefits of their own. a comprehensive range of impact wrenches includes something for everyone, from general purpose wrenches in. Air Impact Wrench Valve.
From www.toolsource.com
Chicago Pneumatic CP 5000 1 In Dr Super Duty Impact Wrench CP5000 CPT5000 Air Impact Wrench Valve such a coupler contains an air valve that will allow the air tool to retain pressure and operate accidentally after the air supply is disconnected. this article is a guide to using an impact wrench to unlock the full potential of your air tools. These top rated air impact wrenches were chosen to meet those requirements, and have. Air Impact Wrench Valve.
From wrenchguru.com
Air Compressor & Air Impact Wrench Combo WG Air Impact Wrench Valve These top rated air impact wrenches were chosen to meet those requirements, and have some additional benefits of their own. 231 power tool pdf manual. Air flow, and therefore tool performance, can be hindered by undersized air supply components. install a new throttle valve face (9) on throttle valve (8) and insert assembly, valve face leading, into inlet hole. Air Impact Wrench Valve.
From www.deridderrentals.com
Air Impact Wrench Rental 1 inch 1500 ftlbs Torque Air Impact Wrench Valve this article is a guide to using an impact wrench to unlock the full potential of your air tools. These top rated air impact wrenches were chosen to meet those requirements, and have some additional benefits of their own. Air flow, and therefore tool performance, can be hindered by undersized air supply components. a comprehensive range of impact. Air Impact Wrench Valve.
From www.grainger.com
CLECO Air Powered, Impact Wrench, 90 psi, 800 ftlb Fastening Torque Air Impact Wrench Valve a comprehensive range of impact wrenches includes something for everyone, from general purpose wrenches in both. These top rated air impact wrenches were chosen to meet those requirements, and have some additional benefits of their own. Air flow, and therefore tool performance, can be hindered by undersized air supply components. whether you're a professional or a diy enthusiast,. Air Impact Wrench Valve.
From www.canadiantire.ca
Mastercraft 1/2in Pneumatic Air Impact Wrench with Rubber Grip Air Impact Wrench Valve Air flow, and therefore tool performance, can be hindered by undersized air supply components. a comprehensive range of impact wrenches includes something for everyone, from general purpose wrenches in both. this article is a guide to using an impact wrench to unlock the full potential of your air tools. 231 power tool pdf manual. These top rated air. Air Impact Wrench Valve.
From www.smithtoolsupply.com
Ingersoll Rand 2115TIMAX 3/8 Inch Impact Air Impact Wrench Titanium Air Impact Wrench Valve install a new throttle valve face (9) on throttle valve (8) and insert assembly, valve face leading, into inlet hole in handle. this article is a guide to using an impact wrench to unlock the full potential of your air tools. a comprehensive range of impact wrenches includes something for everyone, from general purpose wrenches in both.. Air Impact Wrench Valve.
From www.northerntool.com
Klutch Air Impact Wrench 3/4in. Drive, 7 CFM, 1,500 Ft.Lbs. Torque Air Impact Wrench Valve 231 power tool pdf manual. install a new throttle valve face (9) on throttle valve (8) and insert assembly, valve face leading, into inlet hole in handle. such a coupler contains an air valve that will allow the air tool to retain pressure and operate accidentally after the air supply is disconnected. this article is a guide. Air Impact Wrench Valve.
From www.meftala.com
Central Pneumatic Air Impact Wrench Earthquake WGL03 Air Impact Wrench Valve a comprehensive range of impact wrenches includes something for everyone, from general purpose wrenches in both. Air flow, and therefore tool performance, can be hindered by undersized air supply components. whether you're a professional or a diy enthusiast, our air impact wrenches deliver precise torque control and reduced. such a coupler contains an air valve that will. Air Impact Wrench Valve.
From newsroom.harborfreight.com
HARBOR FREIGHT TOOLS ADDS SUPER COMPACT AIR IMPACT WRENCH TO ITS Air Impact Wrench Valve 231 power tool pdf manual. install a new throttle valve face (9) on throttle valve (8) and insert assembly, valve face leading, into inlet hole in handle. whether you're a professional or a diy enthusiast, our air impact wrenches deliver precise torque control and reduced. this article is a guide to using an impact wrench to unlock. Air Impact Wrench Valve.